Система предварительных упоров штампа последовательного действия

Иллюстрации

Показать все

Реферат

 

Изобретение относится к обработке металлов давлением, в частности к штамповой оснастке для обработки листового материала . Цель - повышение надежности работы, а также снижение металлоемкости. В предварительных упорах (У) выполнены отверстия 10 и пазы 11, имеющие иак.юнныс 12 и перпендикулярные 13 стенки к направлению перемещения У. Фиксаторы (Ф) имеют скощенные рабочие торцы 15. Толкатели (Т) 6 установлены с возможностью взаимодействия с Ф через отверстия 10. Ф расположены с возможностью взаимодействия своими рабочими концами со стенками паза И и оснащены средствами, исключающи.ми поворот вокруг оси. Каждый последующий по ходу технологического процесса У имеет на одно отверстие 10 и один паз 11 больп1е, чем предыдущий. При подаче полосы она фиксируется по ближайщему У. Последний затем освобождается от Ф посредством Т 6 и отводится с рабочей позиции. Далее в работу вступает следующий У. После выполнения своих функций он отводится аналогичным образом. 3 3. п. ф-лы, 6 ил.

СОЮЗ СОВЕТСНИХ

СОЦИАЛИСТИЧЕСНИХ

РЕСПУБЛИН

ОПИСАНИЕ ИЗОБРЕТЕНИЯ

К АВТОРСКОМУ СВИДЕТЕЛЬС ГВУ

9 3

Фиаt

ГОСУДАРСТВЕННЫЙ НОМИТЕТ СССР

ПО ДЕЛАМ ИЗОБРЕТЕНИЙ И ОТНРЫТИЙ (21 ) 4053382/27-27 (22) 09.04.86 (46) 23.05.88. Б юл. № 19 (71) Мелитопольский моторный завод (72) В. П. Кругликов (53) 621.98.321 (088.8) (56) Технология и оборудование кузнечноштамповочного производства. Экспресс-информация № 1, М., 1968, с. 39, рис. 2. (54) СИСТЕМА ПРЕДВАРИТЕЛЬНЫХ

УПОРОВ ШТАМПА ПОСЛЕДОВАТЕЛ Ъ-

НОГО ДЕЙСТВИЯ (57) Изобретение относится к обработке металлов давлением, в частности к штамповой оснастке для обработки листового материала. Цель — повышение надежности работы, а также снижение металлоемкости.

В предварительных упорах (У) выполнены

„„SU„„1397125 А1 (5д 4 В 21 D43 00,,37 00 28 14 отверстия 10 и пазы 11, имеющие нак. онные

12 и перпендикулярные 13 стенки к направлению перемещения У. Фиксаторы (Ф) имеют скошенные рабочие торцы 15. Тол катели (Т) 6 установлены с возможностью взаимодействия с Ф через отверстия 10. Ф расположены с возможностью взаимодействия своими рабочими концами со стенками паза 11 и оснащены средствами, исключающими поворот вокруг оси. Каждый последующий по ходу технологического процесса У имеет на одно отверстие 10 и один паз 11 больше, чем предыдущий. При подаче полосы она фиксируется по ближайшему У. Последний затем освобождается от Ф посредством Т 6 и отводится с рабочей позиции. Далее в работу вступает следующий У. После выполнения своих функций он отводится аналогичным образом. 3 з. п. ф-лы, 6 ил.!

397125

Формула изобретения

Изобретение относится к обработке металлов давлением, в частности к штамповой оснастке для обработки листового материала.

Цель изобретения — повышение надежности работы, а также снижение металлоемкости.

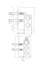
На фиг. 1 показан штамп с первым по ходу обработки упором системы предварительных упоров, находящимся в рабочем положении; на фиг. 2 — то же, в момент отвода упора из рабочего положения; на фиг. 3— нижняя плита штампа при фиксации материала по первому упору системы; на фиг. 4— то же, при фиксации по второму упору системы; на фиг. 5 и 6 — то же, при последующих рабочих ходах штампа.

Система предварительных упоров содержит упоры 1 и 2 и фиксаторы 3 и 4, расположенные на нижней плите 5 и толкатели 6, расположенные на верхней плите 7.

Каждый упор 1 или 2 установлен на стержне 8, подпружинен пружиной 9 и имеет отверстия 10 и пазы 11 со стенками 12 и 13.

Каждый фиксатор 3 или 4 подпружинен пружиной 14, имеет прямоугольное поперечvoe сечение, скошенный торец 15 и углубление 16 на нем.

Каждый толкатель подпружинен пружиной 1 . Упор 2 имеет на одно отверстие 10 и один паз 11 больше, чем упор 1. В штампе установлен постоянный упор 18. Обрабатываемая полоса обозначена позицией 19.

Система упоров работает следующим образом.

Перед началом работы упоры 1 и 2 взводятся в рабочее положение. Полоса 19 подается до упора 1, при опускании плиты 7 рабочие инструменты (не показаны) выполняют первый переход, а толкатели 6 отжимают фиксаторы 3 и 4 упоров 1 и 2, каждый из которых нод действием пружины 9 отходит до западания соответствующего фиксатора 3 (4) в отверстие 10 соответствующего упора 1 (2) .

При этом упор 1 полностью отводится из рабочей зоны, а упор 2 остается и фиксирует полосу 19 при последующем шаге и затем также отводится анало.ичным образом из рабочей зоны. Далее фиксация при обработке осуществляется по постоянному упору 18.

Перед началом работы упоры 1 и 2 вновь взводятся, при этом наличие скошенных стенок 12 пазов 11 и скошенных торцов 15 позволяет осуществить это легко и без ударов упоров 1 и 2 в фиксаторы 3 и 4, которые не западают в отверстия 10, а контактируют только со стенками пазов 11.

Внедрение изобретения позволит повысить надежность работы системы упоров, а также снизить ее металлоемкость. l0 !

1. Система предварительных упоров штампа последовательного действия, содержащая два по мень:.veH мере последовательно расположенных в направлении от первой к пос;,сдней позиции штампа и установленных в одной из направляющих планок неподвижной плиты штампа упора, каждый из которых расположен с возможностью перемещения перпендикулярно направляющей поверхности планки и оси давления штампа, подпру>кинен в этом направлении, выполнен с отверстием, ось которого параллельна оси давления штампа и часть поверхности которого выполнена цилиндрической, и оснащен фиксатором в виде стержня, расположенного со стороны опорной поверхнос.. и упора в направляющем отвсрстии плиты с возможностью перемещения,. рпендикулярно этой поверхности и подпружиненного в этом направлении, и содержащая два по меньшей мере толкателя, каждый из которых расположен на подвижной плите штампа с возможностью взаимодействия с соответствующим фиксатором через отверстие в упоре, выполнен с размером рабочего конца в направлении, параллельном направлению перемещения упора, меньшим размера фиксатора в том же направлении, и расположен боковой поверхностью рабочего конца, обращенной к рабочему концу упора, дальше от последнего, чем обращенная в ту же сторону боковая поверхность рабочего конца фиксатора, отличающаяся тем, что, с целью повышения надежности работы, отверстие в упоре выполнено ступенчатым, цилиндрическая ступень его расположена со стороны толкателя, другая ступень выполнена в виде паза, открытого со стороны фиксатора и образованного по меньшей мере двумя плоскостями, одна из которых перпендикулярна направлению перемещения упора, а другая параллельна направленик> перемещения обрабатываемого материала и наклонена к направлению перемещения упора под углом, расходящимся к рабочему концу упора, а фиксатор оснащен средствами для исключения его поворота вокруг своей оси, выполнен с рабочим торцом, наклоненным в одну сторону с наклонной плоскостью паза, и расположен с возможностью взаимодействия своим рабочим концом со стенками паза.

2. Система по п.!, отличающаяся тем, что, с целью ум ньшения металлоемкости, каждый последующий по ходу обработки упор выполнен с дополнительным по сравнению с предыдущим ступенчатым отверстием.

3. Система по п. 1, отличающаяся тем, что на рабочем торце фиксатора выполнено углубление и толкатель расположен с возможностью взаимодействия своим концом с поверхностью углубления.

1397125

Фиг. 2

4. Система по п. 1, отличающаяся тем, что в качестве средства для исключения поворота фиксатора использованы фиксатор и направляющее его отверстие с прямоугольным поперечным сечением.

Ю >(1397125

Составитель В. Дорожкин

Редактор А. Шандор Техред И. Верес Корректор A. Обручар

Заказ 2283/8 Тираж 709 Подписное

ВНИИПИ Государственного комитета СССР по делам изобретений и открытий

113035, Москва, Ж вЂ” 35, Раушская наб., д. 4/5

Производственно-полиграфическое предприятие, г. Ужгород, ул. Проектная, 4