Привод электрического выключателя
Иллюстрации
Показать всеРеферат
ОПИСАНИЕ l78880
ИЗОБРЕТЕНИЯ
К АВТОРСКОМУ СВИДЕТЕЛЬСТВУ
Союз Сове)ских
Социалистических
Республик
Зависимое от авт. свидетельства №
Заявлено 16.1.1963 (№ 813873/24-7) с присоединением заявки №
Приоритет
Опубликовано 03.11,1966. Бюллетень ¹ 4
Дата опубликования описания 15.III.1966
Кл. 21с, 40;,0
21с, 45о,;
МПК Н 02о
Н 02Ь
УДК 621.316.542.027.3..067.4 (088,8) Комитет по делам изобретений и открытий при Совете Министров
СССР ттт>(, .1)
Авторы изобретения
I и
Г. С. Квачев, Г. И. Мельниченко и P. Ф. Стйсехнко
Заявитель
ПРИВОД ЭЛЕКТРИЧЕСКОГО ВЬ|КЛ1ОЧАТЕЛЯ
Известны приводы электрических выключателей, работающие на переменном оперативном токе, содержащие отключающее устройство с рычажной системой и магнитофугальный двигатель, шток которого воздействует на вал выключателя через механизм свободного расцепления посредством шарнирно связанного с толкателем рычага. Один конец последнего соединен со штоком двигателя, а другой — закреплен на корпусе привода.
Предложенный привод отличается от известных тем, что указанный рычаг, взаимодействующий с валом выключателя, шарнирно связан с механизмом свободного расцепления промежуточным звеном — толкателем и в выключенном положении опирается на шайбу штока двигателя, а во включенном — на защелку.
С целью обеспечения быстродействия и уменьшения усилий, необходимых для отключения выключателя, рычажная система отключающего устройства снабжена механическим усилителем с ударной пластиной, воздействующим на механизм свободного расцепления.
Предложенное выполнение привода позволяет упростить его конструкцию и уменьшает потери в передаточном механизме.
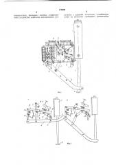
На фиг. 1 схематически изображен описываемый привод электрического выключателя; на фш.. ? кииемятическа» схема привода: а — включенное полажение, б — отключенное положение; иа фиг, 3 — показана схема управлеши приводом.
5 В качестве приьодиого двигателя использован магнитофугяльный двигатель 1, ня конце штока 2 которого закреплена шайба 3. Рычажная передача включает фигурный рычаг 1, опирающийся в выключенном состояшш вы10 ключателя на шайбу штока магнитофугяльного двигателя, а во включенном — ня защелку 5. Рычажная система передает движение и усилие от магннтофугяльного двигателя на выходной вал привсда через механизм сво15 бодного расцеплсиия. Няличис рычажной передачи позволяет применять сравнительно небольшой по размерам д|шгател1>, умень. иить потребляемую мощность, осуществить самозавод приводя н упростить схему его
20 упг;авления.
Механизм свободного рясцеплеиия представляет собой 111яриирныЙ миогоз11е!нн!к, состоящий из трех систем лом,êèöèõñÿ звеньев. В первую систему входят звеш,я б
25 и 7, во вторую — 8 и 9, в третью — 10 и 11.
Вторая система ломающихся звеш ct> запирает первую, третья — вторую.
Звено 11 имеет двуплсчий рычаг. На одно плечо последнего воздействует ударная пла30 стина 12 механического усилитсля 18, изля178880
65 мывая третью систему ломающихся звеньев для отключения выключателя. Вторым плечом рычага производят завод механического усилителя, который запирает систему ломающихся звеньев 14 и 15, относящуюся к отключающему устройству.
Три системы ломающихся звеньев создают возможность применения механического усилителя, развивающего большие усилия для излома системы свободного расцепления, что невозможно в приводах с двумя системами.
Отключающее устройство содержит электромагнит 16 дистанционного отключения и встроенные токовые электромагниты 17 отключения (клапанного типа), которые, воздействуя на релейный валик 18, ломают его пальцами систему звеньев 14 и 15 отключающего устройства, че вводят 13 действие механический усилитель.
Для максимально-токовой защиты применена схема А с дешунтированием катушек отключения при помощи токового реле с ограниченно-зависящей характеристикой (фиг. 3) .
Получив команду на включение, магнитофугальный двигатель поднимает свой шток и через рычаг 4 сообшает звену 6 поступательно-вращательное движение. Звено 8, также получая врагцательное движение вокруг временно неподвижного шарнира, соединяющего звенья 8, 9 и 10, сообщает поступательно вращательное движение звену 7. Последнее, нажимая на рычаг 19, поворачивает его по часовой стрелке вместе с жестко связанным с шп| валом выключателя.
В конце движения штока (0,8 от полного хода штока) конечный выключатель обесточивяет мягннтофугальпый двигатель, а шток довключает контакты выключателя по инерции, преодолевая динамические усилия при возможном к. з. Шток 2 заканчивает свое дви>кение после того, как главный рычаг станет на защелку, и падает вниз в исходное положение.
Отк;почение выключателя производят откчючающпе электромагниты клапанного типа, которые воздействуют на релейный валик, и тот своими пальцами изламывает систему звеньев 14 и 15. Срабатывает пру>кина механического усилителя: ударная планка его воздействует на рычаг звена 11, изламывая третью систему, что влечет излом второй, затем первой системы и отключает выключатель. Одновременно с отключением происходит завод механического усилителя, что обеспечивает быстродействие привода. При изломе второй системы звено 9 выбивает защелку 5 и главный рычаг привода падает вниз. Звенья
l0 и 11 под действием пружины возвращаются в исходное положение и привод готов к следующему включению.
Такая кинематическая схема обеспечивает резкое уменьшение усилия, необходимого для отключения выключателя (до 5 ва).
Если, например, в приводе ПС-10 во время отключения приходится стаскивать ролик с заЯ
40 щелки и только после этого вал привода поворачивается на отключение, то в предложенной конструкции малейшее изменение поло>кения звена 6 влечет за собой изменение положения всех систем ломающихся звеньев, в том числе и вала привода, что приводит к уменьшению времени отключения выключателя.
Включают выключатель, подав командный импульс от устройства автоматики или от ключа управления. При этом магнитный пускатель замыкает силовые контакты магнитофугального двигателя и блок-контакт в цепи катушки магнитного пускателя. Шток двигателя, подымаясь вверх, проворачивает рычаг привода и включает выключатель. В конце хсда срабатывают контакты КВ и разрывают цепь питания катушки магнитного пускателя, отк:почая двигатель и возвращая его шток в нижнее положение. После включения выключателя заряжают конденсатор с выдержкой времени порядка 10 — 15 сек.
При аварийном отключении выключателя его блок-контакты ВМ подключают реле повторного включения РПВ, на которое разряжается емкость. Реле срабатывает и контактами РПВ, подает импульс на повторное включение выключателя. Вторая пара контактов РПВ окончательно разряжает емкости после замыкания контакта ВМ выключателя.
Оперативное отключение выключателя производят электромагнитом КО, замыкая ключом управления КУ контакты К и К .
Одновременно замыкаются контакты К.- и К; и происходит разрядка конденсатора, устраняющая ненужное в данном случае АПВ.
Красная Л» и зеленая JI, лампы, вклю.енные через блокировочные контакты выключателя, сигнализируют о включенном или выключенном положении выключателя.
Предмет изобретения
1. Привод электрического выключателя, ра.ботающий на переменном оперативном токе, содержащий трехфазный магнитофугальный двигатель, шток которого воздействует на вал выключателя через механизм свободного распепления посредством шарнирно связанного с толкателем рычага, один конец которого соединен со штоком двигателя, а другой— закреплен на корпусе привода, и отключающее устройство с рычажной системой, отличаюи(ийся тем, что, с целью упрощения его конструкции и уменьшения потерь в передаточном механизме, указанный рычаг шарнирно связан с механизмом свободного расцепления промежуточным звеном — толкателем и опирается в выключенном положении выключателя на шайбу штока двигателя, а во включенном — на защелку механизма свободного расцепления.
2. Привод по и. 1, отличающийся тем, что, с целью обеспечения быстродействия и уменьшения усилий, необходимых для отключения
178880
15 выключателя, рычажная система отключаюи его устройства снабжена механическим усилнтелем с ударной пластиной, воздействуюк(ими на механизм свободного расцепления, 178880
Фиг, 3
Составитель И. Карасева
Редактор Е. Л. Крсчесова Тскред Т. Л. Курилко Корректоры: М, Л. Ромагпова и О. Б. Тюрииа
Заказ 581!4 Тираж 1450 Формат бум. 60, 90 /а Объем 0,41 изд. л. Подписное .1НИИПИ Комитета по делам изобретений и открытий при Совете Министров СССР
Москва, Цептр, пр. Серова, д. 4
Типография, пр. Сапунова, д. 2


