Способ и устройство для измерения расхода газа в потоке

Иллюстрации

Показать все

Изобретение относится к измерению расхода газа преимущественно в больших трубопроводах, на узлах учета для их периодического контроля; на установках высшей точности в области метрологического обеспечения расходомеров и счетчиков крупных трубопроводов. Способ измерения расхода газа заключается в том, что измеряемый расход делят на две части. В малой его части расход задают калиброванным газодинамическим сопротивлением, в нее же вводят индикатор. В большую часть вводят кратное количество того же самого индикатора, после полного перемешивания индикатора сравнивают концентрации индикатора в обеих частях, если они не равны, их выравнивают, меняя кратность деления. При этом отбор смеси из большего и меньшего трубопроводов производят с помощью перемешивающего устройства. Значение расхода в большей части получают перемножением кратности деления индикатора на величину расхода в малой его части, измеряемого образцовым расходомером. 2 н. и 2 з.п. ф-лы, 2 ил.

Реферат

Измерение относится к области измерений расхода вещества в потоке, например, расхода газа, проходящего по трубе.

Оно может быть применено при разовых или периодических измерениях с целью установить величину расхода. Такие задачи возникают при установлении расхода в магистральных газопроводах, при сравнении показаний более грубого прибора с показаниями прибора, работающего по предложенному способу (поверка расходомера). Способ может быть реализован в мобильных приборах как средство поверки.

Известны концентрационные методы измерения расхода газа. Они основаны на зависимости степени разбавления индикатора или примеси от величины расхода вещества при известной начальной концентрации индикатора и величине его расхода. Способ приведен в международном стандарте ISO 2975/1 «Измерение расхода воды в закрытых каналах. Методы прививок». Суть его более подробно описана во многих статьях, например, в книге П.П.Кремлевского «Расходомеры и счетчики количества» (Ленинград, Машиностроение, Ленинградское отделение, 1989 г., с.520-533).

Способ заключается в том, что в измеряемый поток вещества вводят индикатор (соль, краситель и т.д.), его объемный расход q и начальная концентрация c1 известны. Затем измеряют концентрацию индикатора вниз по потоку с2 и вычисляют измеряемый расход вещества Q из выражения:

Способ прост и очевиден, однако обладает невысокой точностью, порядка 1%, т.к. приготовить раствор с точным значением концентрации c1 сложно, обеспечить величину его расхода q с высокой точностью также сложно. Большой точностью и удобством реализации обладает способ, предложенный в предварительном патенте РК №26908. Технический результат в нем достигается тем, что из основного потока отводят вспомогательный поток до места впрыска индикатора в основной поток. Во вспомогательный поток вводят такой же индикатор, что и в основной поток. Соотношение количества индикатора, впрыскиваемого в основной и вспомогательный потоки, задается делителем потоков индикатора. Расход же вещества во вспомогательном потоке регулируют до тех пор, пока концентрация индикатора в обоих потоках не сравняется. При этом величину искомого расхода Q1 определяют из выражения:

где: Q2 - расход вещества во вспомогательном потоке;

k=q1/q2 - отношение расходов индикатора соответственно в основном и вспомогательных потоках.

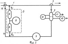
Схема, поясняющая сущность способа, приведена на фиг.1, где

1 - основной трубопровод, в котором требуется измерить расход вещества;

2 - труба отбора смеси вещества и индикатора в основном трубопроводе;

3 - делитель или устройство, задающее коэффициент k - отношение расхода впрыскиваемого индикатора в основной - q1 и вспомогательный - q2 трубопровод;

4 - труба отбора вещества из основного потока;

5 - компаратор концентрации индикатора;

6 - регулятор расхода;

7 - расходомер.

Измерение по предложенному способу осуществляют следующим образом: в измеряемый поток с неизвестным расходом Q1 впрыскивают стабильное по расходу количество индикатора q1, часть образовавшейся в основном потоке смеси отводят по трубопроводу 2 на вход компаратора концентрации 5, к второму входу которого также по трубопроводу 4 подводят смесь, полученную путем смешения расхода, отобранного из основного потока до места впрыска индикатора и расхода индикатора q2. Таким образом, на первый вход поступает концентрация примеси C1=Q1/q1, а на второй - С2=Q2/q2.

Измеритель отношений концентрации 5 (фиг.1) укажет в общем случае неравенство концентраций. Это неравенство превращают в равенство, если изменять по величине расход Q2. При этом компаратор концентрации работает в качестве нуль индикатора по методу полного уравновешивания концентраций в трубах 1 и 2.

Расход Q2 составляет лишь малую часть расхода Q1, измерить его с высокой точностью не представляет трудностей современными приборами. Разные по величине расходы индикатора q1 и q2 подают одной и той же концентрации, из одной и той же емкости 9, что существенно. Измерять их порознь не требуется. Требуется задать их отношение, что осуществляется современными делителями потока, например спаренными дозаторами различной производительности, гораздо проще и намного точнее, чем их измерить.

Изложим формулу изобретения прототипа.

Способ измерения расхода вещества в потоке, включающий создание отвода вспомогательного потока от основного, введение индикатора в основной и вспомогательный потоки, отличающийся тем, что раствор одного и того же индикатора вводят в основной и вспомогательный потоки посредством делителя, регулируют расход во вспомогательном потоке до выравнивания концентрации индикатора в обоих потоках, затем измеряют расход во вспомогательном потоке и путем умножения этой величины на соотношение расходов индикатора в делителе получают расход вещества в потоке. Устройство, использующее реализацию прототипа при измерении расхода газа, обладает недостатком, т.к. давление в компараторе может быть разным. Устранение их позволит несколько повысить точность измерения - на 0,3÷0,5%, а также производить измерение расхода газа с достаточными для коммерческих целей точностями.

Суть первого недостатка в том, что расход в отводе от основного трубопровода, измеряемый парциальным расходомером 7 (см. фиг.1), как и при любых парциальных измерениях, колеблется, что и определяет погрешность.

Второй недостаток заключается в том, что в формуле изобретения не указаны условия, при которых производится компарация концентраций сравниваемых потоков смеси, что также вызывает погрешность измерения при измерении расхода газов.

Цель настоящего изобретения состоит в повышении точности измерений расходов сжимаемых сред газа.

Цель достигается применением добавочных операций узлов и другой структурой проведения измерений.

Операции, дополнительные узлы и результат их взаимодействия можно проследить на фиг.2, где:

1 - основной трубопровод, в котором требуется измерять расход вещества;

2 - труба отвода усредненной смеси измеряемого расхода индикатора из основного трубопровода;

3 - делитель или устройство, задающее коэффициент деления k;

4 - отношение расхода впрыскиваемого индикатора в основной - q1 и вспомогательный - q2 трубопровод;

5 - труба отбора вещества до впрыска в него индикатора;

6 - компаратор концентрации индикатора в смесях;

6, 8 - плечи гидравлического делителя - сопла;

7 - образцовый расходомер;

9 - емкость с индикатором;

10, 11 - идентичные регуляторы расхода;

12 - дифференциальный датчик давления;

13 - усредняющее устройство.

Здесь измеряемый расход идет по колену труб 1, трубопровод 2 служит для отбора части потока из трубы 1; дискретные регуляторы расхода 6, 8 индикатора служат для нормированной подачи его из емкости 9 в основную трубу 1 и в отвод 4; вместе с емкостью 9 они образуют делитель 3, плечи 6 и 8 состоят из поочередно подключаемых звуковых сопел. Соотношение их горловин определяет соотношение впрыскиваемого индикатора в трубы 1 и 4. Звуковые сопла обеспечивают высокую точность поддержания расхода индикатора и высокую стабильность отношения расходов двух сопел, если они подсоединены к одному и тому же источнику примеси. Отвод 2 служит для отбора репрезентативной части смеси индикатора из основного потока Q1; компаратор концентраций 5 служит для сравнения концентраций смеси в трубопроводах 4 и 2; регуляторы 10 и 11 служат для выравнивания давлений, поступающих в компаратор смесей; дифференциальный датчик давления 12 служит для установления равенства давлений в компараторе 5; усредняющее устройство 13 усредняет уровень пульсаций в трубе 4. Также для тщательного перемешивания смеси газа и индикатора в трубопроводы 1, 4 вводят устройства рандомизации.

Сущность способа измерения заключается в следующем: в измеряемый поток с неизвестным расходом Q1 впрыскивают индикатор q1 из звукового сопла 6 делителя расходов индикатора 3; индикатор с делителя 3 одновременно поступает через другое сопло 8 в трубопровод 4; делитель 3 находится под давлением, обеспечивает точное деление расходов индикатора, впрыскиваемого в оба трубопровода. Соотношение этих расходов определяется соотношением площадей сопел или их набором и весьма слабо зависит от небольшого изменения давления в емкости 9.

Далее на участках трубы 1 и 4 происходит смешение индикатора с измеряемой средой, эта смесь поступает из трубы 1 через отводную трубу 2, а из трубы 4 после точного расходомера 7 в компаратор 5, где и производятся сравнение концентрации индикатора, существенно, что на выходе компаратора 5 установлены два идентичных регулятора, обеспечивающих равенство давлений в трубопроводах 2 и 4. Равенством давлений на обоих соплах и задаваемого отношения их площадей сечения обеспечивается постоянство отношений расходов индикатора q1 и q2. Введенный в трубопровод зонд 13 является усредняющим по сечению трубопровода 1 устройством. Оно уменьшает величину случайных пульсаций газа по диаметру трубопровода 1.

Таким образом, на первый вход компаратора подают концентрацию примеси Q1/q1, а на второй - Q2/q2, регулируют с помощью регуляторов дискретного действия (набор сопел) расход индикатора в первом или четвертом трубопроводе или в обоих сразу, так чтобы выдержать тождество

Q1/q1=Q2/q2

Находят расход

Q2 измеряют точным расходомером 7, он может быть как массовым, так и объемным, соответственно, в таких же единицах будет и измеряемый расход. Один из регуляторов 6 или 8 дополняют регулятором тонкого регулирования, который градуируют.

1. Способ измерения расхода газа в трубе, включающий создание вспомогательного отвода от основного потока, введение одного и того же индикатора посредством делителя в оба потока, регулирование концентрации индикатора в одном из потоков до их равенства в обоих и определение искомого расхода как произведения коэффициента деления делителя на величину расхода во вспомогательном потоке, отличающийся тем, что измерение расхода во вспомогательном потоке производят измерением прошедшей по нему массы газа, а измерение коэффициента деления делителя производят изменением набора стандартных звуковых сопел в обеих плечах делителя, получая значение расхода газа в основном трубопроводе как произведение коэффициента деления набора делителя на величину расхода в отводе при достижении равенства концентраций индикатора в компараторе.

2. Способ по п.1, отличающийся тем, что компарирование смесей в основном трубопроводе и отводе осуществляется при одном и том же давлении введением дифференциального датчика давления.

3. Устройство для измерения расхода газа в трубе, содержащее устройство впрыска индикатора в трубу и устройство, позволяющее вычислить расход газа по степени разведения индикатора после смешения газа и индикатора, отличающееся тем, что содержит отвод от основного трубопровода, отличающегося диаметром, с введением в него индикатора из одной и той же емкости в основной и вспомогательный трубопроводы с помощью сопел, содержит компаратор концентраций индикатора в обоих трубопроводах, а также устройства перемешивания проб, отбираемых в компаратор из обоих трубопроводов.

4. Устройство по п.4, отличающееся тем, что содержит конфигурацию трубопровода большего диаметра, обеспечивающую достаточную степень смещения индикатора с газом на малой эффективной длине основной трубы.