Способ смесеобразования в двигателе внутреннего сгорания с воспламенением от сжатия и двигатель для его осуществления

Иллюстрации

Показать все

Изобретение относится к двигателестроению, в частности к способам смесеобразования в двигателе внутреннего сгорания. Изобретение позволяет создать всережимную интенсификацию смесеобразования, снизить токсичность и сажеобразование, повысить мощность двигателя за счет увеличения коэффициента наполнения. Способ смесеобразования в двигателе внутреннего сгорания с воспламенением от сжатия, заключающийся в том, что, по меньшей мере, один воздушный поток, предназначенный для подачи в камеру сгорания, закручивают и вводят в него на такте сжатия топливо. В воздушный поток на входе в камеру сгорания вводят дополнительный поток газовой среды в виде распределенных по периферии потока струй, создают в нем тороидальный вихрь, путем подачи струй под углом от около 30° до около 90° к вектору осевой скорости воздушного потока в направлении движения и касательно к воображаемой окружности, расположенной концентрично воздушному потоку и имеющей диаметр от около 0,3 до около 0,8 диаметра воздушного потока. Газовую среду образуют вне зоны ввода струй, а на участке формирования струй возбуждают в каждой струе акустические колебания. Двигатель внутреннего сгорания с воспламенением от сжатия содержит, по меньшей мере, один цилиндр с размещенным в нем поршнем, головку цилиндра с впускным и выпускным патрубками, в которых установлены соответственно впускной и выпускной клапаны, устройство для закрутки воздушного заряда, камеру сгорания, образованную днищем поршня, стенкой цилиндра и головкой, и форсунку. Двигатель снабжен устройством для смесеобразования, размещенным перед впускным клапаном в торцевой части впускного патрубка, имеющим корпус, в котором выполнены кольцеобразная полость и распределенные по периферии впускного патрубка каналы, оси каналов ориентированы под углом от около 30° до около 90° к оси впускного патрубка и касательно к расположенной концентрично впускному патрубку воображаемой окружности диаметром от около 0,3 до около 0,8 диаметра впускного патрубка и распределительный блок, подключенный к источнику газовой среды, при этом кольцеобразная полость сообщена с распределительным блоком посредством дросселирующего канала. 2 н.п. ф-лы, 12 илл.

Реферат

Настоящее изобретение относится к автомобильному двигателестроению, а более конкретно к способу смесеобразования в двигателе внутреннего сгорания с воспламенением от сжатия.

Известен способ смесеобразования в двигателях внутреннего сгорания, в соответствии с которым в предварительно подготовленный для подачи в камеру сгорания, по меньшей мере, один поток топливовоздушной смеси дополнительно подают поток газовой среды (GB, A, 1299588). Поток газовой среды подают в виде отдельных струй по периферии поперечного сечения потока топливовоздушной смеси с образованием в нем вихревых потоков.

Устройство, осуществляющее известный способ, содержит корпус, в котором выполнены, по меньшей мере, одно имеющее кольцеобразное поперечное сечение основное отверстие, сообщающее смесительную камеру карбюратора с камерой сгорания, и расположенная концентрично основному отверстию распределительная кольцеобразная камера (GB, А, 1567601). Распределительная кольцеобразная камера через подводящий канал и расположенный в нем регулятор расхода сообщена с источником газовой среды, а через каналы, радиально расположенные по ее периметру, - с основным отверстием.

Так как процессы смесеобразования в камерах сгорания двигателей внутреннего сгорания с воспламенением от сжатия кардинально отличаются от аналогичных процессов в карбюраторных двигателях, и смесеобразование осуществляется в ограниченном пространстве камеры сгорания в короткий период такта сжатия, применить указанный способ в двигателях внутреннего сгорания с воспламенением от сжатия не представляется возможным.

Основные причины образования сажи в двигателе с воспламенением от сжатия - это температурная и концентрационная неоднородность топливовоздушной смеси. В то же время повышение полноты сгорания обусловлено улучшением смесеобразования и достигается в ДВС главным образом за счет завихрения заряда как в зоне горения, так и на входе в камеру сгорания.

В вихревых камерах сгорания современных дизелей широко применят закрутку воздушного заряда в углублении днища поршня. Однако сильная закрутка воздуха в углублении днища поршня приводит к неоднородному распределению топлива в камере сгорания. Горение в этом случае сопровождается образованием большого количества твердого углерода, особенно на режимах пиковых нагрузок. В связи с этим, известные способы вихреобразования в дизельном двигателе не являются решающим фактором, обуславливающим снижение токсичности.

Наиболее близким по своей технической сущности и достигаемому результату к заявляемому техническому решению является способ смесеобразования в двигателе внутреннего сгорания (RU, C1, №2018020). Сущность изобретения: формируют отдельные газовые струи вне зоны подачи топливовоздушной смеси и подают их в поток топливовоздушной смеси в точках, разнесенных по периферии поперечного сечения потока топливовоздушной смеси. На участке формирования газовой струи возбуждают в каждой струе акустические колебания.

Двигатель внутреннего сгорания с воспламенением от сжатия, реализующий известный способ, содержит, по меньшей мере, один цилиндр с размещенным в нем поршнем, головку цилиндра с впускным и выпускным патрубками, в которых установлены соответственно впускной и выпускной клапаны, устройство для разделения воздушного заряда на вихревые потоки, камеру сгорания, образованную днищем поршня, стенкой цилиндра и головкой, и форсунку (SU, №1716183, А1).

Основным недостатком известного способа является то, что на переменных режимах работы двигателя неоднородность концентраций топливовоздушной смеси вызывает появление продуктов неполного сгорания, в том числе сажи, а коэффициент наполнения остается неизменным.

В связи с этим, представляется целесообразным с целью повышения мощности, увеличения коэффициента наполнения, улучшения топливной экономичности за счет полноты сгорания, снижения токсичности за счет всережимной интенсификации смесеобразования, устранения образования сажи за счет выравнивания полей концентраций в камерах сгорания расширить возможности известного способа.

В основу изобретения положена задача создания таких способа и устройства для его осуществления, в которых всережимная интенсификация смесеобразования: повышает полноту сгорания, снижает токсичность продуктов сгорания (СО, СН, NOx); устраняет выбросы сажи на переходных и пиковых режимах работы при существенном увеличении наполнения цилиндров и приросте мощности.

Поставленная задача решается тем, что в способе смесеобразования в двигателе внутреннего сгорания с воспламенением от сжатия, заключающемся в том, что, по меньшей мере, один воздушный поток, предназначенный для подачи в камеру сгорания, закручивают и вводят в него на такте сжатия топливо, в соответствии с изобретением, в воздушный поток (заряд) на входе в камеру сгорания вводят дополнительный поток газовой среды (например, воздух) в виде распределенных по периферии потока струй, создают в нем тороидальный вихрь путем подачи струй под углом от около 30° до около 90° к вектору осевой скорости воздушного потока в направлении движения и касательно к воображаемой окружности, расположенной концентрично воздушному потоку и имеющей диаметр от около 0,3 до около 0,8 диаметра воздушного потока, при этом газовую среду образуют вне зоны ввода струй, а на участке формирования струй возбуждают в каждой струе акустические колебания.

При таком способе смесеобразования кинетическая энергия струй газовой среды идет на всережимную интенсификацию процесса смесеобразования. Введение струй газовой среды с образованием тороидального вихря и в направлении движения воздушного потока увеличивает существенным образом коэффициент наполнения и мощность двигателя. При подаче струй газовой среды под углом менее 30° энергии, необходимой для получения устойчивого вихря, становится недостаточно, а при подаче струй под углом более 90° - резко уменьшается коэффициент наполнения. Тороидальный вихрь обеспечивает выравнивание полей скорости и концентраций в камере сгорания при впрыске топлива. Устойчивость вихря достигается подачей струй газовой среды касательно к воображаемой окружности, расположенной концентрично воздушному потоку. Диаметр указанной окружности должен быть от около 0,3 до около 0,8 диаметра воздушного потока. В том случае, когда воздушный поток имеет прямоугольное сечение, расчет диаметра воображаемой окружности производится с использованием эквивалентного диаметра потока: , где S - площадь поперечного сечения воздушного потока.

Важным является также то, что энергия акустических колебаний, возбуждаемых в каждой струе, подводится к потоку в точках, разнесенных по периферии воздушного потока. Интенсивность этих колебаний улучшает тонкость распыления топлива и стабилизирует процесс смесеобразования на различных режимах работы. Акустические колебания возбуждают путем создания режимов критического истечения на участке формирования струй газовой среды, при этом в воздушном потоке образуются колебания с чередующимися зонами повышенного и пониженного давлений.

В качестве газовой среды может быть использован атмосферный воздух, подаваемый под избыточным давлением, смесь воздуха и некоторой части отработавших газов, а также озонированный воздух.

Изменения в характеристиках смесеобразования вследствие того, что колебания скорости воздушного потока и газовой среды существенно воздействуют на траектории капель топлива, способствуя выравниванию местных концентраций, обеспечивают высокую полноту сгорания и исключают образование сажи. Образование концентричной сдвоенной струи, где имеет место вращение как наружной, так и внутренней (тороидальной) струи с различной интенсивностью закрутки и направлением вращения в сочетании с большой зоной рециркуляции и высоким уровнем турбулентности, обеспечивает практически нулевой выброс несгоревших углеводородов СН и снижение выбросов окислов азота NOx.

Поставленная задача решается также тем, что двигатель внутреннего сгорания с воспламенением от сжатия, содержащий, по меньшей мере, один цилиндр с размещенным в нем поршнем, головку цилиндра с впускным и выпускным патрубками, в которых установлены соответственно впускной и выпускной клапаны, устройство для закрутки воздушного заряда, камеру сгорания, образованную днищем поршня, стенкой цилиндра и головкой, и форсунку, в соответствии с изобретением, снабжен устройством для смесеобразования, размещенным перед впускным клапаном в торцевой части впускного патрубка, имеющим корпус, в котором выполнены кольцеобразная полость и распределенные по периферии впускного патрубка каналы, оси каналов ориентированы под углом от около 30° до около 90° к оси впускного патрубка и касательно к расположенной концентрично впускному патрубку воображаемой окружности диаметром от около 0,3 до около 0,8 диаметра впускного патрубка, и распределительный блок, подключенный к источнику газовой среды, при этом кольцеобразная полость сообщена с распределительным блоком посредством дросселирующего канала.

Предлагаемый способ смесеобразования в двигателе внутреннего сгорания с воспламенением от сжатия и двигатель для его осуществления позволяют обеспечить всережимную интенсификацию смесеобразования, высокую полноту сгорания и низкий уровень токсичности выхлопных газов, при этом практически исключается образование сажи.

Настоящее изобретение поясняется подробным описанием примеров его конкретного выполнения со ссылками на прилагаемые чертежи, на которых:

фиг.1 изображает схему организации предлагаемого способа смесеобразования в двигателе внутреннего сгорания с воспламенением от сжатия;

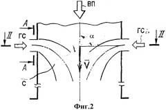
фиг.2 - схема ввода дополнительной газовой среды в воздушный поток;

фиг.3 - разрез II-II на фиг.2;

фиг.4 - разрез I-I фиг.1 - схема тороидального вихря ТВ;

фиг.5 - схема загромождения периферийными струями газовой среды ядра воздушного потока согласно изобретению;

фиг.6 - схема загромождения струями газовой среды периферии воздушного потока относительно воображаемой окружности;

фиг.7 - схема оптимального загромождения периферийными струями газовой среды воздушного потока согласно изобретению;

фиг.8 - сечение А-А на фиг.2 - участок формирования струи;

фиг.9 - схема двигателя внутреннего сгорания с воспламенением от сжатия согласно изобретению;

фиг.10 - схема выполнения корпуса устройства для смесеобразования во фланце впускного патрубка;

фиг.11 - схематичное изображение варианта выполнения корпуса устройства для смесеобразования в виде проставки;

фиг.12 - схема восьмицилиндрового двигателя внутреннего сгорания с воспламенением от сжатия (вариант) согласно изобретению.

Способ смесеобразования в двигателе внутреннего сгорания с воспламенением от сжатия согласно изобретению заключается в следующем. Предназначенный для подачи в камеру сгорания, по меньшей мере, один воздушный поток ВП (фиг.1) закручивают и впрыскивают в него на такте сжатия топливо Т. Дополнительно в воздушный поток ВП на входе в камеру сгорания вводят газовую среду ГС (фиг.2) в точках T1, T2, разнесенных по периферии воздушного потока ВП, в виде струй С (фиг.3), которые создают тороидальный вихрь ТВ (фиг.4) путем подачи струй С под углом α от около 30° до около 90° к вектору осевой скорости V воздушного потока ВП в направлении движения (фиг.2), и касательно под углом β к расположенной концентрично воздушному потоку ВП воображаемой окружности ВО (фиг.3). При ориентации струй С газовой среды ГС к воображаемой окружности ВО с диаметром менее около 0,3 диаметра поперечного сечения воздушного потока ВП будет загромождаться ядро потока (фиг.5); в результате чего наблюдается неоднородность распределения концентраций в камере сгорания. При ориентации же струй С газовой среды ГС к воображаемой окружности ВО, имеющей диаметр более около 0,8 диаметра поперечного сечения воздушного потока ВП все струи С загромождают лишь периферию потока ВП (фиг.6), следствием чего является также неудовлетворительное смесеобразование в камере сгорания. Оптимальная подача струй С газовой среды ГС в заявляемом диапазоне (фиг.7) обеспечивает формирование тороидального вихря ТВ (фиг.4).

На участке формирования струй (фиг.8) в каждой струе С возбуждают акустические колебания. Их можно возбуждать любым известным способом: подводом колебательной энергии извне (например, с применением излучателей акустических колебаний), использованием механических или газодинамических средств возбуждения колебаний.

В соответствии с изобретением, акустические колебания возбуждают путем создания режима критического или сверхкритического истечения на участке формирования струй.

Предлагаемый способ смесеобразования осуществляется с помощью двигателя внутреннего сгорания с воспламенением от сжатия, представленного на фиг.9. Двигатель содержит по меньшей мере один цилиндр 1 с размещенным в нем поршнем 2, головку цилиндра 3, впускной и выпускной патрубки 4, 5 и, соответственно, впускной и выпускной клапаны 6, 7, устройство для закрутки заряда 8, камеру сгорания 9, образованную днищем поршня 2, стенкой цилиндра 1 и головкой 3, и форсунку 10.

В соответствии с изобретением, двигатель снабжен размещенным перед впускным клапаном 6 в торцевой части впускного патрубка 4 устройством для смесеобразования 12, которое состоит из корпуса 13 и распределительного блока 14 (фиг.10). Корпус 13 выполняется в виде фланца впускного патрубка 4. В корпусе 13 выполнены: кольцеобразная полость 15 и распределенные по периферии впускного патрубка 4 каналы 16, оси которых ориентированы под углом от около 30° до около 90° к оси впускного патрубка 4. Кроме того, оси каналов 16 дополнительно ориентированы касательно к расположенной концентрично впускному патрубку 4 воображаемой окружности. Распределительный блок 14 подключен к источнику газовой среды ИГС, например, к нагнетателю атмосферного воздуха, и сообщен с кольцеобразной полостью 15 посредством дросселирующего канала 17. Вариант выполнения корпуса в виде проставки показан на фиг.11. В соответствии с изобретением, акустические колебания возбуждают путем создания режима критического или сверхкритического истечения на участке дросселирующего канала 17.

Корпус 13 может быть выполнен и в головке блока цилиндров (не показано).

В распределительном блоке 14 осуществляется подготовка газовой среды, например, смеси воздух + выхлопные газы в определенном соотношении. Для многоцилиндровых двигателей распределительный блок обеспечивает распределение газовой среды по цилиндрам (фиг.12).

Работа двигателя осуществляется следующим образом. Происходит впуск воздушного заряда через впускной клапан 4 в камеру сгорания 9. Воздушный заряд при этом приобретает вращательное движение с помощью устройства для закрутки воздушного заряда, а дополнительная газовая среда (например, атмосферный воздух) вводится в закрученный воздушный заряд, образуя при этом тороидальный вихрь, циркуляция которого происходит внутри закрученного воздушного заряда (в одноименном или в разноименном направлениях в зависимости от угла ввода струй β, фиг.9). Высокая интенсивность турбулентности за счет энергии акустических колебаний давления и взаимодействия струй между собой и воздушным зарядом передается воздушному заряду, а при впрыске топлива на такте сжатия и топливным факелам, истекающим из сопел форсунки 10. Эта энергия идет как на улучшение тонкости распыления топлива, так и на выравнивание концентрационных полей в объеме камеры сгорания. В сочетании с этим в закрученном течении с высоким уровнем турбулентности возникают обширные зоны рециркуляции, которые имеют огромное значение в интенсификации процесса смесеобразования. Происходит воспламенение подготовленной однородно перемешанной топливовоздушной смеси в объеме камеры сгорания 9, при этом время, необходимое для сгорания топлива, уменьшается за счет диффузионной составляющей процесса горения согласно зависимости: tг=tд+tк, где tг - время горения топливовоздушной смеси; tд - время диффузии (смешения); tк - время кинетики химических реакций.

Сокращение времени пребывания продуктов сгорания в высокотемпературной зоне способствует уменьшению выбросов окислов азота. Наряду с этим всережимная интенсификация процесса смесеобразования повышает полноту сгорания топлива, обеспечивает уменьшение выбросов углеводородов и практически исключает дымление. В то же время повышение полноты сгорания и увеличение коэффициента наполнения способствуют увеличению мощности двигателя. На такте выпуска открывается выпускной клапан, и отработавшие газы выходят в атмосферу.

Предлагаемый способ смесеобразования и двигатель для его осуществления найдут широкое применение в наземных, воздушных и водных транспортных средствах, а также в двигателях с воспламенением от сжатия стационарных силовых установок.

1. Способ смесеобразования в двигателе внутреннего сгорания с воспламенением от сжатия, заключающийся в том, что, по меньшей мере, один воздушный поток, предназначенный для подачи в камеру сгорания, закручивают и вводят в него на такте сжатия топливо, отличающийся тем, что в воздушный поток на входе в камеру сгорания вводят дополнительный поток газовой среды в виде распределенных по периферии потока струй, создают в нем тороидальный вихрь, путем подачи струй под углом от около 30 до около 90° к вектору осевой скорости воздушного потока в направлении движения и касательно к воображаемой окружности, расположенной концентрично воздушному потоку и имеющей диаметр от около 0,3 до около 0,8 диаметра воздушного потока, при этом газовую среду образуют вне зоны ввода струй, а на участке формирования струй возбуждают в каждой струе акустические колебания.

2. Двигатель внутреннего сгорания с воспламенением от сжатия, содержащий, по меньшей мере, один цилиндр с размещенным в нем поршнем, головку цилиндра с впускным и выпускным патрубками, в которых установлены соответственно впускной и выпускной клапаны, устройство для закрутки воздушного заряда, камеру сгорания, образованную днищем поршня, стенкой цилиндра и головкой, и форсунку, отличающийся тем, что он снабжен устройством для смесеобразования, размещенным перед впускным клапаном в торцевой части впускного патрубка, имеющим корпус, в котором выполнены кольцеобразная полость и распределенные по периферии впускного патрубка каналы, оси каналов ориентированы под углом от около 30 до около 90° к оси впускного патрубка и касательно к расположенной концентрично впускному патрубку воображаемой окружности диаметром от около 0,3 до около 0,8 диаметра впускного патрубка и распределительный блок, подключенный к источнику газовой среды, при этом кольцеобразная полость сообщена с распределительным блоком посредством дросселирующего канала.