Способ неразрушающей диагностики предаварийного состояния электрооборудования с обмотками высокого напряжения

Иллюстрации

Показать все

Область техники: может применяться в электроэнергетике для прогнозирования возможности повреждения изоляции основного электрооборудования с обмотками высокого напряжения (измерительные и силовые трансформаторы, электрические машины) при воздействии на него со стороны сети внутренних перенапряжений. Способ состоит в измерении сопротивления изоляции электрооборудования в диапазоне частот 0-150 кГц путем дополнительного определения для расчетного режима сопротивления сети питания относительно точек подключения вышеупомянутого оборудования в диапазоне частот 0-150 кГц. Далее определяют резонансные частоты сети питания и изоляции электрооборудования, которые сравнивают между собой, если они близки или совпадают - делают вывод о величине вероятности повреждения изоляции электрооборудования, чем обеспечивается возможность проведения мероприятий касательно изменения резонансных частот сети питания и, как следствие, повышение надежности работы электрооборудования. В основу изобретения поставлена задача повышения надежности способа неразрушающей диагностики предаварийного состояния электрооборудования. 2 з.п. ф-лы, 16 ил.

Реферат

2. Область техники, к которой относится изобретение.

Способ может применяться в электроэнергетике для прогнозирования возможности повреждения изоляции основного электрооборудования с обмотками высокого напряжения (измерительные и силовые трансформаторы, электрические машины) при воздействии на него со стороны сети внутренних перенапряжений.

3. Уровень техники.

Система профилактических испытаний изоляции оборудования повышенным напряжением согласно утвержденных норм (Нормы испытания электрооборудования, 5-е издание, М.: Атомиздат, 1978, 304 с.) и ГОСТов

(ГОСТ 1516.1-76*. Электрооборудование переменного тока на напряжение от 3 до 500 кВ. Требования к электрической прочности изоляции. М.; 1985, 61 с.;

ГОСТ 20690-75*. Электрооборудование переменного тока на напряжение 750 кВ. Требования к электрической прочности изоляции. М. 1975, 20 с.;

ГОСТ 1516.2-97, Межгосударственный стандарт. Электрооборудование и электроустановки переменного тока на напряжение 3 кВ и выше. Общие методы испытания электрической прочности изоляции. Киев. Госстандарт Украины. 1999, 32 с.), базирующаяся на периодических испытаниях, может в сегодняшних условиях привести к противоположному по сравнению с ожидаемым результату.

Дополнительными к испытаниям высоким напряжением являются измерения некоторых электрических характеристик изоляции, которые непосредственно свидетельствуют о способности оборудования выдерживать воздействия рабочего напряжения (А.В.Сапожников. Уровни изоляции электрооборудования высокого напряжения. Нормы и методы испытания электрической прочности. М.: Энергия, 1969, 296 с.).

Известны неразрушающие профилактические методы. "Одним из старейших методов контроля изоляции является измерение ее сопротивления. Считается, что величина сопротивления изоляции равна отношению приложенного постоянного напряжения к току, который протекает по изоляции. Как показывает опыт, сопротивление изоляции значительно уменьшается при возникновении сквозных дефектов, которые вызывают увеличение проводимости по всему пути от одного электрода к другому (страница 18, Методи профiлактики високовольтного устаткування, I.K.Федченко, М.Ю.I∈русалiмов, Киïв, 1959, 19 с.). Дефекты, которые не имеют сквозного характера, измерением сопротивления изоляции не определяются. Но по характеру изменения сопротивления во времени можно судить о степени увлажнения изоляции.

"Для контроля влажности обмоток силовых трансформаторов используются зависимости емкости обмоток от частоты..." "Этот метод получил название "емкость-частота". Он сводится к измерению емкости обмоток трансформатора при двух частотах. Соотношение емкостей является критерием увлажнения изоляции" (там же, стр.51).

Таким образом, известные неразрушающие профилактические методы (способы) дают лишь качественное представление о состоянии изоляции, поскольку один и тот же результат, полученный при измерениях, может быть обусловлен целым рядом взаимоисключающих причин. "К сожалению, система профилактических испытаний становится все менее эффективной. Нередко оборудование отказывает через несколько месяцев или даже дней после профилактического испытания, что свидетельствует о неэффективности существующей системы". (А.С.Кудратиллаев, Методы и устройства контроля изоляции высокого напряжения, Ташкент: Издательство "ФАН" Узбекской ССР, 1988, 210 с.).

В последние годы получила распространение разработка средств диагностирования изоляции трансформаторов по изменению их частотных характеристик. Разработка таких средств базируется на явлении изменения собственной частоты обмотки вследствие увлажнения, старения и других причин, благодаря чему происходит смещение частотных характеристик по оси частоты. По результатам исследований определяют экстремальные точки на этих характеристиках, а по степени демпфирования делают выводы относительно изменения состояния изоляции. (Ахметшин Р.С., Рыбаков Л.М. Технические средства диагностирования силовых трансформаторов 10/0,4 кВ на основе частотных характеристик. "Электричество", №5/2005, стр.19-26).

Таким образом, все вышеприведенные аналоги, включая последний, который выбран в качестве прототипа, предусматривают, что причина повреждения изоляции находится внутри объекта, характеристики которого исследуются.

Вообще надежность любого оборудования зависит не только от его состояния, но и от параметров воздействующих возмущений, значения которых нормируются конкретными условиями, что сложились в конкретном узле электрической сети, где подключено это оборудование.

Нормативные документы (например, "Руководство по защите электрических сетей 6-1150 кВ от грозовых и внутренних перенапряжений". РД 153-34.3-35.125-99, Издание второе. Утверждено первым заместителем председателя Правления РАО "ЕЭС России" О.В.Бритвенным 12.07.1999 г., Санкт-Петербург, из-во ПЭПИК, 1999, 333 с.) предлагают "...для повышения надежности работы изоляции сетей, прежде всего, постаревшей в процессе многолетней эксплуатации, целесообразно в конкретных условиях эксплуатации предусмотреть дополнительные мероприятия по ограничению перенапряжений...".

Типичным примером, который демонстрирует влияние параметров сети на надежность оборудования, подключенного к ней, являются феррорезонансные процессы, которые приводят, как правило, к повреждению оборудования.

Из сказанного выше можно сделать вывод, что, используя прототип, то есть используя способ неразрушающей диагностики предаварийного состояния оборудования с обмотками высокого напряжения, суть которого состоит в измерении сопротивления его изоляции в диапазоне частот 0-150 кГц, нельзя предусмотреть случаи выхода оборудования из строя, причиной которых является чрезмерное влияние параметров воздействия электрической сети, к которой подключено оборудование.

4. Сущность изобретения.

В основу изобретения поставлена задачу усовершенствования способа неразрушающей диагностики предаварийного состояния электрооборудования с обмотками высокого напряжения, который состоит в измерении сопротивления его изоляции в диапазоне частот 0-150 кГц путем дополнительного определения для расчетного режима значения сопротивления сети питания относительно точек подключения вышеупомянутого оборудования в диапазоне частот 0-150 кГц, далее определяют резонансные частоты сети питания и изоляции электрооборудования, которые сравнивают между собой, если резонансные частоты близки или совпадают - делают вывод о большой вероятности повреждения изоляции электрооборудования, чем обеспечивается возможность проведения мероприятий касательно изменения резонансных частот сети питания и, как следствие, повышение надежности работы электрооборудования.

В случае целесообразности внесения изменений в конструкцию электрооборудования с целью изменения резонансной частоты и уточнения параметров воздействия внешних перенапряжений на отдельные элементы конструкций внутри объема электрооборудования размещают в заранее определенных местах проводящую поверхность, изолированный вывод которой выводят вовне, далее синтезируют обобщенную модель изоляции электрооборудования в виде совокупности двухполюсников, которые размещают между выводами электрооборудования, выводом проводящей поверхности и корпусом для всех возможных вариантов их соединения, независимые частотные характеристики изоляции снимают в количестве, достаточном для определения частотных характеристик каждого двухполюсника по очереди между выводами электрооборудования, изолированным выводом проводящей поверхности и корпусом, на основе полученных независимых частотных характеристик синтезируют относительно всех выводов электрооборудования математическую модель изоляции электрооборудования, которую используют как составную часть модели электрической сети для определения параметров воздействия внешних перенапряжений на отдельный элемент изоляции электрооборудования.

Поставленная задача достигается также тем, что параллельно точкам подключения электрооборудования устанавливается фильтр с малым сопротивлением на резонансной частоте электрооборудования.

4. Перечень фигур чертежей.

Для наглядности описания и разъяснения его сути, использовано следующие фигуры:

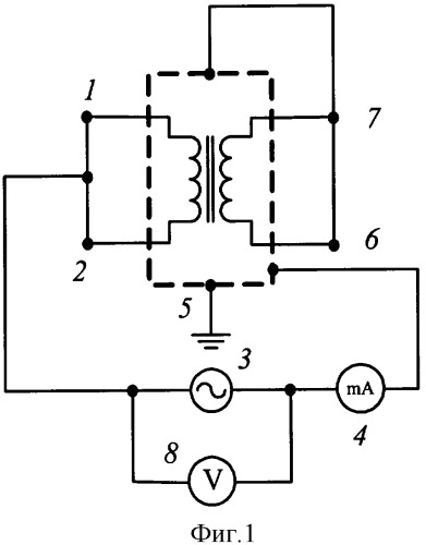
- Фиг.1 - схема установки для снятия частотной характеристики трансформатора напряжения НОМ-10 между его выводами и корпусом при заземленной проводящей поверхности;

- Фиг.2 - частотная характеристика изоляции измерительного трансформатора напряжения типа НОМ-10 (а - модуль комплексного сопротивления изоляции, б - угол комплексного сопротивления изоляции) для схемы измерения на фиг.1;

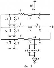
- Фиг.3 - схема определения сопротивления модели электрической сети относительно точек подключения трансформатора напряжения типа НОМ-10 в диапазоне частот 0-150 кГц в режиме однофазного металлического замыкания на землю;

- Фиг.4 - сопротивление электрической сети относительно точек подключения трансформатора напряжения НОМ-10 на частотах 0-150 кГц при эквивалентной емкости сети 0,023 мкФ и 10 мкФ;

- Фиг.5 - обобщенная модель изоляции трансформатора напряжения типу НОМ-10;

- Фиг.6 - упрощенная обобщенная модель изоляции трансформатора напряжения типа НОМ-10.

- Фиг.7 - схема установки для снятия частотной характеристики трансформатора напряжения НОМ-10 между его заземленными выводами ВН и изолированным выводом проводящей поверхности;

- Фиг.8 - схема установки для снятия частотной характеристики трансформатора напряжения НОМ-10 между изолированным выводом проводящей поверхности и корпусом;

- Фиг.9 - частотная характеристика изоляции измерительного трансформатора напряжения типа НОМ-10 (а - модуль комплексного сопротивления изоляции, б - угол комплексного сопротивления изоляции) для схемы измерения на фиг.7;

- Фиг.10 - частотная характеристика изоляции измерительного трансформатора напряжения типа НОМ-10 (а - модуль комплексного сопротивления изоляции, б - угол комплексного сопротивления изоляции) для схемы измерения на фиг.8;

- Фиг.11 - математическая модель изоляции трансформатора напряжения НОМ-10 в виде расчетной схемы;

- Фиг.12 - математическая модель изоляции трансформатора напряжения НОМ-10, как составная часть модели электрической сети в виде расчетной схемы;

- Фиг.13 - цифрограммы параметров режима при эквивалентной емкости сети 0,023 мкФ, обмотка НН трансформатора напряжения не заземлена, частота собственных колебаний сети 4480 Гц;

- Фиг.14 - цифрограммы параметров режима при эквивалентной емкости сети 10 мкФ, обмотка НН трансформатора напряжения не заземлена;

- Фиг.15 - математическая модель изоляции трансформатора напряжения НОМ-10 как составная часть модели электрической сети с установленным высокочастотным фильтром в виде расчетной схемы;

- Фиг.16 - цифрограммы параметров режима при эквивалентной емкости сети 0,023 мкФ, обмотка НН трансформатора напряжения не заземлена, частота собственных колебаний сети 4480 Гц с установленным высокочастотным фильтром;

6. Сведения, подтверждающие возможность осуществления изобретения.

Реализацию способа неразрушающей диагностики предаварийного состояния оборудования с обмотками высокого напряжения проведем на примере трансформатора напряжения типа НОМ-10, который работает в сети 10 кВ. В качестве расчетного режима сети принят режим однофазного металлического замыкания на землю той из фаз, к которой не подключен трансформатор напряжения.

Для измерения сопротивления изоляции трансформатора напряжения собирают схему, показанную на фиг.1. Выводы обмотки высокого напряжения трансформатора напряжения 1 и 2 закорачивают и присоединяют к одному из выводов источника питания 3, другой вывод последовательно с амперметром 4 присоединяют к корпусу трансформатора напряжения 5, к нему же присоединяют закороченные выводы обмотки низкого напряжения 6 и 7. Параллельно с источником питания 3 включают вольтметр 8. В качестве источника питания использован генератор низкочастотных сигналов Г3-109, для измерения тока и напряжения - универсальный вольтметр типа В7-21А.

Частоту источника питания меняют в диапазоне от 0 до 150 кГц и одновременно фиксируют показания приборов. По данным приборов строят кривые зависимости модуля (фиг.2а) и фазы (фиг.2б) комплексного сопротивления изоляции трансформатора напряжения от частоты. На фиг.2 (а, б) четко видны резонансы - в диапазоне 4000-5150 Гц и 78-86 кГц.

Следующим шагом является определение для расчетного режима сопротивление сети питания относительно точек подключения вышеупомянутого оборудования в диапазоне частот 0-150 кГц и определения резонансных частот сети питания. Эти частоты отличаются в разных точках сети, поскольку они зависят от мощности силовых трансформаторов на подстанции, количества и типов линий, присоединенных к шинам подстанции, режима роботы нейтрали сети, наличия компенсации реактивной мощности и многих других факторов. Мало того, эти частоты отличаются в рабочих и аварийных режимах. Поэтому моделирование производят для конкретного узла электрической сети, где предполагается установка тестируемого оборудования. Это делают для всех возможных режимов работы (рабочие режимы и короткие замыкания) и для всех возможных конфигураций схемы подстанции (выведение в ремонт линий, систем шин, силовых трансформаторов и т.д.).

Для простоты и наглядности электрическая сеть смоделирована параметрами стандартного силового трансформатора номинальной мощностью SТ=1000 кВА. Продольные параметры схемы замещения силового трансформатора смоделированы 19,34 мГн (9) и активным сопротивлением 1,550 м (10), а поперечные параметры (потери в стали) индуктивностью 7,02 Гн (11) и активным сопротивлением 18,38 кОм (12). Изменение формы (частоты свободных колебаний) импульса, действующего на изоляцию, достигалось изменением С - эквивалентной емкости сети (13 на фиг.3). Тут ЕДС на всех трех фазах зашунтированы, а вместо трансформатора напряжения (точки 14 и 15 на фиг.3) включена последовательно с амперметром 4 однофазный источник питания 3. Напряжение на источнике питания фиксируется вольтметром 8. Имитация металлического замыкания на землю фазы, к которой не подключен трансформатор напряжения, осуществляется ключом 16.

Для двух случаев, когда С=0,023 мкФ и С=10 мкФ, изменяли частоту источника питания в диапазоне 0-150 кГц и рассчитывали величину сопротивления по известным величинам напряжения и тока, протекающего через источник питания. На фиг.4 видно, что частота свободных колебаний системы будет 200 Гц при С=10 мкФ и 4550 Гц при С=0,023 мкФ.

Итак на любой подстанции с идентичными параметрами (силовой трансформатор мощностью 1000 кВА и эквивалентной емкости сети С=0,023 мкФ (что может быть, например, емкостью системы шин при включении трансформатора на холостой ход) существует большая вероятность повреждения изоляции НОМ-10 в схожих режимах, независимо от того, сколько трансформатор времени в эксплуатации, сколько раз ремонтировался и когда проходил профилактические испытания.

Важно, что кратность перенапряжений зависит также от эквивалентной мощности сети питания, то есть аналогичная картина будет наблюдаться на подстанциях с мощностью силовых трансформаторов SТ=10 MBA и эквивалентной емкостью сети соответственно 0,23 мкФ, а также при SТ=100 MBA и С=2,3 мкФ. Что уже является реальными эксплуатационными параметрами обычных рабочих режимов многих существующих подстанций.

В случае целесообразности внесения изменений в конструкцию электрооборудования для уточнения параметров воздействий внешних перенапряжений на отдельные элементы конструкции внутри объема электрооборудования размещают в заранее определенных местах проводящую поверхность (в нашем случае ее роль играет обмотка низкого напряжения трансформатора напряжения, изолированные выводы которой выведены наружу).

Дальше синтезируют обобщенную модель изоляции электрооборудования в виде совокупности двухполюсников (17-26), которые размещают между выводами трансформатора напряжения, выводом проводящей поверхности и корпусом для всех возможных вариантов их соединения (фиг.5). На крышке трансформатора напряжения имеются выводы обмотки высокого напряжения 1 и 2, два вывода обмотки низкого напряжения 6 и 7, а также вывод корпуса 5.

Как видно на фиг.5, для каждой частоты имеется десять неизвестных сопротивлений 17-26. Для их определения необходимо провести на каждой частоте по десять независимых измерений входящего сопротивления реального объекта НОМ-10.

Поскольку конструкция реального объекта симметрична, то логично будет принять, что величины сопротивлений, например 18 и 20, равны (аналогично одинаковыми будут величины сопротивлений двухполюсников 21 и 22, 23 и 26, 24 и 25). Выводы обмотки низкого напряжения 6 и 7 соединены в один узел 27 из-за значительно меньшего сопротивления этой обмотки на фоне сопротивления изоляции. Величина сопротивления двухполюсника между узлами 27 и 5 будет в два раза меньше сопротивлений 24 или 25 (обозначим его 28, фиг.6). Такое предположение сокращает количество необходимых независимых опытов с десяти до шести. На фиг.6 показана упрощенная обобщенная модель изоляции трансформатора напряжения. Отдельно стоит остановиться на двухполюснике 17. Если принять во внимание то, что включение (или выключение) трансформатора напряжения в сеть не может существенно изменить параметры самой сети, а отсюда и частоту ее собственных колебаний, то наличие или отсутствие двухполюсника 17 в модели трансформатора напряжения не приведет к изменению режима работы изоляции. Другими словами, разница потенциалов между выводами 1 и 2 трансформатора напряжения определяется параметрами сети и не изменится от того, будет ли учтен или нет в модели изоляции трансформатора напряжения двухполюсник 17. Принимая во внимание вышесказанное, пренебрегаем сопротивлением 17 и не учитываем его в дальнейшем.

Частотные характеристики снимают по очереди между выводами электрооборудования и корпусом при заземленной проводящей поверхности (фиг.1), между заземленными выводами электрооборудования и изолированным выводом проводящей поверхности (фиг.7), между изолированным выводом проводящей поверхности и корпусом (фиг.8).

На фиг.7 один из выводов источника питания 3 присоединяется к закороченным выводам обмотки высокого напряжения трансформатора напряжения 1 и 2, а также к корпусу трансформатора напряжения 5. Другой вывод источника питания присоединяют последовательно с амперметром 4 к закороченным выводам обмотки низкого напряжения 6 и 7. Параллельно с источником питания 3 включается вольтметр 8.

На фиг.8 выводы 1 и 2 обмотки высокого напряжения трансформатора напряжения закорачиваются с выводами 7 и 6 обмотки низкого напряжения и присоединяются к одному из выводов источника питания 3. Другой вывод источника питания присоединяют последовательно с амперметром 4 к корпусу трансформатора напряжения 5. Параллельно с источником питания 3 включается вольтметр 8.

Частотные характеристики, полученные с помощью схем на фиг.7 и 8, показаны соответственно на фиг.9 и 10. На основании полученных независимых частотных характеристик синтезируют относительно всех выводов электрооборудования математическую модель изоляции электрооборудования (фиг.11). В нашем случае у модели есть четыре узла: выводы обмотки ВН - узлы 1 и 2, выводы обмотки низкого напряжения 7 и 6, которые соединены в один узел 27, и узел 5 - металлический корпус трансформатора.

Сопротивление двухполюсника 21 моделируется тремя элементами, включенными последовательно. Первый элемент является параллельно соединенной индуктивностью величиной 10 Гн (обозначена 29 на фиг.11), емкостью 0,075 нФ (обозначена 30) и активным сопротивлением 2527 кОм (31). Второй элемент является параллельно соединенной индуктивностью величиной 3,965 мГн (обозначена 32 на фиг.11), емкостью 0,0865 нФ (обозначена 33) и активным сопротивлением 53,35 кОм (34). Третий элемент является четырьмя последовательно соединенными R-C звеньями из параллельных емкости и активного сопротивления с параметрами соответственно: активное сопротивление 63120 МОм (35) и емкость 0,094 нФ (36), 15820 МОм (37) и 0,286 нФ (38), 6520 МОм (39) и 0,657 нФ (40), 3922 МОм (41) и 1,03 нФ (42).

Сопротивление двухполюсника 23 моделируется тремя элементами, включенными последовательно. Первый элемент является параллельно соединенной индуктивностью величиной 2,56 Гн (обозначена 43 на фиг.11), емкостью 0,479 нФ (обозначена 44) и активным сопротивлением 581 кОм (45). Вторым элементом является активное сопротивление величиной 7 кОм (46). Третий элемент является четырьмя последовательно соединенными R-C звеньями из параллельных емкости и активного сопротивления с параметрами соответственно: активное сопротивление 237,4 МОм (47) и емкость 0,079 нФ (48), 21,37 МОм (49) и 0,262 нФ (50), 49,42 МОм (51) и 0,327 нФ (52), 0,076 МОм (53) и 0,376 нФ (54).

Сопротивление двухполюсника 28 моделируется тремя элементами, включенными последовательно. Первым элементом является активное сопротивление величиной 2 кОм (55). Второй элемент является четырьмя последовательно соединенными R-C звеньями из параллельных емкости и активного сопротивления с параметрами соответственно: активное сопротивление 537,3 МОм (56)и емкость 0,368 нФ (57), 174,2 МОм (58) и 1,136 нФ (59), 78,17 МОм (60) и 2,531 нФ (61), 1,978 МОм (62) и 2,986 нФ (обозначена как 63).

Даная модель максимально точно воссоздает частотную характеристику объекта, ведь временные характеристики параметров режима реального линейного объекта (которым является изоляция) и его модели будут идентичными в случае совпадения их частотных характеристик.

Синтезированную математическую модель изоляции электрооборудования используют как составляющую часть модели электрической сети для определения параметров воздействия внешних перенапряжений на отдельный элемент изоляции электрооборудования (фиг.12). Даная схема замещения линейная, поэтому и токи и напряжения несложно рассчитать с помощью числовых методов или же аналитически. U1, U2 - мгновенные значения напряжения фаз сети, к которым подключен трансформатор напряжения, U3 - мгновенные значения напряжения на проводящей поверхности (в нашем случае это обмотка низкого напряжения) относительно земли, I1, I2 - мгновенные значения токов утечки через изоляцию обмотки высокого напряжения, I3 - мгновенные значения тока утечки через корпус трансформатора напряжения на землю. Электродвижущая сила в схеме замещения обозначена цифрой 64 для фазы А, 65 для фазы В и 66 для фазы С. Устройство 67 регистрирует мгновенное значение напряжения U1. Устройство 68 регистрирует мгновенное значение напряжения U2. Устройство 69 регистрирует мгновенное значение напряжения U3. Устройство 70 регистрирует мгновенное значение напряжения I1. Устройство 71 регистрирует мгновенное значение напряжения I2. Устройство 72 регистрирует мгновенное значение напряжения I3.

На фазе без трансформатора напряжения, через 0,0047 с после начала расчета с помощью ключа 16 имитируется металлическое замыкание на землю. Цифрограммы такого режима при С=0,023 мкФ показаны на фиг.13. Именно при такой емкости собственные частоты системы и трансформатора напряжения совпадают, что вызывает резонанс. Из фиг.13 видно, что значения токов утечки, стекающих с обмоток трансформатора напряжения, в режиме однофазного замыкания на землю сети в резонансном режиме превышают ток в рабочем режиме в 79,05 раза, а величины тока утечки с корпуса трансформатора в 182,8 раза, значения напряжения на обмотках высокого напряжения больше номинального в 2,44 раза и в 6,17 раза превышают напряжение в рабочем режиме для обмотки низкого напряжения относительно земли. Тут KU и KI - соотношения величин токов и напряжений в режиме однофазного металлического замыкания на землю и в рабочем режиме. Важно, что значения этих токов и напряжений существенно превышают номинальный ток обмотки высокого напряжения НОМ-10 и номинальное напряжение обмотки низкого напряжения.

Для сравнения установим С=10 мкФ. В таком варианте собственные частоты системы (200 Гц) и трансформатора напряжения (4550 Гц) не совпадают, и данный режим будет не таким экстремальным для изоляции. Цифрограммы режима при СM=10 мкФ показаны на фиг.14. Значения токов утечки, стекающих с обмоток трансформатора напряжения, в режиме однофазного замыкания на землю сети в резонансном режиме превышают ток в рабочем режиме в 4,82 раза, а значения тока утечки с корпуса трансформатора в 9,93 раза, значения напряжения на обмотке высокого напряжения больше номинальных в 2,71 раза и в 4,38 раза больше для напряжения на обмотке низкого напряжения. Эти величины по токам на порядок меньше аналогичных на фиг.13, также на треть меньше уровень перенапряжений на обмотке низкого напряжения. Таким образом, уровень внутренних перенапряжений на подстанции с такими параметрами приемлем для электрической прочности изоляции трансформатора напряжения.

В первом же случае, когда собственные частоты системы и трансформаторам напряжения совпадают, в каждой конкретной ситуации принимаются меры относительно уменьшения внутренних перенапряжений, которые будут зависеть от специфики подстанции (наличие обслуживающего персонала, компенсация реактивной мощности и т.д.). В каком-то случае, возможно, достаточно будет внести изменения в должностные инструкции оперативного персонала подстанции, направленные, например, на то, чтобы трансформаторы напряжения включать на систему шин с помощью разъединителей уже после того, как были произведены коммутации выключателями и т.д. В каких-то случаях достаточно будет включить (или выключить) несколько секций конденсаторных батарей на шинах подстанции.

В отдельных случаях для защиты дорогого оборудования (например, силовых трансформаторов) целесообразно устанавливать параллельно с ним высокочастотные фильтры, настроенные на резонансные частоты, которые бы шунтировали при перенапряжениях это оборудование. В качестве таких фильтров используется стандартное оборудование для организации высокочастотной связи по ЛЭП (Справочник по проектированию линий электропередачи, М.Б.Вяземский, В.Х.Ишкин, К.П.Крюков и др. Под ред. М.А.Реута и С.С.Рокотяна. - 2-е изд., перераб. и доп. - М.: Энергия, 1980 - 296 с., ил., стр. 172-179). Подобный фильтр 73 показан на фиг.15. Он моделируется последовательно соединенными индуктивностью 3,61 мГн (74), активным сопротивлением 1,50 м (75), емкостью 0,035 мкФ (77). Устройство 78 регистрирует мгновенное значение напряжения I4. Устройство 79 регистрирует мгновенное значение напряжения I5. Тут I4, I5 - мгновенные значения токов, протекающих сквозь фильтр. А на фиг.16 показаны цифрограммы расчетов режима однофазного металлического замыкания на землю с эквивалентной емкостью сети 0,023 мкФ и фильтром, подключенным параллельно к трансформатору напряжения. Значения токов утечки, стекающих с обмоток трансформатора напряжения, в режиме однофазного замыкания на землю сети в резонансном режиме превышают ток в рабочем режиме в 42,96 раза, а значения тока утечки с корпуса трансформатора в 102,04 раза - это почти в два раза меньше, чем без фильтра в аналогичном случае на фиг.13. Что же касается перенапряжений, то они превышают номинальные напряжения на обмотках высокого напряжения в 2,43 раза и в 4,79 раза на обмотке низкого напряжения относительно земли и приближаются по своим значениям к более благоприятному для изоляции режиму, проиллюстрированному на фиг.14.

1. Способ неразрушающей диагностики предаварийного состояния электрооборудования с обмотками высокого напряжения, который состоит в измерении сопротивления его изоляции в диапазоне частот 0-150 кГц, отличающийся дополнительным определением для расчетного режима величины сопротивления сети питания относительно точек подключения вышеупомянутого оборудования в диапазоне частот 0-150 кГц, далее определяют резонансные частоты сети питания и изоляции электрооборудования, которые сравнивают между собой, если резонансные частоты близки или совпадают делают вывод о высокой вероятности повреждения изоляции электрооборудования, чем обеспечивается возможность проведения мероприятий, касательно изменения резонансных частот сети питания и, как следствие, повышение надежности работы электрооборудования.

2. Способ по п.1, отличающийся тем, что в случае целесообразности внесения изменений в конструкцию электрооборудования с целью изменения резонансной частоты и уточнения параметров воздействия внешних перенапряжений на отдельные элементы конструкций внутри объема электрооборудования размещают проводящую поверхность, изолированный вывод которой выводят во вне, синтезируют обобщенную модель изоляции электрооборудования в виде совокупности двухполюсников, которые размещают между выводами электрооборудования, выводом проводящей поверхности и корпусом для всех возможных вариантов их соединения, независимые частотные характеристики изоляции снимают в количестве, достаточном для определения частотных характеристик каждого двухполюсника по очереди между выводами электрооборудования и корпусом, между выводами электрооборудования и корпусом при заземленной проводящей поверхности, между заземленными выводами электрооборудования и изолированным выводом проводящей поверхности, между изолированным выводом проводящей поверхности и корпусом, на основе полученных независимых частотных характеристик синтезируют относительно всех выводов электрооборудования математическую модель изоляции электрооборудования, которую используют, как составную часть модели электрической сети для определения параметров воздействия внешних перенапряжений на отдельный элемент изоляции электрооборудования.

3. Способ по п.1, отличающийся тем, что параллельно точкам подключения электрооборудования устанавливается фильтр, у которого маленькое сопротивление на резонансной частоте электрооборудования.