Гидравлическая система для подвески транспортного средства

Иллюстрации

Показать все

Изобретение относится к системам подвески для транспортных средств, в частности к гидравлической системе, обеспечивающей управление одним или несколькими параметрами подвески. Гидравлическая система для подвески транспортного средства содержит корпус и, по меньшей мере, два передних и два задних колесных узла. Система также содержит подвеску с передними и задними упругими средствами опоры между корпусом транспортного средства и колесными узлами для упругой опоры транспортного средства над колесными узлами. Указанная гидравлическая система содержит, по меньшей мере, два силовых цилиндра передних и задних колес, соответственно расположенных между колесными узлами и корпусом транспортного средства. Каждый силовой цилиндр включает, по меньшей мере, одну камеру сжатия и одну камеру обратного хода. Камера сжатия и камера обратного хода каждого указанного силового цилиндра переднего колеса соединена с возможностью прохождения жидкости соответственно с камерой обратного хода и камерой сжатия диагонально противоположного указанного силового цилиндра заднего колеса с образованием соответственно первого и второго контура жидкости. Каждый контур жидкости обеспечивает в нем передний и задний объем сжатия. Передний объем сжатия одного указанного контура жидкости соединен с возможностью прохождения жидкости с задним объемом сжатия другого указанного контура жидкости. Гидравлическая система обеспечивает жесткость крена без обеспечения жесткости наклона или жесткости коробления, при этом установлены демпфирующие средства для демпфирования потока жидкости внутри каждого объема сжатия и между передним и задним объемами сжатия. Обеспечивается демпфирование наклона без обеспечения соответствующей величины демпфирования подъема или крена. 14 з.п. ф-лы, 11 ил.

Реферат

Данное изобретение относится, в целом, к системам подвески для транспортных средств, в частности к гидравлической системе, обеспечивающей управление одним или несколькими параметрами подвески.

Известны многие альтернативные взаимно соединенные системы подвески, которые способны пассивно различать различные режимы движения колес относительно корпуса транспортного средства и тем самым обеспечивать различные альтернативные функции. Например, в патенте США 6270098 заявителя предусмотрен уравновешивающий давление блок «распределения нагрузки» между двумя парами диагонально соединенных друг с другом колесных силовых цилиндров двустороннего действия. Эта система обеспечивает различные степени жесткости противодействия подъему корпуса (подъема), поперечным колебаниям корпуса (крена) и продольным колебаниям корпуса (наклона) с нулевой жесткостью деформации и различными коэффициентами демпфирования во всех четырех основных режимах подвески (подъема, крена, наклона и коробления). Эта система поддерживает вес транспортного средства при изменении нагрузок на транспортное средство или при изменении температуры жидкости с регулированием объема жидкости в каждом из шести объемов в системе. Кроме того, поскольку давление в шести объемах системы при некоторых условиях нагрузки может быть различным, то имеется возможность утечки жидкости через уплотнения, что также требует регулирования объема жидкости для поддерживания правильного положения транспортного средства. Это требует наличия источника жидкости высокого давления, датчиков, электронных устройств управления и клапанов, что делает стоимость системы относительно высокой для пассивной системы.

Пример пассивной системы, обеспечивающей высокую жесткость крена с низкой жесткостью коробления и пренебрежительно малой жесткостью подъема, а также обеспечивающей сильное демпфирование крена с небольшим, более комфортным и изолированным демпфированием подъема, раскрыт в PCT/AU00/00312. Поскольку система не обеспечивает значительной жесткости подъема, то необходимы отдельные опорные пружины.

Опорные средства обеспечивают различные степени жесткости крена, начиная от обычных независимых опорных средств, обеспечивающих жесткость крена, до полностью соединенных друг с другом опорных средств, обеспечивающих нулевую жесткость крена. Подробности примеров выполнения опорных средств с изменяемой степенью жесткости крена, которые можно использовать в современной конструкции транспортного средства, описаны в патенте США № 6217047 заявителя, полное содержание которого включено в данное описание.

Вариации опорных средств, показанных в US 6217047, с системой управления креном с помощью стержня стабилизатора поперечных колебаний кузова также подходят для использования не только с этой системой со стержнем стабилизатора поперечных колебаний кузова и с гидравлической системой, согласно PCT/AU00/00312, но также с любой системой управления креном.

Пример системы, имеющей демпфирование крена и/или наклона, можно найти в US 5486018 фирмы Ямаха и US 6024366 фирмы Каяба. В системах, раскрытых в этих документах, используется устройство между парой колесных демпфирующих силовых цилиндров, причем каждый колесный демпфирующий силовой цилиндр имеет клапан демпфирования в своем поршне для обеспечения демпфирования двустороннего действия, при этом силовой цилиндр является однонаправленным (т.е. имеется лишь один вход для жидкости). Устройство обеспечивает независимые уровни демпфирования для движений в фазе (т.е. подъема) и движений не в фазе (т.е. крена и/или наклона). Однако эта система не обеспечивает значительной жесткости в любом режиме, так что дополнительно необходимы опорные пружины, обычно требуются стержни стабилизатора поперечных колебаний для хорошего равновесия между подпрыгиванием и жесткостью крена. Дополнительно к этому, поскольку колесные силовые цилиндры, по существу, являются однонаправленными (имеют лишь один вход для жидкости), то величина демпфирования, которую может обеспечивать устройство, является ограниченной. Для решения этой проблемы предложены некоторые улучшения этой системы, которые можно найти в патенте Японии № 11291737, однако это увеличивает сложность системы за счет дополнительной прокладки магистралей и установки электромагнитных клапанов.

Поэтому целью данного изобретения является создание гидравлической системы для подвески транспортного средства, которая устраняет, по меньшей мере, один из недостатков существующих систем подвески транспортного средства.

Также целью данного изобретения является создание гидравлической системы, обеспечивающей жесткость, противодействующую поперечным колебаниям кузова, демпфирование крена, демпфирование наклона и демпфирование подъема, которые все можно выполнять и настраивать, по существу, независимо друг от друга с целью оптимизации каждого параметра.

С учетом этого согласно одному аспекту данного изобретения создана гидравлическая система подвески транспортного средства, при этом транспортное средство содержит корпус и, по меньшей мере, два передних и два задних колесных узла, подвеску транспортного средства, включающую передние и задние упругие средства опоры транспортного средства между корпусом транспортного средства и колесными узлами для упругой опоры транспортного средства над колесными узлами, при этом гидравлическая система содержит:

по меньшей мере, два силовых цилиндра передних и задних колес, соответственно расположенных между колесными узлами и корпусом транспортного средства, при этом каждый силовой цилиндр содержит, по меньшей мере, одну камеру сжатия и одну камеру обратного хода;

при этом камера сжатия и камера обратного хода каждого указанного силового цилиндра переднего колеса соединена с возможностью прохождения жидкости соответственно с камерой обратного хода и камерой сжатия диагонально противоположного указанного силового цилиндра заднего колеса с образованием соответственно двух контуров жидкости, при этом каждый контур жидкости обеспечивает в нем передний и задний объем сжатия, при этом передний объем сжатия одного указанного контура жидкости соединен с возможностью прохождения жидкости с задним объемом сжатия другого указанного контура жидкости, и при этом установлены демпфирующие средства для демпфирования потока жидкости внутри каждого объема сжатия и между передним и задним объемами сжатия, так что параметры подвески, обеспечиваемые гидравлической системой, можно настраивать независимо друг от друга.

Гидравлическая система подвески согласно данному изобретению позволяет независимо настраивать и выполнять параметры подвески, включая жесткость крена, демпфирование крена, демпфирование наклона и демпфирование подъема. Это обеспечивает оптимизацию возможно большего числа этих параметров подвески.

Транспортное средство выполнено с возможностью опоры, первично, на упругие средства опоры транспортного средства.

Опорные средства транспортного средства могут быть любыми известными опорными средствами, такими как спиральные пружины, пневматические рессоры, торсионные стержни, пластинчатые пружины и резиновые конусы. Опорные средства транспортного средства могут быть установлены в случае спиральных пружин или пневматических рессор вокруг силовых цилиндров колес или же установлены отдельно.

Могут быть предусмотрены дополнительные клапаны для блокирования двух контуров жидкости с целью отключения с сохранением работоспособности при отказе некоторых элементов и/или подъеме колес.

Поскольку средства опоры транспортного средства являются первичными средствами опоры транспортного средства, то все объемы в системе демпфирования и жесткости могут работать с одинаковым давлением. Кроме того, поскольку система содержит гидравлическую жидкость и газ, которые оба расширяются при увеличении температуры, то необходима система компенсации давления с целью поддерживания статического давления системы и жесткости крена внутри заданного диапазона для заданных температур. Эту систему компенсации давления можно также использовать для компенсации любых потерь жидкости во времени. Поэтому предусмотрено устройство поддерживания давления, соединенное с каждым из объемов системы через соответствующие ограничители или клапаны. Например, устройство поддерживания давления выполнено с возможностью соединения с левым и правым объемами сжатия.

Прилагаемые чертежи иллюстрируют предпочтительные варианты выполнения данного изобретения. Возможны другие системы, и, следовательно, частности прилагаемых чертежей не следует понимать как ограничивающие общие положения предшествующего описания изобретения.

На чертежах представлены:

фиг.1 - схема первого предпочтительного варианта выполнения гидравлической системы, имеющей жесткость крена и демпфирование крена и наклона согласно данному изобретению;

фиг.2 - схема модификации первого предпочтительного варианта выполнения гидравлической системы;

фиг.3 - схема другой модификации первого предпочтительного варианта выполнения гидравлической системы;

фиг.4 - схема второго предпочтительного варианта выполнения гидравлической системы согласно данному изобретению, аналогичной первому варианту выполнения, имеющей ту же последовательность соединений, но различное расположение каналов;

фиг.5 - схема модификации второго предпочтительного варианта выполнения гидравлической системы;

фиг.6 - схема модификации системы согласно фиг.5 с системой поддерживания давления;

фиг.7 - система согласно фиг.6 в изометрической проекции с компонентами, расположенными в транспортном средстве, но при этом компоненты транспортного средства для ясности не изображены;

фиг.8 - схема модификации гидравлической системы, показанной на фиг.5, обеспечивающей сохранение работоспособности при отказе отдельных элементов, а также поддерживающей давление;

фиг.9 - схема модификации гидравлической системы согласно фиг.6;

фиг.10 - схема третьего предпочтительного варианта выполнения гидравлической системы согласно данному изобретению, аналогичной по конструкции и последовательности соединений системе согласно фиг.9, но с накопителями, расположенными в различных точках соединения в системе;

фиг.11 - схема четвертого предпочтительного варианта выполнения гидравлической системы согласно данному изобретению, имеющей аналогичную предшествующим системам последовательность соединений, но имеющей другое расположение клапанов крена и демпфирования накопителей.

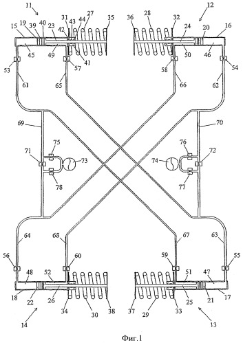
На фиг.1 показана система подвески для транспортного средства. Четыре силовых цилиндра 11, 12, 13, 14 расположены между корпусом транспортного средства (не изображен) и четырьмя ортогонально расположенными колесами (не изображены) транспортного средства. Каждый колесный силовой цилиндр содержит цилиндр 15, 16, 17, 18, соединенный со ступицей колеса или другой точкой подвески для перемещения вместе с колесом, поршень 19, 20, 21, 22, расположенный с возможностью скольжения внутри цилиндра, и шток 23, 24, 25, 26, закрепленный между поршнем и корпусом транспортного средства. Соединение штока с корпусом транспортного средства может быть выполнено с помощью любого известного средства, обычно через резиновую втулку, которая в случае геометрической схемы стоек Макферсона обычно содержит подшипник.

Для простоты понимания упругие средства опоры транспортного средства показаны в виде наружных спиралей, т.е. спиральных пружин 27, 28, 29, 30, расположенных вокруг силового цилиндра между нижним опорным диском 31, 32, 33, 34 пружины, прикрепленным к цилиндру, и верхним опорным диском 35, 36, 37, 38 пружины, который может быть соединен с корпусом транспортного средства или штоком (непосредственно или опосредованно, например, через втулку или подшипник). Следует отметить, что упругое средство опоры может быть любым альтернативным решением, таким как, например, пневматические рессоры, и могут быть расположены вокруг цилиндра, как показано на фигурах применительно к спиральным пружинам, или отдельно от силового цилиндра, что расширяет возможность альтернативных решений, например, с торсионами, соединенными с геометрической схемой, обеспечивающей положение колес. Кроме того, колесный силовой цилиндр может быть выполнен наоборот, с цилиндрами внутри наружной трубы, при этом шток прикреплен к наружной трубе, которая в свою очередь поддерживает нижний опорный диск пружины, а верхний опорный диск пружины в этом случае установлен либо на цилиндре, либо непосредственно на корпусе.

Показанные на фигурах колесные силовые цилиндры являются для простоты, в основном, обычными силовыми цилиндрами двустороннего действия. Если взять в качестве примера силовой цилиндр 11 левого переднего колеса, то поршень 19 (который может быть выполнен в виде составной части штока 23) имеет две канавки, содержащие подшипник 39 и уплотнение 40. В некоторых случаях отдельные части в виде подшипника и уплотнения могут быть заменены отдельной деталью (не изображена), которая может быть прикреплена или образована вокруг поршня для упрощения сборки и снижения стоимости. Конец 41 цилиндра имеет три канавки, содержащие уплотнение 42 штока, подшипник 43 и очиститель 44 штока или другой вид вторичного уплотнения, такой как грязеуловитель. Для этого каждый силовой цилиндр имеет камеру 45, 46, 47, 48 сжатия и камеру 49, 50, 51, 52 обратного хода, образованную поршнем 19, 20, 21, 22 внутри каждого цилиндра 15, 16, 17, 18.

Непосредственное демпфирование каждого силового цилиндра может осуществляться посредством клапанов 53-56 демпфирования сжатия и клапанов 57-60 демпфирования обратного хода, установленных в каналах 61-66 вблизи камер сжатия и обратного хода каждого колесного силового цилиндра. Эти клапаны демпфирования могут быть клапанами одностороннего действия, создающими препятствие потоку жидкости либо из камеры сжатия, либо из камеры обратного хода, или же они могут быть клапанами двойного действия, при этом можно использовать лишь один клапан (либо в камере сжатия, либо предпочтительно в камере обратного хода). Эти клапаны демпфирования могут быть расположены в корпусе силового цилиндра, где имеется для этого место, или прикреплены к корпусу колесного силового цилиндра, или в каналах, как показано на фигурах.

В качестве альтернативного решения демпфирование каждого колесного силового цилиндра можно осуществлять посредством выполнения клапанов или систем демпфирования внутри каждого колесного силового цилиндра.

Четыре колесных силовых цилиндра двустороннего действия соединены посредством пары диагональных контуров для обеспечения пассивной развязки жесткости крена и наклона от жесткости подъема. Первый диагональный контур содержит два объема для жидкости, передний левый объем сжатия и задний правый объем сжатия, Передний левый объем сжатия включает переднюю левую камеру 45 сжатия, передний левый канал 61 сжатия, задний правый канал 67 обратного хода и заднюю правую камеру 51 обратного хода. Задний правый объем сжатия аналогичным образом включает заднюю правую камеру 47 сжатия, задний правый канал 63 сжатия, передний левый канал 65 обратного хода и переднюю левую камеру 49 обратного хода.

Аналогичным образом второй диагональный контур содержит два объема для жидкости, передний правый объем сжатия и задний левый объем сжатия. Передний правый объем сжатия включает переднюю правую камеру 46 сжатия, передний правый канал 62 сжатия, задний левый канал 68 обратного хода и заднюю левую камеру 52 обратного хода. Задний левый объем сжатия аналогичным образом включает заднюю левую камеру 48 сжатия, задний левый канал 64 сжатия, передний правый канал 66 обратного хода и переднюю правую камеру 50 обратного хода.

Эта простая диагональная соединительная система перемещает жидкость следующим образом: при крене и наклоне перемещаются объемы жидкости (в или из любого упругого устройства, такого как накопитель), соответствующие камере сжатия и кольцевой камере обратного хода диагонально противоположного колесного силового цилиндра; в то время как при подъеме перемещается лишь объем жидкости (в или из любого упругого устройства), соответствующий объему штока (камера сжатия за вычетом кольцевой камеры обратного хода). Относительно большой объем, перемещаемый в режимах крена или наклона, по сравнению с подъемом обеспечивает более высокую жесткость крена и наклона, чем жесткость подъема.

Однако первый и второй диагональные контуры соединены первым и вторым каналами 69, 70 наклона. Передний левый объем сжатия соединен с задним левым объемом сжатия первым каналом 69 наклона с образованием левого объема сжатия, а передний правый объем сжатия соединен с задним правым объемом сжатия вторым каналом 70 наклона с образованием правого объема сжатия. Поршневые уплотнения на поршнях в каждом колесном силовом цилиндре 11-14 обеспечивают уплотнение между левым и правым объемами сжатия. Если поток жидкости в первом и втором каналах 69, 70 полностью ограничен или блокирован, то жесткость наклона основной системы из двух диагональных контуров остается неизменной, также как жесткость коробления. Следует отметить, что при сравнении жесткости наклона с жесткостью крена она является высокой, но жесткость коробления соотносится с жесткостью подъема, и поэтому она является низкой. Если через первый и второй каналы крена проходит любой поток, то жесткость наклона устраняется, однако демпфирование потока в первом и втором каналах наклона приводит к демпфированию движения наклона гидравлической системы и тем самым транспортного средства. Для этого, как показано на фиг.1, последовательно в первом и втором каналах установлен клапан 71, 72 демпфирования наклона. Этот клапан демпфирования наклона может быть пассивным отверстием, пассивным клапаном многоступенчатого демпфирования или любым другим регулируемым клапаном демпфирования и может даже обеспечивать полное блокирование каналов наклона. Демпфер наклона может быть единственным клапаном двустороннего действия или двумя клапанами одностороннего действия и может включать запирающий или блокировочный клапан или любое другое известное средство управляемого ограничения. В качестве альтернативного решения демпфер наклона может быть любым известным средством, таким как простой переключаемый демпфер, включающий переключаемый перепускной канал вокруг каждого клапана демпфирования наклона, или простое управляемое выпускное отверстие.

Одним выполнением для обеспечения упругости в двух объемах (левом и правом) является выполнение одного накопителя 73, 74 для каждого объема. С целью обеспечения более высокой величины демпфирования крена, чем демпфирование подъема, соединение между каждым накопителем и соответствующим объемом должно включать клапан демпфирования. Для обеспечения возможности настройки переднего и заднего демпфирования крена могут быть предусмотрены передний клапан 75, 76 демпфирования крена и задний клапан 77, 78 демпфирования крена для каждого накопителя 73, 74. Эти клапаны демпфирования крена могут быть также пассивными или управляемыми, при этом управление может быть любым известным видом управления от простого переключаемого клапана демпфирования до полностью непрерывно регулируемого клапана демпфирования. Простой переключаемый клапан демпфирования может быть любым известным типом, таким как переключаемый перепускной канал вокруг каждого клапана демпфирования крена или простое управляемое выпускное отверстие.

В действительности, в каждой точке, где на фиг.1 показан демпфер, этот клапан демпфирования может быть: единственным клапаном демпфирования, имеющим одинаковые характеристики в обоих направлениях; единственным клапаном, имеющим разные характеристики для потока жидкости в разных направлениях; единственным клапаном, имеющим характеристики ограничения потока в одном направлении и пропускающим относительно свободно поток в противоположном направлении; двумя клапанами двустороннего действия, одним клапаном демпфирования для управления ограничением потока в одном направлении и вторым клапаном демпфирования для управления ограничением потока в противоположном направлении, двумя клапанами, используемыми параллельно или последовательно с обратным клапаном, параллельным каждому клапану, как известно из техники обычных клапанов демпфирования.

Гидравлическая система работает, в основном, следующим образом.

При подъеме объемы жидкости, соответствующие левому и правому объемам штока, перемещаются в или из накопителей. Объемы штоков обычно являются небольшими относительно газовых объемов накопителей, так что изменение давления при подъеме также небольшое, которое, действуя на площади штоков, обеспечивает небольшое изменение колесных усилий. Поэтому гидравлическая система имеет очень низкую жесткость подъема.

При деформации объемы жидкости, соответствующие объемам штоков, проходят из одного диагонального контура в другой диагональный контур через первый и второй каналы 69, 70 наклона. Поэтому гидравлическая система имеет незначительную жесткость коробления.

При крене, например, во время правого поворота, вызывающего крен транспортного средства влево, левый герметичный объем сжатия повышает давление (за счет входа жидкости из левых камер 45, 48 сжатия и правых камер 50, 51 обратного хода в накопитель 73), а правый объем сжатия понижает давление (за счет входа жидкости в правые камеры 46, 47 сжатия и левые камеры 49, 52 обратного хода из накопителя 74), обеспечивая тем самым необходимую связь по крену.

При наклоне, например, при выполнении торможения жидкость вытесняется из камер 45, 46 сжатия передних силовых цилиндров и из камер 51, 52 обратного хода задних силовых цилиндров. Эта жидкость протекает через первый и второй каналы 69, 70 крена и поэтому поступает в расширяющиеся камеры 47, 48 сжатия задних силовых цилиндров и камеры 49, 50 обратного хода передних силовых цилиндров. Очевидно, что при торможении (или при любом аналогичном движении в направлении наклона колес относительно корпуса транспортного средства) жидкость протекает в этом единственном направлении через первый и второй каналы наклона и клапаны демпфирования наклона. Во время движений наклона в противоположном направлении, например, во время ускорения жидкость протекает в противоположном направлении через первый и второй каналы наклона и клапаны демпфирования наклона. Поэтому предпочтительно использовать разные характеристики демпфирования для потока в двух разных направлениях наклона с целью обеспечения независимого управления демпфированием наклона в направлении торможения и демпфирования наклона в направлении ускорения. Очевидно, что это является желательным, поскольку скорости, ускорения, пиковые усилия наклона и общие требования (такие как компромисс между усилиями управления и комфортностью) могут быть весьма различными в двух направлениях.

Если транспортное средство накреняется без изменения средней высоты и если объемы штоков одинаковы спереди и сзади, то не происходит изменения объема жидкости в системе (за исключением накопителей), так что нет жесткости наклона. Однако, если объемы штоков не согласованы спереди и сзади чисто для движения наклона, то гидравлическая система может вносить небольшую жесткость наклона.

В зависимости от распределения моментов крена гидравлической системы объем передней и задней камер может быть согласован и может быть не согласован. Если распределение моментов крена близко к 50%, то обеспечиваемое демпфирование наклона может иметь аналогичную величину на обоих концах транспортного средства. Если распределение моментов крена гидравлической системы не равно 50%, или вследствие геометрии или других причин демпферы наклона могут создавать усилие демпфирования большей величины на одном конце транспортного средства, чем на другом конце. Можно использовать клапаны колесных демпферов для компенсации различия между действием демпфирования крена спереди и сзади, особенно, поскольку эта разница обычно действует в том же направлении, что и любой дисбаланс в демпфирование крена, которое также может дополнительно обеспечиваться клапанами демпфирования колес, при этом гидравлическая система обеспечивает лучший компромисс, чем обычная система подвески.

Таким образом, при наклоне жидкость, передаваемая спереди назад по первому и второму каналам 69, 70 наклона, проходит через клапаны 71, 72 демпфирования наклона, обеспечивая тем самым демпфирование наклона. Жидкость может также проходить через передний и задний клапаны 75, 77 и 76, 78 демпфирования крена, которые параллельны клапанам 71, 72 демпфирования наклона, и входить в накопители 73, 74. Общее демпфирование наклона, обеспечиваемое для данного входного воздействия, поэтому зависит от ограничения потока и равновесия давления между клапанами демпфирования наклона, клапанами демпфирования крена и накопителями.

Поскольку распределение моментов крена гидравлической системы может в целом не соответствовать распределению моментов крена системы подвески (за счет коэффициентов спиральных пружин, разницы жесткости втулок спереди и сзади и т.д.), то может быть необходимым обеспечение разных уровней демпфирования крена на передних колесах по сравнению с задними колесами. Это можно осуществлять, как показано на фиг.1, посредством использования отдельных передних и задних клапанов демпфирования крена по обе стороны клапана демпфирования наклона. Однако в некоторых транспортных средствах можно получать дополнительно демпфирование крена на одном конце транспортного средства с использованием более простой системы, показанной на фиг.2.

На фиг.2 показан лишь один клапан 91, 92 демпфирования крена для каждого накопителя 73, 74. Каждый накопитель соединен с соответствующим каналом 69, 70 наклона через единственный клапан демпфирования крена и перед клапаном 71, 72 демпфирования наклона в канале наклона. Это обеспечивает взаимодействие клапана 71, 72 демпфирования наклона с клапаном 91, 92 демпфирования крена для усиления демпфирования крена в силовых цилиндрах 13, 14 задних колес по сравнению с демпфированием крена, обеспечиваемым лишь клапаном 91, 93 демпфирования крена, воздействующим на силовые цилиндры 11, 12 передних колес. Это обеспечивает дополнительное демпфирование крена в силовых цилиндрах задних колес, что может быть желательным, как указывалось выше применительно к фиг.1. Также как в системе на фиг.1, аналогичное распределение демпфирования крена приводит также к более сильному демпфированию наклона на конце транспортного средства с более сильным демпфированием крена из гидравлической системы.

На фиг.3 показана другая модификация основной системы согласно фиг.1. В этом случае накопители перемещены в направлении силовых цилиндров передних колес для уменьшения расстояния между передними камерами сжатия и накопителями, что может уменьшить эффекты ускорения жидкости, когда имеется значительное смещение вперед в распределении моментов крена системы. Для уменьшения расстояния между задними камерами 47, 48 сжатия и накопителем можно установить дополнительные задние накопители 93, 94 с клапанами 95, 96 демпфирования крена, как показано на фиг.3. Когда добавлены задние накопители, то может быть предпочтительным заменить показанную систему переднего накопителя и демпфера крена, параллельного клапану демпфирования наклона, более простым единственным демпфером крена перед системой клапана демпфирования наклона, показанной на фиг.2.

На фиг.3 показана также другая модификация фиг.1 и 2, включающая блокирующий клапан 97, 98 в первом и втором каналах 69, 70 наклона. Когда эти блокирующие клапаны закрыты, то работа системы возвращается к работе двух независимых диагональных пар объемов. Механизм, используемый для создания жесткости крена, в данном случае также создает жесткость наклона, и гидравлическая система имеет также жесткость деформации. Блокирующие клапаны могут уменьшать подъем колес, однако имеют дополнительное преимущество возврата системы к четырем гидравлическим объемам, так что если имеется повреждение, то закрывание клапанов должно оставить 3 объема рабочими для режима возвращения в гараж.

На фиг.4 показан другой предпочтительный вариант выполнения системы, показанной на фиг.1, хотя в этом случае компоненты и последовательность их соединения идентичны фиг.1. Используемые позиции соответствуют эквивалентным частям на фиг.1. Это решение показывает, как изменение направления прохождения труб, а не последовательность соединения, может уменьшить потоки жидкости в гидравлической системе для обеспечения лучшей ответной реакции. За счет связи передних колес с боковыми каналами пути прохождения потока жидкости для передних колес в целом уменьшаются, в частности, для входного действия двух передних колес, например, в случае изменения поверхности или на расширительном стыке.

На фиг.5 представлена модификация предпочтительного варианта выполнения согласно фиг.4. Поскольку колесная база обычно больше бокового расстояния между левым и правым колесными силовыми цилиндрами, то для компромисса между ответной реакцией, стоимостью и весом системы может быть предпочтительным соединение расположенных на боковом расстоянии друг от друга колес как спереди, так и сзади транспортного средства для уменьшения потока жидкости, необходимого для прохождения по каналам, проходящим по всей длине транспортного средства. Поэтому в данном варианте дополнительно содержатся третий и четвертый каналы наклона (которые, по существу, параллельны первому и второму каналам наклона) для перекрестного соединения камер силовых цилиндров задних колес и аналогичного улучшения ответной реакции на входное действие двух задних колес. Третий канал 101 наклона (который параллелен первому каналу 69 наклона) соединяет задний левый канал 64 сжатия с задним правым каналом 67 обратного хода через третий клапан 103 наклона, который расположен параллельно третьему накопителю 109, при этом клапаны 105, 106 демпфирования крена расположены последовательно с накопителем 109. Аналогичным образом четвертый канал 102 наклона (который параллелен второму каналу 70 наклона) соединяет задний правый канал 63 сжатия с задним левым каналом 68 обратного хода через четвертый клапан 104 наклона, который расположен параллельно четвертому накопителю 110. Клапаны 107, 108 демпфирования крена расположены последовательно с накопителем 110, поскольку они находятся в системах спереди транспортного средства.

Предпочтительный вариант выполнения этой системы также показан на фиг.6. Задние накопители отсутствуют вместе с клапанами демпфирования, которые соединяют их с третьим и четвертым каналами 101, 102 крена. Хотя эти упрощения уменьшают стоимость, не всегда является практичным выбирать размер гидравлической системы подвески для оптимальных рабочих характеристик без задних накопителей в некоторых транспортных средствах (т.е. в некоторых транспортных средствах большой грузоподъемности и транспортных средствах с длинной колесной базой).

На фиг.6 показана также система поддерживания давления. Поскольку гидравлическая система не является первичным средством подвески (т.е. спиральные пружины или пневматические, торсионные и т.д. амортизаторы обеспечивают большую часть опоры транспортного средства), то оба объема в системе (определенные ранее как левый и правый объемы сжатия) могут работать с общим статическим давлением предварительного заряда. Преимущество работы обеих систем с одинаковым статическим давлением предварительного заряда заключается в том, что исключается разница давлений на уплотнениях поршней во всей системе, и поэтому исключаются также изменения положения крена, вызванные утечкой жидкости между системами, а также необходимость в снабжаемой электропитанием управляющей системе, которая может перекачивать жидкость между объемами.

Левый и правый объемы сжатия соединены через ограничители 121, 122 с общим каналом 123, который, в свою очередь, соединен с устройством 124 поддерживания давления. Каждый ограничитель является обычно микроотверстием с фильтрами по обе стороны для предотвращения блокировки, хотя можно использовать любое известное ограничительное устройство. Отверстие имеет размеры, обеспечивающие характеристики, необходимые для поддерживания давления в левом и правом объемах сжатия внутри приемлемого диапазона с одновременным предотвращением значительного потока жидкости во время движения на поворотах для сохранения статичного положения крена внутри приемлемого диапазона при возврате к движению по прямой.

Однако устройство 124 поддерживания давления может отсутствовать, изменения объема жидкости и газа в гидравлической системе и ее накопителях в диапазоне рабочих температур транспортного средства являются обычно достаточно большими, для того чтобы было необходимо какое-то устройство компенсации. Сложность этого устройства может значительно изменяться в зависимости от требующихся параметров конструкции и выполняемых функций.

В простейшем виде устройство 124 поддерживания давления может быть простым накопителем любой известной конструкции (например, накопитель с эластичной разделительной диафрагмой, поршневой накопитель с газовым амортизатором или с механической пружиной).

В качестве альтернативного решения устройство 124 поддерживания давления может использовать источник давления жидкости (такой как бак с насосом или другая система транспортного средства, такая как усилитель руля) для поддерживания давления в гидравлических объемах подвески на фиксированном или переменном давлении. Если выбрано фиксированное давление, то необходимые компоненты могут быть простыми, дешевыми, пассивными механическими частями, однако при изменении температуры системы слегка изменяется жесткость системы. Для поддерживания характеристик жесткости системы постоянными при изменении температуры давление в системе необходимо регулировать в зависимости от ее температуры, что обычно требует одного или нескольких датчиков температуры, по меньшей мере, одного переключателя изменяемого давления или одного датчика давления и одного электронного блока управления.

Кроме того, можно регулировать жесткость крена гидравлической системы подвески посредством изменения давления в системах, как при использовании устройства 124 поддерживания давления с установленными точками изменяемого давления, при этом давление можно изменять в зависимости от нагрузки транспортного средства и/или с помощью приводимого в действие водителем устройства выбора режимов или с помощью изменяемого устройства выбора.

Очевидно, что если устройство поддерживания давления выполнено с возможностью обеспечения двух регулируемых давлений и соединено с левым и правым объемами сжатия посредством независимых каналов (с ограничителями или даже без них), то давлениями в двух объемах можно управлять так, что они отличаются друг от друга для смещения статической нагрузки крена, например, вследствие смещения полезного груза. В качестве альтернативного решения или дополнительно к этому в систему могут быть добавлены активные компоненты управления креном для обеспечения смещения пассивного угла крена транспортного средства во время настройки или же полной компенсации всякого сопротивления в гидравлической системе и поддерживания нулевого угла крена. Компоненты (насос, бак, клапаны, датчики или контроллеры для многих различных алгоритмов) хорошо известны.

На фиг.7 показаны в изометрической проекции компоненты, схематично показанные на фиг.6. Компоненты расположены приблизительно в своих относительных положениях установки в обычном транспортном средстве.

На фиг.8 показано более комплексное улучшение гидравлической системы. Передняя и задняя боковые перекрестно соединенные системы, в основном, соответствуют системам, показанным на фиг.5. Однако предусмотрены передние и задние блокирующие клапаны 131-134 для обеспечения независимой работы передней системы и задней системы.

Когда клапаны закрыты, то гидравлическая система обеспечивает жестк