Механически управляемая бесступенчатая автоматическая коробка передач
Иллюстрации
Показать всеНастоящее изобретение относится к механически управляемой бесступенчатой автоматической коробке передач. Автоматическая коробка передач содержит корпус и механизм преобразования крутящего момента, установленный в корпусе. Механизм преобразования крутящего момента содержит входную часть, вращающийся или роторный носитель, одну эксцентриковую сборку, поворотно установленную на носителе, и выходную часть. Входная часть и носитель могут вращаться независимо друг от друга и имеют коллинеарные оси вращения. Каждая из эксцентриковой сборки содержит эксцентриковую массу, которая приводится в движение с возможностью вращения вокруг ее оси вращения посредством входной части. Выходная часть снабжена только одним односторонним сцеплением, непосредственно соединенным с ней. Это позволяет автоматически регулировать выходную скорость и крутящий момент, упростить конструкцию, повысить к.п.д. передачи и увеличить срок службы устройства. 14 з.п. ф-лы, 10 ил.
Реферат
Предпосылки изобретения
1. Область техники, к которой относится изобретение
Настоящее изобретение относится к бесступенчатой коробке передач, в частности к бесступенчатой коробке передач для транспортного средства.
2. Уровень техники
Транспортные средства изменяют режим привода с ручного переключения скоростей на автоматическое переключение скоростей благодаря приложению на транспортных средствах бесступенчатых коробок передач. Так как транспортные средства с автоматическим переключением скоростей удобны в работе, имеют плавное ускорение и безопасный привод, к ним возрастает интерес со стороны покупателей автомобилей. Бесступенчатые передачи известного уровня техники для достижения автоматического переключения скоростей содержат гидравлические автоматические коробки передач и бесступенчатые коробки передач типа металлического ремня. Эти две коробки передач имеют много недостатков, которые подробно будут описаны ниже.
Гидравлические автоматические коробки передач содержат гидравлические муфты и гидротрансформаторы крутящего момента. Гидравлическая муфта работает на основании следующего принципа: источник энергии приводит во вращение его крыльчатку насоса, так что крыльчатка насоса прогоняет жидкость между лопастей вращающейся крыльчатки насоса. В результате этого, энергия от источника энергии передается жидкости, так что возрастает кинетическая энергия жидкости. Когда жидкость с возросшей кинетической энергией поступает в пространства между соответствующими лопастями рабочего колеса, часть кинетической энергии, содержащейся в жидкости, передается к рабочему колесу, которое вращается медленнее, чем крыльчатка насоса, так что рабочее колесо выдает на выходе крутящий момент. Для увеличения выходного крутящего момента от рабочего колеса дополнительно устанавливают реактор, который вращается в одном направлении, между крыльчаткой насоса и рабочим колесом, так чтобы сконфигурировать гидротрансформатор крутящего момента.
Гидротрансформатор крутящего момента может уравновесить некоторые недостатки механически управляемой ступенчатой коробки передач и имеет ряд важных преимуществ. Например, транспортное средство с гидротрансформатором крутящего момента является простым в работе, нетрудоемким в изготовлении, а также обладает повышенными безопасностью и комфортом привода и при наборе ускорения снижает вредный выброс, чтобы соответствовать требованию защиты окружающей среды. Более того, поскольку источник энергии и зубчатая передача гибко связаны, удлиняется срок службы транспортного средства. Наконец, транспортное средство обладает высокой приспособляемостью, способствующей повышенной приспособляемости к различным дорожным поверхностям. Однако гидротрансформатор крутящего момента имеет следующие очевидные недостатки.
1. Поскольку гидротрансформатор крутящего момента имеет малый диапазон изменения скорости и малый диапазон изменения крутящего момента, так что он не может отдельно удовлетворить потребность применения транспортного средства, он обязательно соединен параллельно или последовательно с механически управляемой коробкой передач, взаимодействующей с ним. Кроме того, для достижения автоматического переключения скоростей механически управляемой коробки передач необходимо предусмотреть гидравлическую или электрическую систему управления. Поэтому соответствующая конструкция является сложной, а ее производственные расходы являются высокими.
2. Поскольку энергия передается жидкостью в качестве передающей среды, к.п.д. передачи является низким и потеря энергии является большой, так что транспортное средство ограничивается экономичным использованием топливной нефти.
3. Поскольку коробка передач имеет сложную конструкцию, ее трудно обслуживать. Поэтому требуется специальный обслуживающий персонал, который имеет высокий уровень обслуживания и обладает способностью к проверке неисправной работы и анализу, требующихся для обслуживания. В результате, стоимость обслуживания является высокой.
Китайский патент №1.136.108С, опубликованный 28 января 2004 г., раскрывает гидравлическую автоматическую систему передачи, содержащую гидротрансформатор крутящего момента для связывания через текучую среду двигателя и коробки передачи, первичную часть переключения скоростей, размещенную на первом валу, вторичную часть переключения скоростей, размещенную на втором валу, устройство передачи энергии (состоящее из четырех зубчатых колес передачи энергии), для передачи энергии вращения от первичной части переключения скоростей ко вторичной части переключения скоростей, первый, второй и третий тормоза и сцепления для управления первичной частью переключения скоростей, первое и второе односторонние сцепления. Гидротрансформатор крутящего момента состоит из крыльчатки насоса, рабочего колеса, реактора, размещенного между крыльчаткой насоса и рабочим колесом крыльчатки насоса. Рабочее колесо, крыльчатка насоса и реактор образуют гидротрансформатор крутящего момента. Хотя вышеупомянутая автоматическая система передачи имеет ряд преимуществ над известной системой, она, тем не менее, имеет и много недостатков, упомянутых выше.
Бесступенчатая коробка передач типа металлического ремня работает на основании следующего принципа: выход энергии от источника энергии передается к ведущему рабочему колесу устройства бесступенчатого изменения скорости, а ведущее рабочее колесо передает энергию ведомого колеса через V-образный металлический ремень. После этого энергия передается к колесам транспортного средства через промежуточный редуктор скорости, главный редуктор скорости и дифференциал. Устройство передачи типа металлического ремня в коробке передачи является сердцевиной коробки передачи и содержит ведущее рабочее колесо, ведомое рабочее колесо и V-образный металлический ремень, соединяющий ведущее рабочее колесо и ведомое рабочее колесо. Каждое из ведущего рабочего колеса и ведомого рабочего колеса образовано стационарным коническим диском и подвижным коническим диском, собранным соосно. Стационарный конический диск и подвижный конический диск образуют V-образную канавку, с которой зацепляется V-образный металлический ремень, так что V-образный металлический ремень передает энергию под воздействием прижимающей силы стационарного конического диска и подвижного конического диска. Когда подвижные конические диски ведущего рабочего колеса и ведомого рабочего колеса смещаются в осевом направлении во время работы, изменяется радиус металлического ремня, так что изменяется передаточное число. Подвижный конический диск смещается в осевом направлении посредством регулировки гидравлического масла внутри цилиндров для ведущего рабочего колеса и ведомого рабочего колеса, которые, в свою очередь, подвергаются управлению посредством механико-гидравлической или электро-гидравлической системы управления. Поскольку давление гидравлического масла может регулироваться непрерывно, коробка передач может быть также способна к бесступенчатому изменению скорости.
При наличии автоматической бесступенчатой коробки передач типа металлического ремня транспортное средство приобретает преимущества, заключающиеся в превосходной кинетической характеристике, удобстве в работе и высоком к.п.д. коробки передач. Кроме того, источник энергии может всегда работать внутри экономичного диапазона скорости его вращения, так что у транспортного средства резко возрастает экономичное использование топливной нефти и улучшается выхлоп. Однако коробка передач все-таки имеет следующие непреодолимые недостатки.
1. Поскольку энергия передается посредством трения между металлическим ремнем, а также ведущим и ведомым рабочими колесами, может иметь место проскальзывание между металлическим ремнем, а также ведущим и ведомым рабочими колесами, так что не может быть передана движущая энергия большой величины или большого крутящего момента. Поэтому коробка передач не может согласовать источник энергии с большим рабочим объемом цилиндров двигателя. В настоящее время коробка передач используется только в автомобилях со средним или малым рабочим объемом цилиндров двигателя, поэтому диапазон ее приложения является ограниченным.
2. Транспортное средство с коробкой передач имеет низкую пусковую характеристику. Если водитель хочет получить резкое ускорение транспортного средства, коробка передач не может быстро среагировать на такой режим, поскольку требуется время на изменение диаметров рабочих колес. Кроме того, поскольку транспортному средству требуется большой пусковой крутящий момент, ему потребуются пусковые устройства, такие как многодисковые сцепления, работающие в масляной ванне, электромагнитные сцепления и гидротрансформаторы крутящего момента. В результате чего, конструкция коробки передач становится очень сложной.
3. Изготовление металлического ремня является трудоемким, расходы - высокими. Поэтому необходимо специальное оборудование для изготовления, и степень смены оборудования является высокой.
Китайская выложенная заявка на патент №1.442.623, опубликованная 17 сентября 2003 г., раскрывает механически управляемую фрикционную бесступенчатую коробку передач типа металлического ремня, имеющую вышеупомянутые недостатки.
Более того, патент США №6.062.096 раскрывает бесступенчатую коробку передач, которая передает крутящий момент посредством использования качающихся рычагов. Эксцентриковые массы установлены на концах качающихся рычагов. Вход приводит во вращение эксцентриковые массы вокруг их соответствующих осей. Центробежные силы, образованные при вращении эксцентриковых масс, заставляют качающиеся рычаги колебаться. Хотя эта коробка передач преодолевает некоторые недостатки, присущие вышеупомянутым двум коробкам передач, она имеет все-таки следующие недостатки.
1. Поскольку качающиеся рычаги колеблются во время работы, для обеспечения того, чтобы выходной вал всегда выдавал на выходе скорость в одном направлении, требуется, чтобы два односторонних сцепления, которые имеют соответствующие блокирующие направления, противоположные друг другу, были расположены на втулках, непосредственно соединенных с качающимися рычагами, и чтобы был установлен набор зубчатых колес обратного хода для реверсирования выхода скорости вращения из одного из односторонних сцеплений, так чтобы обеспечить, чтобы односторонние сцепления выдавали на выходе скорость в том же самом направлении. Поэтому выходной крутящий момент попеременно выдается через два односторонних сцепления. В результате этого, конструкция коробки передачи получается громоздкой и сложной, и когда выходная скорость является высокой, колеблющиеся качающиеся рычаги подвергаются воздействию большой силы инерции, тем самым обусловливая высокие требования к материалам и точности изготовления ее качающихся рычагов и подшипников.
2. Поскольку одностороннее сцепление не установлено между трансформатором крутящего момента и первичным движителем, часть кинетической энергии, накопленной в эксцентриковых массах, передается назад к первичному движителю, так чтобы вызвать циркуляцию энергии, тем самым влияя на эффективное воздействие рабочей характеристики коробки передач.
3. Поскольку эксцентриковые массы изменяются при изменении фаз эксцентриковых масс, так чтобы регулировать выходной крутящий момент и скорость вращения, требуется дополнительный ручной или автоматический управляющий механизм. Если принят ручной управляющий механизм, потребуется обязательная ручная регулировка фаз эксцентриковых масс, но не может быть выполнена автоматическая регулировка. Если добавляется автоматический управляющий механизм, потребуется сложная система обратной связи, которая значительно увеличивает производственные расходы.
4. Одностороннее сцепление на выходной части коробки передач представляет собой радиально зацепляющееся сцепление с эксцентриковым роликом линейного контакта, причем одностороннее сцепление, имеющее такую конструкцию, обладает не только недостаточно высокой характеристикой чувствительности, поскольку на эксцентриковые ролики влияют центробежные силы, образованные соответственно при вращении, но и также требуется большой момент во время выключения сцепления и расходуется большое количество энергии, которое снижает к.п.д. коробки передач. Кроме того, эксцентриковые ролики имеют линейный контакт как с внутренним кольцом, так и с внешним кольцом, износостойкость сцепления является низкой, так что оно не может передавать большой крутящий момент и имеет низкий срок службы. Поэтому низкий срок службы имеет вся коробка передач.
Патент США №6.044.718, который был выдан по заявке с частичным продолжением и является развитием патента №6.062.096, дополнительно раскрывает новое решение в дополнение к первоначальным решениям. Однако дополнительно раскрытое решение, по существу, аналогично первоначальным решениям. В дополнительном решении механизм качающихся рычагов, по существу, не изменился, а односторонние сцепления, имеющие соответствующие блокирующие направления, противоположные друг другу, все еще требуют размещения на втулках, непосредственно соединенных с качающимися рычагами. Дополнительное решение отличается от других тем, что одно сцепление односторонних сцеплений посажено между втулками качающихся рычагов и базовой рамой. Одно сцепление ограничивает, таким образом, размах качающихся рычагов в одном направлении, так что качающиеся рычаги могут только колебаться скачкообразно в другом направлении. Коробка передач не только имеет вышеупомянутые недостатки, но и ухудшенное рабочее состояние одностороннего сцепления, посаженного между качающимися рычагами и базовой рамой, поскольку базовая рама является стационарной и одностороннее сцепление несет большую нагрузку, чтобы ограничить размах качающихся рычагов в одном направлении. В результате этого, эксцентриковые ролики сцепления плотно вклиниваются во втулки качающихся рычагов и соответствующее отверстие рамы, поэтому будет более трудно выключить сцепление и потребляется больше энергии, оказывается более значительным износ сцепления и значительно сокращается срок его службы.
Сущность изобретения
Целью настоящего изобретения является преодоление некоторых из вышеупомянутых недостатков известного уровня техники. Объектом настоящей заявки является механически управляемая бесступенчатая автоматическая коробка передач, которая может автоматически регулировать выходную скорость и момент, зависящие от величины приложенной нагрузки к ней, так чтобы реализовать функцию бесступенчатого автоматического изменения скорости. Более того, коробка передач имеет простую конструкцию, высокий к.п.д. передачи и большой срок службы. Кроме того, коробка передач может быть приложена к рабочему состоянию высокой скорости вращения и может эффективно передавать большую энергию и движущую энергию с большим крутящим моментом, так что она может быть использована в различных транспортных средствах и имеет широкий диапазон приложения.
Механически управляемая бесступенчатая автоматическая коробка передач содержит корпус и механизм преобразования крутящего момента, установленный в корпусе. Механизм преобразования крутящего момента содержит входную часть, вращающийся или роторный носитель, по меньшей мере, одну эксцентриковую сборку, которая поворотно установлена на носителе, и выходную часть. Входная часть и носитель могут вращаться независимо друг от друга и имеют соответствующие оси вращения, которые являются коллинеарными. Каждая из, по меньшей мере, одной эксцентриковой сборки содержит эксцентриковую массу, которая приводится в движение с возможностью вращения вокруг ее оси вращения посредством входной части. Выходная часть снабжена только одним односторонним сцеплением, непосредственно соединенным с ней, и одно одностороннее сцепление является первым односторонним сцеплением. Первое одностороннее сцепление является односторонним сцеплением осевого сжатия с поверхностным контактом с ведущей частью и ведомой частью, установленными на оси. Когда ведущая часть и ведомая часть зацепляются друг с другом, поверхности зацепления элементов зацепления ведущей части и ведомой части примыкают друг к другу, так чтобы передать момент посредством силы трения между ними.
Механически управляемая бесступенчатая автоматическая коробка передач согласно настоящему изобретению дополнительно содержит следующие дополнительные признаки.
В другом усовершенствованном воплощении настоящего изобретения коробка передач дополнительно содержит второе одностороннее сцепление, размещенное на переднем конце механизма преобразования крутящего момента, которое имеет входную часть, связанную с источником энергии, и выходную часть, связанную со входной частью механизма преобразования крутящего момента.
В еще одном усовершенствованном воплощении настоящего изобретения коробка передач дополнительно содержит третье одностороннее сцепление, размещенное на заднем конце первого одностороннего сцепления, причем третье одностороннее сцепление имеет блокирующее направление, противоположное блокирующему направлению первого одностороннего сцепления, и имеет подвижную часть, связанную с выходной частью первого одностороннего сцепления, и стационарную часть, зафиксированную в корпусе.
В предпочтительном воплощении настоящего изобретения механизм преобразования крутящего момента содержит носитель, и, по меньшей мере, одна эксцентриковая сборка содержит две эксцентриковых сборки, симметрично установленные на двух концах носителя. Каждая из двух эксцентриковых сборок содержит ведомый вал, а эксцентриковая масса и ведомое зубчатое колесо установлены на ведомом валу. Эксцентриковые массы и ведомые зубчатые колеса шарнирно установлены на двух концах носителя посредством ведомых валов. Входная часть механизма преобразования крутящего момента содержит ведущий вал и ведущее зубчатое колесо, установленное на ведущем валу. Ведущий вал связан с источником энергии или вторым односторонним сцеплением, а ведущее зубчатое колесо зацепляется с ведомыми зубчатыми колесами. Выходная часть является выходным валом, зафиксированным в центре носителя, а ведущая часть первого одностороннего сцепления связана с выходным валом.
В другом предпочтительном воплощении настоящего изобретения механизм преобразования крутящего момента содержит носитель, и, по меньшей мере, одна эксцентриковая сборка содержит три эксцентриковые сборки, установленные на носителе с одинаковыми интервалами в круговом направлении его. Каждая из трех эксцентриковых сборок содержит ведомый вал, а эксцентриковая масса и ведомое зубчатое колесо установлены на ведомом валу. Носитель представляет собой дискообразное тело, а эксцентриковые массы и ведомые зубчатые колеса шарнирно установлены на кромке носителя посредством ведомых валов. Входная часть механизма преобразования крутящего момента содержит ведущий вал и ведущее зубчатое колесо, установленное на ведущем валу. Ведущий вал связан с источником энергии или вторым односторонним сцеплением, и ведущее зубчатое колесо зацепляется с ведомыми зубчатыми колесами. Выходная часть является выходным валом, зафиксированным в центре носителя, а ведущая часть первого одностороннего сцепления связана с выходным валом.
В предпочтительном воплощении настоящего изобретения первое одностороннее сцепление является односторонним сцеплением винтового пресса, которое зацепляется посредством винтового прижатия. Одностороннее сцепление винтового пресса содержит барабан сцепления, а также первый и второй фрикционные диски, размещенные на барабане сцепления и параллельные друг другу, по меньшей мере, одну фрикционную плату барабана и, по меньшей мере, одну пружину. Первый и второй фрикционные диски захватывают, по меньшей мере, одну фрикционную плату барабана под воздействием, по меньшей мере, одной пружины, а, по меньшей мере, одна фрикционная плата барабана посажена на втулке и связана с барабаном сцепления таким образом, что может быть передан крутящий момент. Втулка имеет внутреннюю резьбу, а передающий крутящий момент вал выступает во втулку и имеет конец, выступающий во втулку, который образован с наружной резьбой, зацепляющейся с внутренней резьбой.
В вышеупомянутом предпочтительном воплощении настоящего изобретения, по меньшей мере, одна фрикционная плата барабана содержит множество фрикционных плат барабана, и дисковая фрикционная плата размещена между каждыми двумя смежными фрикционными платами барабана. Дисковая фрикционная плата посажена на втулке и связана со втулкой таким образом, что может быть передан крутящий момент. Барабан сцепления, первый и второй фрикционные диски, фрикционные платы барабана, втулка и дисковая фрикционная плата имеют соответствующие оси вращения, которые коллинеарны. Фрикционные платы барабана посажены на шлицах на барабане сцепления, а дисковая фрикционная плата также посажена на шлицах на втулке. Барабан сцепления имеет один открытый конец и другой конец, образованный простирающимся в направлении наружу пустотелым валом в центральной части его. Первый фрикционный диск зафиксирован на передающем валу и установлен на открытом конце барабана сцепления посредством первого пружинящего стопорного кольца. Второй фрикционный диск выполнен за одно целое со втулкой и установлен на передающем валу посредством второго пружинящего стопорного кольца. В барабане сцепления предусмотрена только одна пружина. Одна пружина представляет собой платообразную нажимную пружину, посаженную на передающем валу и расположенную между вторым пружинящим стопорным кольцом и вторым фрикционным диском. Конец передающего вала, выступающий во втулку, установлен в пустотелом вале через подшипник.
В другом предпочтительном воплощении настоящего изобретения первое одностороннее сцепление является односторонним сцеплением посредством сжатия 4-стержневого механизма связи, который зацепляется посредством сжатия 4-стержневого механизма связи. Одностороннее сцепление посредством сжатия 4-стержневого механизма связи содержит корпус, образованный из фрикционного диска и крышки сцепления, объединенные или покрытые вместе, раструб сцепления, множество фрикционных плат раструба и, по меньшей мере, один 4-стержневой механизм связи посредством сжатия, расположенный в корпусе. Сквозное отверстие образовано в центральном участке крышки сцепления, и конец раструба сцепления остается открытым со стороны сквозного отверстия. Фрикционные платы раструба имеют форму круглого кольца, посажены на раструбе сцепления и связаны между собой так, что может быть передан крутящий момент. Число наборов, по меньшей мере, одного набора дисковых фрикционных плат и число, по меньшей мере, одного 4-стержневого механизма связи посредством сжатия является тем же самым, а каждый набор, по меньшей мере, одного набора дисковых фрикционных плат содержит множество фрикционных плат, имеющих форму части круглого кольца, которые установлены так, чтобы чередоваться с фрикционными платами раструба. Каждый из, по меньшей мере, одного 4-стержневого механизма связи посредством сжатия имеет поперечный стержень, каждый набор, по меньшей мере, одного набора дисковых фрикционных плат имеет сквозное отверстие в том же самом положении соответствующих дисковых фрикционных плат, и поперечные стержни проходят соответственно через сквозные отверстия. 4-стержневые механизмы связи прижимают дисковые фрикционные платы и фрикционные платы раструба к поверхности трения фрикционного диска.
В вышеупомянутом предпочтительном воплощении настоящего изобретения каждый из, по меньшей мере, одного 4-стержневого механизма связи посредством сжатия содержит два поддерживающих рычага, параллельные друг другу, и поперечный стержень, соединяющий два поддерживающих рычага. Два поддерживающих рычага имеют концы, шарнирно установленные соответственно на корпусе посредством соединительных штифтов, и другие концы, шарнирно установленные соответственно на соединительных брусках посредством соединительных штифтов, а поперечный стержень имеет два конца, которые зафиксированы на соединительных брусках посредством соединительных штифтов. Пружина посажена на конце поперечного стержня, а прижимающий брусок размещен на другом конце поперечного стержня, и прижимающий брусок шарнирно установлен на соединительном штифте. Каждый набор, по меньшей мере, одного набора дисковых фрикционных плат дополнительно снабжен двумя сквозными отверстиями, через которые соответственно проходят два цилиндрических штифта, так что соответствующие дисковые фрикционные платы соединены последовательно. Фрикционный диск и крышка сцепления соответственно образованы с двумя продольными канавками, простирающимися соответственно в круговом направлении. Два конца каждого из двух цилиндрических штифтов введены в продольные канавки, каждый из концов двух цилиндрических штифтов снабжен двумя плоскостями, параллельными друг другу, а каждая из продольных канавок снабжена двумя плоскостями, параллельными друг другу, и две плоскости каждого из концов сопрягаются с соответствующими двумя плоскостями каждой из продольных канавок. Фрикционные платы раструба посажены на шлицах на раструбе сцепления. Передающий вал установлен в центре фрикционного диска и имеет конец, выступающий в направлении наружу, и другой конец, установленный в центральном отверстии раструба сцепления через подшипник. По меньшей мере, один 4-стержневой механизм связи посредством сжатия содержит три 4-стержневых механизма связи посредством сжатия, размещенные на корпусе, по меньшей мере, один набор дисковых фрикционных плат содержит три набора дисковых фрикционных плат, размещенных соответственно в корпусе, три 4-стержневых механизма связи посредством сжатия и три набора дисковых фрикционных плат установлены с одинаковыми интервалами в круговом направлении.
Механически управляемая бесступенчатая автоматическая коробка передач согласно настоящей заявке на патент имеет следующие преимущества относительно известного уровня техники.
1. Поскольку механически управляемая коробка передач передает крутящий момент посредством изменения момента количества движения эксцентриковой массы, выходная скорость вращения и момент могут быть автоматически отрегулированы в зависимости от величины нагрузки без другого ручного управления или электронной системы обратной связи. Реализуется, в действительности, не только функция автоматического бесступенчатого изменения скорости, но и упрощается также конструкция коробки передачи, снижаются производственные расходы на коробку передач.
2. Коробка передач настоящего изобретения имеет не только высокий к.п.д. передачи, но и также эффективно передает большую энергию и движущую энергию с большим крутящим моментом. Поскольку энергия передается посредством эксцентриковой массы в качестве передающей среды, которая отличается от случая, где энергия передается посредством текучей среды в качестве передающей среды, повышается не только к.п.д. коробки передач, но и обеспечивается возможность передачи большой энергии и большого крутящего момента. Поэтому коробка передач может быть приложена как к автомобилям со средним или небольшим рабочим объемом цилиндров двигателя, так и к тяжелым транспортным средствам с большим рабочим объемом цилиндров двигателя. Коробка передач может найти широкое применение. Коробка передач настоящего изобретения обладает несравненными преимуществами относительно гидротрансформатора крутящего момента и бесступенчатой автоматической коробки передач типа металлического ремня.
3. Механизм преобразования крутящего момента коробки передач настоящего изобретения является более приемлемым в отношении конструкции и рабочих условий. Выход носителя коробки передач согласно настоящему изобретению снабжен лишь одним однонаправленным сцеплением, непосредственно связанным с ним, чтобы получить однонаправленный крутящий момент и выход скорости без носителя преобразования крутящего момента, обязательно ограниченного необходимостью колебаться и наличием двух однонаправленных сцеплений, а также реверсивного механизма, размещенного на выходе носителя. Таким образом, улучшаются не только рабочие условия носителя механизма преобразования крутящего момента, так что не только лучше реализуется функция автоматического бесступенчатого изменения скорости, но и сила инерции, воздействию которой подвергается носитель механизма преобразования крутящего момента, так что значительно снижается требование к прочности компонент коробки передач. Поэтому коробка передач настоящего изобретения может быть использована для высокоскоростного двигателя, работающего со скоростью до 6.000 об/мин.
4. Может быть получено большее соотношение преобразования крутящего момента с коробкой передач настоящего изобретения, и коробка передач настоящего изобретения имеет больший к.п.д. передачи. Поскольку однонаправленное сцепление также расположено между двигателем и входом в механизм преобразования крутящего момента, можно подтвердить, что кинетическая энергия, накопленная в эксцентриковой сборке, не может быть передана назад к двигателю, так что к нагрузке может быть передано больше энергии. Поэтому соотношение преобразования крутящего момента всей коробки передач становится больше, к.п.д. передачи всей коробки передач - выше, а конструкция всей коробки передач становится более привлекательной.
5. В настоящем изобретении принято однонаправленное сцепление осевого сжатия с поверхностным контактом. Однонаправленное сцепление не только имеет характеристику чувствительности, удовлетворяющую требованию двигателя, работающего на высокой скорости, но оно также может передать большой крутящий момент, имеет высокий к.п.д. передачи и большой срок службы. Поэтому, в целом, коробка передач становится стабильной и надежной в отношении рабочих характеристик, имеет низкую степень отказа и большой срок службы.
Краткое описание чертежей
Признаки и преимущества настоящего изобретения будут дополнительно пояснены подробными его воплощениями, взятыми в сочетании с сопроводительными чертежами, в которых:
фиг.1А - схематическая блок-диаграмма конфигурации системы привода транспортного средства, показывающая общее положение установки бесступенчатой автоматической коробки передач согласно настоящему изобретению.
Фиг.1В - вид в перспективе механической конфигурации бесступенчатой автоматической коробки передач согласно настоящему изобретению.
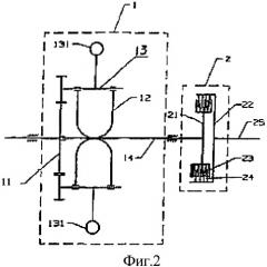
Фиг.2 - схематическая блок-диаграмма предпочтительного воплощения настоящего изобретения, показывающая базовую конфигурацию.
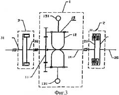
Фиг.3 - схематическая блок-диаграмма другого предпочтительного воплощения настоящего изобретения, показывающая базовую конфигурацию, в которой добавлено второе одностороннее сцепление на основании предпочтительного воплощения, показанного на фиг.2.
Фиг.4 - схематическая блок-диаграмма другого предпочтительного воплощения настоящего изобретения, показывающая базовую конфигурацию, в которой добавлено третье одностороннее сцепление на основании предпочтительного воплощения, показанного на фиг.2.
Фиг.5 - схематическая блок-диаграмма еще одного предпочтительного воплощения настоящего изобретения, показывающая базовую конфигурацию, в которой добавлено третье одностороннее сцепление на основании предпочтительного воплощения, показанного на фиг.3.
Фиг.6А - вид в перспективе механизма преобразования крутящего момента в воплощениях, показанных на фиг.2-5, в котором механизм преобразования крутящего момента содержит две эксцентриковые сборки.
Фиг.6В - вид в перспективе в разобранном состоянии механизма преобразования крутящего момента по фиг.6А, показывающий специфические конфигурации и способы установки их компонент.
Фиг.6С - конфигурация механизма преобразования крутящего момента, который заменяет механизм преобразования крутящего момента, показанный на фиг.6А.
Фиг.6D - вид в перспективе в разобранном состоянии механизма преобразования крутящего момента по фиг.6С, показывающий специфические конфигурации и способы установки их компонент.
Фиг.7А - вид в перспективе другого механизма преобразования крутящего момента в воплощениях, показанных на фиг.2-5, в котором механизм преобразования крутящего момента содержит три эксцентриковые сборки.
Фиг.7В - вид в перспективе в разобранном состоянии механизма преобразования крутящего момента по фиг.7А, показывающий специфические конфигурации и способы установки их компонент.
Фиг.7С - конфигурация механизма преобразования крутящего момента, который заменяет механизм преобразования крутящего момента, показанный на фиг.7А.
Фиг.7D - вид в перспективе в разобранном состоянии механизма преобразования крутящего момента по фиг.7С, показывающий специфические конфигурации и способы установки их компонент.
Фиг.8А - вид в перспективе конфигурации типа первого и второго односторонних сцеплений в воплощениях, показанных на фиг.2-5.
Фиг.8В - вид в перспективе в разобранном состоянии сцеплений, показанных на фиг.8А.
Фиг.8С содержит четыре блок-диаграммы, которые все вместе показывают принцип работы односторонних сцеплений по фиг.8А.
Фиг.8D - вид, показывающий полную механическую конфигурацию коробки передач настоящего изобретения в случае, когда как первое, так и второе односторонние сцепления принимают конфигурации, показанные на фиг.8А и 8В.
Фиг.9А - вид в перспективе другой конфигурации типа первого и второго односторонних сцеплений в воплощениях, показанных на фиг.2-5.
Фиг.9В - вид в перспективе в разобранном состоянии сцеплений, показанных на фиг.9А.
Фиг.9С - блок-диаграмма, показывающая принцип работы односторонних сцеплений по фиг.9А.
Фиг.9D - вид, показывающий полную механическую конфигурацию коробки передач настоящего изобретения в случае, когда как первое, так и второе односторонние сцепления принимают конфигурации, показанные на фиг.9А и 9В.
Фиг.10А - схематический вид, показывающий рабочее состояние бесступенчатой коробки передач согласно настоящему изобретению, в котором первое одностороннее сцепление находится в блокирующем состоянии.
Фиг.10В - схематический вид, показывающий другое рабочее состояние бесступенчатой коробки передач согласно настоящему изобретению, в котором первое одностороннее сцепление находится в состоянии превышения установленной или нормальной скорости двигателя.
Подробное описание воплощений изобретения
На фиг.1А схематически показана конфигурация системы привода транспортного средства. Система привода содержит источник 100 энергии, коробку 200 передач и нагрузку 300 (то есть колеса и аналогичные устройства). Источник 100 энергии содержит двигатель, мотор или другие первичные движители. Настоящее изобретение поясняется по отношению к двигателю для удобства описания. Коробка 200 передач установлена между источником 100 энергии и нагрузкой 300, а выход энергии от источника 100 передается к колесам 300 транспортного средства посредством крутящего момента, а изменения скорости - посредством коробки 200 передач, так что вращаются колеса, тем самым заставляя транспортное средство двигаться вперед или назад. Настоящее изобретение усовершенствует коробку 200 передач в системе привода.
Как показано на фиг.1В, механически управляемая бесступенчатая автоматическая коробка 200 передач содержит корпус 8 и механизм 1 преобразования крутящего момента, установленный в корпусе 8. Механизм 1 преобразования крутящего момента содержит входную часть 11, поворотный или вращающийся носитель 12, по меньшей мере, одну эксцентриковую сборку 13 (на фиг.2 показаны две эксцентриковые сборки), которая поворотно установлена на носителе 12, и выходную часть 14, как показано на фиг.2. Как пока



