Система радиовещания
Иллюстрации
Показать всеИзобретение относится к технике радиосвязи и может быть использовано для стереофонического и монофонического радиовещания. Техническим результатом является снижение энергоемкости передатчика системы и увеличение числа принимаемых радиостанций приемной стороной. Система радиовещания содержит на передающей стороне: четыре канала обработки сигнала, блок кодирования, формирователь группового сигнала, генератор синусоидальных колебаний, делитель частоты, передатчик в составе последовательно соединенных генератора несущей частоты, амплитудного модулятора и выходного усилителя; на приемной стороне: цифровой приемник, включающий двухполярный амплитудный детектор, первый и второй формирователи импульсов, четыре цифроаналоговых преобразователя, два канала, каждый из которых включает последовательно соединенные фильтр звуковых частот, усилитель мощности и громкоговоритель, блок управления, блок приема радиосигнала, блок выделения синхроимпульса, синтезатор частот и два приемных регистра. 10 ил.
Реферат
Изобретение относится к технике радиосвязи и может быть использовано для стереофонического и монофонического радиовещания.
За прототип принята "Цифровая система радиовещания" [1], содержащая на передающей стороне четыре канала обработки звуковых сигналов, каждый из приемника звука и усилителя звуковой частоты, блок кодирования из четырех АЦП сигнала звука, блок формирования группового сигнала, генератор синусоидальных колебаний, делитель частоты и передатчик в составе генератора несущей частоты, амплитудного модулятора и выходного усилителя, на приемной стороне содержащая цифровой приемник, включающий приемник точных частот и двухполярный амплитудный детектор, последовательно соединенные первый формирователь импульсов, счетчик импульсов, дешифратор и первый распределитель импульсов, первый элемент задержки; элемент НЕ и элемент И, второй и третий элементы задержки, второй распределитель импульсов, второй формирователь импульсов, четыре канала, каждый из которых включает первый ключ, триггер, второй ключ и первый регистр, и последовательно соединенные третий и четвертый ключи, второй регистр, цифроаналоговый преобразователь /ЦАП/, фильтр звуковой частоты, усилитель мощности и громкоговоритель. Частота дискретизации кодов звуковых сигналов 160 кГц. Тактовая частота в системе 9,6 МГц. Коды звуковых сигналов 16-разрядные. Частота следования кодов тактовых импульсов 160 кГц, кодов первого стереосигнала 160 и второго стереосигнала тоже 160 кГц, последовательная суммарная частота следования кодов 480 кГц. Групповой сигнал включает последовательно следующие посылку тактовых импульсов, затем два кода первого стереосигнала /или два моносигнала/ и затем два кода второго стереосигнала /или два моносигнала/. На выходе формирователя группового сигнала единицы в кодах представляются положительными и отрицательными полусинусоидами. Радиосигналы принимаются цифровым приемником приемной стороны, усиливаются, детектируются двухполярным амплитудным детектором, полусинусоиды преобразуются в импульсы, коды звуковых сигналов преобразуются четырьмя ЦАП в аналоговые звуковые сигналы, воспроизводимые громкоговорителями. Недостатками прототипа являются: излишняя затрата мощности передатчика, затрачиваемая на усиление и излучение избыточных в информационном смысле несущей частоты и вторую неиспользуемую боковую частоту, наличие в цифровом приемнике фильтров сосредоточенной избирательности /ФСИ/ во входной цепи и соответствующего числа полосовых фильтров ограничивает число принимаемых вещательных радиостанций. Цель изобретения - уменьшение энергоемкости передатчика и расширение диапазона принимаемых радиовещательных радиостанций. Техническими результатами являются снижение энергоемкости передатчика системы, увеличение числа принимаемых радиостанций приемной стороной.
Сущность изобретения в том, что в передатчике амплитудный модулятор выполняется из кольцевого модулятора и полосового фильтра, в цифровой приемник вводятся блок управления, блок приема радиосигнала, блок выделения синхроимпульса, синтезатор частот и два приемных регистра.
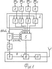
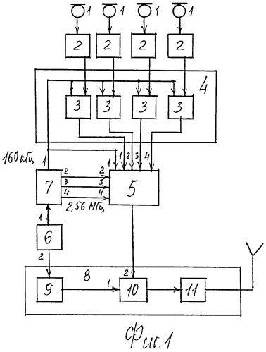
Структурная схема передающей стороны на фиг.1, структура группового потока, излучаемого в эфир, на фиг.2, схема АЦП на фиг.3, конструкция пьезодефлектора на фиг.4, формирователь группового сигнала на фиг.5, спектр амплитудно-модулированного сигнала на фиг.6, цифровой радиоприемник на фиг.7, двухполярный амплитудный детектор на фиг.8, блок выделения синхроимпульса на фиг.9, временные диаграммы работы системы на фиг.10.
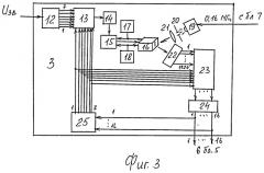
Передающая сторона включает /фиг.1/ четыре канала обработки звуковых сигналов, каждый включает последовательно соединенные приемник 1 звука, усилитель 2 звуковой частоты и АЦП 3, четыре АЦП объединены в блок 4 кодирования, формирователь 5 группового сигнала, последовательно соединенные генератор 6 синусоидальных колебаний и делитель 7 частоты, передатчик 8 в составе последовательно соединенных генератора 9 несущей частоты, являющегося умножителем частоты, амплитудного модулятора 10 и выходного усилителя 11. Аналого-цифровые преобразователи /АЦП/ 3 выполнены /фиг.3/ идентично в составе последовательно соединенных управляемого делителя 12 напряжения, блока 13 ключей, согласующего усилителя 14, усилителя 15 и пьезодефлектора 16, источника 17 положительного опорного напряжения, источника 18 отрицательного опорного напряжения, излучатель из импульсного светодиода 19, щелевой диафрагмы 20 и микрообъектива 21, линейки 22 многоэлементного фотоприемника, первого дешифратора 23, шифратора 24 и второго дешифратора 25. Пьезодефлектор 16 является биморфным пьезоэлементом со световым отражателем на торце /фиг.4/, конструктивно выполнен [2, с.119 рис.5.5] из первой 26 и второй 27 пьезопластин, внутреннего электрода 28, первого 29 и второго 30 внешних электродов. Один конец пьезопластин закреплен в держателе 32, на свободном торце расположен световой отражатель 31.
Формирователь 5 группового сигнала /фиг.5/ включает четыре канала, каждый из которых содержит последовательно соединенные приемный регистр 33, блок 34 элементов И из 16-и элементов И и первый элемент ИЛИ 35, включает первый 36 и второй 37 распределители импульсов, последовательно соединенные второй элемент ИЛИ 38, третий элемент ИЛИ 39 и первый выходной ключ 40, последовательно соединенные четвертый элемент ИЛИ 41, элемент 42 задержки и второй выходной ключ 43, включает последовательно соединенные третий ключ 44, формирователь 45 импульсов и счетчик 46 импульсов, выход которого подключен параллельно к сигнальным входам первого 47 и второго 48 ключей. Дискретизация звукового сигнала принимается 160 кГц. Тактовая частота в системе составляет: fт=160 кГц · 16 раз=2,56 МГц, период тактовых импульсов 390 нс . Несущая частота принимается fн=2,56 МГц · 15=38,4 МГц, стабильность несущей 10-6. Верхняя боковая частота fн=38,4+2,56 МГц=40,96 МГц, нижняя боковая частота fниж=38,4 МГц - 2,56 МГц=35,84 МГц. Цифровой приемник включает /фиг.7/ блок 49 управления /выбор радиостанции/, последовательно соединенные блок 50 приема радиосигнала, усилитель 51 радиочастоты и двухполярный амплитудный детектор 52, последовательно соединенные первый формирователь 53 импульсов, блок 55 выделения синхроимпульса /СИ/ и синтезатор 56 частот, включает второй формирователь 54 импульсов, первый 57 и второй 58 приемные регистры, имеющий каждый по 32 разряда, четыре ЦАП 59, четыре включателя 60 и два канала, каждый из которых содержит последовательно соединенные фильтр 61 звуковой частоты, усилитель 62 мощности и громкоговоритель 63. В качестве звукоприемников 1 применяются микрофоны, усилителями 2 являются усилители звуковой частоты, аналоговые сигналы с них поступают на входы своих АЦП 3. Делитель 12 напряжения является семиступенчатым резистивным делителем напряжения, коэффициент передачи которого изменяется сигналами со второго дешифатора 25 при помощи семи ключей блока 13. Сигнал, усиленный усилителем 15, поступает на первый вход пьезодефлектора 16, на второй и третий входы которого поступают опорные напряжения с опорных источников 17 и 18 [2, с.122]. Преобразование сигнала звука в код заключается в развертке луча светодиода 19 отражателем пьезодефлектора 16 по плоскости входных зрачков фотоприемников линейки 22, световой импульс преобразуется в электрический сигнал, возбуждающий соответствующую шину шифратора 24, который и выдает код мгновенного значения входного сигнала. Дискретизация преобразований 160 кГц. Фотоприемниками в линейке 22 являются лавинные фотодиоды ЛФД с временем срабатывания 10 нс. Линейка 22 содержит 1024 фотоприемников для кодирования сигналов 10-разрядным кодом. Разрешающая способность принимается 10 мкВ, что при кодировании 16-разрядным кодом составляет диапазон кодируемого сигнала на входе АЦП от 0 до 0,65536 В. Дешифратор 23 предназначен для коммутации сигнала с фотоприемника линейки 22 и сигнала с дешифратора 25 с соответствующим входом шифратора 24. На выходе шифратора 24 код представляется 16-разрядным. С шифратора 24 код поступает на выход АЦП и на вход второго дешифратора 25, который импульсом с соответствующего выхода открывает соответствующий ключ в блоке 13 для увеличения /или уменьшения/ коэффициента передачи делителя 12 напряжения. При отсутствии сигнала на входе делителя 12 напряжения на вход дешифратора 25 поступает код из нулей. Сигнал с первого выхода блока 25 открывает первый ключ в блоке 13, который подключает к блоку 14 первую ступень делителя 12, определяя коэффициент передачи 1. С ростом амплитуды сигнала звука этот процесс повторяется до появления на выходе шифратора кода 210. С приходом в дешифратор 25 этого кода на втором его выходе появляется сигнал, открывающий второй ключ в блоке 13, коэффициент передачи становится 0,5. С дальнейшим ростом амплитуды в дешифратор 25 поступает код 211, коэффициент передачи делителя 12 равен 0,25, код 212 определяет коэффициент передачи 0,125, код 213 - 0,0625, код 214 - 0,03125, код 215 - 0,015625, который остается до кода 216. При уменьшении амплитуды сигнала идет обратный процесс. Быстродействие преобразования 2×106 преоб/с. Время задержки складывается из срабатываний: фотоприемник ЛФД 10 нс, дешифратор 23-0,2 мкс, шифратор 24-0,2 мкс, дешифратор 25-50 нс [6, с.227, 231, 246], общее время при коде 216 0,5 мкс, что с запасом удовлетворяет дискретизации 160 кГц /6,25 мкс/. Коды с АЦП 3 поступают синхронно и в параллельном виде в свои приемные регистры 33 блока 5, сигналом выдачи кодов является импульс дискретизации с делителя 7 частоты. Коды поступают на первые входы элементов И блоков 34, содержащие по 16 элементов И. Распределители 36 и 37 содержат по 32 выхода /фиг.5/, распределитель 36 обслуживает импульсами элементы И блоков 34 первого и третьего каналов, распределитель 37 импульсов обслуживает импульсами элементы И блоков 34 во втором и четвертом каналах. Входными импульсами для распределителя 36 являются положительные полупериоды синусоид с второго выхода делителя 7 частоты 2,56 МГц, входными импульсами для блока 37 являются отрицательные полусинусоиды 2,56 МГц тоже с второго выхода делителя 7 частоты. Первые 47 и второй 48 ключи открываются сигналом Uот со счетчика 46 импульсов, закрываются ключи сигналом с 32-го выхода блока 36 и 37. Сигнал, закрывающий ключ 43, открывает третий ключ 44, который в открытом состоянии пропускает 16 импульсов частоты 2,56 МГц с четвертого выхода делителя 7 частоты на вход формирователя 45 импульсов, формирующий их по длительности, которые поступают на второй вход третьего элемента ИЛИ 39. Эти же импульсы поступают в пятиразрядный счетчик 46 импульсов. С приходом в него 16 импульсов счетчик формирует код 10000, и со старшего разряда счетчика 46 следует импульс, который открывает ключи 47, 48, закрывает ключ 44 и обнуляет сам счетчик 46. Исходное состояние ключей 47, 48 закрытое, ключа 44 открытое, поэтому с началом работы блока 5 первым кодом с его выхода идет код из 16 единиц - код синхронизации /СИ/, фиг.2. С включением питания ключ 44 пропускает 16 импульсов в формирователь 45 импульсов, с выхода которого импульсы длительностью 195 нс поступают на вход третьего элемента ИЛИ 39 и на вход счетчика 46, сигнал со старшего разряда которого закрывает ключ 44, открывает ключи 47, 48 и обнуляет счетчик 46. В блоки 36, 37 поступают соответственно положительные и отрицательные полусинусоиды 2,56 МГц, с 1-16 выходов блока 36 импульсы поступают на вторые входы элементов И блока 34 первого канала, с 1-16 выходов блока 37 импульсы поступают на вторые входы элементов И блока 34 второго канала. С выходов блока 34 первого канала импульсы кодов через первый 35, второй 38 и третий 39 элементы ИЛИ открывают на время своей длительности 195 нс выходной ключ 40, который в открытом состоянии пропускает одну положительную полусинусоиду /2,56 МГц/ на выход блока 5. С выходов блока 34 второго канала импульсы кодов через первый 35, второй 41 элементы ИЛИ и элемент задержки 42 открывают на время своей длительности 195 нс второй выходной ключ 43, который в открытом состоянии пропускает одну отрицательную полусинусоиду той же частоты /2,56 МГц/ на выход блока 5. Положительные и отрицательные полусинусоиды с ключей 40, 43 представляют символы единиц в кодах первого и второго каналов, поступающие модулирующим сигналом в амплитудный модулятор 10 передатчика. После отработки распределителями 36, 37 первых 16-и импульсов следующие 16 импульсов с выходов 17-32 поступают соответственно на вторые входы элементов И блоков 34 третьего и четвертого каналов. Импульсы с элементов И блока 34 третьего канала через элементы ИЛИ 35, 38, 39 поступают на управляющий вход первого выходного ключа 40, четвертого канала через элементы ИЛИ 35, 41 и элемент 42 задержки поступают на управляющий вход второго выходного ключа 43, с выхода блока 5 следуют коды третьего и четвертого каналов. Импульс с 32-го выхода блока 36 закрывает ключ 47, импульс с 32-го выхода блока 37 закрывает ключ 48 и открывает ключ 44, следует опять выдача кода синхроимпульса, далее процессы повторяются. Один цикл группового сигнала состоит из /фиг.2/ кода СИ, следующего за ним кодов первого, второго каналов и кодов третьего и четвертого каналов: первый, второй, третий и четвертый коды представляют четыре моносигнала или два стереосигнала. Единицы в кодах СИ, первого и третьего каналов представляются положительными полусинусоидами частоты 2,56 МГц, нули их отсутствием, единицы в кодах второго, четвертого каналах представляются отрицательными полусинусоидами той же частоты, нули их отсутствием. Выходной сигнал с блока 5 представляет следование полных или неполных синусоид частотой 2,56 МГц, которые и являются модулирующим сигналом для несущей частоты передатчика. Частота следования кодов СИ 160 кГц, первого и второго сигналов 160 кГц и третьего, четвертого сигналов тоже 160 кГц, суммарная частота следования кодов составляет в эфире 480 кГц. Спектр амплитудно-модулированного сигнала передатчика состоит из несущей и двух боковых частот /верхней и нижней/ фиг.6. Сама несущая частота и одна из боковых частот /не востребованная/ в информационном смысле являются избыточными. Для излучения только одной боковой частоты, несущей и информацию кодов, амплитудный модулятор 10 выполняется из последовательно соединенных кольцевого модулятора и полосового фильтра [3, с.234, 235]. В кольцевом модуляторе подавляется несущая частота, полосовой фильтр отфильтровывает ненужную боковую частоту, в излагаемом варианте нижнюю. Верхняя боковая частота с информацией кодов выдается в выходной усилитель 11 и излучается в эфир, при стабильности несущей частоты 10-6 занимаемая ею полоса в эфире составляет ±41 Гц или 82 Гц. Радиосигнал принимается антенной цифрового приемника /фиг.7/ и поступает на вход блока 50 приема радиосигнала, который является селектором каналов радиовещания с электронной настройкой и включает входную цепь, усилитель радиочастоты и смеситель. Полосовой фильтр усилителя радиочастоты перестраивается напряжением смещения с блока 49 управления: радиочастотный сигнал через петлю связи поступает на эмиттер смесителя, сюда же на смеситель поступает с выхода 3 синтезатора 56 частот частота, равная несущей частоте передатчика, необходимая для детектирования однополосного сигнала [4, с.146]. Сигнал смесителя, являющийся выходным сигналом блока 50, усиливается в усилителе 51 радиочастоты и поступает на вход двухполярного амплитудного детектора 52, выполненного по схеме на фиг.8. Вторые входы блока 56 подключены к вторым выходам блока 49 управления. При включении в блоке 49 требуемого канала радиовещания управляющий сигнал с выхода 2 блока 49 поступает в синтезатора 56 частот и определяет частоту сигнала с третьего выхода блока 56 на третий вход блока 50. Диод Д1 /фиг.8/ выделяет положительную огибающую модулирующего сигнала /фиг.10 диагр.9/. Диод Д2 из модулирующей выделяет огибающие положительных полусинусоид - символы единиц в кодах СИ, первого и третьего сигналов /диагр.10/. Диод Д3 из модулирующей выделяет огибающие отрицательных полусинусоид - символы единиц в кодах второго и четвертого сигналов /диагр.11/. С первого выхода блока 52 продетектированные положительные полусинусоиды /2,56 МГц/ поступают на вход первого формирователя 53 импульсов, со второго выхода блока 52 продетектированные отрицательные полусинусоиды поступают на вход второго формирователя 54 импульсов. Формирователи 53, 54 импульсов выполнены по схеме несимметричного триггера с эмиттерной связью [5, с.209], формирующего прямоугольные импульсы из гармонически изменяющихся сигналов. Импульсы имеют одну полярность и длительность, равную длительности импульсов в кодах передающей стороны. Единицы в кодах представляются наличием импульса, нули их отсутствием, фиг.10 диагр. 12.13). С блока 53 импульсы кодов поступают на информационный вход приемного регистра 57 и на первый вход блока 55 выделения синхроимпульса /СИ/. Информационным входом блока 55 является счетный вход счетчика 64 импульсов /фиг.9/, управляющим входом блока 55 является управляющий вход /Uo/ счетчика 64 импульсов. Информационный вход блока 55 подключен к выходу формирователя 53 импульсов, управляющий его вход через диод Д1 подключен к выходу формирователя 54 импульсов. Счетчик пятиразрядный и ведет счет последовательно идущих 16-и импульсов. При наличии в коде нуля элемент НЕ 65 выдает сигнал, обнуляющий счетчик 64, который начинает счет заново. При поступлении на счетный вход подряд 16 импульсов в счетчике формируется код 1000, и со старшего разряда следует сигнал СИ на первый вход блока 56. Этот же сигнал через диод Д2 обнуляет счетчик 64 импульсов, который может довести счет до 10000 только когда идет код СИ, т.е. код из одних единиц. При поступлении кодов сигналов 1 или 3 с блока 53 в них всегда будет хотя бы один нуль, по которому элемент НЕ 65 будет обнулять счетчик 64, и он не достигнет счета 16 - всегда еще до числа 16 счетчик будет обнуляться. При поступлении кодов сигналов 2 и 4 с блока 54 каждый импульс этих кодов будет также обнулять счетчик 64. Таким образом, на выходе блока 55 невозможно появление сигнала СИ.
При каждом приходе кода СИ из 16 единиц подряд на выходе блока 55 выдается синхроимпульс СИ, поступающий на первый вход синтезатора 56 частот, по сигналам СИ производится подстройка частоты блока 56, собственная стабильность которого 10-5. Синтезатор 56 частот выдает: с первого выхода импульсы тактовой частоты 2,56 МГц для заполнения разрядов приемных регистров 57, 58 импульсами кодов, со второго выхода сигналы Uвыд частотой 160 кГц, с третьего выхода синусоидальные колебания соответствующей несущей частоты на третий вход блока 50. С формирователя 53 импульсов коды первого и третьего каналов заполняют разряды: с первого по 16 импульсами кода первого сигнала и с 17-го по 32-й импульсами кода третьего сигнала. С формирователя 54 импульсов коды второго и четвертого сигналов заполняют разряды: с первого по 16 импульсами кода второго сигнала и с 17-го по 32-й импульсами кода четвертого сигнала. Коды с приемных регистров 57, 58 выдаются в параллельном виде в ЦАП 59 своего канала, которые преобразуют их в аналоговые сигналы звука, которые после прохода фильтра 61 звуковой частоты усиливаются в усилителях 62 мощности и поступают в громкоговорители 63. Смена станций радиовещания производится с блока 49 управления выдачей с него соответствующего напряжения смещения в блок 50 приема радиосигнала.
Работа системы.
Звуковые колебания принимаются приемниками 1 звука, усиливаются и преобразуются АЦП 3 в 16-разрядные коды. С АЦП 3 коды поступают в приемные регистры 33 /фиг.5/ формирователя 5 группового сигнала, формирующего групповой сигнал в составе трех посылок: 16-разрядного кода СИ, 16-разрядных кодов первого и второго сигналов и 16-разрядных кодов сигналов третьего и четвертого /Фиг.2/.
Блок 5 преобразует параллельные коды в последовательные и заменяет в них символы единиц с импульсов на положительные и отрицательные полусинусоиды. Несущая частота 38,4 МГц модулируется синусоидальными колебаниями, в амплитудном модуляторе 10 подавляется несущая и отфильтровывается нижняя боковая частота, верхняя боковая частота 40,96 МГц усиливается и излучается в эфир, занимая полосу 82 Гц. В цифровом приемнике блоком 49 управления настраивается блок 50 приема радиосигнала на нужный радиоканал и принимает одновременно четыре монофонических программы или две стереофонических /или одну квадрофоническую программу/. Радиосигналы детектируются блоком 52, формирователи 53, 54 возвращают представление единиц в кодах с полусинусоид в импульсы. Код СИ выделяется блоком 55, импульсы с которого подстраивают частоту синтезатора частот 56 к частоте передающей стороны. Коды сигналов 1 и 3 поступают в приемный регистр 57, коды сигналов 2 и 4 поступают в приемный регистр 58, с которых они синхронно выдаются в ЦАП 59. Для прослушивания стереофонической передачи пользователь включателем 60 подключает первый и второй сигналы или 3 и 4 сигналы к входам соответственно блоков 61. Для прослушивания монофонической программы пользователь подключает соответствующим включателем 60 соответствующий ЦАП 59 к блоку 61 фильтров звуковой частоты. Усиленные звуковые сигналы воспроизводятся громкоговорителями 63. Предложенная система радиовещания решает проблему распределения частотного ресурса, так как полоса, занимаемая всего 82 Гц, уменьшает энергоемкость передатчика: при полосе 82 Гц нужна много меньше мощность передатчика, чем при излучении несущей и двух боковых частот, повышает помехоустойчивость: спектр частот помех широк, а на долю 82 Гц придется мизерная часть энергии помехи, к тому же синусоидальный сигнал наименее подвергается искажениям, способствует электромагнитной совместимости: узкая полоса способствует лучше разнести частоты, передача четырех вещательных программ по одному радиоканалу параллельно позволяет снизить энергоемкость передатчиков государственной сети радиовещания в четыре раза /можно снизить и в восемь раз/.
Использованные источники
1. Патент №2048704 C1, кл. Н04Н 5/00, бюл. №32 от 20.11.95, прототип.
2. И.В.Фридлянд, В.Г.Сошников. Системы автоматического регулирования в устройствах видеозаписи. М., 1988, с.119 рис.5.5, с.122 рис.5.10.
3. Радиопередающие устройства. М.С.Шумилин и др. М., 1981, с.234-235.
4. Радиосвязь, вещание и телевидение, под ред. А.Д.Фортушенко. М., 1981, с.146.
5. В.Ф.Баркан, В.К.Жданов. Усилительная и импульсная техника. М., 1981, с.209.
6. Цифровые интегральные микросхемы. Справочник. Минск, 1991, с.227, 231, 246.
Система радиовещания, содержащая на передающей стороне с первого по четвертый каналы обработки сигнала, каждый из которых включает последовательно соединенные приемник звука и усилитель звуковой частоты, последовательно соединенные блок кодирования, содержащий четыре аналого-цифровых преобразователя (АЦП), и формирователь группового сигнала, последовательно соединенные генератор синусоидальных колебаний и делитель частоты, первый выход которого подключен параллельно к управляющим входам четырех АЦП, информационный вход каждого АЦП подключен к выходу усилителя звуковой частоты своего канала, выходы АЦП подключены к соответствующим с первого по четвертый информационным входам формирователя группового сигнала, с первого по четвертый управляющие входы которого подключены соответственно к 1-4 выходам делителя частоты, содержит передатчик в составе последовательно соединенных генератора несущей частоты, вход которого подключен к второму выходу генератора синусоидальных колебаний, амплитудного модулятора, второй вход которого подключен к выходу формирователя группового сигнала, и выходного усилителя, каждый АЦП содержит последовательно соединенные управляемый делитель напряжения, блок ключей, согласующий усилитель, усилитель и пьезоэлектрический дефлектор, включает излучатель из импульсного светодиода, щелевой диафрагмы и микрообъектива, последовательно соединенные первый дешифратор, шифратор и второй дешифратор, выходы которого подключены к соответствующим входам блока ключей и к соответствующим входам первого дешифратора, информационным входом АЦП является вход управляемого делителя напряжения, управляющим входом является вход импульсного светодиода, выходами АЦП являются с первого по 16-ый выходы шифратора, формирователь группового сигнала содержит четыре канала, каждый из которых включает последовательно соединенные приемный регистр, блок элементов И и первый элемент ИЛИ, первый и второй распределители импульсов, с первого по третий ключи, последовательно соединенные формирователь импульсов и счетчик импульсов, второй, третий и четвертый элементы ИЛИ, элемент задержки, первый и второй выходные ключи, информационные входы каналов являются с первого по четвертый входами формирователя группового сигнала, выходом каждого канала являются выходы первого элемента ИЛИ, выходы первого и третьего каналов подключены к первому и второму входам второго элемента ИЛИ, выход которого подключен к первому входу третьего элемента ИЛИ, выход которого подключен к управляющему входу первого выходного ключа, выходы второго и четвертого каналов подключены к первому и второму входам четвертого элемента ИЛИ, выход которого через элемент задержки подключен к управляющему входу второго выходного ключа, выходы обоих выходных ключей объединены и являются выходом формирователя группового сигнала, первая группа выходов (1-16) первого распределителя импульсов подключена к вторым входам блока элементов И первого канала, вторая группа выходов (17-32) первого распределителя импульсов подключены к вторым входам блока элементов И третьего канала, последний 32-й выход первого распределителя импульсов подключен и к второму управляющему входу первого ключа, выход которого подключен к входу первого распределителя импульсов, первая группа выходов (1-16) второго распределителя импульсов подключена к вторым входам блока элементов И второго канала, вторая группа выходов (17-32) второго распределителя импульсов подключена к вторым входам блока элементов И четвертого канала, последний выход 32-й второго распределителя импульсов подключен параллельно к второму управляющему входу второго ключа и к первому управляющему входу третьего ключа, выход второго ключа подключен к входу второго распределителя импульсов, выход формирователя импульсов подключен к второму входу третьего элемента ИЛИ, управляющими входами формирователя группового сигнала являются: первым - объединенные управляющие входы четырех приемных регистров, подключенные к первому выходу делителя частоты (160 кГц), вторым - объединенные сигнальные входы первого и второго ключей, подключенные к второму выходу делителя частоты (2,56 МГц), третьим - объединенные сигнальные входы (2,56 МГц) первого и второго выходных ключей, четвертым - сигнальный вход (2,56 МГц) третьего ключа, на приемной стороне содержащая цифровой приемник, включающий двухполярный амплитудный детектор, первый и второй формирователи импульсов, вход первого формирователя импульсов подключен к первому выходу двухполярного амплитудного детектора, к второму входу которого подключен вход второго формирователя импульсов, четыре цифроаналоговых преобразователя (ЦАП) и два канала, каждый из которых включает последовательно соединенные фильтр звуковых частот, усилитель мощности и громкоговоритель, отличающаяся тем, что на передающей стороне в каждый АЦП введены источник положительного опорного напряжения, выход которого подключен к вторым входам усилителя и пьезодефлектора, источник отрицательного опорного напряжения, выход которого подключен к третьим входам усилителя и пьезодефлектора, и линейка многоэлементного фотоприемника, содержащая соответствующее число фотоприемников, входные окна которых через отражатель пьезодефлектора оптически соединены с излучателем, выходы фотоприемников подключены к соответствующим входам первого дешифратора, в формирователе группового сигнала выход счетчика импульсов подключен параллельно к первым управляющим входам первого и второго ключей, к своему управляющему входу и к второму управляющему входу третьего ключа, амплитудный модулятор передатчика выполнен из последовательно соединенных кольцевого модулятора, первый вход которого является входом амплитудного модулятора, второй вход его является управляющим входом амплитудного модулятора, и полосовой фильтр, выход которого является выходом амплитудного модулятора, на приемной стороне в цифровой приемник введены блок управления, блок приема радиосигнала, первый вход которого подключен к антенне, вторая группа входов подключена к первой группе выходов блока управления, усилитель радиочастоты, вход которого подключен к выходу блока приема радиосигнала, выход подключен к входу двухполярного амплитудного детектора, введены последовательно соединенные блок выделения синхроимпульса (СИ) и синтезатор частот, первый вход блока выделения СИ подключен к выходу первого формирователя импульсов, второй вход подключен к выходу второго формирователя импульсов, первый вход синтезатора частот подключен к выходу блока выделения СИ, вторая группа входов подключена к второй группе выходов блока управления, введены первый и второй приемные регистры, каждый из которых содержит по 32 разряда, информационный вход первого приемного регистра подключен к выходу первого формирователя импульсов, информационный вход второго приемного регистра подключен к выходу второго формирователя импульсов, первые управляющие входы обоих приемных регистров объединены и подключены к первому выходу синтезатора частот, к второму выходу которого подключены вторые управляющие входы приемных регистров, третий выход синтезатора частот подключен к третьему входу блока приема радиосигнала, входы первого ЦАП подключены к выходам разрядов с первого по 16-й первого приемного регистра, входы второго ЦАП подключены к выходам разрядов с 17-го по 32-й первого приемного регистра, входы третьего ЦАП подключены к выходам с первого по 16-й разрядов второго приемного регистра, к выходам разрядов 17-32 которого подключены входы четвертого ЦАП, и введены четыре включателя, выходы первого и третьего ЦАП подключены к входам соответственно первого и третьего включателей, выходы которых объединены и подключены к входу фильтра звуковых частот первого канала, выходы второго и четвертого ЦАП подключены к входам второго и четвертого включателей, выходы которых объединены и подключены к входу фильтра звуковых частот второго канала, блок выделения СИ включает пятиразрядный счетчик импульсов, элемент НЕ, первый и второй диоды, счетный вход счетчика импульсов является информационным входом блока выделения СИ, управляющим входом которого является вход первого диода, выход которого подключен к управляющему входу счетчика импульсов, выход старшего разряда которого является выходом блока и через второй диод подключен к выходу элемента НЕ, выход которого подключен к управляющему входу счетчика импульсов, а вход элемента НЕ подключен к счетному входу счетчика импульсов, управляющие входы всех ЦАП объединены и подключены к первому выходу синтезатора частот.



