Способ получения микрокапсул лекарственных препаратов группы пенициллинов в альгинате натрия, обладающих супрамолекулярными свойствами

Иллюстрации

Показать все

Изобретение относится к способу получения микрокапсул лекарственных препаратов группы пенициллинов. Указанный способ характеризуется тем, что к альгинату натрия в бутаноле добавляют препарат Е472с, к полученной суспензии прибавляют лекарственный препарат группы пенициллинов, растворенный в этаноле, после образования твердой фазы приливают метанол и дистиллированную воду, полученную суспензию микрокапсул отфильтровывают, промывают ацетоном и сушат в эксикаторе. Изобретение обеспечивает упрощение и ускорение процесса получения микрокапсул лекарственных препаратов группы пенициллинов в альгинате натрия, а также увеличение выхода по массе. 2 ил., 5 пр.

Реферат

Изобретение относится к области микрокапсулирования лекарственных препаратов группы пенициллинов в альгинате натрия физико-химическим методом осаждения нерастворителем.

Ранее были известны способы получения микрокапсул. Так, в пат. 2092155, МПК A61K 047/02, A61K 009/16, опубликован 10.10.1997, Российская Федерация, предложен метод микрокапсулирования лекарственных средств, основанный на применении специального оборудования с использованием облучения ультрафиолетовыми лучами.

Недостатками данного способа являются длительность процесса и применение ультрафиолетового излучения, что может оказывать влияние на процесс образования микрокапсул.

В пат. 2095055, МПК A61K 9/52, A61K 9/16, A61K 9/10, Российская Федерация, опубликован 10.11.1997, предложен способ получения твердых непористых микросфер, включает расплавление фармацевтически неактивного вещества-носителя, диспергирование фармацевтически активного вещества в расплаве в инертной атмосфере, распыление полученной дисперсии в виде тумана в замораживающей камере под давлением, в инертной атмосфере, при температуре от -15 до -50°С, и разделение полученных микросфер на фракции по размерам. Суспензия, предназначенная для введения путем парентеральной инъекции, содержит эффективное количество указанных микросфер, распределенных в фармацевтически приемлемом жидком векторе, причем фармацевтически активное вещество микросферы нерастворимо в указанной жидкой среде.

Недостатки предложенного способа: сложность и длительность процесса, применение специального оборудования.

В пат. 2076765, МПК B01D 9/02, Российская Федерация, опубликован 10.04.1997, предложен способ получения дисперсных частиц растворимых соединений в микрокапсулах посредством кристаллизации из раствора, отличающийся тем, что раствор диспергируют в инертной матрице, охлаждают и, изменяя температуру, получают дисперсные частицы.

Недостатком данного способа является сложность исполнения: получение микрокапсул путем диспергирования с последующим изменением температур, что замедляет процесс.

В пат. 2101010, МПК A61K 9/52, A61K 9/50, A61K 9/22, A61K 9/20, A61K 31/19, Российская Федерация, опубликован 10.01.1998, предложена жевательная форма лекарственного препарата с вкусовой маскировкой, обладающая свойствами контролируемого высвобождения лекарственного препарата, содержит микрокапсулы размером 100-800 мкм в диаметре и состоит из фармацевтического ядра с кристаллическим ибупрофеном и полимерного покрытия, включающего пластификатор, достаточно эластичного, чтобы противостоять жеванию. Полимерное покрытие представляет собой сополимер на основе метакриловой кислоты.

Недостатки изобретения: использование сополимера на основе метакриловой кислоты, так как данные полимерные покрытия способны вызывать раковые опухоли; сложность исполнения; длительность процесса.

В пат. 2139046, МПК A61K 9/50, A61K 49/00, A61K 51/00, Российская Федерация, опубликован 10.10.1999, предложен способ получения микрокапсул следующим образом. Эмульсию масло-в-воде готовят из органического раствора, содержащего растворенный моно-, ди-, триглицерид, предпочтительно трипальмитин или тристеарин, и, возможно, терапевтически активное вещество, и водного раствора, содержащего поверхностно-активное вещество, возможно, выпаривают часть растворителя, добавляют редиспергирующий агент и смесь подвергают сушке вымораживанием. Подвергнутую сушке вымораживанием смесь затем снова диспергируют в водном носителе для отделения микрокапсул от остатков органических веществ и полусферические или сферические микрокапсулы высушивают.

Недостатками предложенного способа являются сложность и длительность процесса, использование высушивания вымораживанием, что занимает много времени и замедляет процесс получения микрокапсул.

В пат. 2159037, МПК A01N 25/28, A01N 25/30, Российская Федерация, опубликован 20.11.2000, предложен способ получения микрокапсул реакцией полимеризации на границе раздела фаз, содержащих твердый агрохимический материал 0,1-55 мас.%, суспендированный в перемешивающейся с водой органической жидкости, 0,01-10 мас.% неионного диспергатора, активного на границе раздела фаз и не действующего как эмульгатор.

Недостатки предложенного метода: сложность, длительность, использование высокосдвигового смесителя.

В статье «Разработка микрокапсулированных и гелеобразных продуктов и материалов для различных отраслей промышленности». Российский химический журнал, 2001, т.XLV, №5-6, с.125-135, описан способ получения микрокапсул лекарственных препаратов методом газофазной полимеризации, так как авторы статьи считают непригодным метод химической коацервации из водных сред для микрокапсулирования лекарственных препаратов вследствие того, что большинство из них являются водорастворимыми. Процесс микрокапсулирования по методу газофазной полимеризации с использованием n-ксилилена включает следующие основные стадии: испарение димера n-ксилилена (170°С), термическое разложение его в пиролизной печи (650°С при остаточном давлении 0,5 мм рт.ст.), перенос продуктов реакции в «холодную» камеру полимеризации (20°С, остаточное давление 0,1 мм рт.ст.), осаждение и полимеризация на поверхности защищаемого объекта. Камера полимеризации выполнена в виде вращающегося барабана, оптимальная скорость для покрытия порошка 30 об/мин. Толщина оболочки регулируется временем нанесения покрытия. Этот метод пригоден для капсулирования любых твердых веществ (за исключением склонных к интенсивной сублимации). Получаемый поли-n-ксилилен высококристаллический полимер, отличающийся высокой ориентацией и плотной упаковкой, обеспечивает конформное покрытие.

Недостатками предложенного способа являются сложность и длительность процесса, использование метода газофазной полимеризации, что делает способ неприменимым для получения микрокапсул лекарственных препаратов в полимерах белковой природы вследствие денатурации белков при высоких температурах.

В статье «Разработка микро- и наносистем доставки лекарственных средств», Российский химический журнал, 2008, т.LII, №1, с.48-57, представлен метод получения микрокапсул с включенными белками, который существенно не снижает их биологической активности, осуществляемый процессом межфазного сшивания растворимого крахмала или гидроксиэтилкрахмала и бычьего сывороточного альбумина (БСА) с помощью терефталоил хлорида. Ингибитор протеиназ-апротинин, либо нативный, либо с защищенным активным центром, был микрокапсулирован при его введении в состав водной фазы. Сплющенная форма лиофилизованных частиц свидетельствует о получении микрокапсул или частиц резервуарного типа. Приготовленные таким образом микрокапсулы не повреждались после лиофилизации и легко восстанавливали свою сферическую форму после регидратации в буферной среде. Величина рН водной фазы являлась определяющим при получении прочных микрокапсул с высоким выходом.

Недостатком предложенного способа получения микрокапсул является сложность процесса, что, в свою очередь, приводит к уменьшению выхода конечных капсул.

В пат. 2173140, МПК A61K 009/50, A61K 009/127, Российская Федерация, опубликован 10.09.2001, предложен способ получения кремнийорганолипидных микрокапсул с использованием роторно-кавитационной установки, обладающей высокими сдвиговыми усилиями и мощными гидроакустическими явлениями звукового и ультразвукового диапазона для диспергирования.

Недостатком данного способа является применение специального оборудования - роторно-квитационной установки, которая обладает ультразвуковым действием, что оказывает влияние на образование микрокапсул и при этом может вызывать побочные реакции в связи с тем, что ультразвук разрушающе действует на полимеры белковой природы, поэтому предложенный способ применим при работе с полимерами синтетического происхождения.

В пат. 2359662, МПК A61K 009/56, A61J 003/07, B01J 013/02, A23L 001/00, опубликован 27.06.2009, Российская Федерация, предложен способ получения микрокапсул с использованием распылительного охлаждения в распылительной градирне Niro при следующих условиях: температура воздуха на входе 10°С, температура воздуха на выходе 28°С, скорость вращения распыляющего барабана 10000 об/мин. Микрокапсулы по изобретению обладают улучшенной стабильностью и обеспечивают регулируемое и/или пролонгированное высвобождение активного ингредиента.

Недостатками предложенного способа являются длительность процесса и применение специального оборудования, комплекс определенных условий (температура воздуха на входе 10°С, температура воздуха на выходе 28°С, скорость вращения распыляющего барабана 10000 об/мин).

В пат. WO/2009/148058 JP, МПК B01J 13/04, A23L 1/00, A61K 35/20, A61K 45/00, A61K 47/08, A61K 47/26, A61K 47/32, A61K 47/34, A61K 47/36, A61K 9/50, B01J 2/04, B01J 2/06, опубликован 10.12.2009, описан процесс получения микрокапсул, применимый для промышленного производства, в которых высокое содержание гидрофильного биологически активного вещества, заключенного в оболочку. Предлагаемые микрокапсулы могут быть использованы в пищевой, фармацевтической и в других областях промышленности. В процессе производства применяются диспергирующие композиции, состоящие из гидрофильных биологически активных веществ и ПАВ в твердом жире. Температура не ниже, чем температура плавления твердого жира.

Недостатками данного способа являются сложность и длительность процесса получения микрокапсул.

В пат. WO/2010/076360 ES, МПК B01J 13/00; A61K 9/14; A61K 9/10; A61K 9/12, опубликован 08.07.2010, предложен новый способ получения твердых микро- и наночастиц с однородной структурой с размером частиц менее 10 мкм, где обработанные твердые соединения имеют естественное кристаллическое, аморфное, полиморфное и другие состояния, связанные с исходным соединением. Метод позволяет получить твердые микро- и наночастиц с существенно сфероидальной морфологией.

Недостатком предложенного способа является сложность процесса, а отсюда низкий выход конечного продукта.

В пат. WO/2010/014011 NL, МПК A61K 9/50; B01J 13/02; A61K 9/50; B01J 13/02, опубликован 4.02.2010, описан способ получения микрокапсул диаметром от 0,1 мкм до 25 мкм, включающих: ядро частицы диаметром 90 нм до 23 мкм, содержащего не менее 3% активного компонента по весу частицы; покрытие, которое полностью охватывает основные частицы, содержащие не менее 20% от веса гидрофобного полимера, выбранного из целлюлозных эфиров, сложных эфиров целлюлозы, шеллака, клейковины, полилактида, гидрофобных производных крахмала, поливинилацетата, полимеров или сополимеров на основе эфира акриловой кислоты и/или метакриловой кислоты и их комбинации. Активный компонент не высвобождается при введении в водосодержащие продукты питания, напитки, пищевые или фармацевтические композиции. После приема внутрь, однако, активный компонент выделяется быстро.

Недостатками данного способа являются сложность, длительность процесса, а также применение ультразвука и специального оборудования, использование в качестве оболочек микрокапсул сополимеров акриловой или метакриловой кислоты, которые способны вызывать раковые опухоли.

В пат. WO/2010/119041 ЕР, МПК A23L 1/00, опубликован 21.10.2010, предложен способ получения микрошариков, содержащих активный компонент, инкапсулированный в гель-матрице сывороточного протеина, включающего денатурированный белок, сыворотку и активные компоненты. Изобретение относится к способу получения микрошариков, которые содержат такие компоненты, как пробиотические бактерии. Способ получения микрошариков включает стадию производства микрошариков в соответствии с методом изобретения и последующее отверждение микрошариков в растворе анионного полисахарида с pH 4,6 и ниже в течение не менее 10, 30, 60, 90, 120, 180 минут. Примеры подходящих анионных полисахаридов: пектины, альгинаты, каррагинаны. В идеале, сывороточный протеин является тепло-денатурирующим, хотя и другие методы денатурации, также применимы, например денатурация индуцированным давлением. В предпочтительном варианте сывороточный белок денатурирует при температуре от 75°С до 80°С, надлежащим образом в течение от 30 минут до 50 минут. Как правило, сывороточный протеин перемешивают при тепловой денатурации. Соответственно, концентрация сывороточного белка составляет от 5 до 15%, предпочтительно от 7 до 12%, а в идеале от 9 до 11% (вес/объем). Как правило, процесс фильтрации осуществляется через множество фильтров с постепенным снижением размера пор. В идеале, фильтр тонкой очистки имеет субмикронный размер пор, например от 0,1 до 0,9 микрон. Предпочтительным способом получения микрошариков является способ с применением вибрационных инкапсуляторов (Inotech, Швейцария) и машин производства Nisco Engineering AG. Как правило, форсунки имеют отверстия 100 и 600 мкм, а в идеале около 150 микрон.

Недостатком данного способа является применение специального оборудования (вибрационных инкапсуляторов (Inotech, Швейцария)), получение микрокапсул посредством денатурации белка, сложность выделения полученных данным способом микрокапсул - фильтрация с применением множества фильтров, что делает процесс длительным.

В пат. WO/2011/003805 ЕР, МПК B01J 13/18; B65D 83/14; C08G 18/00, опубликован 13.01.2011, описан способ получения микрокапсул, которые подходят для использования в композициях, образующих герметики, пены, покрытия или клеи.

Недостатком предложенного способа является применение центрифугирования для отделения от технологической жидкости, длительность процесса, а также применение данного способа не в фармацевтической промышленности.

В пат. 20110223314, МПК B05D 7/00 20060101 B05D 007/00, В05С 3/02 20060101 В05С 003/02; В05С 11/00 20060101 В05С 011/00; B05D 1/18 20060101 B05D 001/18; B05D 3/02 20060101 B05D 003/02; B05D 3/06 20060101 B05D 003/06 от 10.03.2011 US, описан способ получения микрокапсул методом суспензионной полимеризации, относящийся к группе химических методов с применением нового устройства и ультрафиолетового облучения.

Недостатком данного способа являются сложность и длительность процесса, применение специального оборудования, использование ультрафиолетового облучения.

В пат. WO/2011/150138 US, МПК C11D 3/37; B01J 13/08; C11D 17/00, опубликован 01.12.2011, описан способ получения микрокапсул твердых растворимых в воде агентов методом полимеризации.

Недостатками данного способа являются сложность исполнения и длительность процесса.

В пат. WO/2011/127030 US, МПК A61K 8/11; B01J 2/00; B01J 13/06; C11D 3/37; C11D 3/39; C11D 17/00, опубликован 13.10.2011, предложено несколько способов получения микрокапсул: межфазной полимеризацией, термоиндуцированным разделением фаз, распылительной сушкой, выпариванием растворителя и др.

Недостатками предложенных способов является сложность, длительность процессов, а также применение специального оборудования (фильтр (Albet, Dassel, Германия), распылительная сушилка для сбора частиц (Spray-4М8 Сушилка от ProCepT, Бельгия).

В пат. WO/2011/104526 GB, МПК B01J 13/00; B01J 13/14; С09В 67/00; C09D 11/02, опубликован 01.09.2011, предложен способ получения дисперсии инкапсулированных твердых частиц в жидкой среде, включающий: а) измельчение композиции, включающей твердые, жидкие среды и полиуретановые диспергаторы с кислотным числом от 0,55 до 3,5 ммоль на грамм диспергатора, указанная композиция включает от 5 до 40 частей полиуретанового диспергатора на 100 частей твердых, изделий, по весу; и б) сшивания полиуретанового диспергатора при наличии твердой и жидкой среды, так как для инкапсуляции твердых частиц которой полиуретановый диспергатор содержит менее 10% от веса повторяющихся элементов из полимерных спиртов.

Недостатками предложенного способа являются сложность и длительность процесса получения микрокапсул, а также то, что инкапсулированные частицы предложенным способом полезны в качестве красителей в чернилах, особенно чернил струйной печати, для фармацевтической промышленности данная методика неприменима.

В пат. WO/2011/056935 US, МПК C11D 17/00; A61K 8/11; B01J 13/02; C11D 3/50, опубликован 12.05.2011, описан способ получения микрокапсул размером от 15 микрон. В качестве материала оболочки предложены полимеры группы, состоящей из полиэтилена, полиамидов, полистиролов, полиизопренов, поликарбонатов, полиэфиров, полиакрилатов, полимочевины, полиуретанов, полиолефинов, полисахаридов, эпоксидных смол, виниловых полимеров и их смеси. Предложенные полимерные оболочки являются достаточно непроницаемыми для материала сердечника и материалов в окружающей среде, в которой инкапсулируется агент. Ядро инкапсулированных агентов может включать в себя духи, силиконовые масла, воска, углеводороды, высшие жирные кислоты, эфирные масла, липиды, охлаждающие кожу жидкости, витамины, солнцезащитные средства, антиоксиданты, глицерин, катализаторы, отбеливающие частицы, частицы диоксида кремния и др.

Недостатками предложенного способа являются сложность, длительность процесса, использование в качестве оболочек микрокапсул полимеров синтетического происхождения и их смесей.

В пат. WO/2011/160733 ЕР, МПК B01J 13/16, опубликован 29.12.2011, описан способ получения микрокапсул, которые содержат оболочки и ядра нерастворимых в воде материалов. Водный раствор защитного коллоида и раствор смеси по меньшей мере двух структурно различных бифункциональных диизоцианатов (А) и (В), нерастворимых в воде, собираются вместе до образования эмульсии, затем добавляются к смеси бифункциональных аминов и нагреваются до температуры не менее 60°С до формирования микрокапсул.

Недостатками предложенного способа являются сложность, длительность процесса, использование в качестве оболочек микрокапсул полимеров синтетического происхождения и их смесей.

В пат. WO/2011/161229 ЕР, МПК A61K 8/11; B01J 13/14; B01J 13/16; C11D 3/50, опубликован 29.12.2011, описан способ получения микрокапсул, содержащих оболочку из полимочевины и духов в масле, где оболочка получается в результате реакции двух структурно различных диизоцианатов в виде эмульсии. В процессе получения микрокапсул используются защитные коллоиды. Во время реакции изоцианатов и аминов должен присутствовать защитный коллоид. Это предпочтительно поливинилпирролидон (ПВП). Защитный коллоид - полимерная система, которая в суспензии или дисперсии, предотвращает слипание (агломерация, коагуляции, флокуляции). При данном способе может быть использован для духов и всевозможных потребительских товаров. Исчерпывающий перечень потребительских товаров не может быть перечислен. Наглядные примеры потребительских товаров включают в себя все приложения, включая жидкие моющие средства, и порошковых моющих средств; все личной гигиены и ухода за волосами приложений, включая шампуни, кондиционеры, кремы расчесывание, оставьте на кондиционеры, стайлинг крем, мыло, кремы для тела и т.п.; дезодоранты и антиперспиранты.

Недостатками данного способа получения микрокапсул являются сложность и длительность процесса, использование в качестве оболочки микрокапсул диизоцианатов, которые получают в результате реакции двух изоцианатов.

В пат. WO/2012/007438 EP, МПК A61K 8/11; A61Q 13/00; B01J 13/16; B01J 13/18, опубликован 19.01.2012, описан способ получения частиц со средним диаметром менее 50 микрон, состоящих по крайней мере из одной оболочки, методом ступенчатой полимеризации с участием мономера изоцианата. По крайней мере одна оболочка образована цепной реакцией полимеризации роста (желательно свободнорадикальной полимеризации), которая не связана с изоцианатом. Изобретение также относится к способу получения таких частиц, в которых оболочка формируется до цепного роста полимеризации при температуре, при которой цепная реакция роста подавляется. Изобретение также обеспечивает полностью сформулированные продукты, предпочтительно жидкости и гели, которые содержат указанные частицы.

Недостатками предложенного способа являются сложность и длительность процесса, получение микрокапсул химическим методом ступенчатой полимеризации. Получаемые данным способом частицы имеют достаточно большой размер - 50 мкм.

Наиболее близким методом является способ, предложенный в пат. 2134967, МПК A01N 53/00, A01N 25/28, опубликован 27.08.1999, Российская Федерация (1999). В воде диспергируют раствор смеси природных липидов и пиретроидного инсектицида в весовом отношении 2-4:1 в органическом растворителе, что приводит к упрощению способа микрокапсулирования.

Недостатком метода является диспергирование в водной среде, что делает предложенный способ неприменимым для получения микрокапсул водорастворимых препаратов в водорастворимых полимерах.

Техническая задача - упрощение и ускорение процесса получения микрокапсул водораствормых лекарственных препаратов группы пенициллинов в альгинате натрия, уменьшение потерь при получении микрокапсул (увеличение выхода по массе).

Решение технической задачи достигается способом получения микрокапсул лекарственных препаратов группы пенициллинов, характеризующимся тем, что в качестве оболочки микрокапсул используется альгинат натрия, а также получения микрокапсул физико-химическим способом осаждения нерастворителем с использованием двух осадителей - бутанола и метанола, процесс получения осуществляется без специального оборудования.

Результатом предлагаемого метода является получение микрокапсул лекарственных препаратов группы пенициллинов в альгинате натрия в течение 15 минут. Выход микрокапсул составляет более 90%.

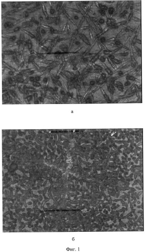
Фиг.1. Самоорганизация нанокапсул канамицин в альгинате натрия в соотношении ядро:оболочка 1:1: а - в концентрации 0,5% увеличение в 2830 раз, б - в концентрации 0,25% увеличение в 2830 раз.

Фиг.2. Самоорганизация нанокапсул ампициллина в альгинате натрия в соотношении ядро:оболочка 1:1: в концентрации 0,25% увеличение в 1770 раз.

Пример 1. Получение микрокапсул канамицина в соотношении ядро:облолочка 1:3

К 1,5 г альгината натрия в бутаноле добавляют 0,01 г препарата Е472с (сложный эфир глицерина с одной-двумя молекулами пищевых жирных кислот и одной-двумя молекулами лимонной кислоты, причем лимонная кислота, как трехосновная, может быть этерифицирована другими глицеридами и как оксокислота - другими жирными кислотами. Свободные кислотные группы могут быть нейтрализованы натрием) в качестве поверхностно-активного вещества. Полученную смесь ставят на магнитную мешалку и включают перемешивание. 0,5 г порошка канамицина растворяют в 0,5 мл воды и переносят в суспензию альгината натрия в бутаноле. После образования самостоятельной твердой фазы очень медленно по каплям добавляют 5 мл метанола и 1 мл дистиллированной воды. Полученную суспензию микрокапсул отфильтровывают на фильтре Шотта 16 класса пор, промывают ацетоном, сушат в эксикаторе над хлористым кальцием.

Получено 1,9 г белого порошка. Выход составил 95%.

Пример 2. Получение микрокапсул канамицина в соотношении ядро:облолочка 1:1

К 0,5 г альгината натрия в бутаноле добавляют 0,01 г препарата Е472с (сложный эфир глицерина с одной-двумя молекулами пищевых жирных кислот и одной-двумя молекулами лимонной кислоты, причем лимонная кислота, как трехосновная, может быть этерифицирована другими глицеридами и как оксокислота - другими жирными кислотами. Свободные кислотные группы могут быть нейтрализованы натрием) в качестве поверхностно-активного вещества. Полученную смесь ставят на магнитную мешалку и включают перемешивание. 0,5 г порошка канамицина растворяют в 0,5 мл воды и переносят в суспензию альгината натрия в бутаноле. После образования самостоятельной твердой фазы очень медленно по каплям добавляют 3 мл метанола и 1 мл дистиллированной воды. Полученную суспензию микрокапсул отфильтровывают на фильтре Шотта 16 класса пор, промывают ацетоном, сушат в эксикаторе над хлористым кальцием.

Получено 0,93 г белого порошка. Выход составил 93%.

Пример 3. Получение микрокапсул ампициллина в соотношении ядро:оболочка 1:1

К 0,5 г альгината натрия в бутаноле добавляют 0,01 г препарата Е472с в качестве поверхностно-активного вещества. Полученную смесь ставят на магнитную мешалку и включают перемешивание. 0,5 г порошка ампициллина в 0,5 мл этанола и добавляют к суспензии альгината натрия в бутаноле. После образования самостоятельной твердой фазы очень медленно по каплям добавляют 5 мл метанола и 1 мл дистиллированной воды. Полученную суспензию микрокапсул отфильтровывают на фильтре Шотта 16 класса пор, промывают ацетоном, сушат в эксикаторе над хлористым кальцием.

Получено 0,94 г белого порошка. Выход составил 94%.

Пример 4. Получение микрокапсул бензилпенициллина в соотношении ядро:оболочка 1:1

К 0,5 г альгината натрия в бутаноле добавляют 0,01 г препарата Е472с в качестве поверхностно-активного вещества. Полученную смесь ставят на магнитную мешалку и включают перемешивание. 0,5 г порошка бензилпенициллина в 0,5 мл этанола и добавляют к суспензии альгината натрия в бутаноле. После образования самостоятельной твердой фазы очень медленно по каплям добавляют 5 мл карбинола и 1 мл дистиллированной воды. Полученную суспензию микрокапсул отфильтровывают на фильтре Шотта 16 класса пор, промывают ацетоном, сушат в эксикаторе над хлористым кальцием.

Получено 0,94 г белого порошка. Выход составил 94%.

Пример 5. Получение микрокапсул стрептомицина в соотношении ядро:оболочка 1:1

К 0,5 г альгината натрия в бутаноле добавляют 0,01 г препарата Е472с в качестве поверхностно-активного вещества. Полученную смесь ставят на магнитную мешалку и включают перемешивание. 0,5 г порошка стрептомицина в 0,5 мл бутанола и добавляют к суспензии альгината натрия в бутаноле. После образования самостоятельной твердой фазы очень медленно по каплям добавляют 5 мл метанола и 1 мл дистиллированной воды. Полученную суспензию микрокапсул отфильтровывают на фильтре Шотта 16 класса пор, промывают ацетоном, сушат в эксикаторе над хлористым кальцием.

Получено 0,92 г белого порошка. Выход составил 92%.

Способ получения микрокапсул лекарственных препаратов группы пенициллинов, характеризующийся тем, что к 0,5 г альгината натрия в бутаноле добавляют 0,01 г препарата Е472с в качестве поверхностно-активного вещества, к полученной суспензии прибавляют 0,5 г лекарственного препарата группы пенициллинов в 0,5 мл этанола, после образования твердой фазы медленно по каплям добавляют 5 мл метанола и 1 мл дистиллированной воды, полученную суспензию микрокапсул отфильтровывают, промывают ацетоном и сушат в эксикаторе.