Муфта отбора мощности

Иллюстрации

Показать все

Предлагаемое изобретение относится к машиностроению, в частности к муфтам отбора мощности для передвижного силового агрегата. Муфта отбора мощности для соединения силового агрегата 20 со вспомогательным механизмом 14, 16, 17, применяемым на строительных площадках, содержит упругий компонент силовой передачи внутри муфты. Фиксирующее устройство предназначено для механического фиксирования вспомогательного механизма 14, 16, 17 и силовой установки 20 и содержит разъединяющий механизм с ручным управлением, применяемым при необходимости расфиксирования. На выходном приводном валу силового агрегата 20 установлена одна половина зубчатой муфты, причем другая половина установлена на приводимом в действие вспомогательном механизме. Приспособление для центрирования силового агрегата 20 и вспомогательного механизма 14, 16, 17, применяемого на строительных площадках, содержит первое круглое кольцо, соосно прикрепленное к выходному валу в сборе силового агрегата 20, и второе круглое кольцо, соосно прикрепленное к входному валу в сборе приводимого в действие вспомогательного механизма 14, 16, 17. При этом диаметры двух колец отличаются таким образом, что одно круглое кольцо выполнено с возможностью соосного зацепления с другим круглым кольцом с соблюдением жестких допусков так, что внешняя окружность круглого кольца меньшего диаметра входит в зацепление, по меньшей мере, с участками внутренней окружности круглого кольца большего диаметра с обеспечением точного соосного центрирования выходного приводного вала силового агрегата 20 и входного приводного вала вспомогательного механизма 14, 16, 17. Технический результат заключается в улучшении центрирования ведущего и ведомого валов. 30 з.п. ф-лы, 8 ил.

Реферат

Область техники

Настоящее изобретение относится к муфте отбора мощности для передвижного силового агрегата, как правило, для применения на строительной площадке, например, во время нового строительства или восстановительных работ и т.п.

Уровень техники

Для целого ряда вспомогательных механизмов для оборудования, применяемого на строительных площадках, таких как водяные насосы, воздушные компрессоры, электрические генераторы, моечные машины, вибробулавы, зубильные молотки, измельчители, пылесосы, виброплиты и т.п., необходим силовой привод, традиционно обеспечиваемый передвижным силовым агрегатом в форме одноцилиндрового двигателя общего назначения. Текущая практика предусматривает аренду или приобретение различных вспомогательных механизмов для установки или оборудования, каждый из которых оснащен собственным двигателем общего назначения, который часто является наиболее дорогостоящим компонентом вспомогательного механизма. Следовательно, приобретение, безопасное хранение и техническое обслуживание ряда таких вспомогательных механизмов может создавать значительные финансовые, материально-технические и временные затраты для заказчика.

Как правило, среднестатистический застройщик может приобретать целый ряд вспомогательных механизмов с приводом от двигателя общего назначения, например генератор, водяной насос и моечную машину, предпочтительно оснащенные «фирменным» двигателем, т.е. Honda или Mitsubishi и т.п. Обычно стоимость генератора мощностью 2,5 кВА и трехдюймовых водяных насосов, оснащенных «фирменным» двигателем, составляет порядка более £500. Аналогичные моечные машины могут стоить более £600. В общем, стоимость покупки может достигать £1500-£2000.

Ввиду ценности таких вспомогательных механизмов также необходимо обеспечить ночную охрану с целью предотвращения кражи.

Преимущество обеспечения одного легко присоединяемого и отсоединяемого силового агрегата, предназначенного для приведения в действие целого ряда вспомогательных механизмов, признавали на протяжении десятилетий. Одно решение для реализации этой идеи было предложено и раскрыто в документе US 5907970. Тем не менее, крайне важным аспектом для успешной реализации является точное центрирование выходного вала силового привода двигателя и входного вала силового привода приводимого в действие вспомогательного механизма с учетом того, что соединение и разъединение будут осуществлять на строительных площадках, а не в сборочном цеху с помощью оборудования для сборки и т.п., причем несоблюдение этого важного аспекта приведет к недопустимо короткому сроку службы. Другое решение было предложено и раскрыто в документе US 4269075. Кроме того, конструкции, известные из предыдущего уровня техники, содержали зубчатую муфту вместо фрикционной муфты, при этом оставалось только догадываться, войдут ли зубья двух полумуфт в зацепление при введении вспомогательного механизма в силовой агрегат или будут сталкиваться друг с другом, вероятно, обуславливая необходимость отсоединения и неполного поворота одной полумуфты с целью достижения зацепления. Однако, как можно предположить, в виду сложности задачи и отсутствия возможности осуществления удовлетворительного соединения на строительной площадке до настоящего времени ни одна система не была выпущена на рынок, насколько это известно заявителям. Основной целью настоящего изобретения является предоставление усовершенствованной муфты отбора мощности, которую можно подсоединять к целому ряду вспомогательных механизмов для установок или оборудования с целью обеспечения передачи крутящего момента.

Сущность изобретения

В соответствии с первым аспектом настоящего изобретения раскрывается муфта отбора мощности, предназначенная для соединения силового агрегата и вспомогательного механизма, используемого на строительной площадке, причем муфта содержит:

(i) упругий компонент силовой передачи внутри муфты;

(ii) фиксирующее устройство, предназначенное для механического фиксирования вспомогательного механизма и силовой установки, содержащее разъединяющий механизм с ручным управлением, применяемый при необходимости расфиксирования;

(iii) выходной приводной вал силового агрегата, на котором установлена одна половина зубчатой муфты, причем другая половина установлена на приводимом в действие вспомогательном механизме; и

(iv) приспособление для центрирования силового агрегата и вспомогательного механизма, применяемого на строительных площадках, содержащее первое круглое кольцо, соосно прикрепленное к выходному валу в сборе силового агрегата, и второе круглое кольцо, соосно прикрепленное к входному валу в сборе приводимого в действие вспомогательного механизма, причем диаметры двух колец отличаются таким образом, что одно круглое кольцо выполнено с возможностью соосного зацепления с другим круглым кольцом с соблюдением жестких допусков так, что внешняя окружность круглого кольца меньшего диаметра входит в зацепление, по меньшей мере, с участками внутренней окружности круглого кольца большего диаметра с обеспечением точного соосного центрирования выходного приводного вала силового агрегата и входного приводного вала вспомогательного механизма.

В соответствии со вторым аспектом настоящего изобретения, имеющим отдельное значение, предоставлена зубчатая соединительная муфта, образующая часть соединения силового агрегата и вспомогательного механизма, применяемого на строительных площадках, причем силовой агрегат содержит выходной приводной вал, на котором установлена одна половина зубчатой муфты, а другая половина установлена на приводимом в действие вспомогательном механизме, при этом одна половина зубчатой муфты поджата пружиной так, что в случае, если зубья зубчатой муфты при подаче для соединения вспомогательного механизма с силовым агрегатом сталкиваются друг с другом вместо того, чтобы зацепляться, поджатая пружиной плавающая половина зубчатой муфты выполнена с возможностью перемещения назад в осевом направлении, преодолевая усилие поджатая пружиной, во-первых, для обеспечения завершения соединения и, во-вторых, при достаточном повороте одной половины зубчатой муфты для обеспечения зацепления зубьев зубчатой муфты, причем поджатая пружиной половина зубчатой муфты автоматически перемещается в положение зацепления под воздействием поджатия пружиной.

Добавление элементов муфты, описанных выше, между передвижным силовым агрегатом и вспомогательным механизмом, неоднократно присоединяемым к силовому агрегату и отсоединяемым от него, приводит к созданию системы, которая даже при применении на строительных площадках и относительно непрофессиональной эксплуатации обеспечивает автоматическое центрирование - и, в частности, радиальное центрирование - ведущего и ведомого валов, получаемое неоднократно при введении в зацепление двух круглых колец друг с другом, гарантируя достаточно точное центрирование с обеспечением соосности выходного и входного валов, одновременно компенсируя введением упругого компонента силовой передачи любое нарушение центрирования, вызываемое заложенными при проектировании допусками, причем очевидно, что допуски между двумя круглыми кольцами должны быть такими, чтобы эти кольца могли относительно легко не только входить в зацепление, но также и выходить из него вместо образования посадки с натягом, приводящей к некоторому заеданию. Кроме того, монтаж одной половины зубчатой муфты с поджатием пружиной означает, что даже если силовой агрегат соединен с вспомогательным механизмом и зубья половин зубчатой муфты сталкиваются друг с другом, это не имеет никакого значения, поскольку плавающая половина зубчатой муфты будет просто задвинута вовнутрь, преодолевая усилие поджатия пружиной, и соединение и фиксирование может быть продолжено в качестве одной операции, причем требуемое зацепление будет выполнено автоматически при повороте одной половины зубчатой муфты, например при пуске двигателя, т.е. натяжением пускового троса двигателя, посредством поджатия пружиной автоматически в осевом направлении, двигая вперед плавающую половину зубчатой муфты.

Каждая половина зубчатой муфты выполнена в виде полученной литьем под давлением отливки.

Полученные литьем под давлением отливки выполнены из сплава алюминия, предпочтительно LM2.

Каждая половина зубчатой муфты оснащена ступицей, причем зубья зубчатой муфты выполнены на одной стороне ступицы, а передающие крутящий момент зубья выполнены на другой стороне ступицы.

Зубчатая муфта содержит двенадцать зубьев, выполненные с шагом 30°.

Количество передающих крутящий момент зубьев равно шести, причем они выполнены с шагом 60°.

Хотя плавающая половина зубчатой муфты может быть ведущей или ведомой ступицей, предпочтительно, чтобы она была ведущей ступицей силового агрегата.

Выходной вал силового агрегата содержит на конце приводную головку, содержащую три зубца, выполненные с шагом 120°.

Зубцы характеризуются сегментообразным профилем с радиальными поверхностями. Упругий компонент расположен между приводной головкой и половиной зубчатой муфты силового агрегата.

Упругий компонент выполнен из резины, класс и состав которой обеспечивает компенсацию неоднократных сжатий и разжатий, а также по существу инертен по отношению к изменениям температуры.

Упругий компонент содержит шесть зубьев, выполненных с шагом 60°, причем каждый зуб на одной стороне выполнен с возможностью совмещения с одной передающей крутящий момент поверхностью зубца приводной головки. Упругий компонент посажен на металлический компонент, который может быть спеченным компонентом.

Шесть передающих крутящий момент ведущих зубьев половины зубчатой муфты силового агрегата выполнены с возможностью смыкания с зубьями упругого компонента.

Зубья по меньшей мере одной половины зубчатой муфты являются коническими, что способствует более точному смыканию с зубьями другой половины зубчатой муфты. Конус зуба является ассиметричным, что позволяет зубьям достигать низшей точки на конусе, тем самым обеспечивая беззазорное приводное зацепление зубчатой муфты. Асимметрия обеспечивает правильные углы для преодоления «выводящего из зацепления усилия», возникающего при условии, что крутящий момент на ведущем валу превышает обратный крутящий момент (это обеспечивается вспомогательным механизмом, содержащим большую вращающуюся массу, сохраняющую кинетическую энергию, например генератором).

Поджатие пружиной обеспечено спиральной пружиной сжатия, расположенной соосно относительно выходного вала, причем один конец спиральной пружины входит в зацепление с приводной головкой и другой конец входит в зацепление с половиной зубчатой муфты приводной головки.

Фиксирующее устройство представляет собой механическое фиксирующее устройство принудительного действия, предназначенное для надежного сцепления вспомогательного механизма с силовым агрегатом, предотвращая вращательное движение и движение в осевом направлении.

Фиксирующее устройство обеспечивает автоматическое фиксирование, когда вспомогательный механизм соединен с силовым агрегатом.

Фиксирующее устройство содержит группу установочных отверстий или выступов, выполненных в монтажной плите или на ней, предназначенных для сопряженного зацепления с соответствующими несколькими выступами или отверстиями, выполненными на крепежной планке вспомогательного механизма или в ней, причем между отверстиями или выступами выполнены поверхности ввода, обеспечивающие простое зацепление и точное центрирование.

Фиксирующее средство содержит три установочных отверстия и три выступа.

Каждый из выступов содержит увеличенную головку с направляющим вводным наконечником, причем часть в виде шейки расположена за головкой.

Выступы содержат два верхних выступа и один нижний выступ.

Часть в виде шейки каждого пальца находится в зацеплении посредством поджатой пружины и радиально подвижного рычага, установленного на фиксирующей пластине, установленной на силовом агрегате.

Предоставлены средства с ручным управлением для перемещения рычагов с преодолением усилия поджатия пружиной, когда необходимо отсоединить вспомогательный механизм от силового агрегата. Силовой агрегат установлен на раме.

Рама установлена на колесах и оснащена парой ручек для простого передвижения.

Рама содержит основную раму и подрамник, шарнирно прикрепленный к основной раме и раскладываемый из сложенного положения хранения/транспортировки в развернутое положение.

Подрамник механически прикреплен к основной раме, по меньшей мере, в своем развернутом положении.

Крепление подрамника к основной раме обеспечено парой управляемых вручную рычагов на каждой стороне основной рамы.

Управляемые вручную рычаги осуществляют фиксирование, действуя как кулачки.

Подрамник оснащен двумя находящимися на расстоянии опорными втулками, причем, если вспомогательный механизм характеризуется значительной массой, его нижняя сторона оснащена парой пальцев, зацепляемых с опорными втулками для снижения нагрузки на выступы фиксирующего средства.

Краткое описание чертежей

Два аспекта настоящего изобретения будут описаны далее только в качестве примеров со ссылками на прилагаемые фигуры, где:

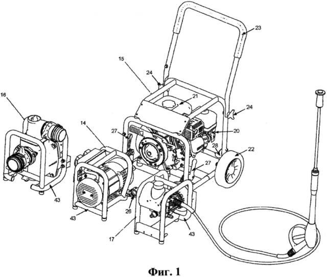
на фиг.1 представлен вид в перспективе одной стороны переднего конца передвижного силового агрегата и трех необязательных вспомогательных механизмов, которые можно прикрепить к силовому агрегату;

на фиг.2 представлен вид в перспективе задней и другой стороны силового агрегата, изображенного на фиг.1, с одним вспомогательным механизмом - электрическим генератором, изображенным на фиг.1, прикрепленным к силовому агрегату;

на фиг.3 представлен покомпонентный вид с одного конца одной полумуфты, установленной на силовой агрегат;

на фиг.4 представлен вид в произвольно увеличенном масштабе полумуфты, изображенной на фиг.3, с другого конца;

на фиг.5 представлен покомпонентный вид полумуфты, представленной на фиг.3 и 4, которую будут приводить в зацепление с зубчатой муфтой, другая полумуфта которой установлена на вспомогательном механизме;

на фиг.6 показаны зацепленные половины зубчатой муфты;

на фиг.7 представлен вид в разрезе соединенного силового агрегата и вспомогательного механизма; и

на фиг.8 представлен подробный вид в перспективе фиксирующего приспособления.

Подробное описание изобретения

На фиг.1 показан силовой агрегат 20, к которому буду присоединять с возможностью отсоединения с целью приведения в действие любой из нескольких вспомогательных механизмов, три из которых обозначены позициями 16, 14 и 17, в форме водяного насоса, генератора и насоса высокого давления соответственно. Силовой агрегат 20 выполнен в форме одноцилиндрового бензинового двигателя 21, установленного на трубчатой раме 15, оснащенной парой колес 22 с целью упрощения транспортировки, ручкой 23, закрепленной винтами 24, которую можно сложить из показанного вертикального положения в горизонтальное положение для более компактного хранения. Рама 21 также содержит на своем переднем конце U-образный подрамник 25, на котором установлены две разнесенные на некоторое расстояние втулки 26, при этом он может быть переведен посредством шарниров из показанного горизонтального положения в вертикальное компактное положение хранения/транспортировки при помощи соответствующего разъединения и блокировки двух рычагов 27 управления, по одному на каждой стороне передней части рамы 21, в то время как тормозной механизм 28 с ручным управлением действует на колеса 22.

На фиг.3, 4 и 5 показана полумуфта 29, установленная на силовом агрегате 20/двигателе 21 соосно с коленчатым валом 30 (см. фиг.7) двигателя 21.

Полумуфта 29 двигателя содержит приводную головку 1 с тремя передающими крутящий момент зубцами 31, расположенными с шагом 120° и содержащими радиальные передающие крутящий момент поверхности 32, а также выполненными с возможностью входить в три приемных отверстия 33, содержащие передающую крутящий момент поверхность 34 на одной стороне половины 5 зубчатой муфты, содержащей на своей другой стороне двенадцать зубьев 35, выполненных с шагом 30°. Между приводной головкой 1 и половиной 5 зубчатой муфты расположен резиновый компонент 3, содержащий шесть выступов 36, выполненных с шагом 60°, и центральное отверстие 37, через которое проходит стакан 31, в котором расположена спиральная пружина 39 сжатия, один конец которой расположен в нижней части стакана 31, а другой конец которой упирается в половину 5 зубчатой муфты так, что половина 5 зубчатой муфты установлена упруго, в то время как узел прикреплен к коленчатому валу 30 болтом 46, как показано на фиг.7.

Как показано на фиг.5, 6 и 7, к вспомогательному механизму 16, 14, 17 присоединена другая половина 7 зубчатой муфты. Половина 7 зубчатой муфты установлена на шлицах 41 входного вала 42 вспомогательного механизма 16, 14 или 17 и содержит двенадцать углублений, выполненных с шагом 30°, каждое для размещения зуба 35.

Для получения центрирования с обеспечением соосности вспомогательного механизма 16, 14 или 17 и двигателя 21 в соответствии с первым аспектом настоящего изобретения половина 5 зубчатой муфты оснащена круглым кольцом 18, а вспомогательный механизм оснащен круглым кольцом 19 большего диаметра, так что два кольца входят в зацепление с жесткими допусками, причем они легко разъединяемы при необходимости снятия вспомогательного механизма. По меньшей мере одна поверхность зацепления кольца может быть конической, а ведущая кромка кольца 19 большего диаметра содержит скошенную кромку, способствующую начальному зацеплению. При зацеплении, если относительные угловые положения зубьев 35 и углублений 38 не совмещены, то это не вызывает никаких негативных последствий, поскольку половина 5 зубчатой муфты в соответствии со вторым аспектом настоящего изобретения задвинута вовнутрь, преодолевая усилие поджатия пружины 4, причем зубчатое зацепление будет достигнуто автоматически при пуске двигателя 21 и последующем повороте половины 5 зубчатой муфты.

Для фиксации вспомогательного механизма 16, 14 или 17 относительно двигателя 21 на каждом вспомогательном механизме выполнены два верхних и один нижний установочные пальцы 8. Каждый палец 8 содержит конический передний наконечник 44, за которым находится шейка 45. Каждый из наконечников автоматически входит в зацепление с отверстием 46 в фиксирующей пластине 9, причем последняя содержит расположенный соосно и выполненный с возможностью вращения диск 10, поджатый пружинами 49 в замкнутое положение и оснащенный тремя отверстиями 50. В ходе установки вспомогательного механизма наконечники 44 поворачивают пластину 47 на несколько градусов против часовой стрелки (на фиг.7), преодолевая усилие поджатия пружин 4, до тех пор, пока после достаточного проникновения вхождение шеек 45 не позволит пружинам 49 повернуть диск обратно 10 по часовой стрелке. Ручка 13 для ручного управления установлена на диск 10 для поворота последнего против часовой стрелки с целью высвобождения пальцев 8, когда требуется осуществить отсоединение вспомогательного механизма.

Для относительно вспомогательных механизмов, характеризующихся относительно небольшой массой, зацепление колец 18, 19 и трех установочных пальцев 8 обеспечивает достаточную опору вспомогательному механизму. Однако, если вспомогательный механизм характеризуется относительно большой массой, тогда трубчатую раму 43 вспомогательного механизма оснащают парой находящихся на расстоянии пальцев 48 (фиг.2) для зацепления с втулками 26 во время установки и закрепления вспомогательного механизма 16, 14 или 17 на двигателе 21.

1. Муфта отбора мощности для соединения силового агрегата со вспомогательным механизмом, применяемым на строительных площадках, содержащая:(i) упругий компонент силовой передачи внутри муфты;(ii) фиксирующее устройство, предназначенное для механического фиксирования вспомогательного механизма и силовой установки и содержащее разъединяющий механизм с ручным управлением, применяемый при необходимости расфиксирования;(iii) выходной приводной вал силового агрегата, на котором установлена одна половина зубчатой муфты, причем другая половина установлена на приводимом в действие вспомогательном механизме; и(iv) приспособление для центрирования силового агрегата и вспомогательного механизма, применяемого на строительных площадках, содержащее первое круглое кольцо, соосно прикрепленное к выходному валу в сборе силового агрегата, и второе круглое кольцо, соосно прикрепленное к входному валу в сборе приводимого в действие вспомогательного механизма, причем диаметры двух колец отличаются таким образом, что одно круглое кольцо выполнено с возможностью соосного зацепления с другим круглым кольцом с соблюдением жестких допусков так, что внешняя окружность круглого кольца меньшего диаметра входит в зацепление, по меньшей мере, с участками внутренней окружности круглого кольца большего диаметра с обеспечением точного соосного центрирования выходного приводного вала силового агрегата и входного приводного вала вспомогательного механизма.

2. Муфта по п. 1, отличающаяся тем, что каждая половина зубчатой муфты выполнена в виде полученной литьем под давлением отливки.

3. Муфта по п. 2, отличающаяся тем, что полученные литьем под давлением отливки выполнены из сплава алюминия, предпочтительно LM2.

4. Муфта по п. 1, отличающаяся тем, что каждая половина зубчатой муфты оснащена ступицей, причем зубья зубчатой муфты выполнены на одной стороне ступицы, а передающие крутящий момент зубья выполнены на другой стороне ступицы.

5. Муфта по п. 4, отличающаяся тем, что зубчатая муфта содержит двенадцать зубьев, выполненных с шагом 30°.

6. Муфта по п. 4, отличающаяся тем, что количество передающих крутящий момент зубьев равно шести, причем они выполнены с шагом 60°.

7. Муфта по п. 1, отличающаяся тем, что выходной вал силового агрегата содержит на конце приводную головку, содержащую три зубца, выполненных с шагом 120°.

8. Муфта по п. 7, отличающаяся тем, что зубцы характеризуются сегментообразным профилем с радиальными поверхностями.

9. Муфта по п. 1, отличающаяся тем, что упругий компонент расположен между приводной головкой и половиной зубчатой муфты силового агрегата.

10. Муфта по п. 1, отличающаяся тем, что упругий компонент выполнен из резины, класс и состав которой обеспечивает компенсацию неоднократных сжатий и разжатий, а также по существу инертен по отношению к изменениям температуры.

11. Муфта по п. 1, отличающаяся тем, что упругий компонент содержит шесть зубьев, выполненных с шагом 60°, причем каждый зуб на одной стороне выполнен с возможностью совмещения с одной передающей крутящий момент поверхностью зубца приводной головки.

12. Муфта по п. 1, отличающаяся тем, что упругий компонент посажен на металлический компонент.

13. Муфта по п. 12, отличающаяся тем, что металлический компонент представляет собой спеченный компонент.

14. Муфта по любому из пп. 11-13, отличающаяся тем, что шесть передающих крутящий момент ведущих зубьев половины зубчатой муфты силового агрегата выполнены с возможностью смыкания с зубьями упругого компонента.

15. Муфта по п. 1, отличающаяся тем, что зубья по меньшей мере одной половины зубчатой муфты являются коническими, что способствует более точному смыканию с зубьями другой половины зубчатой муфты.

16. Муфта по п. 15, отличающаяся тем, что конус зуба является ассиметричным.

17. Муфта по п. 1, отличающаяся тем, что фиксирующее устройство представляет собой механическое фиксирующее устройство принудительного действия, предназначенное для надежного сцепления вспомогательного механизма с силовым агрегатом, предотвращая вращательное движение и движение в осевом направлении.

18. Муфта по п. 1, отличающаяся тем, что фиксирующее устройство обеспечивает автоматическое фиксирование, когда вспомогательный механизм соединен с силовым агрегатом.

19. Муфта по п. 1, отличающаяся тем, что фиксирующее устройство содержит группу установочных отверстий или выступов, выполненных в монтажной плите или на ней и предназначенных для сопряженного зацепления с соответствующими несколькими выступами или отверстиями, выполненными на крепежной планке вспомогательного механизма или в ней, причем между отверстиями или выступами выполнены поверхности ввода, обеспечивающие простое зацепление и точное центрирование.

20. Муфта по п. 19, отличающаяся тем, что фиксирующее средство содержит три установочных отверстия и три выступа.

21. Муфта по п. 20, отличающаяся тем, что каждый из выступов содержит увеличенную головку с направляющим вводным наконечником, причем часть в виде шейки расположена за головкой.

22. Муфта по п. 19 или 20, отличающаяся тем, что выступы содержат два верхних выступа и один нижний выступ.

23. Муфта по п. 21, отличающаяся тем, что часть в виде шейки каждого пальца находится в зацеплении посредством поджатой пружины и радиально подвижного рычага, установленного на фиксирующей пластине, установленной на силовом агрегате.

24. Муфта по п. 23, отличающаяся тем, что предоставлены средства с ручным управлением для перемещения рычагов с преодолением усилия поджатия пружиной, когда необходимо отсоединить вспомогательный механизм от силового агрегата.

25. Муфта по п. 1, отличающаяся тем, что силовой агрегат установлен на раме.

26. Муфта по п. 25, отличающаяся тем, что рама установлена на колесах и оснащена парой ручек для простого передвижения.

27. Муфта по п. 25, отличающаяся тем, что рама содержит основную раму и подрамник, шарнирно прикрепленный к основной раме и раскладываемый из сложенного положения хранения/транспортировки в развернутое положение.

28. Муфта по п. 27, отличающаяся тем, что подрамник механически прикреплен к основной раме, по меньшей мере, в своем развернутом положении.

29. Муфта по п. 28, отличающаяся тем, что крепление подрамника к основной раме обеспечено парой управляемых вручную рычагов на каждой стороне основной рамы.

30. Муфта по п. 31, отличающаяся тем, что управляемые вручную рычаги осуществляют фиксирование, действуя как кулачки.

31. Муфта по п. 27, отличающаяся тем, что подрамник оснащен двумя находящимися на расстоянии опорными втулками, причем, если вспомогательный механизм характеризуется значительной массой, его нижняя сторона оснащена парой пальцев, зацепляемых с опорными втулками для снижения нагрузки на выступы фиксирующего средства.