Интерактивная система, способ управления для интерактивной системы и проектор

Иллюстрации

Показать все

Изобретение относится к системам проецирования изображений. Технический результат – уменьшение помехи сигнала синхронизации с другим проектором посредством изменения интенсивности сигнала синхронизации. Интерактивная система, содержащая: передатчик, сконфигурированный для передачи оптического сигнала; и проектор, причем проектор включает в себя: блок установки интенсивности сигнала, в котором установлена информация интенсивности сигнала синхронизации; блок управления интенсивностью сигнала, сконфигурированный для управления интенсивностью сигнала синхронизации на основе установки параметров блока установки интенсивности сигнала; блок передачи сигнала синхронизации, сконфигурированный для передачи сигнала синхронизации; и блок захвата изображения, сконфигурированный для захвата изображения оптического сигнала, переданного от передатчика, и передатчик включает в себя: блок приема, сконфигурированный для приема сигнала синхронизации; и блок передачи оптического сигнала, сконфигурированный для передачи оптического сигнала синхронно с сигналом синхронизации, принятым блоком приема, при этом проектор дополнительно включает в себя блок приема сигнала синхронизации, сконфигурированный для приема сигнала синхронизации, и когда блок приема сигнала синхронизации принимает второй сигнал синхронизации от другого проектора, блок передачи сигнала синхронизации передает сигнал синхронизации синхронно со вторым сигналом синхронизации. 3 н. и 4 з.п. ф-лы, 6 ил.

Реферат

ОБЛАСТЬ ТЕХНИКИ, К КОТОРОЙ ОТНОСИТСЯ ИЗОБРЕТЕНИЕ

[0001] Настоящее изобретение относится к интерактивной системе, способу управления для интерактивной системы и проектору.

ПРЕДШЕСТВУЮЩИЙ УРОВЕНЬ ТЕХНИКИ

[0002] Была предложена интерактивная система, которая проецирует изображение, которое основано на сигнале изображения, выведенном из компьютера, на электронную «доску» или подобное посредством проектора, захватывает изображение спроецированного изображения посредством устройства захвата изображения и распознает операцию пользователя, примененную к спроецированному изображению, посредством компьютера.

[0003] Например, известна система презентации, включающая в себя компьютер, устройство видеоотображения типа проекции (проектор), которое проецирует видео на проекционную поверхность, такую как экран, устройство выборочной передачи, которое передает свет в конкретном диапазоне длин волны, устройство захвата изображения, которое захватывает изображение экрана или подобного, и указывающий манипулятор (указатель), которая используется для указания части видео и излучает инфракрасный свет из своего дальнего конца (PTL 1). В такой системе презентации (интерактивной системе) возможно наложить визуализированное видео, визуализированное посредством указывающего манипулятора (указателя), на основное видео.

[0004] Также известна система ввода информации (интерактивная система), которая включает в себя в электронной ручке (устройстве ввода информации) блок отражения, имеющий предварительно определенный шаблон отражения, задает позицию блока отражения на основе результата обнаружения, полученного посредством обнаружения компонента длины волны в отраженном свете, и задает введенную позицию информации посредством электронной ручки на основе позиции блока отражения.

[Список цитат]

[Патентная Литература]

[0005] [PTL 1] JP-A- 2011-28629

[PTL 2] JP-A-2011-204059

СУЩНОСТЬ ИЗОБРЕТЕНИЯ

ТЕХНИЧЕСКАЯ ПРОБЛЕМА

[0006] Существует интерактивная система, которая передает инфракрасный сигнал для синхронизации от проектора к светоизлучающей ручке (электронной ручке) и синхронизирует тактирование (распределение моментов времени) светового излучения светоизлучающей ручки и тактирование захвата изображения блока захвата изображения, включенного в проектор. Однако, когда используется множество интерактивных систем, в то же время расположенных бок о бок, в некоторых случаях инфракрасные сигналы для синхронизации, испускаемые из проекторов соответствующих интерактивных систем, препятствуют друг другу, и синхронизация со светоизлучающими ручками соответствующих интерактивных систем не может быть корректно выполнена.

РЕШЕНИЕ ПРОБЛЕМЫ

[0007] Преимущество некоторых аспектов настоящего изобретения должно решить по меньшей мере часть проблем, описанных выше, и настоящее изобретение может быть реализовано как последующие формы или примеры применения.

[0008] ПРИМЕР ПРИМЕНЕНИЯ 1

Этот пример применения направлен на интерактивную систему, включающую в себя: передатчик, сконфигурированный для передачи оптического сигнала; и проектор. Проектор включает в себя: блок установки интенсивности сигнала, в котором установлена информация интенсивности сигнала синхронизации; блок управления интенсивностью сигнала, сконфигурированный для управления интенсивностью сигнала синхронизации на основе установки блока установки интенсивности сигнала; блок передачи сигнала синхронизации, сконфигурированный для передачи сигнала синхронизации; и блок захвата изображения, сконфигурированный для захвата изображения оптического сигнала, переданного от передатчика. Передатчик включает в себя: блок приема, сконфигурированный для приема сигнала синхронизации; и блок передачи оптического сигнала, сконфигурированный для передачи оптического сигнала в синхронизации с сигналом синхронизации, принятым посредством блока приема.

[0009] Посредством такой интерактивной системы информация интенсивности сигнала синхронизации, который должен быть передан, устанавливается в блоке установки интенсивности сигнала проектора. Блок управления интенсивностью сигнала управляет интенсивностью сигнала синхронизации на основе установки параметров блока установки интенсивности сигнала. Блок передачи сигнала синхронизации передает сигнал синхронизации. Передатчик передает оптический сигнал в синхронизации с принятым сигналом синхронизации. Следовательно, посредством изменения интенсивности сигнала синхронизации возможно уменьшить помехи сигнала синхронизации с другими интерактивными системами. Соответствующие проекторы могут быть синхронизированы с передатчиками проекторов.

[0010] ПРИМЕР ПРИМЕНЕНИЯ 2

Этот пример применения направлен на интерактивную систему в соответствии с примером применения, описанным выше, в которой проектор дополнительно включает в себя блок приема сигнала синхронизации, сконфигурированный для приема сигнала синхронизации. Когда блок приема сигнала синхронизации принимает второй сигнал синхронизации от другого проектора, блок передачи сигнала синхронизации передает сигнал синхронизации в синхронизации со вторым сигналом синхронизации.

[0011] Посредством такой интерактивной системы, когда блок приема сигнала синхронизации принимает второй сигнал синхронизации от другого проектора, блок передачи сигнала синхронизации передает сигнал синхронизации в синхронизации со вторым сигналом синхронизации. Следовательно, так как передатчик синхронизирован со вторым сигналом синхронизации, переданным от другого проектора, соответствующие проекторы могут быть синхронизированы с передатчиками проекторов.

[0012] ПРИМЕР ПРИМЕНЕНИЯ 3

Этот пример применения направлен на интерактивную систему в соответствии с примером применения, описанным выше, в которой блок передачи сигнала синхронизации включает в себя излучающий инфракрасный свет диод. Сигнал синхронизации, переданный блоком передачи сигнала синхронизации, является инфракрасным сигналом.

[0013] Посредством такой интерактивной системы сигнал синхронизации является инфракрасным сигналом. Следовательно, проектор и передатчик могут быть синхронизированы друг с другом.

[0014] ПРИМЕР ПРИМЕНЕНИЯ 4

Этот пример применения направлен на интерактивную систему в соответствии с примером применения, описанным выше, в которой блок передачи сигнала синхронизации включает в себя множество излучающих инфракрасный свет диодов. Блок управления интенсивностью сигнала изменяет количество излученных светов из множества излучающих инфракрасный свет диодов, чтобы управлять интенсивностью сигнала синхронизации.

[0015] Посредством такой интерактивной системы блок управления интенсивностью сигнала может изменять интенсивность сигнала синхронизации посредством изменения количества излученных светов из множества излучающих инфракрасный свет диодов.

[0016] ПРИМЕР ПРИМЕНЕНИЯ 5

Этот пример применения направлен на интерактивную систему в соответствии с примером применения, описанным выше, в которой проектор дополнительно включает в себя: блок приема операции, сконфигурированный для приема предварительно определенной операции; и блок управления, сконфигурированный для установки, когда блок приема операции принимает предварительно определенную операцию, информации интенсивности сигнала синхронизации на основании предварительно определенной операции в блоке установки интенсивности сигнала.

[0017] Посредством такой интерактивной системы, когда блок приема операции принимает предварительно определенную операцию, блок управления устанавливает информацию интенсивности сигнала синхронизации на основании предварительно определенной операции в блоке установки интенсивности сигнала. Следовательно, пользователь может изменить интенсивность сигнала синхронизации.

[0018] ПРИМЕР ПРИМЕНЕНИЯ 6

Этот пример применения направлен на способ управления для интерактивной системы, включающей в себя передатчик, сконфигурированный для передачи оптического сигнала, и проектора, включающего в себя блок установки интенсивности сигнала, в котором установлена информация интенсивности сигнала синхронизации. Способ включает в себя: этап установки интенсивности сигнала проектора, управляющего интенсивностью сигнала синхронизации на основе установки блока установки параметров интенсивности сигнала; этап передачи сигнала синхронизации проектора, передающего сигнал синхронизации; этап захвата изображения проектора, захватывающего изображение оптического сигнала, переданного от передатчика; этап приема для передатчика, принимающего сигнал синхронизации; и этап передачи оптического сигнала для передатчика, передающего оптический сигнал в синхронизации с сигналом синхронизации, принятым посредством этапа приема.

[0019] Посредством такого способа управления для интерактивной системы посредством изменения интенсивности сигнала синхронизации возможно уменьшить помехи сигнала синхронизации с другими интерактивными системами. Соответствующие проекторы могут быть синхронизированы с передатчиками проекторов.

[0020] ПРИМЕР ПРИМЕНЕНИЯ 7

Этот пример применения направлен на проектор, включающий в себя: блок установки интенсивности сигнала, в котором установлена информация интенсивности сигнала синхронизации; блок управления интенсивностью сигнала, сконфигурированный для управления интенсивностью сигнала синхронизации на основе установки параметров блока установки интенсивности сигнала; и блок передачи сигнала синхронизации, сконфигурированный для передачи сигнала синхронизации.

[0021] Посредством такого проектора информация интенсивности сигнала синхронизации, который должен быть передан, установлена в блоке установки интенсивности сигнала. Блок управления интенсивностью сигнала управляет интенсивностью сигнала синхронизации на основе установки параметров блока установки интенсивности сигнала. Блок передачи сигнала синхронизации передает сигнал синхронизации. Следовательно, посредством изменения интенсивности сигнала синхронизации возможно уменьшить помехи сигнала синхронизации с другими интерактивными системами.

[0022] Когда интерактивная система, способ управления для интерактивной системы и проектор сконструированы, используя компьютер, включенный в проектор, формы и примеры применений могут быть также сконфигурированы в форме, например, программы для реализации функций форм и примеров применения или запоминающего носителя, имеющего программу, записанную на нем, чтобы быть считанной посредством компьютера. В качестве запоминающего носителя возможно использовать различные носители, считываемые посредством компьютера, такие как гибкий диск, HDD (жесткий диск), CD-ROM (постоянное запоминающее устройство на основе компакт-диска), DVD (универсальный цифровой диск), диск blu-ray (зарегистрированный товарный знак), магнитно-оптический диск, карточка энергонезависимой памяти, внутренние запоминающие устройства (полупроводниковые запоминающие устройства, такие как RAM (оперативное запоминающее устройство) и ROM (постоянное запоминающее устройство)) проектора и внешнее запоминающее устройство (память USB (универсальная последовательная шина) и т.д.).

КРАТКОЕ ОПИСАНИЕ ЧЕРТЕЖЕЙ

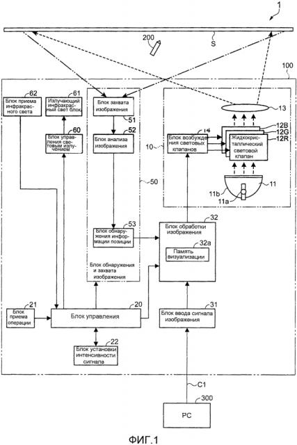
[0023] [Фиг. 1] Фиг. 1 является блок-схемой, показывающей конфигурацию интерактивной системы, в соответствии с вариантом осуществления.

[Фиг. 2] Фиг. 2 является блок-схемой, показывающей конфигурацию светоизлучающей ручки, в соответствии с вариантом осуществления.

[Фиг. 3] Фиг. 3 является диаграммой тактирования, представляющей тактирование синхронизации в интерактивной системе.

[Фиг. 4] Фиг. 4 является пояснительной диаграммой интерактивных систем, обеспеченных бок-о-бок.

[Фиг. 5] Фиг. 5 является пояснительной диаграммой изображения меню для установки интенсивности светового излучения.

[Фиг. 6] Фиг. 6 является блок-схемой обработки переключения интенсивности инфракрасного светового излучения проектора.

ОПИСАНИЕ ВАРИАНТА ОСУЩЕСТВЛЕНИЯ

[0024] ВАРИАНТ ОСУЩЕСТВЛЕНИЯ

В качестве варианта осуществления объясняется интерактивная система, которая захватывает изображение спроецированного изображения и обнаруживает операцию в спроецированном изображении на основе изображения захвата.

[0025] Фиг. 1 является блок-схемой, показывающей конфигурацию интерактивной системы, в соответствии с этим вариантом осуществления.

На Фиг. 1 в качестве интерактивной системы 1 показаны светоизлучающая ручка 200, функционирующая как передатчик, проектор 100, персональный компьютер 300 (PC) и проекционная поверхность S, такая как электронная «доска».

[0026] Проектор 100 включает в себя блок 10 проецирования изображения, блок 20 управления, блок 21 приема операции, блок 22 установки интенсивности сигнала, блок 31 ввода сигнала изображения, блок 32 обработки изображения, блок 50 захвата и обнаружения изображения, блок 60 управления световым излучением, функционирующий как блок управления интенсивностью сигнала, излучающий инфракрасный свет блок 61, функционирующий как блок передачи сигнала синхронизации, и блок 62 приема инфракрасного света, функционирующий как блок приема сигнала синхронизации.

[0027] Блок 10 проецирования изображения включает в себя источник 11 света, три жидкокристаллических световых клапана 12R, 12G и 12B, функционирующих как устройства световой модуляции, проекционную линзу 13, функционирующую как проекционная оптическая система, и блок 14 возбуждения световых клапанов. Блок 10 проецирования изображения модулирует свет, излучаемый от источника 11 света, в жидкокристаллических световых клапанах 12R, 12G и 12B, чтобы сформировать свет изображения, и проецирует свет изображения от проекционной линзы 13, чтобы отобразить свет изображения, на проекционную поверхность S или подобное.

[0028] Источник 11 света включает в себя лампу 11a источника света разрядного типа, сконфигурированную посредством ртутной лампы сверхвысокого давления, металлической галогенной лампы или подобного, и блок отражения 11b, сконфигурированный для отражения света, излучаемого посредством лампы 11a источника света, на сторону жидкокристаллических световых клапанов 12R, 12G и 12B. Свет, излучаемый от источника 11 света, преобразуется в света, имеющие по существу однородные распределения яркости, посредством непоказанной оптической системы интегратора, и после разделения на цветовые световые компоненты красного R, зеленого G и синего B, которые являются тремя основными цветами света, посредством непоказанной оптической системы разделения цветов, соответственно сделанные падающими на жидкокристаллические световые клапаны 12R, 12G, и 12B.

[0029] Жидкокристаллические световые клапаны 12R, 12G, и 12B сконфигурированы, например, жидкокристаллической панелью, в которой жидкий кристалл инкапсулирован между парой прозрачных подложек. В жидкокристаллических световых клапанах 12R, 12G и 12B сформировано множество пикселей (не показаны на фигуре), упорядоченных в матричной форме. Напряжение возбуждения может быть приложено к жидкому кристаллу для каждого из пикселей. Когда блок 14 возбуждения световых клапанов прикладывает напряжения возбуждения, соответствующие введенной информации об изображении, к пикселям, пиксели устанавливаются на коэффициент светопропускания, соответствующий информации изображения. Поэтому световое излучение от источника 11 света модулируется, будучи пропущенным через жидкокристаллические световые клапаны 12R, 12G и 12B. Изображение, соответствующее информации изображения, формируется для каждого из цветовых светов. Сформированные изображения цветов комбинируются для каждого из пикселей посредством непоказанной оптической системы комбинации цветов в цветовое изображение, и затем цветовое изображение проецируется от проекционной линзы 13.

[0030] Блок 20 управления включает в себя CPU (Центральный процессор), RAM, используемое для, например, временного хранения различных данных, и энергонезависимую память, такую как маскирующее ROM, флэш-память или FeRAM (сегнетоэлектрическое RAM) (все из которых не показаны на этой фигуре). Блок 20 управления функционирует как компьютер. CPU работает в соответствии с программой управления, сохраненной в энергонезависимой памяти, посредством которой блок 20 управления коллективно управляет операцией проектора 100. Блок 20 управления включает в себя таймер и средства, например, тактирования для передачи сигнала синхронизации и захвата изображения блока 51 захвата изображения.

[0031] Блок 21 приема операции принимает введенную операцию от пользователя. Блок 21 приема операции включает в себя множество операционных клавиш для пользователя, чтобы давать различные команды проектору 100. В качестве операционных клавиш, включенных в блок 21 приема операции, есть клавиша питания для включения и выключения электропитания, клавиша меню для переключения отображения и не отображения изображения меню для выполнения различного рода установок параметров, клавиша курсора, используемая для, например, перемещения курсора по изображению меню, клавиша определения для определения различного рода установок параметров и подобное. Когда пользователь оперирует (нажимает на) операционными клавишами блока 21 приема операции, блок 21 приема операции принимает введенную операцию и выводит операционный сигнал, соответствующий операционным контентам пользователя, в блок 20 управления.

[0032] В качестве блока 21 приема операции может быть использован удаленный контроллер (не показан на этой фигуре), которым можно оперировать удаленно. В этом случае удаленный контроллер передает операционный сигнал инфракрасного луча или подобное, соответствующее операционным контентам пользователя. Блок приема удаленного сигнала контроллера принимает операционный сигнал и передает операционный сигнал на блок 20 управления. В этом варианте осуществления блок 62 приема инфракрасного света также функционирует как блок приема сигнала удаленного контроллера.

[0033] Блок 22 установки интенсивности сигнала сконфигурирован энергонезависимой памятью. Информация интенсивности для интенсивности светового излучения инфракрасного сигнала (сигнала синхронизации), переданная от излучающего инфракрасный свет блока 61, управляемого блоком 60 управления световым излучением, устанавливается и сохраняется в блоке 22 установки интенсивности сигнала. В этом варианте осуществления в блоке 22 установки интенсивности сигнала "нормальный режим" для светового излучения в нормальной интенсивности светового излучения или "слабый режим" для светового излучения в интенсивности светового излучения, которая ниже, чем нормальная интенсивность светового излучения, может быть установлен как значение установки параметров информации интенсивности для интенсивности светового излучения.

[0034] В блоке 31 ввода сигнала изображения обеспечен терминал ввода (не показан на этой фигуре) для соединения с PC 300 с помощью кабеля C1. Сигнал изображения вводится в блок 31 ввода сигнала изображения от PC 300. Блок 31 ввода сигнала изображения преобразует введенный сигнал изображения в информацию изображения формы, обрабатываемой блоком 32 обработки изображения, и выводит информацию изображения в блок 32 обработки изображения.

[0035] Блок 32 обработки изображения преобразует информацию изображения, введенную от блока 31 ввода сигнала изображения, в данные изображения, представляющие оттенки изображения пикселей жидкокристаллических световых клапанов 12R, 12G и 12B, и выводит данные изображения в блок 14 возбуждения световых клапанов. Преобразованные данные изображения являются данными изображения посредством цветовых светов R, G и B. Преобразованные данные изображения сконфигурированы множеством пиксельных значений, соответствующих всем пикселям жидкокристаллических световых клапанов 12R, 12G и 12B. Пиксельные значения определяют коэффициенты светопропускания пикселей, соответствующих им. Интенсивности (оттенки) светов, излучаемых от пикселей, определены пиксельными значениями. Блок 32 обработки изображения применяет, на основе команды блока 20 управления, например, обработку регулирования качества изображения для регулирования яркости, контраста, четкости, тона и подобного, к преобразованным данным изображения. Дополнительно, блок 32 обработки изображения генерирует данные изображения для изображения меню или подобного на основе команды блока 20 управления.

[0036] Блок 32 обработки изображения включает в себя память 32a визуализации. Память 32a визуализации сохраняет данные визуализации на основании операции визуализации посредством светоизлучающей ручки 200.

[0037] Блок 32 обработки изображения принимает информацию позиции светоизлучающей ручки 200 от блока 50 захвата и обнаружения изображения. Информация позиции является информацией, визуализирующей позицию, указанную светоизлучающей ручкой 200, в изображении (изображении отображения), отображенном блоком 10 проецирования изображения. Блок 32 обработки изображения сохраняет данные визуализации в памяти 32a визуализации на основе позиции, в которой выполняется операция визуализации светоизлучающей ручки 200. Блок 32 обработки изображения комбинирует данные визуализации памяти 32a визуализации с данными, введенными от блока 31 ввода сигнала изображения, и выводит скомбинированные данные изображения в блок 14 возбуждения световых клапанов.

[0038] Когда блок 14 возбуждения световых клапанов возбуждает жидкокристаллические световые клапаны 12R, 12G и 12B в соответствии с данными изображения, введенными от блока 32 обработки изображения, жидкокристаллические световые клапаны 12R, 12G и 12B формируют изображение, соответствующее данным изображения. Изображение проецируется из проекционной линзы 13.

[0039] Блок 50 захвата и обнаружения изображения включает в себя блок 51 захвата изображения, блок 52 анализа изображения и блок 53 обнаружения информации позиции. Блок 50 захвата и обнаружения изображения управляется блоком 20 управления. Блок 50 захвата и обнаружения изображения захватывает изображение проекционной поверхности S, анализирует изображение и обнаруживает позицию светоизлучающей ручки 200.

[0040] Блок 51 захвата изображения включает в себя устройство захвата изображения или подобное (не показано на этой фигуре), сконфигурированное посредством датчика CCD (устройство с зарядовой связью), датчика CMOS (комплементарный металло-окисный полупроводник) или подобного, и линзу захвата изображения (не показана на фигуре) для фокусировки света, излучаемого от цели захвата изображения, на устройстве захвата изображения. Блок 51 захвата изображения скомпонован вблизи проекционной линзы 13 проектора 100. Блок 51 захвата изображения захватывает изображение пространства, включающего в себя изображение, спроецированное на проекционную поверхность S (в дальнейшем также называемое "проекционным изображением") на основе команды блока 20 управления. Блок 51 захвата изображения последовательно генерирует информацию изображения, представляющую захваченное изображение (в дальнейшем также называемое "изображением захвата") и выводит информацию изображения в блок 52 анализа изображения.

[0041] Блок 52 анализа изображения включает в себя устройство обработки, память и подобное для анализа изображения (все из которых не показаны на этой фигуре). Блок 52 анализа изображения выполняет анализ информации изображения для изображения захвата, введенного от блока 51 захвата изображения. Блок 52 анализа изображения выводит результат анализа в блок 53 обнаружения информации позиции. Блок 52 анализа изображения преобразует информацию позиции в отношении изображения захвата в информацию позиции в отношении изображения на основании сигнала изображения.

[0042] Блок 53 обнаружения информации позиции обнаруживает информацию позиции светоизлучающей ручки 200 на основе результата анализа блока 52 анализа изображения. Блок 53 обнаружения информации позиции выводит информацию позиции светоизлучающей ручки 200 в блок 32 обработки изображения.

[0043] Программное обеспечение (драйвер устройства) для использования светоизлучающей ручки 200 в качестве устройства визуализации (передатчика) сохраняется в энергонезависимой памяти блока 20 управления. В состоянии, в котором запускается программное обеспечение, блок 32 обработки изображения распознает, на основе информации позиции, введенной от блока 50 захвата и обнаружения изображения, каждую из позиций, в которой выполняется операция визуализации светоизлучающей ручки 200 в спроецированном изображении. Блок 32 обработки изображения вынуждает память 32a визуализации сохранять данные визуализации и выводит данные изображения на основании данных визуализации в блок 14 возбуждения световых клапанов.

[0044] Блок 60 управления световым излучением управляет световым излучением излучающего инфракрасный свет блока 61 на основе команды блока 20 управления. В частности, блок 60 управления световым излучением может осветить излучающий инфракрасный свет диод, включенный в излучающий инфракрасный свет блок 61, посредством подачи электроэнергии в излучающий инфракрасный свет диод, и погасить излучающий инфракрасный свет диод посредством прекращения подачи электроэнергии.

[0045] Блок 60 управления световым излучением может управлять интенсивностью светового излучения инфракрасного сигнала, испускаемого излучающим инфракрасным свет блоком 61. В этом варианте осуществления излучающий инфракрасный свет блок 61 включает в себя множество излучающих инфракрасный свет диодов. Блок 60 управления световым излучением переключает количество излучающих инфракрасный свет диодов, которые вынуждены излучать света, чтобы управлять интенсивностью светового излучения. В частности, блок 60 управления световым излучением может переключать инфракрасные светоизлучающие диоды на нормальный режим для освещения и погашения всех излучающих инфракрасный свет диодов, и слабый режим для освещения и погашения части излучающих инфракрасный свет диодов.

[0046] Излучающий инфракрасный свет блок 61 сконфигурирован излучающим инфракрасным свет устройством (не показано на этой фигуре) или подобным, включающим в себя излучающий инфракрасный свет диод. Излучающий инфракрасный свет блок 61 вынуждает излучающий инфракрасный свет диод излучать свет на основе информации управления, введенной от блока 60 управления световым излучением, и передает инфракрасный сигнал на внешнюю сторону. В частности, излучающий инфракрасный свет блок 61 передает сигнал синхронизации инфракрасного света.

[0047] Блок 62 приема инфракрасного света включает в себя модуль приема инфракрасного света. Блок 62 приема инфракрасного света принимает инфракрасный сигнал, испускаемый от другого проектора или подобного, и уведомляет блок 20 управления об инфракрасном сигнале. В этом варианте осуществления блок 62 приема инфракрасного света используется также в качестве блока приема сигнала удаленного контроллера.

[0048] Ниже поясняется светоизлучающая ручка 200. Светоизлучающая ручка 200 включает в себя, в части дальнего конца (наконечник ручки) подобного ручке основного корпуса, кнопочный выключатель, блок приема ручки, функционирующий как блок приема, сконфигурированный для приема сигнала синхронизации, и светоизлучающий диод, сконфигурированный для излучения инфракрасного света в качестве оптического сигнала.

Фиг. 2 является блок-схемой, показывающей конфигурацию светоизлучающей ручки 200, в соответствии с этим вариантом осуществления.

[0049] Светоизлучающая ручка 200 включает в себя блок 220 управления ручкой, кнопочный выключатель 221, блок приема 230 ручки, сконфигурированный для приема инфракрасного сигнала, который является сигналом синхронизации, и светоизлучающий диод 240, сконфигурированный для излучения инфракрасного света. Когда пользователь выполняет операцию (операцию нажатия) для нажатия на наконечник ручки светоизлучающей ручки 200 относительно проекционной поверхности S и нажимает на кнопочный выключатель 221, блок 220 управления ручкой вынуждает светоизлучающий диод 240 излучать свет, который должен быть синхронизирован с сигналом синхронизации, принятым блоком 230 приема ручки. Блок управления 220 ручкой и светоизлучающий диод 240 эквивалентны блоку передачи оптического сигнала.

[0050] Объясняется тактирование сигнала синхронизации, испускаемого из излучающего инфракрасный свет блока 61 проектора 100, тактирование, когда светоизлучающая ручка 200 излучает свет, и тактирование, когда проектор 100 захватывает изображение излучаемого света светоизлучающей ручки 200.

Фиг. 3 является диаграммой тактирования, представляющей тактирование синхронизации в интерактивной системе 1.

[0051] Как показано на Фиг. 3, сигнал синхронизации, переданный излучающим инфракрасным свет блоком 61 проектора 100, выводится во временном интервале t1. Блок 20 управления, включающий в себя таймер, дает команду блоку 60 управления световым излучением вынуждать излучающий инфракрасный свет блок 61 передавать сигнал синхронизации. В светоизлучающей ручке 200 блок приема принимает сигнал синхронизации. После времени t2 от приема сигнала синхронизации светоизлучающая ручка 200 вынуждает светоизлучающий диод излучать свет. Блок 51 захвата изображения проектора 100 захватывает световое излучение светоизлучающей ручки 200 после времени t3 от передачи сигнала синхронизации посредством излучающего инфракрасный свет блока 61 в соответствии с командой от блока 20 управления. Время t3 больше, чем время t2.

[0052] При таких тактированиях (распределениях времени) излучающий инфракрасный свет блок 61 проектора 100 передает сигнал синхронизации, светоизлучающая ручка 200 излучает свет, и блок 51 захвата изображения проектора 100 захватывает изображение. Поэтому проектор 100 может корректно захватить изображение излучаемого света светоизлучающей ручки 200.

[0053] Объясняется форма, в которой установлено множество интерактивных систем.

Фиг. 4 является пояснительной диаграммой интерактивных систем, обеспеченных бок-о-бок.

[0054] Как показано на Фиг. 4, интерактивная система 1 включает в себя светоизлучающую ручку 200 и проектор 100. Интерактивная система 1 установлена напротив проекционной поверхности S. Проектор 100 включает в себя излучающий инфракрасный свет блок 61 и блок 62 приема инфракрасного света. Интерактивная система 2 включает в себя светоизлучающую ручку 600 и проектор 500. Интерактивная система 2 установлена напротив проекционной поверхности S1. Проектор 500 включает в себя излучающий инфракрасный свет блок 561 и блок 562 приема инфракрасного света. Интерактивная система 1 и интерактивная система 2 обеспечены бок-о-бок.

[0055] Когда интерактивные системы обеспечены бок-о-бок, таким образом, в некотором случае, инфракрасный сигнал, испускаемый от проектора одной интерактивной системы, принимается посредством светоизлучающей ручки другой интерактивной системы. Фиг. 4 показывает форму, в которой инфракрасный сигнал IR, испускаемый излучающим инфракрасным свет блоком 561 проектора 500, принимается светоизлучающей ручкой 200 интерактивной системы 1. Так как светоизлучающая ручка 200 используется около проекционной поверхности S, светоизлучающая ручка 200 часто принимает инфракрасный сигнал IR, отраженный проекционной поверхностью S.

[0056] Когда светоизлучающая ручка 200 принимает инфракрасный сигнал (второй сигнал синхронизации), испускаемый от проектора 500, тактирование светового излучения светоизлучающей ручки 200 сдвигается. Блок 51 захвата изображения проектора 100 обычно не может захватить изображение излучаемого света светоизлучающей ручки 200. Поэтому интерактивная функция обычно не работает. В этом варианте осуществления операция интерактивной функции стабилизируется посредством изменения интенсивности светового излучения инфракрасного сигнала, переданного от излучающего инфракрасный свет блока 61, или посредством настройки тактирования светового излучения инфракрасного сигнала с сигналом синхронизации (вторым сигналом синхронизации), испускаемым от другого проектора 500. Подробности объяснены ниже.

[0057] Объяснена установка интенсивности светового излучения излучающего инфракрасный свет блока 61. В проекторе 100 в этом варианте осуществления пользователь может выполнить установку интенсивности светового излучения инфракрасного сигнала (сигнала синхронизации) в соответствии с изображением меню. При определении, что другой проектор находится возле проектора 100, проектор 100 переключает интенсивность светового излучения на основе значения установки интенсивности светового излучения.

Фиг. 5 является пояснительной диаграммой изображения меню для установки интенсивности светового излучения.

[0058] Когда клавиша меню, включенная в блок 21 приема операции, нажата, и меню установки интенсивности светового излучения выбрано, блок 20 управления дает команду блоку 32 обработки изображения отобразить изображение меню установки интенсивности светового излучения M1, показанное на Фиг. 5.

[0059] Строка символов "установка интенсивности светового излучения" отображена в верхней части изображения меню установки интенсивности светового излучения M1. Под строкой символов отображена строка символов "Когда другой проектор находится возле проектора, ослабить сигнал, переданный на светоизлучающую ручку?". "Ослабить" и "Не ослаблять" отображаются как варианты установки в центре изображения меню установки интенсивности светового излучения M1. "Ослабить" означает, что интенсивность светового излучения установлена в слабый режим. "Не ослаблять" указывает, что интенсивность светового излучения установлена в нормальный режим. Пользователь выбирает и определяет желаемую установку из вариантов установки, отображенных на изображении меню установки интенсивности светового излучения M1, посредством чего блок 20 управления сохраняет информацию относительно значения установки параметров для установки (режима) в блоке 22 установки интенсивности сигнала. Операция в этом пункте эквивалентна предварительно определенной операции.

[0060] Ниже объяснена обработка переключения для интенсивности светового излучения инфракрасного сигнала (в дальнейшем называемая "обработкой переключения интенсивности инфракрасного светового излучения"), выполненная во время запуска проектора 100. Должно быть отмечено, что обработка переключения интенсивности инфракрасного светового излучения также выполняется с периодическим распределением интервалов времени после запуска.

Фиг. 6 является блок-схемой обработки переключения интенсивности инфракрасного светового излучения для проектора 100.

[0061] Когда проектор 100 запущен, блок 20 управления определяет, находится ли другой проектор возле проектора 100 (этап S101). В частности, блок 20 управления дает команду блоку 60 управления световым излучением остановить передачу инфракрасного сигнала, включающего в себя сигнал синхронизации. Блок 20 управления определяет, принимает ли блок 62 приема инфракрасного света инфракрасный сигнал. Если блок 62 приема инфракрасного света принимает инфракрасный сигнал, блок 20 управления определяет, что инфракрасный сигнал является инфракрасным сигналом, переданным от другого проектора, и определяет, что другой проектор находится возле проектора 100.

[0062] Когда другой проектор находится возле проектора 100 (этап S101: ДА), блок 20 управления синхронизирует проектор 100 с другим проектором (этап S102). В частности, блок 20 управления дает команду блоку 60 управления световым излучением синхронизироваться с сигналом синхронизации (вторым сигналом синхронизации) инфракрасного света, принятого блоком 62 приема инфракрасного света, и вынуждает излучающий инфракрасный свет блок 61 передавать сигнал синхронизации инфракрасного света. Таким образом, блок 20 управления настраивает тактирование светового излучения инфракрасного света с сигналом синхронизации (вторым сигналом синхронизации) другого проектора.

[0063] Блок 20 управления определяет, находится ли установка интенсивности светового излучения в "слабом режиме" (этап S103). В частности, блок 20 управления определяет, находится ли установка интенсивности светового излучения в "слабом режиме", относящимся к значению установки интенсивности свет