Устройство питания и управления излучающими полупроводниковыми элементами медицинской маски с бактерицидной обработкой воздуха
Иллюстрации
Показать всеИзобретение относится к средствам индивидуальной защиты от вирусной и бактериальной инфекции. Предложено устройство питания и управления светодиодами медицинской маски с бактерицидной обработкой воздуха. Устройство содержит индуктивный накопитель электрической энергии, ключ, блок управления ключом, диод, конденсатор и резистор. Один из выводов резистора и ключа соединены с клеммой для подключения общего вывода источника питания. Другой вывод ключа соединен с общей точкой соединения индуктивного накопителя электрической энергии и анода диода, катод которого подключен к одному из выводов конденсатора. Другой вывод конденсатора соединен с общим выводом источника питания, причем свободный вывод индуктивного накопителя электрической энергии соединен с клеммой для подключения плюсового вывода источника питания. Первый вход блока управления ключом подключен к клемме для общего вывода источника питания, а второй его вход подключен к свободному выводу резистора. Выход блока управления ключом подключен к управляющему входу ключа. Точки соединения диода и конденсатора, а также резистора со вторым входом блока управления ключом соединены с выходными клеммами устройства. Технический результат: повышение надежности обеспечения режима обеззараживания, снижение потребляемого от батареи тока и увеличение длительности непрерывной работы маски. 1 з.п. ф-лы, 1 ил.
Реферат
Изобретение относится к защитным лицевым маскам и может быть использовано в составе средств индивидуальной защиты человека и окружающих от вирусной и бактериальной инфекции, передающейся воздушно-капельным путем.
Известна индивидуальная фильтрующая маска с бактерицидной обработкой воздуха на излучающих полупроводниковых элементах, защищенная патентом РФ №94421, в которой уничтожение вирусов в проходящем для дыхания воздухе осуществляется ультрафиолетовым (УФ) излучением.
Известная маска содержит светодиоды и устройство питания и управления светодиодами, включающее источник питания (аккумуляторная или гальваническая батарея), подключенный к входным клеммам устройства, и электрическую схему включения светодиодов через ограничительные резисторы (см. фиг. 3 описания к патенту).
Упомянутое устройство питания и управления светодиодами медицинской маски по патенту №94421 является наиболее близким по технической сущности к изобретению и выбрано заявителем в качестве прототипа.
К недостаткам известного устройства следует отнести то, что:
1. Уменьшение напряжения питания по мере использования маски приводит к уменьшению тока через светодиоды и соответственно энергии излучения их. Это уменьшает эффективность обеззараживания и создает угрозу инфицирования носителя маски и окружающих. При питании светодиода от гальванической или аккумуляторной батареи, напряжение которой в процессе эксплуатации постепенно уменьшается, яркость излучения будет изменяться в широких пределах. Причина в том, что светодиод имеет довольно крутую нелинейную вольтамперную характеристику. Например, для распространенных светодиодов изменение напряжения питания от 2,9 В до 3,5 В вызывает изменение тока через светодиод от 10 мА до 80 мА (в 8 раз!).
2. Но самым существенным недостатком питания светодиодов через ограничительные резисторы является то обстоятельство, что при напряжении источника питания меньшем, чем прямое падение напряжения на светодиоде, он перестает излучать (гаснет). Например, пусть светодиод с рабочим током 20 миллиампер и падением напряжения 6В (типичные параметры ультрафиолетовых светодиодов) подключен к аккумулятору 6,3 В через ограничительный резистор (0,3 В/20 мА = 15 Ом - по закону Ома).
Через какое-то время определяемое емкостью аккумулятора напряжение аккумулятора опустится до напряжения 5,99 В, при котором светодиод уже гаснет.
На самом деле, аккумулятор с иной нагрузкой, например лампой накаливания, мог бы работать до напряжения примерно 4 В и отдать значительно большую энергию. Но для светодиодной нагрузки с ограничительными резисторами он может отдать лишь около 14% своей энергии.
(Как правило, производители указывают на собственных аккумуляторах минимальную величину конечного напряжения разряда. В общем случае руководствуются следующими параметрами: допустимая глубина разряда составляет 30-40%). Когда светодиоды гаснут, пользователь не знает об этом и подвергает опасности заражения себя и окружающих.
Для получения стабильного светового потока (т.е. стабильного обеззараживания) необходимо питать светодиод стабильным током, номинальным для данного типа светодиода. Для питания светодиодов удобно использовать в качестве источника питания малогабаритные емкие Li-Ion батареи (типичное выходное напряжение - 3,7 В). Но в таком случае напряжения источника при частичном разряде батареи будет недостаточно для поддержания оптимального тока через светодиод даже с малым прямым напряжением. Кроме того, для схем с последовательным включением светодиодов падение напряжения на цепочке превысит номинальное напряжение батареи, и светодиоды не будут светиться.
Поэтому для продления времени работы светодиодов от батареи (аккумулятора), желательно, применять их более высоковольтные разновидности, например, 9-24 В, но при этом возрастают потери на резисторах, ограничивающих ток через светодиоды.
3. Время непрерывной работы маски между сменой батареи или перезарядкой аккумулятора сокращается примерно на 25-40% из-за потерь электрической энергии при питании светодиодов через ограничительный резистор.
Перечисленные недостатки устройства питания и управления светодиодами медицинской маски в значительной степени снижают ее защитную эффективность, а следовательно, не могут обеспечить высокую степень защиты человека от болезнетворных микроорганизмов и ухудшают ее эксплуатационные характеристики.
Технической проблемой изобретения является создание устройства питания и управления излучающими полупроводниковыми элементами медицинской маски с бактерицидной обработкой воздуха, обеспечивающего высокую степень защиты носителя маски и окружающих от болезнетворных микроорганизмов, передающихся воздушно-капельным путем.
Техническим результатом изобретения является повышение надежности обеспечения режима обеззараживания, снижение потребляемого от батареи тока и увеличение длительности непрерывной работы маски.
Указанный технический результат достигается тем, что в устройстве питания и управления излучающими полупроводниковыми элементами медицинской маски с бактерицидной обработкой воздуха, содержащем входные клеммы для подключения источника питания и электрическую схему включения светодиодов, согласно изобретению в электрическую схему введены индуктивный накопитель электрической энергии, ключ, блок управления ключом, диод, конденсатор и резистор, при этом один из выводов резистора и ключа соединены с клеммой для подключения общего вывода источника питания, другой вывод ключа соединен с общей точкой соединения индуктивного накопителя электрической энергии и анода диода, катод которого подключен к одному из выводов конденсатора, другой вывод которого соединен с общим выводом источника питания, причем свободный вывод индуктивного накопителя электрической энергии соединен с клеммой для подключения плюсового вывода источника питания, первый вход блока управления ключом подключен к клемме для общего вывода источника питания, второй его вход подключен к свободному выводу резистора, выход блока управления ключом подключен к управляющему входу последнего, а точки соединения диода и конденсатора, а также резистора со вторым входом блока управления ключом соединены с выходными клеммами устройства.
Кроме того, устройство может быть снабжено звуковым и/или световым сигнализаторами минимально допустимого значения тока через светодиоды, включенными параллельно резистору.
Технический результат изобретения заключается в том, что:
- обеспечивается стабильный режим обеззараживания микроорганизмов, не зависящий от состояния напряжения источника питания. В прототипе по мере снижения напряжения питания батареи уменьшается ток через светодиоды и соответственно уменьшается интенсивность их излучения;
- обеспечивается возможность применения низковольтных источников питания (с напряжением меньшим, чем прямое напряжение светодиода), что позволяет использовать малогабаритные аккумуляторы большой емкости. В прототипе можно применять источники питания только с напряжением, большим, чем прямое напряжение светодиода. Например, для светодиода с прямым напряжением 6,5 В (типичное для УФ-светодиодов) нельзя использовать батарею (аккумулятор) напряжением 6,3 В.
- обеспечивается возможность полного использования ресурса источника питания, независимо от прямого напряжения светодиода. В известных устройствах при снижении напряжения батареи ниже прямого напряжения светодиода он гаснет, несмотря на то, что ресурс батареи далеко не исчерпан;
- обеспечивается возможность применения последовательного соединения любого количества светодиодов. В известных устройствах можно применить только светодиоды с общим прямым напряжением, меньшим, чем у источника питания;
- снижается расход питания примерно на 20% и соответственно увеличивается длительность непрерывной работы маски;
- обеспечивается длительная работа светодиодов, так как исключается деградация их при питании нестабильным током;
- предотвращается заражение инфекцией носителя маски и окружающих при снижении тока через светодиоды ниже установленного значения за счет введения в электрическую схему маски сигнализаторов.
Изобретение, охарактеризованное указанной выше совокупностью существенных признаков, на дату подачи заявки не известно в Российской Федерации и за границей и отвечает требованиям критерия «новизна».
Изобретение может быть реализовано промышленным способом с использованием известных технических средств и соответствует требованиям критерия «промышленная применимость».
Заявителем не выявлены технические решения, имеющие признаки, совпадающие с совокупностью отличительных признаков предлагаемого изобретения и обеспечивающие достижение заявляемого технического результата, в связи с чем можно сделать вывод о соответствии изобретения условию патентоспособности «изобретательский уровень».
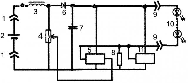
Сущность изобретения поясняется чертежом, на котором представлена электрическая схема предлагаемого устройства питания и управления излучающими полупроводниковыми элементами медицинской маски с бактерицидной обработкой воздуха.
Устройство содержит входные клеммы 1 для подключения к соответствующим выходным клеммам источника питания 2, индуктивный накопитель электрической энергии (дроссель) 3, ключ 4, блок 5 управления ключом 4, диод 6, конденсатор 7, резистор 8 и выходные клеммы 9 для подключения нагрузки - светодиодов 10.
Один из выводов резистора 8 и ключа 4 соединены с клеммой 1 для подключения общего вывода источника питания 2, другой вывод ключа 4 соединен с общей точкой соединения индуктивного накопителя электрической энергии 3 и анода диода 6, катод которого подключен к одному из выводов конденсатора 7, другой вывод которого соединен с общим выводом источника питания 2. Другой вывод индуктивного накопителя электрической энергии 3 соединен с клеммой 1 для подключения плюсового вывода источника питания. Первый вход блока 5 управления ключом 4 подключен к клемме 1 для общего вывода источника питания, а второй его вход подключен к свободному выводу резистора 8. Выход блока 5 управления ключом подключен к управляющему входу ключа 4, при этом точки соединения диода 6 и конденсатора 7, а также резистора 8 со вторым входом блока 5 управления ключом соединены с выходными клеммами 9 устройства, предназначенными для подключения светодиодов 10 медицинской маски.
В качестве ключа 4 можно использовать MOSFET-транзисторы, имеющие малое значение (миллиомы) сопротивления в открытом состоянии, хотя можно использовать и обычные биполярные транзисторы, тиристоры и др. Для диода 6 целесообразно выбирать быстродействующие и также с малым сопротивлением в прямом направлении, например, диоды Шоттки.
Устройство снабжено звуковым и/или световым сигнализаторами 11 минимально допустимого значения тока через светодиоды 10, включенными параллельно резистору 8.
Блок 11 сигнализации снижения тока ниже минимально допустимого может представлять собой простейшее сравнивающее устройство (на схеме не показано) - триггер Шмитта, на один вход которого подано стабилизированное опорное напряжение, получаемое от батареи питания, а на второй вход - напряжение с датчика тока - резистора 7. Как только величина напряжения с датчика тока станет ниже опорного напряжения, триггер изменит свое состояние и на его выходе появится напряжение, включающее в работу мультивибратор, нагрузкой которого являются малогабаритный излучатель звука и мигающий светодиод (на чертеже не показаны).
Устройство работает следующим образом.
При включении ключа 4 по команде блока 5 дроссель 3 подключается непосредственно к источнику питания 2 и ток в дросселе начинает линейно нарастать, пока из схемы управления не поступит сигнал на выключение ключа. После выключения ключа 4 избыточная энергия, накопленная в дросселе 3, через диод 6 поступает в нагрузку 10 (облучающие светодиоды маски), одновременно подзаряжая конденсатор 7. При этом напряжение на дросселе 3 складывается с напряжением источника питания 2, в результате чего конденсатор 7 заряжается до напряжения Uн>Eп, т.е. на выходе получается повышенное по сравнению с источником питания напряжение.
Здесь:
Uн - падение напряжения на нагрузке Rн (светодиодах),
Еп - напряжение источника питания (батареи, аккумулятора).
Регулирование выходного напряжения (или тока) в схеме осуществляется изменением длительности интервалов между импульсами, управляющими работой ключа 4 и соответственно запасаемой в дросселе 3 энергии.
При этом можно так регулировать работу ключа, что на выходе схемы будет поддерживаться стабильное значение тока через нагрузку (светодиоды 10).
Для этого измеряется ток через нагрузку 10 с помощью измерительного резистора 8, включенного последовательно с нагрузкой. Далее напряжение с резистора 8, пропорциональное величине тока через нагрузку, подается непосредственно или после усиления на блок 5, изменяющий величину интервала между импульсами, которые управляют ключом 4.
Блок 5 - импульсный блок управления ключом с преобразователем величины тока в интервал между импульсами - представляет собой типовой узел аналого-цифровых преобразователей, широко использующихся в измерительной технике. При уменьшении тока интервал между импульсами сокращается, и наоборот, - так, чтобы заданное значение тока поддерживалось постоянным.
Таким образом, предлагаемое устройство питания и управления светодиодами медицинской маски обеспечивает, во-первых, получение повышенного по сравнению с источником питания напряжение, и, во-вторых, питает нагрузку (светодиоды) стабильным током, что, в свою очередь, обусловливает надежность сохранения режима обеззараживания, снижение потребляемого от батареи тока и увеличение длительности непрерывной работы маски.
Индивидуальная защитная маска, имеющая в своем составе предлагаемое устройство, содержит корпус с лицевой частью, охватывающей нос, рот и нижнюю часть подбородка носителя маски (на чертеже не показано). В передней части корпуса имеется бактерицидная камера, в которой расположены светодиоды 10.
Маска также имеет съемный блок, в котором размещены батарея питания 2 с выключателем (не показан) и предлагаемое устройство (см. чертеж), причем световой (мигающий) светодиод расположен вместе со светодиодами 10.
При нормальном (заданном) значении величины тока светодиод сигнализатора не светится. При снижении тока ниже установленного значения светодиод непрерывно мигает, и включается прерывистый звуковой сигнал. Это сделано для того, чтобы обезопасить носителя маски и окружающих от неполной инактивации вдыхаемого - выдыхаемого воздуха.
Используется маска следующим образом. Первоначально присоединяют разъем с проводами от схемы электропитания к светодиодам на крышке бактерицидной камеры и включают питание. Если при этом появляется прерывистая звуковая и световая сигнализация, то это свидетельствует о снижении напряжения источника питания (батареи или аккумулятора) ниже допустимого и необходимо заменить его.
При отсутствии звукового сигнала маску надевают на лицо, и УФ-излучение светодиодов инактивирует имеющиеся во вдыхаемом воздухе вирусы и бактерии. При выдохе воздух из легких проделывает обратный путь, и выдыхаемый воздух будет также обеззаражен.
Предлагаемое изобретение имеет следующие преимущества перед известными техническими решениями:
- обеспечивается стабильный режим обеззараживания микроорганизмов, не зависящий от состояния напряжения источника питания;
- обеспечивается возможность применения низковольтных источников питания (с напряжением меньшим, чем прямое напряжение светодиода), что позволяет использовать малогабаритные аккумуляторы большой емкости;
- обеспечивается возможность полного использования ресурса источника питания, независимо от прямого напряжения светодиода;
- обеспечивается возможность применения последовательного соединения любого количества светодиодов;
- обеспечивается длительная работа светодиодов, так как исключается деградация их при питании нестабильным током;
- предотвращается заражение инфекцией носителя маски и окружающих при снижении тока через светодиоды ниже установленного значения.
1. Устройство питания и управления излучающими полупроводниковыми элементами медицинской маски с бактерицидной обработкой воздуха, содержащее входные клеммы для подключения источника питания и электрическую схему включения светодиодов, отличающееся тем, что в электрическую схему введены индуктивный накопитель электрической энергии, ключ, блок управления ключом, диод, конденсатор и резистор, при этом один из выводов резистора и ключа соединены с клеммой для подключения общего вывода источника питания, другой вывод ключа соединен с общей точкой соединения индуктивного накопителя электрической энергии и анода диода, катод которого подключен к одному из выводов конденсатора, другой вывод которого соединен с общим выводом источника питания, причем свободный вывод индуктивного накопителя электрической энергии соединен с клеммой для подключения плюсового вывода источника питания, первый вход блока управления ключом подключен к клемме для общего вывода источника питания, второй его вход подключен к свободному выводу резистора, выход блока управления ключом подключен к управляющему входу последнего, а точки соединения диода и конденсатора, а также резистора со вторым входом блока управления ключом соединены с выходными клеммами устройства.
2. Устройство по п. 1, отличающееся тем, что оно снабжено звуковым и/или световым сигнализаторами минимально допустимого значения тока через светодиоды, включенными параллельно резистору.

