Преобразователь частоты со встроенным источником резервного питания
Иллюстрации
Показать всеУстройство относится к области электротехники и может быть использовано в электроприводах переменного тока для лифтового оборудования. Техническим результатом является обеспечение бесперебойной работы лифтового оборудования без остановки кабины и переключения с трехфазного питания на однофазное при пропадании напряжения сети. В преобразователь частоты со встроенным источником резервного питания, содержащем входной активный выпрямитель, к выходу которого подключен накопительный конденсатор, соединенный с выходом преобразователя постоянного напряжения и входом автономного инвертора напряжения переменной частоты, к которому подключен тормозной резистор, дополнительно введены зарядно-подзарядное устройство, вход которого подключен к входному активному выпрямителю, аккумуляторная батарея, соединенная с выходом зарядно-подзарядного устройства и входом преобразователя постоянного напряжения, и инвертор напряжения фиксированной частоты, вход которого соединен с входным активным выпрямителем через накопительный конденсатор. При осуществлении изобретения происходит: обеспечение бесперебойной работы лифтового оборудования без остановки кабины и переключения с трехфазного питания на однофазное при пропадании напряжения сети, использование в качестве резервного источника энергии одной аккумуляторной батареи для преобразователя частоты и для станции управления лифтом, оптимизация потребления электроэнергии лифтом от сети переменного тока, возможность обеспечения рекуперации энергии при торможении лебедки в питающую сеть и запасание ее в аккумуляторной батарее, повышение комфорта и безопасности использования лифтового оборудования и исключения ситуаций с «застреванием» людей в кабине лифта, а также выполнения правил пожарной безопасности, предъявляемых к лифтам, даже при отключении электроэнергии. 1 ил.
Реферат
Устройство относится к преобразовательной технике и предназначено для использования в электроприводах переменного тока для лифтового оборудования.
В настоящее время большая часть лифтов оснащена устройствами преобразования частоты в цепи управления двигателем. Преобразователь частоты позволяет значительно повысить комфортность движения кабины, увеличить коэффициент полезного действия (КПД) лифта, отказаться от отдельного устройства регулировки скорости кабины, а также задавать любую скорость движения кабины в заявленном для него диапазоне. Такие системы управления двигателем лебедки с преобразователем частоты имеют серьезный недостаток: при аварии входной питающей сети кабина лифта остается в том положении, в котором находилась, а люди оказываются запертыми внутри нее.
Некоторые системы управления лифтами предусматривают один из вариантов решения данной проблемы: у станции управления лифта имеется однофазный вход для источника бесперебойного питания, а также преобразователь частоты, применяемый совместно с ней, предусматривает возможность питания от однофазного источника энергии при движении лебедки с малой скоростью, либо имеет вход для питания от резервного источника постоянного тока. В качестве источника применяется однофазный источник бесперебойного питания достаточной мощности, запаса энергии в его аккумуляторной батарее (АКБ) хватает, чтобы довести кабину лифта до ближайшего этажа на минимальной скорости и открыть двери.
Известен преобразователь частоты, содержащий входной выпрямитель, накопительный конденсатор звена постоянного тока и автономный инвертор напряжения [1].
Известен преобразователь частоты, содержащий систему управления, автономный инвертор напряжения, тормозную цепочку, накопительный конденсатор и трехфазный активный преобразователь, состоящий из входного трехфазного дросселя и выпрямителя, реализованного на полупроводниковых элементах, также в схему выпрямителя внесены изменения, связанные с реализацией его выпрямительной части, выполнив ее на тиристорах, и внесены изменения в инверторную часть, установив дополнительные диоды, последовательно и согласовано включенные с транзисторами [2].
Наиболее близким к заявленному изобретению по совокупности существенных признаков является преобразователь частоты для лифтовых применений фирмы Delta Electronics (модель VFD-VL) [3]. Данный преобразователь частоты имеет возможность питания от резервного источника постоянного напряжения 48/96 В. Преобразователь частоты для лифтовых применений VFD-VL, принятый за прототип, содержит входной активный выпрямитель, накопительный конденсатор, соединенный с автономным инвертором напряжения, к входу которого подключен преобразователь постоянного напряжения и тормозной резистор.
К недостаткам существующих технических решений можно отнести следующее: для функционирования системы управления лифта при неисправности входной питающей сети необходим отдельный источник бесперебойного питания (ИБП) с аккумуляторной батареей; а для обеспечения бесперебойной работы преобразователя частоты предусматривается наличие отдельного резервного источника питания постоянного напряжения 48 или 96 В, содержащего в себе не только аккумуляторную батарею для питания преобразователя частоты, но также и зарядно-подзарядное устройство для заряда и содержания АКБ. Данные источники питания увеличивают количество отдельных устройств, которые необходимо разместить в помещении лифтовой, что не всегда возможно, кроме того, используются две аккумуляторных батареи, отдельно для станции управления лифта и преобразователя частоты. Кроме того, возникает необходимость потребления энергии от сети на заряд и содержание батарей.
В случае отсутствия у преобразователя частоты отдельного входа для источника постоянного напряжения, его питание осуществляется также от источника бесперебойного питания, что приводит к снижению КПД всей системы из-за того, что постоянный ток аккумуляторной батареи сначала проходит преобразование в синусоидальный переменный в инверторе ИБП, после чего подается на вход преобразователя частоты, где снова преобразуется в постоянный ток, после чего проходит преобразование в переменный в инверторе преобразователя частоты; а также к неоптимальному расходу заряда АКБ на питание лебедки лифта в аварийном режиме.
Техническим результатом, достигаемым при осуществлении изобретения, является: обеспечение бесперебойной работы лифтового оборудования без остановки кабины и переключения с трехфазного питания на однофазное при пропадании напряжения сети, использование в качестве резервного источника энергии одной аккумуляторной батареи для преобразователя частоты и для станции управления лифтом, оптимизация потребления электроэнергии лифтом от сети переменного тока, возможность обеспечения рекуперации энергии при торможении лебедки в питающую сеть и запасание ее в аккумуляторной батарее, повышение комфорта и безопасности использования лифтового оборудования и исключения ситуаций с «застреванием» людей в кабине лифта, а также выполнения требований сводов правил пожарной безопасности, предъявляемых к лифтам, даже при отключении электроэнергии.
Указанный технический результат достигается тем, что в преобразователь частоты со встроенным источником резервного питания, содержащем входной активный выпрямитель, к выходу которого подключен накопительный конденсатор, соединенный с выходом преобразователя постоянного напряжения и входом автономного инвертора напряжения переменной частоты, к которому подключен тормозной резистор, дополнительно в него введены зарядно-подзарядное устройство, вход которого подключен к входному активному выпрямителю, аккумуляторная батарея, соединенная с выходом зарядно-подзарядного устройства и входом преобразователя постоянного напряжения, и инвертор напряжения фиксированной частоты, вход которого соединен с входным активным выпрямителем через накопительный конденсатор.
Проведенный заявителем анализ уровня техники, включающий поиск по патентным и научно-техническим источникам информации, позволил установить, что заявитель не обнаружил аналог, характеризующийся признаками, тождественными всем существенным признакам заявленного изобретения. Следовательно, заявленное изобретение соответствует условию «новизна».
Введение в предлагаемый преобразователь частоты со встроенным источником резервного питания зарядно-подзарядного устройства, аккумуляторной батареи и инвертора напряжения фиксированной частоты, а также организация новых связей между функциональными элементами преобразователя частоты позволило обеспечить указанный технический результат.
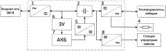
Предлагаемый преобразователь частоты со встроенным источником резервного питания поясняется чертежом, где представлена функциональная схема преобразователя частоты со встроенным источником резервного питания.
Преобразователь частоты со встроенным источником резервного питания содержит входной активный выпрямитель 1, накопительный конденсатор 2, инвертор переменной частоты 3 для управления лебедкой лифта, тормозной резистор 4, преобразователь постоянного напряжения 5, зарядно-подзарядное устройство 6, аккумуляторную батарею 7 и инвертор фиксированной частоты 50 Гц 8 для питания станции управления лифта.
В преобразователь частоты со встроенным источником резервного питания, содержащем входной активный выпрямитель 1, к выходу которого подключен накопительный конденсатор 2, соединенный с выходом преобразователя постоянного напряжения 5 и входом автономного инвертора напряжения переменной частоты 3, к которому подключен тормозной резистор 4, дополнительно введены зарядно-подзарядное устройство 6, вход которого подключен к входному активному выпрямителю 1, аккумуляторная батарея 7, соединенная с выходом зарядно-подзарядного устройства 6 и входом преобразователя постоянного напряжения 5, и инвертор напряжения фиксированной частоты, вход которого соединен с входным активным выпрямителем 1 через накопительный конденсатор 2.
Устройство работает следующим образом.
При наличии входной сети выпрямленное напряжение с входного активного выпрямителя 1 через накопительный конденсатор 2 поступает на инвертор фиксированной частоты 8, который питает станцию управления лифта, и на инвертор переменной частоты 3 для управления лебедкой лифта. Также выпрямленное напряжение с входного активного выпрямителя 1 переменного напряжения поступает на зарядно-подзарядное устройство 6 для заряда и содержания аккумуляторной батареи 7.
При отсутствии входной сети (авария сети и т.д.) питание станции управления и лебедки лифта осуществляется от аккумуляторной батареи 7 следующим образом - напряжение АКБ 7 повышается преобразователем постоянного напряжения 5, а далее повышенное постоянное напряжение через накопительный конденсатор 2 поступает на инвертор переменной частоты 3 и инвертор фиксированной частоты 8 для питания станции управления лифтом.
Таким образом, в данном устройстве нет повторного преобразования постоянного напряжения в переменное, а значит, снижаются потери энергии на полупроводниковых элементах и энергия аккумуляторной батареи 7 расходуется оптимально. Из чего следует, что при одинаковой емкости АКБ время автономной работы будет выше.
Все лифты имеют противовес кабины, следовательно приблизительно половину времени работы лифта лебедка работает в режиме торможения, отдавая энергию в тормозные резисторы 4, преобразовывая ее в тепло.
В предлагаемом устройстве часть энергии торможения можно расходовать на заряд и содержание аккумуляторной батареи 7, но также возможен вариант с передачей данной энергии в питающую сеть. Тем самым потребление энергии от сети на заряд АКБ 7 будет отсутствовать, за счет чего КПД данной системы будет выше, и не будет дополнительных затрат энергии. В случае с реализацией возврата энергии в сеть - реализуются принципы экономии и оптимального расходования энергии.
Источники информации
1. Патент US 2005/0168897 А1, класс Н02Н 7/00, дата выдачи 04.08.2005.
2. Патент РФ 2491702, класс Н02М 5/00, дата выдачи 27.08.2013.
3. Описание преобразователя частоты Delta Electronics VFD-VL http://www.deltaelectronics.info/content/files/VFD-VL_manual_rus.pdf (прототип).
Преобразователь частоты со встроенным источником резервного питания, содержащий входной активный выпрямитель, к выходу которого подключен накопительный конденсатор, соединенный с выходом преобразователя постоянного напряжения и входом автономного инвертора напряжения переменной частоты, к которому подключен тормозной резистор, отличающийся тем, что в него дополнительно введены зарядно-подзарядное устройство, вход которого подключен к входному активному выпрямителю, аккумуляторная батарея, соединенная с выходом зарядно-подзарядного устройства и входом преобразователя постоянного напряжения, и инвертор напряжения фиксированной частоты, вход которого соединен с входным активным выпрямителем через накопительный конденсатор.

