Застежка-молния

Иллюстрации

Показать все

Реферат

 

О П И С А Н И Е 300I67

ИЗОБРЕТЕНИЯ

К АВТОРСКОМУ СВИДЕТЕЛЬСТВУ

: Сова Советсиих

Социалистических .

Республии

Зависимое от авт. свидетельства №

МПК А 44Ь 19/12

Заявлено 02.Х.1969 (№ 1369744!28-12) с присоединением заявки №

Приоритет

Опубликовано 07.1Ч.1971. Бюллетень ¹ 13

Дата опубликования описания 26.Ч.1971

Комитет по делам изобретений и открытий при Совете Мииистров

СССР

УДК 687.078(088.8) Авторы изобретения

Л. П. Горев и В. А. Кондратенко

Заявитель

ЗАСТЕ)ККА-МОЛ Н ИЯ

Изобретение относится к легкой промышленности и применяется в качестве застегивающего устройства, например, в верхней одежде или обуви.

Известная застежка-молния состоит из лент-носителей, соединительных звеньев и шибера с фиксирующим элементом в виде шнура.

Для увеличения прочности соединения звеньев в предложенной застежке-молнии шнур выполнен в виде спиральной пружины.

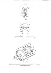
На фиг. 1 изображен замок, общий вид; на фиг, 2 — развертка корпуса центрующей головки; на фиг. 3 — застежка в аксонометрии.

Застежка-молния состоит из шибера 1, который имеет нижнее крыло 2, перемычку 8 и верхнее крыло 4, переходящее в хомут 5. Оба крыла соединяются стяжкой б, вырубленной в крыле 2 и обогнутой так, что она входит в отверстие 7 крыла 4. Шибер снабжен дужкой 8 для закрепления язычка 9. К хомуту 5 прикреплен шнур 10, выполненный в виде сгиральной пружины.

Застежка имеет две ленты-носителя 11, к которым прикреплены звенья 12, состоящие

5 из частей 13 в виде разрезных колец и хвостовиков 14, и четыре ограничителя 15.

При перемещении шибера 1 по звеньям кольцевые части 18 звеньев 12 центрируются, в них проходит шнур 10.

10 Размыкание звеньев осуществляется удалением шнура 10 за его свободный конец, после чего шнур свивается в спираль. Стремление шнура к скручиванию в спираль исключает самопроизвольное размыкание за15 стежки-молнии.

Предмет изобретения

Застежка-молния, состоящая из лент-носителей, соединительных звеньев и шибера с

20 фиксирующим элементом в виде шнура, отгичающаяся тем, что, с целью увеличения прочности соединения звеньев, фиксирующий шнур выполнен в виде спиральной пружины.