Устройство для управления/ф(;'?;''башмаконакладывателем на сортировочных горк/

Иллюстрации

Показать все

Реферат

 

ОП ИСАНИЕ

И30БРЕТЕН ИЯ

К АВТОРСКОМУ СВИДЕТЕЛЬСТВУ » 435973

Союз Советских

Социалистических

Республик (61) Зависимое от авт. свидетельства— (22) Заявлено 28.12.72 (21) 1862793!27-11 с присоединением заявки М— (32) Приоритет—

Опубликовано 15,07.74. Бюллетень 4 26

Дата опубликования описания 06.03.75 (51) М.Кл. В 61k 7/12

В 611 5/06

Государственный комитет

Совета Министров СССР оо делам иэооретений и открытий

1 (53) УД К -656.211.4.625. ,141;002,3 (088.8) (72) Авторы изобретения Д. А. Коган, В. Е. Малявко, И. В. Степченко и В. С. Сагайтис-Корбач (71) Заявитель Конструкторское бюро Главного управления сигнализации и связи МПС (54) УСТРОЙСТВО ДЛЯ Уll I

БАШМАКОНАКЛАДЫВАТЕЛЕМ НА СОРТ

Изобретение относится к областй железнодорожного транспорта и может быть использовано в устройствах железнодорожной автоматики при автоматизации работ на сортировочных горках.

Известны устройства для управления башМаком на путях сортировочных гор, содержащие путевые педали, рельсовую цепь, пусковые реле и реле задания, контакты которых включены в цепи блокировки привода башмака, и источник питания. Такие устройства сложны и мало надежны в работе.

Цель изобретения — повышение надежности работы и упрощение устройства. Для этого устройство снабжено реверсивным счетчиком и реле блокировки, обмотки которого соединены с одним из выходов реверсивного счетчика и с минусовой шиной источника питания, другой выход реверсивного счетчика через контакты реле блокировки и реле задания подключен к обмотке пускового реле.

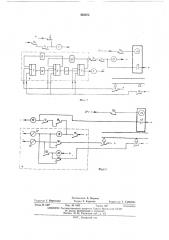
На фиг. 1 показана функциональная схема устройства для управления башмаконакладывателем при расстоянии между педалями, вмещающем до трех колесных пар; на фиг. 2 — то же устройство с реверсивным счетчиком на реле при рассчоянии между педалями, вмещающем до двух колесных пар.

Устройство состоит из реле 1 задания, включенного через кнопку 2; реле 8 блоки2 ровки, включенного Па выходе реверсивного счетчика 4, состоящего из триггеров 5, 6 и 7 с входной логикой «И» и с линиями 8 — 11 задержки; и пускового реле 12, которое соеди5 нено с выходом триггера 5 через контакты 31 реле блокировки и 1е реле гредварительного задания и с конечным выключателем 18 привода башмаконакладывателя, а через его контакты 12 двигатель 14 соединяется с сетью

1о переменного тока и включает педали 15 и 16.

Реверсивный счетчик 4 на фиг. 2 состоит из реле 17 и 18 первого разряда и реле 19 и

20 второго разряда. Педаль 15 соединена через тыловой контакт 18, с реле 17, а фрон15 товой контакт 181 с реле 19; контакты 171 и 19ь которых введены в цепи соответственно реле 18 и 20, включенные параллельно контакту педали 15. Через педаль 16 и контакт 20, минусовой полюс ис20 очника подключен к средним точкам между реле 17 и 18 и 19 и 20. Реле 12 соединено с источником питания через тыловой контакт 18е реле 18 и фронтовой контакт 17 реле 17 и параллельно им через контакт 18 конечного выключателя привода.

Устройство работает следующим образом.

Задание перевода осуществляется кнопкой 2, при этом возбуждается и самоблокируется реле 1. При проследовании первой колесзо пой пары над педалью 15 подается импульс в

435973

3 верхние входы триггеров 5, 6, 7 с логикой «И», в результате опрокидываегсч только триггер 5. Сигналом с триггера 5 при предварительном задании установки через фронтовой контакт 1 возбуждается реле 12 и через контакты 12 включается элекгродвигатель 14 привода. С другого выхода триггера 5 ооесточивается реле 8 блокирогки, контактом 3 которого разрывается цепь возбуждения реле 12, но оно удерживаегсч под током до конца перевода через замкнувшийся контакт

18.

При проследовании второй колесной пары над педалью 15 импульс опрокидывает триггер б, так как на его втором входе логики «И» имеется сигнал, поданный через линию 8 за держки с триггера 5.

Аналогично при проследовании третьей колесной пары над педалью 15 и поступлении импульса через линию 9 задержки опрокидывается триггер 7. При проследовании колесных пар над педалью 16 триггеры опрокидываются в обратной последовательности и возбуждается реле 8 блокировки.

Таким образом, только при свободности участка между педалями реле блокировки возбуждено, замкнут контакт 8 в цепи реле 12 и возможен перевод привода.

Релейный реверспвпый счетчик (см. фиг.2) работает следующим образом.

При проследовании первой колесной пары над педалью 15, замыкается се контакт и срабатывает реле 17 импульса. В это время при предварительном задании установки через фронтовой контакт 17 возбуждается реле 12 и включает двигатель 14 прчвода. После размыкания контакта педали 15 возбуждается реле 18 интервала, являющееся реле блокировки. Тыловым контактом 18д разрывается цепь возбуждения реле 12, т. е. исключается установка башмака при занятом участке между педалями.

lj

При нроследовании втор и колесной парь над педалью 15 через фронтовой контакт 181 возбуждаются реле 19 импульса и затем — реле 20 интервала. При проследовании колесных пар над педалью 16 в обратной последовательности сбрасываются реле 17 — 20.

При замыкании контакта педали 16 отпадает реле 19 или 17, а после размыкания контакта педали 16 — реле 20 или 18 в зависимости от положения контакта 20ь

Таким образом, только при свободности участка между педалями реле 18 блокировки обесточено и замкнут конта сг 18 в цепи реле

12

Предмет изобоетения

Устройство для управления башмаконакладывателем на сортировочных горках, содержащее реле задания, обмотки которого соединены с источником питания через контакт кнопки задания и пускового реле, двигатель, конечный выключатель, две путевые педали контроля проследования колеса, отлачаюи1ееся тем, что, с целью повышения надежности и эффективности действия, оно снабжено реверсивным счетчиком и реле блокировки, обмотки которого соединены с одним нз выходов реверсивного счетчика и с минусовой шиной источника питания, входы реверсивного счетчика через нормально разомкнутые контакты первой и второй путевых педалей контроля проследования колеса соединены соответственно с плюсовой и минусовой шинами источника питания, другой выход реверсивного счетчика через последовательно соединенные нормально замкнутый контакт реле блокировки и нормально разомкнутый контакт реле задания подключен к обмотке пускового реле.

435973

%ic2 1

Составитель А. Наумов

Техред T. Курилко

Редактор T. Юрчикойа

Корректор Т. Гревцова

Подписное

МОТ., Загорский цех

Заказ № 6407 Изд. № 1853 Тираж 537

ЦНИИПИ Государственного комитета Совета Минисгров СССР по делам изобретений и открытий

Москва, Ж-35, Раушская иаб., д. 4/5