ЯНО Синитиро (JP)
Изобретатель ЯНО Синитиро (JP) является автором следующих патентов:

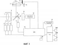
Устройство захвата изображения и способ управления
Изобретение относится к области регистрации изображений и касается устройства захвата изображения. Устройство включает в себя элемент формирования изображения, блок датчика детектирования фокуса, блок съемки и блок управления. Блок управления выполнен с возможностью получения в каждом интервале между каждой из экспозиций при непрерывной съемке информации в отношении режима, используемой в определе...
2613586