Устройство захвата изображения и способ управления

Иллюстрации

Показать все

Изобретение относится к области регистрации изображений и касается устройства захвата изображения. Устройство включает в себя элемент формирования изображения, блок датчика детектирования фокуса, блок съемки и блок управления. Блок управления выполнен с возможностью получения в каждом интервале между каждой из экспозиций при непрерывной съемке информации в отношении режима, используемой в определении режима настройки фокуса, применяемого для каждого из интервалов, и определения, в каждом интервале между каждой из экспозиций при непрерывной съемке, либо первого режима настройки фокуса для вычисления величины дефокусировки на основе сигнала, выводимого посредством элемента формирования изображения, либо второго режима настройки фокуса для вычисления величины дефокусировки на основе сигнала для детектирования фокуса, выводимого посредством блока датчика, в качестве режима настройки фокуса, который применяют для каждого из интервалов между каждой из экспозиций, на основе полученной информации в отношении режима. Технический результат заключается в повышении точности фокусировки и увеличении скорости непрерывной съемки. 2 н. и 10 з.п. ф-лы, 4 ил.

Реферат

УРОВЕНЬ ТЕХНИКИ, К КОТОРОМУ ОТНОСИТСЯ ИЗОБРЕТЕНИЕ

ОБЛАСТЬ ТЕХНИКИ, К КОТОРОЙ ОТНОСИТСЯ ИЗОБРЕТЕНИЕ

[0001] Данное изобретение относится к устройству захвата изображения и к способу управления.

ОПИСАНИЕ ПРЕДШЕСТВУЮЩЕГО УРОВНЯ ТЕХНИКИ

[0002] Для устройства захвата изображения, такого как однообъективная зеркальная камера и т.п., было предложено множество режимов настройки фокуса. Один из режимов настройки фокуса позволяет световому потоку от объекта, прошедшему через области выходного зрачка, отличные друг от друга, в оптической системе формирования изображения, сформировать изображение на паре линейных датчиков и вычислить величину дефокусировки оптической системы формирования изображения из разности фаз между парой сигналов изображения, полученных парой линейных датчиков, для настройки ее фокуса. В этот момент линейный датчик для детектирования сигнала изображения является датчиком, специально предназначенным для детектирования фокуса (датчиком, предназначенным для детектирования фокуса).

[0003] Также, существует другой режим настройки фокуса, который использует элемент формирования изображения. В этом типе режима настройки фокуса формирование изображения (захват) выполняют посредством разделения в зрачке формирующих изображение пикселей в элементе формирования изображения с использованием микрообъектива и приема оптической оси с множеством пикселей детектирования фокуса, при управлении объективом посредством вычисления величины дефокусировки на основе пары сигналов изображения, выводимых при формировании изображения.

[0004] Выложенный патент Японии № 2001-083407 описывает устройство захвата изображения, имеющее элемент формирования изображения, в котором обеспечен микрообъектив для разделения изображения объекта на пару изображений в двух блоках фотоэлектрического преобразования. Также, выложенный патент Японии № 2009-109631 описывает устройство захвата изображения для вычисления величины дефокусировки на основе разности фаз между парой сигналов изображения, полученных при непрерывной съемке. Также, выложенный патент Японии № 2008-129174 предлагает устройство захвата изображения для использования подходящим образом каждого режима настройки фокуса, включенного во множество режимов настройки фокуса.

[0005] При непрерывной съемке с использованием автоматической настройки фокуса (AF) выполняли либо непрерывную съемку, совмещенную с режимом настройки фокуса с использованием датчика, предназначенного для детектирования фокуса, либо непрерывную съемку, совмещенную с режимом настройки фокуса с использованием элемента формирования изображения, поскольку скорость непрерывной съемки уменьшается при функционировании как датчика, предназначенного для детектирования фокуса, так и элемента формирования изображения, всегда при непрерывной съемке.

[0006] При непрерывной съемке с использованием режима настройки фокуса с использованием датчика, предназначенного для детектирования фокуса, датчик накапливает сигнал изображения во время экспозиции, другими словами, вычисляют время от фотографирования одного изображения до фотографирования следующего изображения и величину дефокусировки для управления объективом. Эта непрерывная съемка требует времени для накопления сигнала изображения в датчике, и время накопления определяют в зависимости от освещенности. Например, это время является коротким, когда светло, и это время является длительным, когда темно. Обычно, при наличии одинаковой освещенности, больший элемент формирования изображения, который способен напрямую принимать свет и добавлять пиксели, имеет более короткое время накопления.

[0007] Также, когда температура находится значительно за пределами нормальной температуры, сложно выполнять коррекции для поддержки соотношения расстояния между датчиком и элементом формирования изображения, поскольку температура вызывает изменения длины оптического пути от объектива фотографирования до датчика, предназначенного для детектирования фокуса, или расстояния от фланца объектива до фокальной плоскости элемента формирования изображения. Таким образом, в этом случае, режим настройки фокуса с использованием датчика, предназначенного для детектирования фокуса, часто выполняет детектирование фокуса с большей ошибкой по сравнению с детектированием фокуса с использованием элемента формирования изображения.

[0008] Напротив, при непрерывной съемке согласно режиму настройки фокуса с использованием элемента формирования изображения величину дефокусировки вычисляют с использованием экспозиции для фотографирования фотографируемого изображения для управления объективом, как описано в выложенном патенте Японии № 2009-109631. При непрерывной съемке согласно режиму настройки фокуса с использованием элемента формирования изображения, изредка, обработку изображения фотографируемого изображения и т.п. выполняют параллельно с обработкой для вычисления дефокусировки. Другими словами, две обработки выполняют посредством одного CPU, и может потребоваться длительное время для вычисления величины дефокусировки. Также, поскольку этот режим использует элемент формирования изображения, направление считывания фиксировано. Например, точность для детектирования фокуса уменьшается, когда направление считывания горизонтально, поскольку пару сигналов изображения захватывают в горизонтальном направлении. Напротив, датчик, предназначенный для детектирования фокуса, может быть выполнен с возможностью детектирования как вертикальной линии, так и горизонтальной линии, поскольку он имеет степень свободы относительно расположения в направлении линейных датчиков.

[0009] Также, в режиме настройки фокуса с использованием элемента формирования изображения, дисторсия изображения вызывается легче по сравнению с режимом настройки фокуса с использованием датчика, и невозможно детектировать фокус, когда величина дефокусировки велика. Таким образом, скорость непрерывной съемки может быть, изредка, уменьшена в каждом из режимов настройки фокуса. Также, существует условие, что режимы настройки фокуса не могут быть применены вместе, и скорость непрерывной съемки уменьшается с использованием обоих режимов настройки фокуса при этом условии.

СУЩНОСТЬ ИЗОБРЕТЕНИЯ

[0010] Данное изобретение обеспечивает устройство захвата изображения с множеством режимов настройки фокуса, способное поддерживать точность детектирования фокуса и предотвращать уменьшение скорости непрерывной съемки в зависимости от условия при непрерывной съемке.

[0011] Устройство захвата изображения варианта осуществления данного изобретения содержит: элемент формирования изображения, выполненный с возможностью захвата изображения объекта посредством экспозиции света от объекта; блок датчика, выполненный с возможностью приема света от объекта и вывода сигнала для детектирования фокуса; блок съемки, выполненный с возможностью последовательной экспозиции элемента формирования изображения и выполнения непрерывной съемки; и блок управления, выполненный с возможностью захвата информации в отношении режима, используемой в определении режима настройки фокуса, применяемого в интервале между каждыми из экспозиций при непрерывной съемке, и определения либо первого режима настройки фокуса для вычисления величины дефокусировки на основе сигнала, выводимого элементом формирования изображения, либо второго режима настройки фокуса для вычисления величины дефокусировки на основе сигнала для детектирования фокуса, выводимого блоком датчика, в качестве режима настройки фокуса, который применяют в интервале между каждой из экспозиций, на основе захваченной информации в отношении режима.

[0012] Дополнительные признаки данного изобретения станут очевидными из следующего описания иллюстративных вариантов осуществления (со ссылкой на приложенные чертежи).

КРАТКОЕ ОПИСАНИЕ ЧЕРТЕЖЕЙ

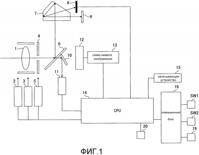
[0013] Фиг. 1 показывает иллюстративную конфигурацию устройства захвата изображения согласно данному варианту осуществления.

[0014] Фиг. 2 является последовательностью операций, представляющей иллюстративную обработку для функционирования устройства захвата изображения во время непрерывной съемки.

[0015] Фиг. 3 является последовательностью операций, представляющей иллюстративную обработку для функционирования устройства захвата изображения во время непрерывной съемки.

[0016] Фиг. 4 представляет иллюстративное отображение видоискателя при переключении режима AF.

ОПИСАНИЕ ВАРИАНТОВ ОСУЩЕСТВЛЕНИЯ

[0017] Фиг. 1 показывает иллюстративную конфигурацию устройства захвата изображения согласно данному варианту осуществления.

Размер и форма каждого компонента и их относительное расположение и т.п., приведенные в пример в данном варианте осуществления, должны быть подходящим образом изменены в зависимости от конфигурации или каждого типа условий устройства, подлежащего применению согласно данному изобретению, и эти иллюстрации не предназначены для ограничения данного изобретения.

[0018] На Фиг. 1 объектив 1 фотографирования является оптическим элементом, который направляет свет от объекта (свет, отраженный от объекта) в направлении элемента 12 формирования изображения. Блок 2 управления AF управляет объективом 1 фотографирования для выполнения управления автоматической настройкой фокуса (AF). Блок 2 управления AF выполняют, например, посредством DC-двигателя или шагового двигателя, с возможностью фокусировки на необходимой области в фотографируемом изображении, посредством изменения положения линзы фокусировки, объектива 1 фотографирования под управлением CPU (ЦПУ) 14.

[0019] Блок 3 управления масштабированием управляет объективом 1 фотографирования для изменения фокусного расстояния объектива 1 фотографирования. Блок 3 управления масштабированием выполняют, например, посредством DC-двигателя или шагового двигателя, и изменяют положение линзы переменного увеличения под управлением CPU 14 для изменения фокусного расстояния объектива 1 фотографирования.

[0020] Апертура 4 настраивает величину света, падающего на элемент 12 формирования изображения. Блок 5 управления апертурой управляет апертурой 4. Блок 5 управления апертурой управляет апертурой 4 на основе величины управления апертурой, вычисляемой CPU 14 для изменения значения апертуры.

[0021] Основное зеркало 6 и вспомогательное зеркало 10 образуют зеркальный элемент. Зеркальный элемент выполнен с возможностью отведения из оптического пути, через который свет, отраженный от объекта, направляют к элементу 12 формирования изображения. Основное зеркало 6 переключает световой поток, падающий от объектива 1 фотографирования, в сторону видоискателя или в сторону элемента формирования изображения. В нормальной фазе основное зеркало 6 выполнено с возможностью отражения света и направления светового потока к блоку видоискателя. При выполнении фотографирования основное зеркало 6 перескакивает вверх (зеркала вверху) для направления светового потока к элементу 12 формирования изображения и отводится из светового потока. Вспомогательное зеркало 10 переключает световой поток, падающий из объектива 1 фотографирования, в сторону датчика, предназначенного для детектирования фокуса, или в сторону элемента формирования изображения. Вспомогательное зеркало 10 выполнено с возможностью отражения света и направления светового потока к датчику, предназначенному для детектирования фокуса, в нормальной фазе. При выполнении фотографирования вспомогательное зеркало 10 перескакивает вверх (зеркала вверху) согласно основному зеркалу 6 для направления светового потока к элементу 12 формирования изображения и отводится из светового потока.

[0022] Видоискатель 9 и пентапризма 7 образуют блок видоискателя. Световой поток, падающий на блок видоискателя, входит в пентапризму 7. Свет, падающий на пентапризму 7, подвергается отражениям внутри нее и входит в видоискатель 9 и датчик 8 фотометрии. Видоискатель 9 отображает текущее значение экспозиции и т.п. вместе с падающим светом, который прошел от объектива 1 фотографирования.

[0023] Датчик 8 фотометрии измеряет освещенность объекта посредством светового потока, падающего из объектива 1 фотографирования, и считывает результат в виде фотометрических данных. Фотометрические данные отправляют к CPU 14.

[0024] Датчик 11, предназначенный для детектирования фокуса, является блоком датчика для приема света, отраженного от объекта, для вывода сигнала для детектирования фокуса. Датчик 11, предназначенный для детектирования фокуса, имеет пару линейных датчиков и позволяет световому потоку от объекта, который прошел через области выходного зрачка, отличные друг от друга, сформировать изображение на паре линейных датчиков. CPU 14 вычисляет разность фаз между парой сигналов изображения, которая формирует изображение для получения величины дефокусировки (выполняет детектирование фокуса).

[0025] Элемент 12 формирования изображения выполняет фотоэлектрическое преобразование изображения объекта, прошедшего через объектив 1 фотографирования. Другими словами, элемент 12 формирования изображения формирует изображение объекта посредством экспозиции света, отраженного от объекта. Схема 13 захвата изображения выводит электрический сигнал, получаемый элементом 12 формирования изображения, в виде данных изображения.

[0026] Также, элемент 12 формирования изображения имеет два фотодиода в одном пикселе для выполнения детектирования фокуса на основе разности фаз в плоскости формирования изображения. Световой поток разделяют посредством микрообъективов и изображение формируют посредством двух фотодиодов, что обеспечивает возможность захвата двух сигналов для формирования изображения и для детектирования фокуса. Сигнал для детектирования фокуса отправляют через схему 13 захвата изображения к CPU 14. CPU 14 выполняет операцию корреляции на сигналах двух изображений и вычисляет величину дефокусировки.

[0027] CPU 14 управляет всем устройством захвата изображения. Более конкретно, CPU 14 выполняет операцию обеспечения величины экспозиции для апертуры и выдержки затвора и т.п. с использованием фотометрических данных для освещенности объекта, принимаемых от датчика 8 фотометрии. Дополнительно, CPU 14 функционирует в качестве блока фотографирования, выполненного с возможностью обеспечения последовательных экспозиций элемента 12 формирования изображения и выполнения непрерывной съемки.

[0028] Также, CPU 14 определяет, используют ли либо первый режим настройки фокуса с использованием элемента 12 формирования изображения, либо второй режим настройки фокуса с использованием датчика 11, предназначенного для детектирования фокуса, в качестве режима AF в непрерывной последовательности кадров, другими словами, в интервалах между каждыми из экспозиций в непрерывном фотографировании. Первый режим настройки фокуса является режимом AF для вычисления величины дефокусировки на основе сигнала, выводимого посредством элемента 12 формирования изображения. Второй режим настройки фокуса является режимом AF для вычисления величины дефокусировки на основе сигнала для детектирования фокуса, выводимого посредством датчика 11, предназначенного для детектирования фокуса. CPU 14 захватывает информацию в отношении режима, которая является информацией, используемой в определении режима AF, применяемого в интервале между каждым из экспозиций, и в зависимости от захваченной информации в отношении режима определяет, какой режим AF используют. Информация в отношении режима содержит, например, информацию назначения, которая назначает способ определения для режима настройки фокуса, применяемого в интервале между каждым из экспозиций. Также, информация в отношении режима содержит, например, информацию, которая определяет скорость непрерывной съемки во время непрерывной съемки. Также, информация в отношении режима содержит, например, информацию, которая определяет точность детектирования фокуса во время непрерывной съемки.

[0029] Также, CPU 14 определяет начало спуска затвора на основе выходных данных из операционного блока 16 для выполнения механического управления или операции для фотографирования, и записывает сфотографированное изображение в записывающее устройство 15 вместе с множеством данных фотографирования. Также, CPU 14 хранит значения заданий параметров.

[0030] Операционный блок 16 вводит операционную информацию согласно операции фотографа. CPU 14 управляет каждым блоком обработки в зависимости от вводимой операционной информации. Например, фотограф определяет задание параметров для фотографирования с использованием операционного элемента 19. Например, задание фотографом параметров содержит задание параметров конкретной обработки, такой как обработка типа «рыбий глаз» и обработка типа «игрушечная камера», посредством которых изображение будет обработано, и задание параметров, указывающее на то, подавлять ли, или нет, шум при высокой чувствительности посредством обработки изображения. Задание параметров также содержит выбор режима AF. Задание параметров фотографирования записывают в CPU 14.

[0031] Переключатель SW1 и переключатель SW2 включают/выключают посредством операции спуска кнопки, и каждый из них является одним из входных переключателей для операционного блока 16. Кнопка спуска находится в состоянии половинного нажима, когда только переключатель SW1 включен, и CPU 14 настраивает фокус, выполняет операцию фотометрии и т.п. в этом состоянии. Кнопка спуска находится в состоянии полного нажима, когда оба переключателя SW1 и SW2 включены. Фотографирование выполняют в этом состоянии. Термометр 20 измеряет температуру внутри камеры. Далее, каждый вариант осуществления описан с использованием устройства захвата изображения с использованием указанной выше конфигурации.

(Первый вариант осуществления)

[0032] Сначала будет дано описание задания фотографом параметров для фотографирования перед фотографированием. Фотограф может установить множество способов фотографирования с использованием операционного элемента 19. Эти способы содержат задание параметров, с помощью которых выполняют обработку изображения на сфотографированном изображении. Например, это задание параметров устанавливает, выполняют ли на изображении, или нет, конкретную обработку, такую как «рыбий глаз» или «игрушечная камера», или подавляют ли, или нет, шум при высокой чувствительности посредством обработки изображения. Если какие-либо из этих заданий параметров выполняют, то нагрузка на CPU 14 увеличивается, поскольку обработку изображения выполняют на основании данных, полученных после считывания экспозиции. Если нагрузка на CPU увеличивается, то другая обработка может быть задержана или замедлена.

[0033] Также, фотограф может установить режимы AF во время фотографирования. Одним из таких режимов является назначение режима рамки AF. Режим рамки AF является режимом для настройки фокуса в интервале между каждым из экспозиций (режимом AF). Если назначение режима рамки AF фотографом принимают, то CPU 14 захватывает информацию в отношении режима, содержащую информацию о назначении, для назначения способа определения для режима настройки фокуса, применяемого в интервале между каждым из экспозиций. CPU 14 определяет режим рамки AF согласно назначению, представленному посредством информации о назначении.

[0034] В назначении, представленном посредством информации о назначении, существуют три типа назначений в данном варианте осуществления: назначение для подачи команды определения режима AF с использованием детектирования фокуса посредством датчика, предназначенного для детектирования фокуса, в качестве режима рамки AF; назначение для подачи команды определения режима AF с использованием детектирования фокуса посредством элемента формирования изображения в качестве режима рамки AF; и назначение для подачи команды должным образом использовать оба этих режима.

[0035] Назначение для подачи команды использовать должным образом оба режима является назначением, которое обеспечивает возможность выбора режима AF с лучшей эффективностью среди режима AF с использованием детектирования фокуса посредством датчика, предназначенного для детектирования фокуса, и режима AF с использованием детектирования фокуса посредством элемента формирования изображения при определении в качестве режима рамки AF.

[0036] Например, режим AF с лучшей эффективностью означает, что этот режим имеет большую скорость непрерывной съемки, чем другой режим, при применении этого режима. Если информация о назначении представляет назначение для подачи команды использовать должным образом оба режима, то CPU 14 захватывает информацию, которая определяет скорость непрерывной съемки, во время непрерывной съемки, в качестве информации в отношении режима, например, для соответствующих режимов AF. Дополнительно, CPU 14 определяет режим AF, имеющий большую скорость непрерывной съемки, чем скорость непрерывной съемки в другом режиме, в качестве режима рамки AF. Скорость непрерывной съемки оценивают на основе информации, которая определяет скорость непрерывной съемки во время непрерывной съемки.

[0037] Также, режим AF с лучшей эффективностью означает режим AF с более высокой точностью для детектирования фокуса. CPU 14 захватывает информацию, которая определяет точность для детектирования фокуса, во время непрерывной съемки, в качестве информации в отношении режима, например, для соответствующих режимов AF. Затем, CPU 14 определяет режим AF с более высокой точностью для детектирования фокуса на основе информации, которая определяет точность для детектирования фокуса, во время непрерывной съемки, в качестве режима рамки AF. Информацию в отношении режима записывают в CPU 14. Также, фотограф может установить режим фотографирования с тихим звуком для обеспечения тихого звука привода посредством замедления привода зеркала.

[0038] Фиг. 2 и Фиг. 3 являются последовательностями операций, показывающими иллюстративную обработку для функционирования устройства захвата изображения во время непрерывной съемки.

Сначала, на стадии S101 Фиг. 2, CPU 14 определяет, нажат ли, или нет, SW1. Если SW1 не нажат, то обработку возвращают к S101.

Если SW1 нажат, то обработка переходит к S102. Поскольку обеспечивают состояние нижнего положения зеркала при удерживании SW1, обработку настройки фокуса с использованием датчика 11, предназначенного для детектирования фокуса, выполняют следующим образом. Сначала CPU 14 накапливает сигнал изображения в датчике 11, предназначенном для детектирования фокуса, для захвата сигнала изображения с использованием датчика 11, предназначенного для детектирования фокуса (S102). Время накопления для сигнала изображения посредством датчика 11, предназначенного для детектирования фокуса, изменяется в зависимости от освещенности. CPU 14 запоминает это время накопления.

[0039] Далее, CPU 14 вычисляет величину дефокусировки на основе разности фаз между парой сигналов изображения, полученных посредством накопления (S103). Затем, CPU 14 разрешает управление объективом 1 фотографирования с использованием величины дефокусировки, вычисленной на стадии S103.

[0040] Далее, CPU 14 определяет, нажат ли, или нет, SW2 (S105). Если SW2 не нажат, то обработку возвращают к S101. Если SW2 нажат, то обработка переходит к S106 и начинают операцию для непрерывной съемки.

[0041] Сначала зеркало перемещают вверх (S106). Затем CPU 14 выполняет обработку фотографирования посредством экспозиции. Электрический сигнал, который фотоэлектрически преобразован посредством элемента 12 формирования изображения, отправляют через схему 13 захвата изображения к CPU 14 в качестве данных изображения (S107). Также, поскольку пару сигналов для детектирования фокуса выводят из элемента 12 формирования изображения посредством экспозиции элемента 12 формирования изображения, пару сигналов для детектирования фокуса также отправляют через схему 13 захвата изображения к CPU 14.

[0042] Далее, CPU 14 разрешает зеркалу находиться внизу таким образом, чтобы изображение могло быть видно посредством видоискателя 9 (S108).

Затем, CPU 14 получает информацию в отношении режима и подтверждает контент назначения режима AF, представленный посредством информации о назначении, включенной в информацию в отношении режима.

[0043] Если информация о назначении представляет назначение, которое назначает режим AF с использованием детектирования фокуса посредством датчика, предназначенного для детектирования фокуса, для определения в качестве режима рамки AF, то обработка переходит к стадии S110. Сигнал изображения накапливают в датчике 11, предназначенном для детектирования фокуса (S110). CPU 14 вычисляет величину дефокусировки на основе разности фаз между парой сигналов изображения, выводимых из датчика 11, предназначенного для детектирования фокуса (S111). Затем, CPU 14 управляет объективом 1 фотографирования с использованием величины дефокусировки, вычисленной на стадии S111 (S118). Затем, CPU 14 определяет, нажат ли, или нет, SW2 (S129). Если SW2 нажат, то обработка переходит к S106. Если SW2 не нажат, то непрерывную съемку останавливают.

[0044] Если информация о назначении представляет назначение для назначения определения режима AF с использованием детектирования фокуса посредством элемента формирования изображения в качестве режима рамки AF, то обработка переходит к S112. Затем, CPU 14 выполняет операцию корреляции на основе пары сигналов для детектирования фокуса, полученных на стадии S107, и вычисляет величину дефокусировки (S112).

[0045] Если информация о назначении представляет назначение для назначения обоих режимов для использования должным образом, то обработка переходит к S113 на Фиг. 3. Затем, CPU 14 определяет, что либо режим AF с использованием детектирования фокуса посредством элемента формирования изображения, либо режим AF с использованием детектирования фокуса посредством датчика, предназначенного для детектирования фокуса, является оптимальным режимом AF, и выбирает режим AF, определенный в качестве оптимального (S113). Более конкретно, CPU 14 определяет режим AF с лучшей эффективностью в качестве оптимального режима AF. Выбор оптимального режима AF на стадии S113 описан ниже.

[0046] Если режим AF с использованием детектирования фокуса посредством датчика, предназначенного для детектирования фокуса, выбирают в качестве оптимального режима AF, то обработка переходит к S114. Затем, CPU 14 накапливает сигнал изображения посредством датчика 11, предназначенного для детектирования фокуса, как на изложенной выше стадии S102 (S114). Затем, CPU 14 вычисляет величину дефокусировки на основе разности фаз между парой сигналов изображения, полученных посредством накопления (S115).

[0047] Далее, CPU 14 вычисляет оценочную величину, представляющую достоверность величины дефокусировки (S116). Оценочная величина, представляющая достоверность величины дефокусировки, показывает, насколько точной является величина дефокусировки. Оценочная величина, вычисленная на стадии S116, соответствует режиму AF с использованием детектирования фокуса посредством датчика, предназначенного для детектирования фокуса. CPU 14 вычисляет оценочную величину, представляющую достоверность, с использованием степени совпадения между парой сигналов изображения. Достоверность может быть сниженной, если освещенность является низкой, контрастность объекта является низкой и т.п.

[0048] CPU 14 определяет, является ли, или нет, оценочная величина, представляющая достоверность, меньшей, чем порог (S117). Если оценочная величина, представляющая достоверность, не является меньшей, чем порог, то объективом 1 фотографирования управляют с использованием величины дефокусировки, вычисленной на изложенной выше стадии S115.

[0049] Если оценочная величина, представляющая достоверность, является меньшей, чем порог, то CPU 14 выполняет операцию корреляции на основе пары сигналов для детектирования фокуса, выводимых из элемента 12 формирования изображения на стадии S107, как описано выше, и вычисляет величину дефокусировки (S119). Также, CPU 14 вычисляет оценочную величину, представляющую достоверность величины дефокусировки, с использованием степени совпадения между парой сигналов для детектирования фокуса, выводимых из элемента 12 формирования изображения (S120). Оценочная величина, вычисленная на стадии S120, соответствует режиму AF с использованием детектирования фокуса посредством элемента формирования изображения. CPU 14 выбирает режим AF, который соответствует более высокой оценочной величине, либо из оценочной величины, представляющей достоверность, вычисленную на стадии S116 (первая оценочная величина), либо из оценочной величины, представляющей достоверность, вычисленную на стадии S120 (вторая оценочная величина) (S121). Затем, CPU 14 управляет объективом 1 фотографирования с использованием величины дефокусировки, соответствующей режиму AF, который выбирают на стадии S121, описанной выше.

[0050] На стадии S113, описанной выше, если режим AF с использованием детектирования фокуса посредством элемента формирования изображения выбирают в качестве оптимального режима AF, то обработка переходит к S122. Затем, CPU 14 выполняет операцию корреляции на основе пары сигналов для детектирования фокуса, выводимых из элемента 12 формирования изображения на стадии S107, описанной выше, и вычисляет величину дефокусировки (S122). Также, CPU 14 вычисляет оценочную величину, представляющую достоверность величины дефокусировки, с использованием степени совпадения между парой сигналов для детектирования фокуса, выводимых из элемента 12 формирования изображения (S123). Оценочная величина, вычисленная на стадии S123, соответствует режиму AF с использованием детектирования фокуса посредством элемента формирования изображения.

[0051] Далее, CPU 14 определяет, является ли, или нет, вычисленная оценочная величина, представляющая достоверность, меньшей, чем порог (S117). Если оценочная величина, представляющая достоверность, не является меньшей, чем порог, то объективом 1 фотографирования управляют с использованием величины дефокусировки, вычисленной на стадии S115, изложенной выше.

[0052] Если оценочная величина, представляющая достоверность, является меньшей, чем порог, то CPU 14 накапливает сигналы изображения посредством датчика 11, предназначенного для детектирования фокуса (S125). Затем, CPU 14 вычисляет величину дефокусировки на основе разности фаз пары сигналов изображения, полученных посредством накопления (S126).

[0053] Далее, CPU 14 вычисляет оценочную величину, представляющую достоверность величины дефокусировки, вычисленной на стадии S126 (S127). Оценочная величина, вычисленная на стадии S127, соответствует режиму AF с использованием детектирования фокуса посредством датчика, предназначенного для детектирования фокуса. CPU 14 выбирает режим AF, соответствующий более высокой оценочной величине либо из оценочной величины, представляющей достоверность, вычисленной на стадии S123, либо из оценочной величины, представляющей достоверность, вычисленной на стадии S127 (S128). Затем, обработка переходит к S118 на Фиг. 2, и CPU 14 управляет объективом 1 фотографирования с использованием величины дефокусировки, соответствующей режиму AF, выбранному на стадии S128, описанной выше (S118).

[0054] Будет дано описание способа для выбора оптимального режима AF на стадии S113 по Фиг. 3. В качестве способов для выбора оптимального режима AF, предложены способы от первого способа выбора до третьего способа выбора, описанные ниже.

[0055] Первый способ выбора является способом для выбора режима AF, имеющего скорость непрерывной съемки, которая оказывается большей. CPU 14 получает (вычисляет) информацию, которая определяет скорость непрерывной съемки, во время непрерывной съемки, для режима AF с использованием детектирования фокуса посредством элемента формирования изображения и режима AF с использованием детектирования фокуса посредством датчика, предназначенного для детектирования фокуса, соответственно. Информация, которая определяет скорость непрерывной съемки во время непрерывной съемки, является временем до вычисления величины дефокусировки.

[0056] Время до вычисления величины дефокусировки, которое вычисляют согласно режиму AF с использованием детектирования фокуса посредством датчика, предназначенного для детектирования фокуса, является суммой времени подъема зеркала, времени накопления для сигнала изображения в датчике, предназначенном для детектирования фокуса, и времени обработки дефокусировки. Время подъема зеркала является временем для отведения зеркального элемента из оптического пути. Время подъема зеркала изменяют в зависимости от того, находится ли режим фотографирования, или нет, в нормальном режиме фотографирования, или в режиме фотографирования с тихим звуком. CPU 14 запоминает заранее информацию соответствия между временем подъема зеркала и режимом фотографирования и определяет время подъема зеркала, соответствующее режиму фотографирования, во время фотографирования, с использованием этой информации соответствия. CPU 14 использует последнее время накопления на стадии S102, при удерживании SW1, в качестве времени накопления датчика, предназначенного для детектирования фокуса. Время накопления изменяется в зависимости от освещенности. Если светло, то время накопления становится коротким, и, если темно, время накопления становится длительным. Следует отметить, что время обработки дефокусировки не изменяется в зависимости от задания параметров.

[0057] Время до вычисления величины дефокусировки, которое вычисляют согласно режиму AF с использованием детектирования фокуса посредством элемента формирования изображения, является суммой времени для обработки изображения (времени обработки изображения) и времени обработки дефокусировки. Поскольку в режиме AF с использованием детектирования фокуса посредством элемента формирования изображения, обработка формирования изображения и обработка дефокусировки могут быть выполнены во время подъема зеркала, время подъема зеркала не добавляют в общее время. Время обработки изображения определяют в зависимости от обработки изображения во время фотографирования. CPU 14 запоминает заранее информацию соответствия между обработкой изображения и ожидаемым временем для обработки изображения, и определяет сумму ожидаемого времени, соответствующего каждой обработке изображения, определенной перед фотографированием, в качестве времени обработки изображения. Например, время обработки изображения составляет 20 мс, если к изображению применяют обработку изображения, такую как «рыбий глаз», и время обработки изображения составляет 10 мс, если к изображению применяют монохроматическую обработку изображения, и время обработки изображения составляет 5 мс, если к изображению применяют обработку шума при высокой чувствительности. Следует отметить, что время обработки дефокусировки при использовании элемента формирования изображения изменяется не только в зависимости от задания параметров. CPU 14 выбирает режим AF, в котором время до вычисления величины дефокусировки, которое вычисляют, как описано выше, является более коротким, посредством определения, что этот режим AF является режимом AF, имеющим большую скорость непрерывной съемки.

[0058] Второй способ выбора является способом для выбора режима AF с более высокой точностью для детектирования фокуса. В отношении точности для детектирования фокуса, либо режим AF с использованием детектирования фокуса посредством датчика, предназначенного для детектирования фокуса, либо режим AF с использованием детектирования фокуса посредством элемента формирования изображения определяют в качестве лучшего режима AF в зависимости от условия фотографирования. Таким образом, CPU 14 выбирает режим AF, точность которого для детектирования фокуса не снижена (с более высокой точностью для детектирования фокуса) согласно информации, представляющей условие фотографирования.

[0059] Информация, представляющая условие фотографирования, содержит, например, направление считывания элемента формирования изображения и информацию о том, является ли объект вертикальной линией или горизонтальной линией. Если направление считывания элемента формирования изображения является горизонтальным направлением, и объект явл