Иллюстрации к патенту
1529132
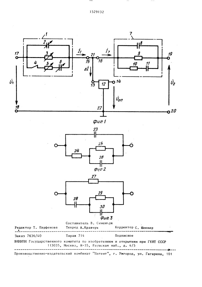
Способ измерения параметров четырехэлементных двухполюсников мостом переменнного тока