PatentDB.ru — поиск по патентным документам

Иллюстрации к патенту 168143

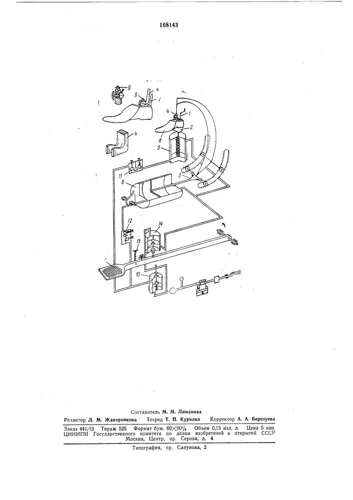
Полуавтомат для удаления разъемных колодок из обувиr> &'b:hnti:i;a

Полуавтомат для удаления разъемных колодок из обувиr> &'b:hnti:i;a (патент 168143)