Иллюстрации к патенту
183829
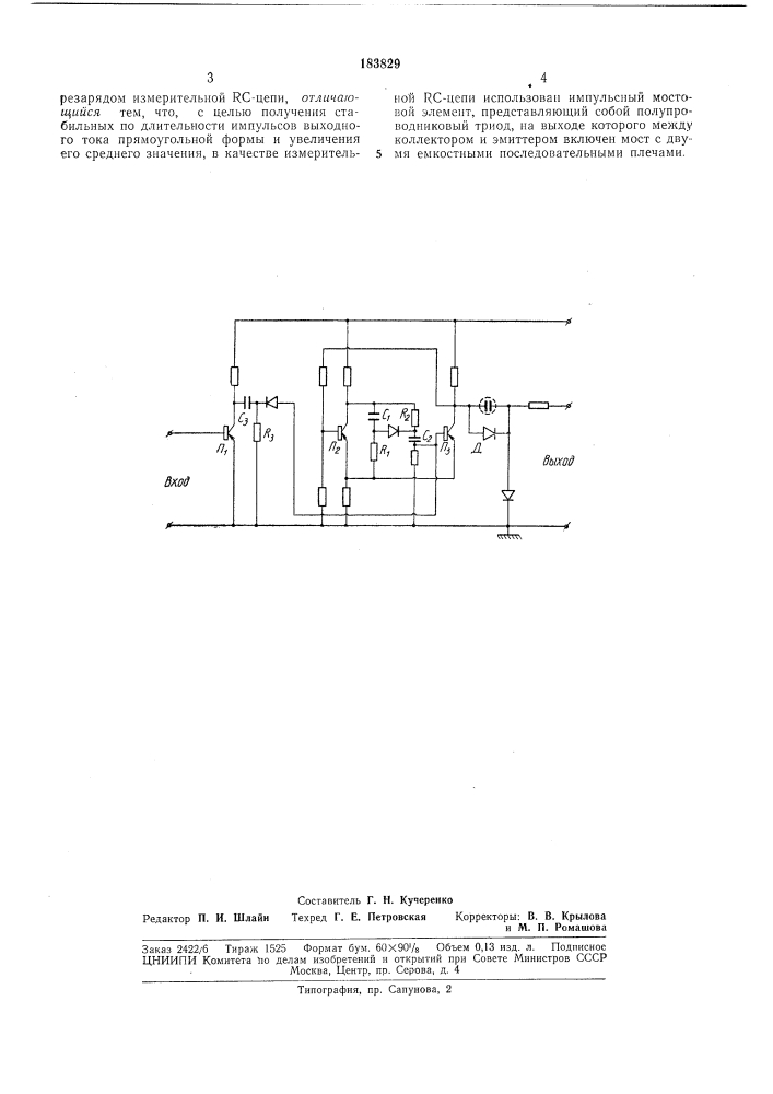
Патент ссср 183829