Иллюстрации к патенту
2258951
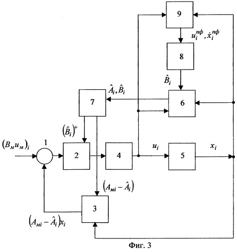
Адаптивная система управления с двухэтапным идентификатором и неявной эталонной моделью