PatentDB.ru — поиск по патентным документам

Иллюстрации к патенту 328280

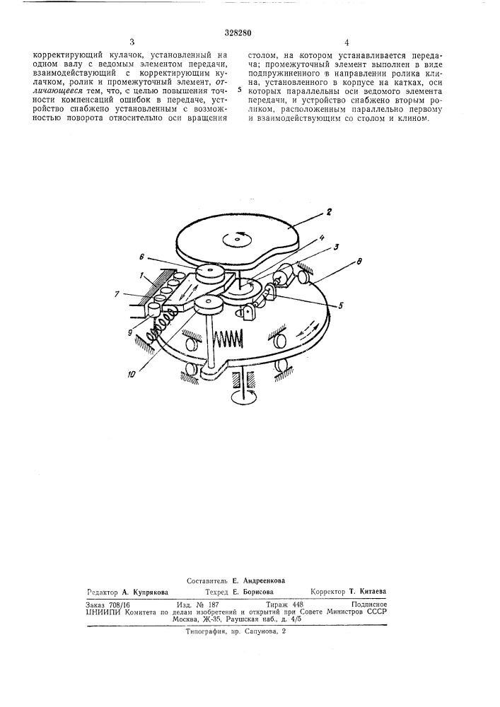
Корректирующее устройство

Корректирующее устройство (патент 328280)