PatentDB.ru — поиск по патентным документам

Иллюстрации к патенту 364409

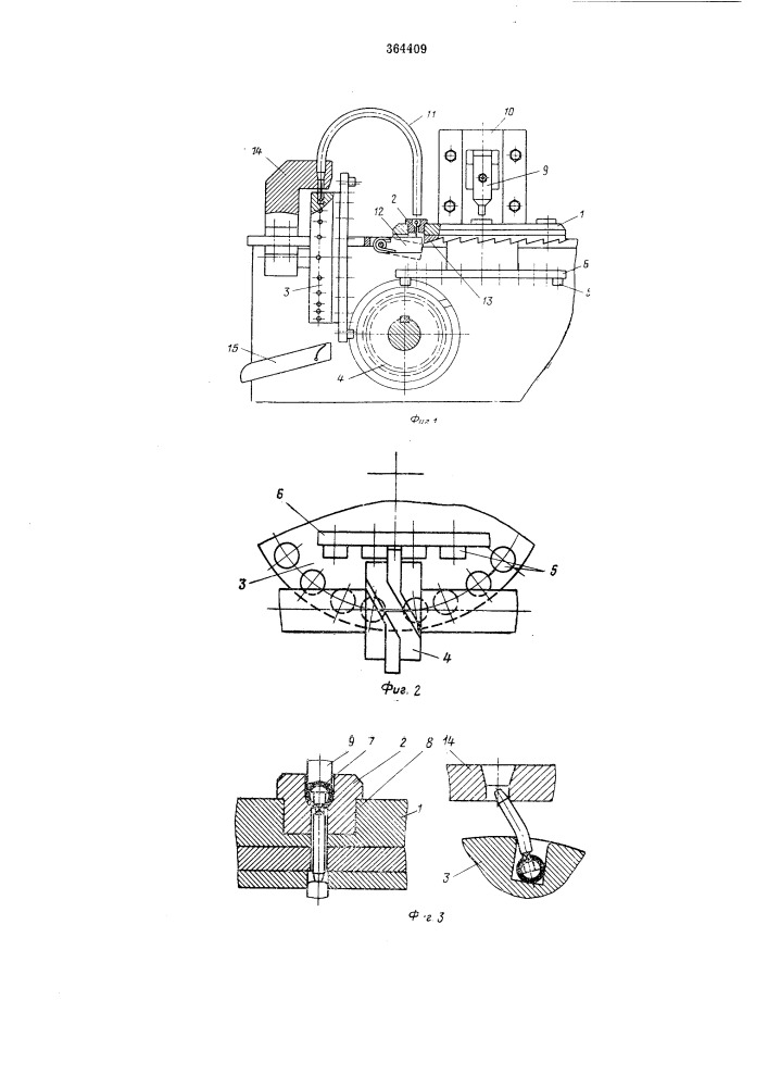
Полуавтомат для изготовления металлофурнитуры

Полуавтомат для изготовления металлофурнитуры (патент 364409)