PatentDB.ru — поиск по патентным документам

Иллюстрации к патенту 394914

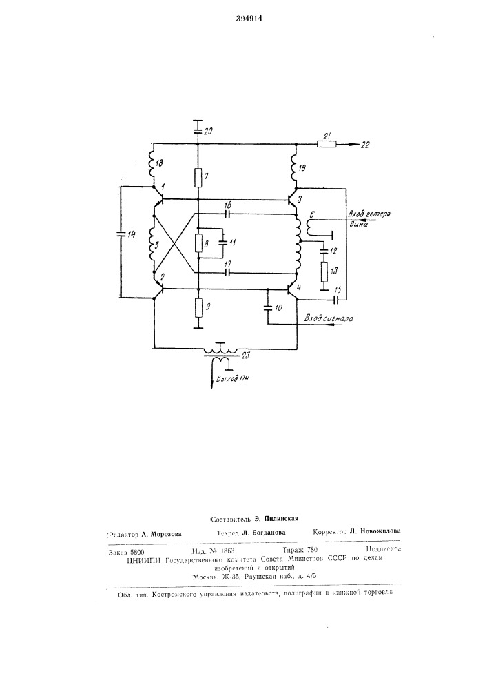
Кольцевой транзисторный смеситель

Кольцевой транзисторный смеситель (патент 394914)