PatentDB.ru — поиск по патентным документам

Иллюстрации к патенту 400655

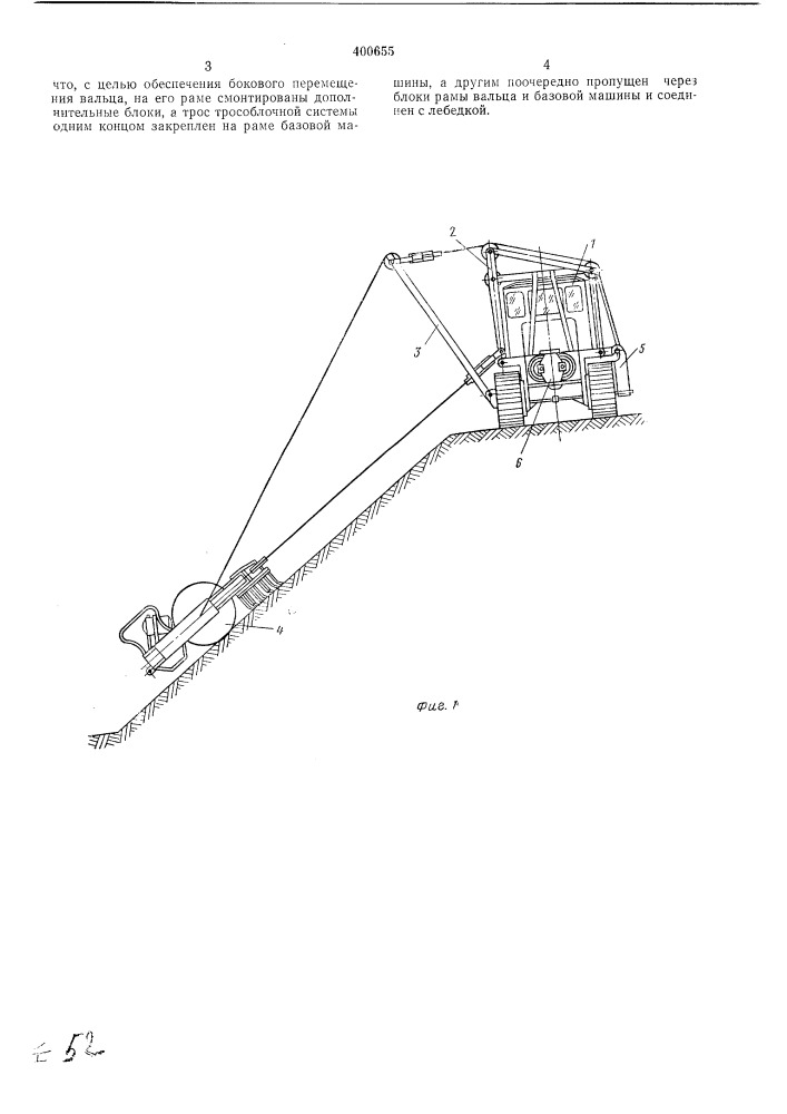
Устройство для уплотнения откосов

Устройство для уплотнения откосов (патент 400655)