PatentDB.ru — поиск по патентным документам

Иллюстрации к патенту 419053

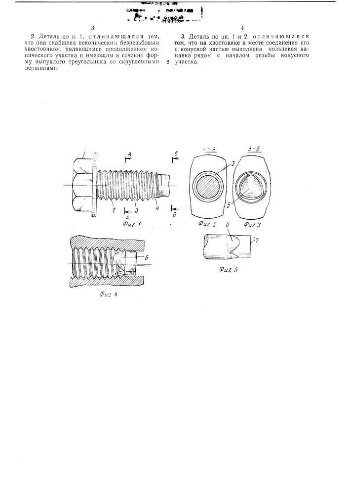
Резьбонарезаю1д*ая крепежная деталь

Резьбонарезаю1д*ая крепежная деталь (патент 419053)