PatentDB.ru — поиск по патентным документам

Семисынов Андрей Сергеевич (RU)

Семисынов Андрей Сергеевич (RU) является правообладателем следующих патентов:

Установка для производства органического удобрения

Установка для производства органического удобрения

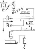
Изобретение предназначено для производства органических удобрений. Установка содержит смеситель (6) с входами органического материала и дополнительных компонентов и выход для их смеси. Первая промежуточная емкость с насосом (7), измельчитель предварительного помола (8) органического материала, измельчитель тонкого помола (10), вторая промежуточная емкость с насосом (9) и ультразвуковой диспергат...

2599176