Установка для производства органического удобрения

Иллюстрации

Показать все

Изобретение предназначено для производства органических удобрений. Установка содержит смеситель (6) с входами органического материала и дополнительных компонентов и выход для их смеси. Первая промежуточная емкость с насосом (7), измельчитель предварительного помола (8) органического материала, измельчитель тонкого помола (10), вторая промежуточная емкость с насосом (9) и ультразвуковой диспергатор (12) соединены последовательно с выходом смесителя. Изобретение повышает физиологическую активность органического удобрения путем увеличения водорастворимой формы. 3 з.п. ф-лы, 1 ил.

Реферат

Изобретение относится к устройствам для производства органических удобрений.

Известна установка (линия) для производства органического (торфяного) удобрения, содержащая смеситель, имеющий входы для органического материала, воды и щелочи, а также выход для смеси /патент РФ 2021988, 30.10.1994/.

Данная установка не позволяет получить высокую физиологическую активность органического удобрения.

Технический результат, на достижение которого направлено изобретение, заключается в усилении физиологической активности органического удобрения путем увеличения водорастворимой формы.

Для достижения указанного технического результата предложена установка для производства органического удобрения, содержащая смеситель, имеющий входы органического материала и дополнительных компонентов и выход для их смеси.

Она снабжена измельчителем предварительного помола органического материала, первой промежуточной емкостью с насосом, измельчителем тонкого помола, второй промежуточной емкостью с насосом и ультразвуковым диспергатором, которые соединены последовательно с выходом смесителя.

Установка может быть снабжена сепаратором для отсеивания крупных кусков, бункером-накопителем, первым шнековым транспортером, дробилкой и вторым шнековым транспортером, которые соединены последовательно так, что первый вход упомянутого смесителя соединен вторым шнековым транспортером с выходом дробилки, вход которой соединен первым шнековым транспортером с выходом бункера-накопителя, перед входом в который расположен упомянутый сепаратор.

Второй вход упомянутого смесителя соединен насосом-дозатором с выходом емкости для раствора щелочи, третий вход соединен насосом-дозатором с выходом емкости для раствора добавки минерального удобрения, а четвертый вход соединен насосом-дозатором подачи воды.

Установка имеет горизонтальный противоточный смеситель, молотковую дробилку, жерновой измельчитель предварительного помола, ротационный измельчитель тонкого помола и ультразвуковой диспергатор.

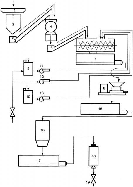
На чертеже - схема установки для производства органического удобрения

Установка для производства органического удобрения содержит сепаратор 1 органического материала (торфа), бункер-накопитель 2 органического материала, первый шнековый транспортер 3 перемещения для органического материала, молотковую дробилку 4 органического материала, второй шнековый транспортер 5 перемещения для органического материала, горизонтальный противоточный смеситель 6, первую промежуточную емкость 7 с насосом, жерновой измельчитель 8 промежуточного помола, вторую промежуточную емкость 9 с насосом, ротационный измельчитель 10 с планетарными режущими инструментами, третью промежуточную емкость 11 с насосом, ультразвуковой диспергатор 12 и кран 13 выхода готовой смеси.

Горизонтальный противоточный смеситель 6 имеет первый вход для органического материала из первого шнекового транспортера 3, второй вход для ввода водного раствора добавки насосом-дозатором 14 из емкости 15, которая выполнена с возможностью наполнения водой и концентратом добавки, третий вход для ввода воды насосом-дозатором 16 из крана 17 и четвертый вход для ввода раствора щелочи насосом-дозатором 18 из емкости 19, которая выполнена с возможностью наполнения водой и концентратом щелочи. Емкости 15, 19 выполнены с возможностью наполнения водой из крана 17. Смеситель 6 предназначен для получения однородной массы смеси на выходе.

Сепаратор 1 предназначен для отсеивания крупных кусков органического материала (торфа), а также посторонних включений - камней, частей деревьев и т.п.

Бункер-накопитель 2 предназначен для обеспечения бесперебойной подачи первым шнековым транспортером 3 органического материала в молотковую дробилку 4.

Сепаратор 1, бункер-накопитель 2 и молотковая дробилка 4 обеспечивают предварительную подготовку однородной фракции (с размером частиц 3-5 мм) органического материала.

Жерновой измельчитель 8 предназначен для предварительного помола (мокрый помол) смеси с размером частиц 100-200 микрон.

Ротационный измельчитель 10 предназначен для механической активации смеси с получением смеси с размером частиц менее 100 микрон.

Ультразвуковой диспергатор 12 предназначен для интенсификации растворения органического материала в воде смеси.

Первая промежуточная емкость с насосом 7 предназначена для хранения и равномерной подачи смеси в жерновой измельчитель 8.

Вторая промежуточная емкость с насосом 9 предназначена для хранения и равномерной подачи смеси в ротационный измельчитель 10.

Третья промежуточная емкость с насосом 11 предназначена для хранения и равномерной подачи смеси в ультразвуковой диспергатор 12.

Кран 13 выхода готовой смеси - готового удобрения предназначен для разлива в тару.

Работа установки.

Скорость электродвигателя привода шнекового транспортера 3, электродвигателя привода насосов подачи смеси из емкостей 15, 17 регулируют частотным преобразователем в зависимости от степени и скорости помола.

Для исключения случайного попадания посторонних включений в бункер-накопитель 2 органический материал (торф) проходит сепаратор 1.

Первый шнековый транспортер 3 перемещает органический материал с выхода бункер-накопителя 2 на вход молотковой дробилки 4.

Второй транспортер 5 перемещает органический материал с выхода молотковой дробилки 4 на первый вход горизонтального противоточного смесителя 6, на второй вход из емкости 15 насосом-дозатором 14 подают водный раствор добавки, на третий вход насосом-дозатором 16 из крана 17 подают воду и на четвертый насосом-дозатором 18 из емкости 19 подают раствор щелочи.

Последовательно полученную смесь подают соответствующими насосами с выхода смесителя 6 на вход первой промежуточной емкости 7, с выхода которой на вход жернового измельчителя предварительного помола 8, с выхода которого на вход второй промежуточной емкости 9, с выхода которой на вход ротационного измельчителя 10, с выхода которого на вход третьей промежуточной емкости 11, с выхода которой на вход ультразвукового диспергатора 12, а с выхода которого на вход крана 13 выхода готовой смеси - готового удобрения предназначен для разлива в тару.

1. Установка для производства органического удобрения, содержащая смеситель, имеющий входы органического материала и дополнительных компонентов и выход для их смеси, отличающаяся тем, что она снабжена измельчителем предварительного помола органического материала, первой промежуточной емкостью с насосом, измельчителем тонкого помола, второй промежуточной емкостью с насосом и ультразвуковым диспергатором, которые соединены последовательно с выходом смесителя.

2. Установка по п.1, отличающаяся тем, что она снабжена сепаратором для отсеивания крупных кусков, бункером-накопителем, первым шнековым транспортером, молотковой дробилкой и вторым шнековым транспортером, которые соединены последовательно так, что первый вход упомянутого смесителя соединен вторым шнековым транспортером с выходом дробилки, вход которой соединен первым шнековым транспортером с выходом бункера-накопителя, перед входом в который расположен упомянутый сепаратор.

3. Установка по п.2, отличающаяся тем, что второй вход упомянутого смесителя соединен насосом-дозатором с выходом емкости для раствора щелочи, третий вход соединен насосом-дозатором с выходом емкости для раствора добавки минерального удобрения, а четвертый вход соединен насосом-дозатором подачи воды.

4. Установка по п.3, отличающаяся тем, что она имеет горизонтальный противоточный смеситель, молотковую дробилку органического материала, жерновой измельчитель предварительного помола, ротационный измельчитель тонкого помола и ультразвуковой диспергатор.