Электроустановка энергоблока электростанции

Иллюстрации

Показать все

Изобретение относится к электротехнике и может быть использовано в электроэнергетике, в электростанции с блочными схемами выдачи электроэнергии. Техническим результатом является уменьшение напряженности электрического поля на изоляции электротехнического оборудования и ограничение аварийных токов во время междуфазных коротких замыканий в электрических цепях генератора и собственных нужд, поддержание необходимого уровня напряжения на нагрузке собственных нужд во время коротких замыканий в электрических цепях генератора, распределительной установке электростанции и прилегающей к ней электрической сети. Электроустановка энергоблока электростанции содержит трехфазный генератор, два токопровода и блочный трансформатор. Линейные выводы вторичной обмотки блочного трансформатора присоединены к распределительной установке электростанции, нейтральные выводы соединены в звезду с заземленной нейтралью. Линейные и нейтральные выводы обмотки статора генератора и первичной обмотки блочного трансформатора соединены пофазно соответственно первым и вторым токопроводами и образуют систему из трех однофазных гальванически взаимно не связанных электрических цепей. 16 з.п. ф-лы, 20 ил.

Реферат

Изобретение относится к электроэнергетике и может найти применение на мощных электростанциях с блочными схемами выдачи электроэнергии.

Известна электроустановка энергоблока электростанции, которая содержит трехфазный генератор с обмоткой статора, которая имеет три линейные и три нейтральные выводы, блочный трехфазный двухобмоточный трансформатор, каждая из обмоток которого имеет три линейные и три нейтральные выводы, и первый токопровод, при этом линейные выводы вторичной обмотки блочного трансформатора присоединены к распределительной установке электростанции, нейтральные выводы вторичной обмотки блочного трансформатора соединены в звезду с заземленной нейтралью, а линейные выводы обмотки статора генератора присоединены пофазно к линейным выводам первичной обмотки блочного трансформатора через первый токопровод [Электрическая часть станций и подстанций: Учеб. для вузов / А.А.Васильев, И.П.Крючков, Е.Ф.Наяшкова и др.; под ред. А.А.Васильева. - 2-е изд., перераб. и доп. - М.: Энергоатомиздат, 1990. - 576 с., с.348-349, рис. 24.2].

Однако надежность такой электроустановки энергоблока электростанции недостаточно высокая, потому что в ней имеют место большие значения токов во время возникновения междуфазных коротких замыканий на генераторном напряжении, которые приводят к значительным электродинамическим и термическим воздействиям на электротехническое оборудование и металлические конструкции, а также высокая напряженность электрического поля на изоляции обмоток статоров генераторов и трансформаторов, которая приводит к ускоренному старению изоляции из-за теплового нагрева и ионизационных разрушений, вследствие чего уменьшается их парковый ресурс. Возникновение коротких замыканий, в том числе и внешних, приводит к снижению напряжения на шинах собственных нужд энергоблока, вследствие чего может нарушиться технологический процесс выдачи электроэнергии и уменьшиться время использования установленной мощности энергоблока. Для исключения возможности возникновения в электроустановке энергоблока электростанции междуфазных коротких замыканий на генераторном напряжении соединение линейных выводов обмотки статора генератора с линейными выводами первичной обмотки блочного трансформатора выполняют пофазно экранированными токопроводами. Но такие токопроводы не уменьшают вероятности внутренних повреждений в генераторе, в том числе и из-за ионизационных разрушений изоляции обмотки статора. Вместе с тем, анализ причин аварийных отключений энергоблоков на электростанциях показывает, что значительная часть внутренних повреждений в генераторах завершается возникновением в них междуфазных коротких замыканий с большими токами и значительными повреждениями генераторов, а также существенным снижением напряжения на шинах собственных нужд, и, как следствие, приводит к простаиванию энергоблока в течение времени проведения ремонтных работ. При этом для сохранения работы электропотребителей собственных нужд во время снижения напряжения на шинах собственных нужд применяют сложные системы резервного питания.

В основу изобретения поставлена задача создать электроустановку энергоблока электростанции, в которой введение новых элементов, новое выполнение элементов и связей между ними позволило бы уменьшить значения токов, электродинамических и термических воздействий на электротехническое оборудование и металлические конструкции во время возникновения междуфазных коротких замыканий, уменьшить напряженность электрического поля на изоляции обмоток статоров генераторов и трансформаторов, обеспечить поддержание необходимого уровня напряжения на нагрузке собственных нужд энергоблока во время коротких замыканий в распределительной установке электростанции и прилегающей к ней электрической сети, и тем самым повысить надежность работы.

Поставленная задача достигается тем, что электроустановка энергоблока электростанции, которая содержит трехфазный генератор с обмоткой статора, которая имеет три линейные и три нейтральные выводы, блочный трехфазный двухобмоточный трансформатор, каждая из обмоток которого имеет три линейные и три нейтральные выводы, и первый токопровод, при этом линейные выводы вторичной обмотки блочного трансформатора присоединены к распределительной установке электростанции, нейтральные выводы вторичной обмотки блочного трансформатора соединены в звезду с заземленной нейтралью, а линейные выводы обмотки статора генератора присоединены пофазно к линейным выводам первичной обмотки блочного трансформатора через первый токопровод, согласно изобретению, дополнительно содержит второй токопровод, при этом нейтральные выводы обмотки статора генератора присоединены пофазно к нейтральным выводам первичной обмотки блочного трансформатора через второй токопровод.

Введение второго токопровода и новых связей между элементами позволит уменьшить значения токов, электродинамических и термических воздействий на обмотки статора генератора и блочного трансформатора и поддерживать необходимый уровень напряжения на нагрузке собственных нужд во время междуфазных коротких замыканий на генераторном напряжении, уменьшить напряженность электрического поля на изоляции обмотки статора генератора и первичной обмотки блочного трансформатора во всех режимах и тем самым повысить надежность работы.

Поставленная задача достигается также тем, что электроустановка энергоблока электростанции содержит дополнительный первый и дополнительный второй токопроводы, а генератор выполнен с дополнительной обмоткой статора и блочный трансформатор выполнен с дополнительной первичной обмоткой, при этом линейные и нейтральные выводы дополнительной обмотки статора генератора присоединены пофазно соответственно к линейным и нейтральным выводам дополнительной первичной обмотки блочного трансформатора через дополнительный первый и дополнительный второй токопроводы.

Это позволяет повысить надежность работы электроустановки энергоблока электростанции, генератор которой может иметь одну и более дополнительных обмоток статора.

Поставленная задача достигается также тем, что электроустановка энергоблока электростанции содержит дополнительный генератор, при этом линейные и нейтральные выводы обмотки статора дополнительного генератора присоединены пофазно соответственно к линейным и нейтральным выводам дополнительной первичной обмотки блочного трансформатора через дополнительный первый и дополнительный второй токопроводы.

Это позволяет повысить надежность работы электроустановки энергоблока электростанции, который может содержать один и более дополнительных генераторов.

Поставленная задача достигается также тем, что электроустановка энергоблока электростанции содержит первый и второй компенсирующие трехфазные реакторы, линейные выводы обмоток которых присоединены пофазно соответственно к первому и второму токопроводам, а нейтральные выводы обмоток этих реакторов соединены в звезды с заземленными нейтралями.

Это обеспечивает дополнительно равномерное распределение напряженности электрического поля на изоляции обмотки статора генератора и первичной обмотки блочного трансформатора и тем самым повышает надежность работы.

Поставленная задача достигается также тем, что в электроустановке энергоблока электростанции нейтральные выводы обмоток первого и второго компенсирующих трехфазных реакторов соединены пофазно между собой и заземлены.

Это обеспечивает дополнительно уменьшение значений токов через заземляющее устройство во всех режимах и тем самым повышает надежность работы.

Поставленная задача достигается также тем, что электроустановка энергоблока электростанции содержит первый трехфазный трансформатор собственных нужд, линейные выводы вторичной обмотки которого присоединены пофазно к первой распределительной установке собственных нужд энергоблока, к которой присоединены пофазно линейные выводы нагрузки собственных нужд, при этом первый и второй токопроводы выполнены соответственно с первым и вторым ответвлениями токопроводов, через которые они присоединены пофазно соответственно к линейным и нейтральным выводам первичной обмотки первого трансформатора собственных нужд.

Это позволяет дополнительно распространить ранее указанные преимущества на первичную обмотку первого трехфазного трансформатора собственных нужд и тем самым повысить надежность работы.

Поставленная задача достигается также тем, что электроустановка энергоблока электростанции содержит второй трехфазный трансформатор собственных нужд, линейные выводы вторичной обмотки которого присоединены пофазно к электрической цепи между линейными выводами вторичной обмотки первого трансформатора собственных нужд и первой распределительной установкой собственных нужд, при этом первичная обмотка второго трансформатора собственных нужд включена пофазно последовательно в электрическую цепь между выводами обмотки статора генератора и ответвлением токопровода.

Это обеспечивает дополнительно поддержание необходимого уровня напряжения на нагрузке собственных нужд при изменении нагрузки энергоблока без устройств РПН трансформаторов, а также во время коротких замыканий в распределительной установке электростанции и в прилегающей к ней электрической сети и тем самым повышает надежность работы.

Поставленная задача достигается также тем, что в электроустановке энергоблока электростанции первичная обмотка второго трансформатора собственных нужд включена пофазно последовательно в электрическую цепь между ответвлением токопровода и выводами первичной обмотки блочного трансформатора.

Это позволяет уменьшить токовую нагрузку первичной обмотки второго трансформатора собственных нужд и тем самым повысить надежность работы.

Поставленная задача достигается также тем, что в электроустановке энергоблока электростанции первичная обмотка второго трансформатора собственных нужд включена пофазно последовательно в электрическую цепь между линейными выводами вторичной обмотки блочного трансформатора и распределительной установкой электростанции.

Это позволит в большей мере уменьшить токовую нагрузку первичной обмотки второго трансформатора собственных нужд и тем самым повысить надежность работы.

Поставленная задача достигается также тем, что в электроустановке энергоблока электростанции первичная обмотка второго трансформатора собственных нужд включена пофазно последовательно в электрическую цепь между нейтральными выводами вторичной обмотки блочного трансформатора и нейтралью.

Это дает меньшие значения напряжений на изоляции первичной обмотки второго трансформатора собственных нужд и тем самым повышает надежность работы.

Поставленная задача достигается также тем, что электроустановка энергоблока электростанции содержит токоограничивающий трехфазный реактор, обмотка которого включена пофазно последовательно в электрическую цепь между линейными выводами вторичной обмотки первого трансформатора собственных нужд и местом присоединения линейных выводов вторичной обмотки второго трансформатора собственных нужд.

Это позволяет дополнительно снизить уровень токов во время коротких замыканий в электрической цепи нагрузки собственных нужд, а также обеспечить необходимый уровень напряжения на нагрузке собственных нужд и тем самым повысить надежность работы.

Поставленная задача достигается также тем, что в электроустановке энергоблока электростанции токоограничивающий трехфазный реактор выполнен сдвоенным с дополнительной обмоткой, при этом одни концы обмоток реактора через отдельные выводы присоединены пофазно соответственно к линейным выводам вторичных обмоток первого и второго трансформаторов собственных нужд, а другие концы обмоток реактора соединены пофазно между собой и через общие выводы присоединены пофазно к первой распределительной установке собственных нужд.

Это позволяет дополнительно обеспечивать необходимый уровень напряжения на нагрузке собственных нужд энергоблока во время нормальных режимов и тем самым повысить надежность работы.

Поставленная задача достигается также тем, что электроустановка энергоблока электростанции содержит трехфазный источник питания, а вторичная обмотка второго трансформатора собственных нужд включена пофазно последовательно в электрическую цепь между линейными выводами вторичной обмотки первого трансформатора собственных нужд и первой распределительной установкой собственных нужд, при этом первичная обмотка второго трансформатора собственных нужд включена пофазно последовательно между линейными выводами вторичной обмотки первого трансформатора собственных нужд и линейными выводами трехфазного источника питания.

Это позволяет дополнительно использовать трехфазный источник питания для обеспечения необходимого уровня напряжения на нагрузке собственных нужд энергоблока и тем самым повысить надежность работы.

Поставленная задача достигается также тем, что электроустановка энергоблока электростанции содержит первые и вторые коммутационные трехфазные аппараты, при этом трехфазный источник питания присоединен пофазно к выводам первичной обмотки второго трансформатора собственных нужд через первые коммутационные аппараты, а разноименные выводы вторичной обмотки второго трансформатора собственных нужд соединены пофазно между собой вторыми коммутационными аппаратами.

Это позволяет обеспечить питание нагрузки собственных нужд при неисправных трехфазном источнике питания или втором трансформаторе собственных нужд и тем самым повысить надежность работы.

Поставленная задача достигается также тем, что электроустановка энергоблока электростанции с первым трансформатором собственных нужд содержит вторую распределительную установку собственных нужд, а вторичная обмотка первого трансформатора собственных нужд и нагрузка собственных нужд выполнены с тремя нейтральными выводами соответственно, которые присоединены пофазно к второй распределительной установке собственных нужд.

Это позволит уменьшить значения токов, электродинамических и термических воздействий на вторичную обмотку первого трансформатора собственных нужд и электротехническое оборудование собственных нужд и поддерживать необходимый уровень напряжения на нагрузке собственных нужд во время междуфазных коротких замыканий на стороне собственных нужд, уменьшить напряженность электрического поля на изоляции вторичной обмотки первого трансформатора собственных нужд и электрооборудовании собственных нужд во всех режимах и тем самым повысить надежность работы.

Поставленная задача достигается также тем, что в электроустановке энергоблока электростанции нейтральные выводы вторичной обмотки второго трансформатора собственных нужд присоединены пофазно к электрической цепи между нейтральными выводами вторичной обмотки первого трансформатора собственных нужд и второй распределительной установкой собственных нужд.

Это позволяет дополнительно распространить ранее указанные преимущества на вторичную обмотку второго трансформатора собственных нужд и тем самым повысить надежность работы.

Поставленная задача достигается также тем, что в электроустановке энергоблока электростанции нейтральные выводы трехфазного источника питания присоединены пофазно к электрической цепи между нейтральными выводами вторичной обмотки первого трансформатора собственных нужд и второй распределительной установкой собственных нужд.

Это позволяет дополнительно распространить ранее указанные преимущества на трехфазный источник питания и тем самым повысить надежность работы.

Поставленная задача достигается также тем, что электроустановка энергоблока электростанции со второй распределительной установкой собственных нужд содержит компенсирующие трехфазные реакторы собственных нужд, линейные выводы обмоток которых присоединены пофазно соответственно к электрическим цепям между одноименными выводами вторичной обмотки первого трансформатора собственных нужд и нагрузкой собственных нужд, при этом нейтральные выводы обмоток этих реакторов соединены в звезды с заземленными нейтралями.

Это обеспечивает дополнительно равномерное распределение напряженности электрического поля на изоляции вторичных обмоток трансформаторов собственных нужд, источника питания и электрооборудования собственных нужд и тем самым повышает надежность работы.

Поставленная задача достигается также тем, что в электроустановке энергоблока электростанции с компенсирующими трехфазными реакторами собственных нужд нейтральные выводы обмоток компенсирующих трехфазных реакторов собственных нужд соединены пофазно между собой и заземлены.

Это обеспечивает дополнительно уменьшение значений токов через заземляющее устройство во всех режимах и тем самым повышает надежность работы.

Поставленная задача достигается также тем, что электроустановка энергоблока электростанции содержит генераторные трехфазные коммутационные аппараты в цепях токопроводов.

Это позволяет дополнительно повысить надежность питания нагрузки собственных нужд энергоблока и тем самым надежность работы.

Техническая сущность и принцип действия предложенного устройства объясняются фиг.1-20. На фиг.1 изображена электроустановка энергоблока электростанции с трехфазным генератором с одной обмоткой статора, блочным трехфазным двухобмоточным трансформатором (БТ), распределительной установкой (РУ) электростанции и первым и вторым токопроводами (ТП); на фиг.2 -электроустановка с генератором с дополнительной обмоткой статора, с БТ с дополнительной первичной обмоткой, с дополнительными первым и вторым ТП; на фиг.3 - электроустановка с дополнительным трехфазным генератором; на фиг.4 и 5 - электроустановки с первым и вторым компенсирующими трехфазными реакторами; на фиг.6 электроустановка с первым и вторым ответвлениями токопроводов (ОТП), с первым трехфазным трансформатором собственных нужд (ТСН), с первой распределительной установкой собственных нужд (РУ СН) и с нагрузкой собственных нужд (СН); на фиг.7-10 - электроустановки со вторым ТСН; на фиг.11 и фиг.12 - электроустановки с токоограничивающим трехфазным реактором; на фиг.13 электроустановка со вторым ТСН и с трехфазным источником питания; на фиг.14 - электроустановка с первым и вторым коммутационными аппаратами; на фиг.15 - электроустановка со второй РУ СН; на фиг.16 -электроустановка со второй РУ СН и со вторым ТСН; на фиг.17 -электроустановка со второй РУ СН и трехфазным источником питания; на фиг.18 и фиг.19 - электроустановки с первым и вторым компенсирующими трехфазными реакторами СН; на фиг.20 электроустановка с двумя генераторными трехфазными коммутационными аппаратами в цепях каждого ТП.

Электроустановка энергоблока электростанции (фиг.1) содержит трехфазный генератор 1 с обмоткой 2 статора, которая имеет три линейные 3 и три нейтральные 4 выводы, блочный трехфазный двухобмоточный трансформатор (БТ) 5, первичная 6 и вторичная 7 обмотки которого имеют по три линейные 8 и 9 и по три нейтральные 10 и 11 выводы соответственно, первый 12 и второй 13 токопроводы (ТП). Линейные 3 и нейтральные 4 выводы обмотки 2 статора генератора 1 присоединены пофазно соответственно к линейным 8 и нейтральным 10 выводам первичной обмотки 6 БТ 5 через первый 12 и второй 13 ТП. Линейные выводы 9 вторичной обмотки 7 БТ 5 присоединены к распределительной установке (РУ) 14 электростанции, а нейтральные выводы 11 этой обмотки 7 соединены в звезду с заземленной нейтралью 15.

Электроустановка может содержать один и более дополнительных первых и дополнительных вторых токопроводов, а генератор может быть выполнен с одной и более дополнительными обмотками статора и блочный трансформатор может быть выполнен с одной и более дополнительными первичными обмотками, при этом линейные и нейтральные выводы дополнительных обмоток статора генератора присоединены пофазно соответственно к линейным и нейтральным выводам дополнительных первичных обмоток блочного трансформатора через дополнительные первые и дополнительные вторые токопроводы. На фиг.2 изображен вариант такой электроустановки, которая дополнительно к элементам электроустановки на фиг.1 содержит один дополнительный первый 16 и один дополнительный второй 17 ТП, а генератор 1 выполнен с одной дополнительной обмоткой 18 статора и БТ 5 выполнен с одной дополнительной первичной обмоткой 19, при этом линейные 20 и 21 и нейтральные 22 и 23 выводы этих дополнительных обмоток 18 и 19 соединены между собой пофазно соответственно через дополнительный первый 16 и дополнительный второй 17 ТП.

Электроустановка может содержать один и более дополнительных генераторов, которые присоединены к соответствующим дополнительным первичным обмоткам блочного трансформатора через соответствующие дополнительные первые и дополнительные вторые токопроводы. На фиг.3 изображен вариант такой электроустановки, которая дополнительно к элементам электроустановки на фиг.1 содержит один дополнительный генератор 24, линейные 25 и нейтральные 26 выводы обмотки 27 статора которого присоединены пофазно соответственно к линейным 21 и нейтральным 23 выводам дополнительной первичной обмотки 19 БТ 5 через дополнительный первый 16 и дополнительный второй 17 ТП.

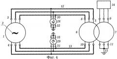
Электроустановка может содержать один и более первых и вторых компенсирующих трехфазных реакторов с тремя линейными и тремя нейтральными выводами их обмоток соответственно, при этом линейные выводы обмоток этих реакторов присоединены пофазно соответственно к первым и вторым токопроводам, а нейтральные выводы обмоток этих реакторов соединены в звезды с заземленными нейтралями. На фиг.4 изображен вариант такой электроустановки, которая дополнительно к элементам электроустановки на фиг.1 содержит один первый 28 и один второй 29 компенсирующие трехфазные реакторы, линейные выводы 30 и 31 обмоток которых присоединены пофазно соответственно к первому 12 и второму 13 ТП, а нейтральные выводы 32 и 33 обмоток этих реакторов 28 и 29 соединены в звезды с заземленными нейтралями. Указанные компенсирующие реакторы могут применяться аналогично и во всех электроустановках, которые содержат первый 12 и второй 13, а также дополнительные первый 16 и второй 17 ТП.

В электроустановке нейтральные выводы обмоток компенсирующих трехфазных реакторов могут быть соединены пофазно между собой и заземлены. На фиг.5 изображен вариант такой электроустановки, которая содержит все элементы электроустановки на фиг.4, при этом нейтральные выводы 32 и 33 обмоток первого 28 и второго 29 компенсирующих трехфазных реакторов соединены пофазно между собой и заземлены. Такое соединение нейтральных выводов обмоток компенсирующих трехфазных реакторов может использоваться также при применении этих реакторов во всех электроустановках, которые содержат первый 12 и второй 13, а также дополнительные первый 16 и второй 17 ТП.

Электроустановка может содержать один и более первых трехфазных трансформаторов собственных нужд (ТСН), линейные выводы вторичных обмоток которых присоединены пофазно соответственно к одной и более первым распределительным установкам собственных нужд (РУ СН), к которым присоединены пофазно соответственно линейные выводы одной и более нагрузок собственных нужд (НСН), при этом первые и вторые токопроводы выполнены соответственно с первым и вторым ответвлениями токопроводов (ОТП), через которые они присоединены пофазно соответственно к линейным и нейтральным выводам первичных обмоток первых ТСН. На фиг.6 изображен вариант такой электроустановки, которая дополнительно к элементам электроустановки на фиг.1 содержит один первый трехфазный двухобмоточный ТСН 34, линейные выводы 35 вторичной обмотки 36 которого присоединены пофазно к первой РУ СН 37, к которой присоединены пофазно линейные выводы 38 НСН 39, при этом первый 12 и второй 13 ТП выполнены соответственно с первым 40 и вторым 41 ОТП, через которые эти токопроводы присоединены пофазно соответственно к линейным 42 и нейтральным 43 выводам первичной обмотки 44 первого ТСН 34. Такое присоединение может применяться также во всех электроустановках, которые содержат первый 12 и второй 13, а также дополнительные первый 16 и второй 17 ТП с ответвлениями.

Электроустановка может содержать один и более вторых трехфазных ТСН, линейные выводы вторичных обмоток которых присоединены пофазно соответственно к электрическим цепям между вторичными обмотками первых ТСН и первыми РУ СН, при этом первичные обмотки вторых ТСН включены пофазно последовательно соответственно в электрические цепи между обмотками статоров генераторов и ответвлениями ТП. На фиг.7 изображен вариант такой электроустановки, которая дополнительно к элементам электроустановки на фиг.6 содержит один второй трехфазный двухобмоточный ТСН 45, линейные выводы 46 вторичной обмотки 47 которого присоединены пофазно к электрической цепи между линейными выводами 35 вторичной обмотки 36 первого ТСН 34 и первой РУ СН 37, при этом первичная обмотка 48 второго ТСН 45 своими линейными 49 и нейтральными 50 выводами включена пофазно последовательно в электрическую цепь между линейными выводами 3 обмотки 2 статора генератора 1 и ОТП 40. Такое присоединение второго ТСН может использоваться также во всех электроустановках, которые имеют дополнительные первый и второй ТПО.

В электроустановке первичная обмотка второго ТСН может быть включена пофазно последовательно в электрическую цепь между ответвлением ТП и первичной обмоткой БТ. На фиг.8 изображен вариант такой электроустановки, которая содержит те же элементы, что и электроустановка на фиг.7, но первичная обмотка 48 второго ТСН 45 своими линейными 49 и нейтральными 50 выводами включена пофазно последовательно в электрическую цепь между ОТП 40 и линейными выводами 8 первичной обмотки 6 БТ 5.

В электроустановке первичная обмотка второго ТСН может быть включена пофазно последовательно в электрическую цепь между вторичной обмоткой БТ и РУ электростанции. На фиг.9 изображен вариант такой электроустановки, которая содержит те же элементы, что и электроустановки на фиг.7, 8, но первичная обмотка 48 второго ТСН 45 своими линейными 49 и нейтральными 50 выводами включена пофазно последовательно в электрическую цепь между линейными выводами 9 вторичной обмотки 7 БТ 5 и РУ 14 электростанции.

В электроустановке первичная обмотка второго ТСН может быть включена пофазно последовательно в электрическую цепь между вторичной обмоткой БТ и нейтралью. На фиг.10 изображен вариант такой электроустановки, которая содержит те же элементы, что и электроустановки на фиг.7-9, но первичная обмотка 48 второго ТСН 45 своими линейными 49 и нейтральными 50 выводами включена пофазно последовательно в электрическую цепь между нейтральными выводами 11 вторичной обмотки 7 БТ 5 и нейтралью 15.

Электроустановка может содержать один и более токоограничивающих трехфазных реакторов, обмотки которых включены пофазно последовательно соответственно в электрические цепи между вторичными обмотками первых ТСН и местами присоединения вторичных обмоток вторых ТСН. На фиг.11 изображен вариант такой электроустановки, которая дополнительно к элементам электроустановки на фиг.8 содержит токоограничивающий трехфазный реактор 51, который выводами 52 и 53 его обмотки 54 включен пофазно последовательно в электрическую цепь между линейными выводами 35 вторичной обмотки 36 первого ТСН 34 и местом 55 присоединения линейных выводов 46 вторичной обмотки 47 второго ТСН 45. Такой токоограничивающий реактор может также применяться во всех электроустановках, которые содержат первый 34 и второй 45 ТСН, а первичная обмотка 48 второго ТСН 45 включена пофазно последовательно в электрическую цепь нагрузки энергоблока.

В электроустановке токоограничивающий трехфазный реактор может быть выполнен сдвоенным с дополнительной обмоткой, при этом одни концы обмоток реактора через отдельные выводы присоединены пофазно соответственно к линейным выводам вторичных обмоток первого и второго ТСН, а другие концы обмоток реактора соединены пофазно между собой и через общие выводы присоединены пофазно к первой РУ СН. На фиг.12 изображен вариант такой электроустановки, которая содержит те же элементы, что и электроустановка на фиг.11, но реактор 51 выполнен сдвоенным с дополнительной обмоткой 56, при этом одни концы обмоток 54 и 56 реактора 51 через отдельные выводы 52 и 57 присоединены пофазно соответственно к линейным выводам 35 и 46 вторичных обмоток 36 и 47 первого 34 и второго 45 ТСН, а другие концы обмоток 54 и 56 реактора 51 соединены пофазно между собой и через общие выводы 58 присоединены пофазно к первой РУ СН 37. Такой сдвоенный реактор может также применяться во всех электроустановках, которые содержат первый 34 и второй 45 ТСН, а первичная обмотка 48 второго ТСН 45 включена пофазно последовательно в электрическую цепь нагрузки энергоблока.

Электроустановка может содержать трехфазный источник питания, при этом вторичная обмотка второго ТСН включена пофазно последовательно в электрическую цепь между линейными выводами вторичной обмотки первого ТСН и первой РУ СН, а первичная обмотка второго ТСН включена пофазно последовательно между линейными выводами вторичной обмотки первого ТСН и выводами трехфазного источника питания. На фиг.13 изображен вариант такой электроустановки, которая дополнительно к элементам электроустановки на фиг.7-10 содержит трехфазный источник питания 59, при этом вторичная обмотка 47 второго ТСН 45 своими линейными 46 и нейтральными 60 выводами включена пофазно последовательно в электрическую цепь между линейными выводами 35 вторичной обмотки 36 первого ТСН 34 и первой РУ СН 37, а первичная обмотка 48 второго ТСН 45 своими выводами 49 и 50 включена пофазно последовательно между линейными выводами 35 вторичной обмотки 36 первого ТСН 34 и линейными выводами 61 трехфазного источника питания 59. Трехфазным источником питания 59 может быть, в частности, вторичная обмотка резервного трансформатора СН электростанции.

Электроустановка может содержать первые и вторые коммутационные трехфазные аппараты, при этом трехфазный источник питания присоединен пофазно к выводам первичной обмотки второго ТСН через первые коммутационные аппараты, а разноименные выводы вторичной обмотки второго ТСН соединены пофазно между собой вторыми коммутационными аппаратами. На фиг.14 изображен вариант такой электроустановки, которая дополнительно к элементам электроустановки на фиг.13 содержит первые 62 и вторые 63 коммутационные трехфазные аппараты, при этом линейные выводы 61 источника питания 59 присоединены пофазно к выводам 50 первичной обмотки 48 второго ТСН 45 через первые коммутационные аппараты 62, а разноименные выводы 46 и 60 вторичной обмотки 47 второго ТСН 45 соединены пофазно между собой вторыми коммутационными аппаратами 63. Первые 62 и вторые 63 коммутационные аппараты могут применяться во всех электроустановках, в которых первичная обмотка 48 второго ТСН 45 присоединяется к источнику питания 59.

Электроустановка может содержать вторую РУ СН, при этом вторичная обмотка первого ТСН и НСН выполнены с тремя нейтральными выводами соответственно, которые присоединены пофазно к второй РУ СН. На фиг.15 изображен вариант такой электроустановки, которая дополнительно к элементам электроустановки на фиг.6 содержит вторую РУ СН 64, при этом вторичная обмотка 36 первого ТСН 34 и НСН 39 выполнены с тремя нейтральными выводами 65 и 66 соответственно, которые присоединены пофазно к второй РУ СН 64.

В электроустановке нейтральные выводы вторичной обмотки второго ТСН могут быть присоединены пофазно к электрической цепи между нейтральными выводами вторичной обмотки первого ТСН и второй РУ СН. На фиг.16 изображен вариант такой электроустановки, которая содержит все элементы электроустановок на фиг.15 и на фиг.8, при этом вторичная обмотка 47 второго ТСН 45 своими нейтральными выводами 60 присоединена пофазно к электрической цепи между нейтральными выводами 65 вторичной обмотки 36 первого ТСН 34 и второй РУ СН 64.

В электроустановке нейтральные выводы трехфазного источника питания могут быть присоединены пофазно к электрической цепи между нейтральными выводами вторичной обмотки первого ТСН и второй РУ СН. На фиг.17 изображен вариант такой электроустановки, которая содержит все элементы электроустановок на фиг 15 и фиг.13, при этом независимый источник питания 59 своими нейтральными выводами 67 присоединен пофазно к электрической цепи между нейтральными выводами 65 вторичной обмотки 36 первого ТСН 34 и второй РУ СН 64.

Электроустановка может содержать компенсирующие трехфазные реакторы СН, линейные выводы обмоток которых присоединены пофазно соответственно к электрическим цепям между одноименными выводами вторичной обмотки первого ТСН и НСН, при этом нейтральные выводы обмоток этих реакторов соединены в звезды с заземленными нейтралями. На фиг.18 изображен вариант такой электроустановки, которая дополнительно к элементам электроустановки на фиг.15 содержит компенсирующие трехфазные реакторы СН 68 и 69, линейные выводы 70 и 71 обмоток которых присоединены пофазно соответственно к электрическим цепям между одноименными выводами 35 и 38, 65 и 66 вторичной обмотки 36 первого ТСН 34 и НСН 39, при этом нейтральные выводы 72 и 73 обмоток этих реакторов 68 и 69 соединены в звезды с заземленными нейтралями.

В электроустановке нейтральные выводы обмоток компенсирующих трехфазных реакторов СН могут быть соединены пофазно между собой и заземлены. На фиг.19 изображен вариант такой электроустановки, которая содержит все элементы электроустановки на фиг.18, при этом нейтральные выводы 72 и 73 обмоток реакторов 68 и 69 соединены пофазно между собой и заземлены.

Электроустановка может содержать генераторные трехфазные коммутационные аппараты в цепях токопроводов. На фиг.20 изображен вариант такой электроустановки, которая дополнительно к элементам электроустановки на фиг.6 содержит два первые 74 и 75 и два вторые 76 и 77 генераторные коммутационные трехфазные аппараты. Первые коммутационные аппараты 74 и 75 включены пофазно последовательно в цепь первого ТП 12 соответственно между первым ОТП 40 и линейными выводами 3 обмотки 2 статора генератора 1 и линейными выводами 8 первичной обмотки 6 БТ 5. Вторые коммутационные аппараты 76 и 77 включены пофазно последовательно в цепь второго ТП 13 соответственно между вторым ОТП 41 и нейтральными выводами 4 обмотки 2 статора генератора 1 и нейтральными выводами 10 первичной обмотки 6 БТ 5.

Электроустановка энергоблока электростанции работает так.

В электроустановке на фиг.1 обмотки одноименных фаз обмотки 2 статора генератора 1, первичной обмотки 6 БТ 5 и одноименных фаз первого 12 и второго 13 ТП образуют систему из трех однофазных гальванически не связанных между собой электрических цепей со взаимным сдвигом синусоид фазных э.д.с. генератора 1 на ±120 ел. град. Поэтому во время междуфазных коротких замыканий как в обмотке 2 статора генератора 1 или в первичной обмотке 6 БТ 5, так и в ТП 12 или 13 не возникают сверхтоки в элементах и не меняется уровень напряжения между разноименными выводами 3 и 4, 8 и 10 обмоток одноименных фаз обмотки 2 статора генератора 1 и первичной обмотки 6 БТ 5. Здесь токи междуфазных коротких замыканий обусловлены только наличием частичных емкостей между гальванически не связанными фазами и между этими фазами и землей, вследствие чего их значения соизмеримы со значениями токов во время замыкания любой фазы в одной точке на землю в известных трехфазных электроустановках энергоблоков и значительно меньшие от номинального тока генератора. Кроме того, в предложенной электроустановке при пофазной симметрии параметров элементов электрических цепей действующие значения напряжений по отношению к земле любой точки гальванически не связанных между собой электрических цепей в 2 раза меньшие в нормальных режимах, а во время замыкания одной из фаз в одной точке на землю действующие значения напряжений по отношению к земле других точек электрической цепи этой фазы в