Национальный университет "Львивська политехника" (UA)
Национальный университет "Львивська политехника" (UA) является правообладателем следующих патентов:

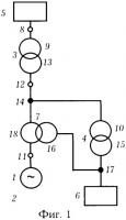
Электроустановка энергоблока электростанции
Изобретение относится к электротехнике и может быть использовано в электроэнергетике, в электростанции с блочными схемами выдачи электроэнергии. Техническим результатом является уменьшение напряженности электрического поля на изоляции электротехнического оборудования и ограничение аварийных токов во время междуфазных коротких замыканий в электрических цепях генератора и собственных нужд, поддержан...
2260237
Система электроснабжения собственных нужд энергоблока электростанции
Изобретение относится к электротехнике и может быть использовано в электроэнергетике, электростанции с блочными схемами выдачи электроэнергии. Техническим результатом является поддержание необходимого уровня напряжения на распределительной установке и электроприемниках собственных нужд энергоблока как во время изменения режимов энергоблока, так и во время коротких замыканий в распределительной уст...
2261511
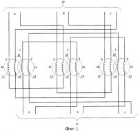
Трансформаторный агрегат
Изобретение относится к электротехнике и может быть использовано в электроэнергетике, электростанциях и подстанциях с трансформаторами. Трансформаторный агрегат содержит трехфазную группу однофазных трансформаторов. Каждый из однофазных трансформаторов выполнен с не менее двумя обмотками. Каждая из указанных обмоток выполнена из двух частей, размещенных на магнитопроводах разных однофазных трансфо...
2271049
Трансформаторный агрегат
Изобретение относится к электротехнике и может быть использовано в электроэнергетике, электростанциях и подстанциях с трансформаторами. Трансформаторный агрегат содержит два трансформатора, которые выполнены с одинаковым количеством обмоток и с одинаковыми коэффициентами трансформации. Одни обмотки соединены соответственно последовательно между собой и с одними выводами трансформаторного агрегата....
2271050