Трансформаторный агрегат

Иллюстрации

Показать все

Изобретение относится к электротехнике и может быть использовано в электроэнергетике, электростанциях и подстанциях с трансформаторами. Трансформаторный агрегат содержит трехфазную группу однофазных трансформаторов. Каждый из однофазных трансформаторов выполнен с не менее двумя обмотками. Каждая из указанных обмоток выполнена из двух частей, размещенных на магнитопроводах разных однофазных трансформаторов, и соединена последовательно-встречно, образуя трехфазные обмотки. Части фаз трехфазных обмоток могут быть соединены параллельно с тококомпенсирующими блоками, к входным выводам которых могут быть приложены напряжения. Технический результат: заключается в повышении надежности работы за счет уменьшения значения тока в закороченных витках обмотки и в ветви, которая создала такое замыкание, электродинамических усилий на эти витки и местного нагрева. 1 з.п. ф-лы, 2 ил.

Реферат

Изобретение относится к электроэнергетике и может найти применение на электростанциях и подстанциях с трансформаторами.

На электростанциях и подстанциях устанавливают силовые трансформаторы, одними из самых опасных повреждений которых являются витковые короткие замыкания, которые сопровождаются недопустимыми значениями токов в закороченных витках, при этом ток от источника питания практически не изменяется, что делает невозможным создание быстродействующих защит по принципу контролирования значений электрических координат режима.

Известен трансформаторный агрегат, который содержит трехфазную группу однофазных трансформаторов [Вольдек А.И. Электрические машины. Учебник для студентов высш. техн. учебн. заведений. - 3-е изд., перераб. - Л.: Энергия, 1978. - 832 с., с.243, 247].

Однако во время витковых коротких замыканий в обмотках такого трансформаторного агрегата значения тока в закороченных витках и в ветви, которая создала такое замыкание, может в десятки и сотни раз превышать номинальные значения токов обмоток, при этом возникают большие электродинамические усилия на закороченные витки и недопустимый местный нагрев, вследствие чего происходит разрушение трансформаторов и выход их из строя, что уменьшает надежность работы трансформаторного агрегата.

В основу изобретения поставлена задача создать трансформаторный агрегат, в котором введение новых элементов, новое исполнение элементов и связей между ними позволило бы уменьшить значения токов в закороченных витках и в ветви, которая создала витковое короткое замыкание, и тем самым повысить надежность работы трансформаторного агрегата.

Поставленная задача достигается тем, что в трансформаторном агрегате, который содержит трехфазную группу однофазных трансформаторов, согласно изобретению трехфазные обмотки соединены по схемах зигзага.

Такое исполнение трансформаторного агрегата позволяет путем параметрического увеличения его сопротивления относительно места виткового короткого замыкания обеспечить уменьшение значения тока в закороченных витках обмотки и в ветви, которая создала такое замыкание, электродинамических усилий на закороченные витки и местного нагрева, и тем самым повысить надежность работы трансформаторного агрегата.

Поставленная задача достигается также тем, что в трансформаторном агрегате часть фазы трехфазной обмотки соединена параллельно с тококомпенсирующим блоком.

Это позволяет путем компенсации токов намагничивания трансформаторов обеспечить добавочное уменьшение тока в закороченных витках другой части фазы обмотки и в ветви, которая создала такое замыкание, и тем самым повысить надежность работы.

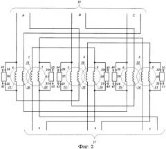
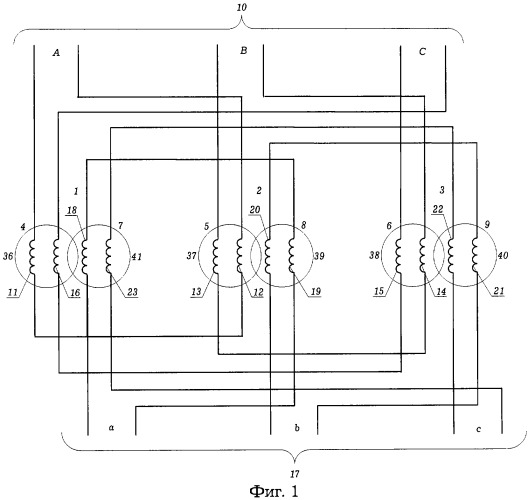
Техническая сущность и принцип действия предложенного устройства объясняются фиг.1 и 2. На фиг.1 показан трансформаторный агрегат, который содержит трехфазную группу однофазных трансформаторов; на фиг.2 - трансформаторный агрегат с тококомпенсирующими блоками.

Однофазные трансформаторы трансформаторного агрегата могут быть выполнены с двумя и более обмотками каждый. На фиг.1 показан вариант трансформаторного агрегата, в котором однофазные трансформаторы 1, 2, 3 выполнены двухобмоточными с одними 4, 5, 6 и другими 7, 8, 9 обмотками соответственно. Фазы А, В, С одной трехфазной обмотки 10 состоят из частей 11 и 12, 13 и 14, 15 и 16 одних обмоток 4, 5, 6 соответственно. Эти части 11 и 12, 13 и 14, 15 и 16 размещены на магнитопроводах разных однофазных трансформаторов 1 и 2, 2 и 3, 3 и 1 соответственно и соединены последовательно встречно по схеме зигзага. Фазы а, b, с другой трехфазной обмотки 17 состоят из частей 18 и 19, 20 и 21, 22 и 23 других обмоток 7, 8, 9 соответственно. Эти части 18 и 19, 20 и 21, 22 и 23 размещены на магнитопроводах разных однофазных трансформаторов 1 и 2, 2 и 3, 3 и 1 соответственно и соединены последовательно встречно по схеме зигзага.

Части фаз трехфазных обмоток трансформаторного агрегата могут быть соединены параллельно с тококомпенсирующими блоками. На фиг.2 показан вариант такого трансформаторного агрегата, в котором в отличие от трансформаторного агрегата на фиг.1 части 11, 13, 15 и 19, 21, 23 соединены соответственно параллельно с выходными выводами 24 и 25, 26 и 27, 28 и 29, а также 30 и 31, 32 и 33, 34 и 35 тококомпенсирующих блоков 36, 37, 38, а также 39, 40, 41, которые выполнены с входными выводами 42 и 43, 44 и 45, 46 и 47, а также 48 и 49, 50 и 51, 52 и 53 соответственно. Тококомпенсирующие блоки 36÷41 могут содержать резистивные и реактивные элементы, управляемые и неуправляемые коммутационные аппараты и защитные устройства. К входным выводам тококомпенсирующих блоков может быть приложено напряжение.

Трансформаторный агрегат работает так.

Во время симметричных нормальных режимов трансформаторного агрегата (фиг.1) при одинаковом количестве витков W1 частей 11÷16 и W2 частей 18÷23 соответственно условия работы однофазных трансформаторов 1÷3, фаз А, В, С и а, b, с трехфазных обмоток 10 и 17 и их частей 11÷16 и 18÷23 одинаковы, так как значения модулей симметричных координат режима фаз являются соответственно одинаковыми, а отличие состоит лишь во взаимном сдвиге фаз координат режима соответствующих фаз и их частей на ±120 эл. град. При этом значения модулей напряжения на частях 11÷16 и 18÷23 фаз А, В, С и а, b, с равны от значений модулей напряжения соответствующих фаз; приведенные к количеству витков, например W1, токи намагничивания магнитопроводов однофазных трансформаторов 1÷3 равны суммам приведенных к этому же количеству витков токов соответствующих фаз с учетом их направлений, при этом их номинальное значение раз больше номинального значения Iн.х.ном тока нерабочего хода трансформаторного агрегата.

Во время продольного короткого замыкания всех витков одной из частей 11÷16, 18÷23 возможно продолжение работы трансформаторного агрегата. Для упрощения в дальнейшем описании его работы пренебрежем резистансами и реактансами рассеивания всех частей 11÷16, 18÷23, что мало повлияет на результаты. Допустим, что возникло продольное короткое замыкание части 11 фазы А, которая размещена на трансформаторе 1. В этом случае напряжение на этой части 11 станет равным нулю, а также станут равными нулю напряжения на частях 16, 18, 23 фаз С, а, с трансформатора 1 соответственно и ток намагничивания этого же трансформатора 1. Вследствие этого модули напряжений на частях 12÷15, 19÷22 станут равными значениям фазных напряжений соответствующих фаз, то есть увеличатся в раз, а значения модулей токов намагничивания трансформаторов 2, 3 также увеличатся в раз по сравнению с их значениями для симметричного нормального режима трансформаторного агрегата. Поэтому магнитные системы каждого из трансформаторов 1÷3 должны быть рассчитаны именно на такие значения напряжения и тока намагничивания, что обеспечит ненасыщенное состояние магнитных систем во время рассматриваемых коротких замыканий и как следствие линейность их параметров. При этом напряжения фаз А, В, С, а, b, с трансформаторного агрегата не изменятся, то есть и в дальнейшем останутся симметричными.

Из выражений для описания состояния магнитных цепей трансформаторов 1÷3 следует, что через ветвь, которая создала продольное короткое замыкание части 11 фазы А трансформатора 1, будет протекать ток ,который будет равен сумме токов намагничивания трансформаторов 1-3, значения которых приведены к количеству витков W1. Учитывая, что согласно принятому ранее допущению, имеем значение модуля тока в ветви, которая создала продольное короткое замыкание части 11, будет только в 3 раза больше номинального значения тока намагничивания, то есть в раз больше номинального значения Iн.х.ном тока нерабочего хода трансформаторного агрегата. При этом ток в закороченных витках части 11 не будет превышать его доаварийного значения, а токи фаз также практически не будут отличаться от их доаварийных значений.

Во время продольного короткого замыкания некоторого количества витков WК одной из частей 11÷16 (при (0<WК<W1) или 18÷23 (при 0<WК<W2) также возможно продолжение работы трансформаторного агрегата. Допустим, что возникло продольное короткое замыкание WK витков части 11 фазы А трансформатора 1. В этом случае в отличие от описанного для режима замыкания всей части 11 в ветви, которая создала продольное короткое замыкание Wk витков части 11, будет протекать ток значение которого прямо пропорционально сумме токов намагничивания трансформаторов 1÷3 и обратно пропорционально относительному количеству закороченных витков Максимальное значение этого тока будет иметь место во время короткого замыкания одного витка, то есть при WК=1, и может в несколько раз превышать номинальное значение тока обмотки трансформатора.

Вместе с тем во время аналогичных режимов известной трехфазной группы однофазных трансформаторов значение тока в ветви, которая создала короткое замыкание некоторого количества витков обмотки, может превышать номинальное значение тока обмотки в десятки и сотни раз.

Таким образом, существенно меньший уровень токов во время витковых коротких замыканий в предложенном трансформаторном агрегате приведет к уменьшению электродинамических усилий на закороченные витки и местного нагрева, что повысит надежность работы трансформаторного агрегата.

В варианте трансформаторного агрегата (фиг.2), части 11, 13, 15 и 19, 21, 23 которого соединены соответственно параллельно с выходными выводами 24 и 25, 26 и 27, 28 и 29, а также 30 и 31, 32 и 33, 34 и 35 тококомпенсирующих блоков 36, 37, 38, а также 39, 40, 41, во время витковых коротких замыканий в отличие от аналогичных режимов трансформаторного агрегата на фиг.1 значение тока К в ветви, которая создала такое замыкание, будет зависеть также от значений токов тококомпенсирующих блоков 36-41, что обеспечит компенсацию токов намагничивания трансформаторов 1÷3, в результате чего значение тока К существенно уменьшится по сравнению с трансформаторным агрегатом на фиг.1, что повысит надежность работы трансформаторного агрегата. Так, для случая, когда к входным выводам 42÷53 тококомпенсирующих блоков 36÷41 не приложены напряжения, происходит компенсация реактивных составляющих токов намагничивания трансформаторов 1÷3 и ток будет определяться только активными составляющими этих токов намагничивания. Если же к входным выводам 42÷53 тококомпенсирующих блоков 36÷41 приложены соответствующие напряжения, то происходит также компенсация активных составляющих токов намагничивания трансформаторов 1÷3, вследствие чего произойдет добавочное уменьшение практически до нуля значения тока К в ветви, которая создала витковое замыкание.

Кроме этого, тококомпенсирующие блоки могут дополнительно уменьшить действие импульсных перенапряжений на витковую изоляцию обмоток трансформаторов, что также повышает надежность работы трансформаторного агрегата.

Предложенный трансформаторный агрегат позволяет путем уменьшения значений токов во время витковых коротких замыканий существенно улучшить условия работы трансформаторов, ограничить объем разрушений и ремонтов или даже полностью устранить их и тем самым повысить надежность работы электростанций и подстанций.

Источники информации

ВОЛЬДЕК А.И., Электрические машины, Ленинград, Энергия, 1978, с.243, 247.

SU 943873 А, 15.07.1982

SU 970494 А, 05.11.1982.

US 3323039 А, 30.05.1967

ВЕНИКОВ В.А. и др., Регулирование напряжения в электроэнергетических системах, Москва, Энергоатомиздат, 1985, с.86-88, рис.3.5.

1. Трансформаторный агрегат, содержащий трехфазную группу однофазных трансформаторов, каждый из которых выполнен с не менее двумя обмотками, отличающийся тем, что каждая указанная обмотка выполнена из двух частей, размещенных на магнитопроводах разных однофазных трансформаторов и соединены последовательно-встречно, образуя трехфазные обмотки.

2. Трансформаторный агрегат по п.1, отличающийся тем, что части фазы трехфазной обмотки соединены параллельно с выходными выводами тококомпенсирующих блоков, выполненных с обеспечением возможности компенсации токов намагничивания указанных однофазных трансформаторов.