PatentDB.ru — поиск по патентным документам

Иллюстрации к патенту 2271049

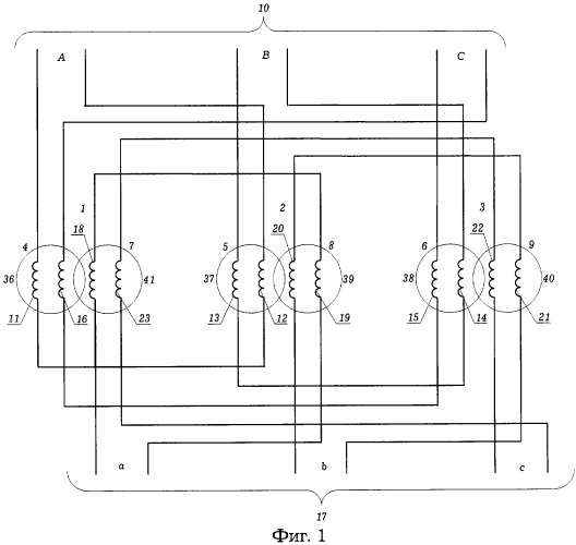
Трансформаторный агрегат

Трансформаторный агрегат (патент 2271049)