Способ измерения осевой силы затяжки резьбовых соединений и динамометрический ключ для его осуществления

Иллюстрации

Показать все

Изобретение относится к измерительной технике и может быть использовано для контроля осевой силы затяжки резьбовых соединений. Технический результат изобретения: повышение точности контроля осевой силы затяжки. Поставленный технический результат достигается тем, что согласно способу измерения осевой силы затяжки, заключающемуся в приложении к затянутому резьбовому соединению крутящего момента, переводе резьбового соединения из состояния покоя в состояние движения, повороте на заданный угол, не превышающий 2÷4° измерения крутящего момента при достижении углом поворота заданного значения, дополнительный поворот резьбового соединения на такой же угол с измерением крутящего момента при достижении углом поворота заданного значения, производят отвинчивание резьбового соединения на заданный угол, равный углу поворота при затяжке с измерением крутящего момента отвинчивания при достижении углом поворота заданного значения, затем производят дополнительный поворот на такой же угол с измерением крутящего момента отвинчивания при достижении углом поворота заданного значения, а осевую силу затяжки определяют как F3 - осевая сила затяжки, Р - шаг резьбы, М1зат - крутящий момент затяжки при первоначальном повороте на заданный угол, М2зат - крутящий момент затяжки при дополнительном повороте на заданный угол, М1отв - крутящий момент при отвинчивании на заданный угол, М2отв - крутящий момент при дополнительном отвинчивании на заданный угол. Введение в динамометрический ключ, содержащий датчик момента, подключенный ко входу усилителя, выходом соединенного со входом аналого-цифрового преобразователя, первый и второй регистры памяти, информационными входами подключенные к выходам аналого-цифрового преобразователя, а выходами к информационным входам блока вычислений, информационными выходами подключенного ко входам цифрового индикатора, датчик угла, выходом подключенный к счетному входу счетчика импульсов, выходами соединенного со входами дешифратора, первый элемент «ИЛИ», выходом подключенный к входу первого индикатора, первым и вторым входом подключенный к нулевому и первому входу дешифратора, первый выход дешифратора подключен к входу «Запись» первого регистра памяти, второй выход дешифратора подключен ко входу «Запись» второго регистра памяти, установочные входы первого и второго регистра памяти и счетчика импульсов через кнопку управления подключены к шине «Напряжение логической единицы» и второй индикатор, третьего и четвертого регистров памяти, второго и третьего элементов «ИЛИ» и третьего и четвертого индикаторов, информационные входы третьего и четвертого регистров памяти подключены к выходам аналого-цифрового преобразователя, информационные выходы - к информационным входам блока вычислений, вход «Запись» третьего регистра памяти соединен с третьим выходом дешифратора, вход «Запись» четвертого регистра памяти соединен с четвертым выходом дешифратора, установочные входы третьего и четвертого регистров памяти соединены с установочными входами первого и второго регистров памяти, четвертый выход дешифратора соединен со входом «Вычисление» блока вычислений и входу второго элемента индикации, второй и третий выходы дешифратора подключены ко входам второго элемента «ИЛИ», выходы первого и второго элементов «ИЛИ» подключены ко входам третьего элемента «ИЛИ», выходом соединенного с входом третьего индикатора, а выход второго элемента «ИЛИ» подключен к входу четвертого индикатора, позволило повысить точность измерения осевой силы затяжки. 2 н.п. ф-лы, 3 ил.

Реферат

Изобретение относится к измерительной технике и может быть использовано для контроля осевой силы затяжки резьбовых соединений.

Известен способ измерения осевой силы затяжки резьбовых соединений, заключающийся в приложении к затянутому резьбовому соединению крутящего момента, переводе резьбового соединения из состояния покоя в состояние движения, повороте на заданный угол, не превышающий 2÷4° измерения крутящего момента при достижении углом поворота заданного значения, дополнительный поворот резьбового соединения на такой же угол с измерением крутящего момента при достижении углом поворота заданного значения (см. патент RU №2367917).

Однако использование этого способа не позволяет точно определить осевую силу затяжки, так измеряется крутящий момент затяжки, который функционально связан с осевой силой затяжки.

Однако значительный разброс коэффициентов трения в резьбе и по торцу гайки приводит к значительной погрешности в измерении осевой силы затяжки по величине крутящего момента затяжки.

Технический результат изобретения - повышение точности контроля осевой силы затяжки.

Поставленный технический результат достигается тем, что согласно способу измерения осевой силы затяжки, заключающемуся в приложении к затянутому резьбовому соединению крутящего момента, переводе резьбового соединения из состояния покоя в состояние движения, повороте на заданный угол, не превышающий 2-4° измерения крутящего момента при достижении углом поворота заданного значения, дополнительный поворот резьбового соединения на такой же угол с измерением крутящего момента при достижении углом поворота заданного значения, производят отвинчивание резьбового соединения на заданный угол, равный углу поворота при затяжке с измерением крутящего момента отвинчивания при достижении углом поворота заданного значения, затем производят дополнительный поворот на такой же угол с измерением крутящего момента отвинчивания при достижении углом поворота заданного значения, а осевую силу затяжки определяют как

FЗ - осевая сила затяжки;

P - шаг резьбы;

M1зат - крутящий момент затяжки при первоначальном повороте на заданный угол;

M2зат - крутящий момент затяжки при дополнительном повороте на заданный угол;

M1отв - крутящий момент при отвинчивании на заданный угол;

M2отв - крутящий момент при дополнительном отвинчивании на заданный угол.

Известен динамометрический ключ, содержащий датчик момента, подключенный ко входу усилителя, выходом соединенного со входом аналого-цифрового преобразователя, первый и второй регистры памяти, информационными входами подключенные к выходам аналого-цифрового преобразователя, а выходами к информационным входам блока вычислений, информационными выходами подключенного ко входам цифрового индикатора, датчик угла, выходом подключенный к счетному входу счетчика импульсов, выходами соединенного со входами дешифратора, первый элемент «ИЛИ», выходом подключенный к входу первого индикатора, первым и вторым входом подключенный к нулевому и первому входу дешифратора, первый выход дешифратора подключен к входу «Запись» первого регистра памяти, второй выход дешифратора подключен ко входу «Запись» второго регистра памяти, установочные входы первого и второго регистра памяти и счетчика импульсов через кнопку управления подключены к шине «Напряжение логической единицы» и второй индикатор (см. патент RU №2367917).

Недостатком указанного ключа является недостаточно высокая точность измерения осевой силы затяжки.

Технический результат изобретения - повышение точности измерения осевой силы затяжки.

Поставленный технический результат достигается тем, что динамометрический ключ, содержащий датчик момента, подключенный ко входу усилителя, выходом соединенного со входом аналого-цифрового преобразователя, первый и второй регистры памяти, информационными входами подключенные к выходам аналого-цифрового преобразователя, а выходами к информационным входам блока вычислений, информационными выходами подключенного ко входам цифрового индикатора, датчик угла, выходом подключенный к счетному входу счетчика импульсов, выходами соединенного со входами дешифратора, первый элемент «ИЛИ», выходом подключенный к входу первого индикатора, первым и вторым входом подключенный к нулевому и первому входу дешифратора, первый выход дешифратора подключен к входу «Запись» первого регистра памяти, второй выход дешифратора подключен ко входу «Запись» второго регистра памяти, установочные входы первого и второго регистра памяти и счетчика импульсов через кнопку управления подключены к шине «Напряжение логической единицы» и второй индикатор снабжен третьим и четвертым регистром памяти, вторым и третьим элементами «ИЛИ» и третьим и четвертым индикаторами, информационные входы третьего и четвертого регистров памяти подключены к выходам аналого-цифрового преобразователя, информационные выходы - к информационным входам блока вычислений, вход «Запись» третьего регистра памяти соединен с третьим выходом дешифратора, вход «Запись» четвертого регистра памяти соединен с четвертым выходом дешифратора, установочные входы третьего и четвертого регистров памяти соединены с установочными входами первого и второго регистров памяти, четвертый выход дешифратора соединен со входом «Вычисление» блока вычислений и входу второго элемента индикации, второй и третий выходы дешифратора подключены ко входам второго элемента «ИЛИ», выходы первого и второго элементов «ИЛИ» подключены ко входам третьего элемента «ИЛИ», выходом соединенного с входом третьего индикатора, а выход второго элемента «ИЛИ» подключен к входу четвертого индикатора.

На фиг.1 приведен график зависимости крутящего момента затяжки, крутящего момента отвинчивания и осевой силы затяжки от угла поворота гайки при затяжке резьбовых соединений.

На фиг.2 - общий вид динамометрического ключа.

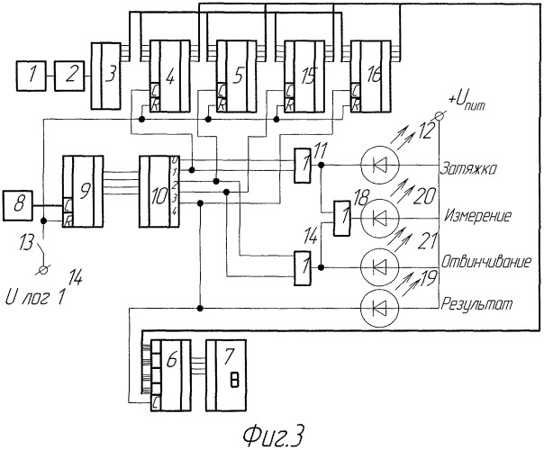
На фиг.3 приведена блок-схема динамометрического ключа.

Динамометрический ключ содержит датчик 1 момента, подключенный ко входу усилителя 2, выходом соединенного со входом аналого-цифрового преобразователя 3, первый и второй регистры памяти 4 и 5, информационными входами подключенные к выходам аналого-цифрового преобразователя 3, а выходами к информационным входам блока 6 вычислений, информационными выходами подключенного ко входам цифрового индикатора 7, датчик 8 угла, выходом подключенный к счетному входу счетчика 9 импульсов, выходами соединенного со входами дешифратора 10, первый элемент 11 «ИЛИ», выходом подключенный к входу первого индикатора 12, первым и вторым входом подключенный к нулевому и первому входу дешифратора 10, первый выход дешифратора 10 подключен к входу «Запись» первого регистра 4 памяти, второй выход дешифратора 10 подключен ко входу «Запись» второго регистра 5 памяти, установочные входы первого и второго регистра 4 и 5 памяти и счетчика 9 импульсов через кнопку 13 управления подключены к шине 14 «Напряжение логической единицы», третий и четвертый 15 и 16 регистры памяти, второй и третий 17 и 18 элементы «ИЛИ» и второй, третий и четвертый 19, 20 и 21 индикаторы, информационные входы третьего и четвертого 15 и 16 регистров памяти подключены к выходам аналого-цифрового преобразователя 3, информационные выходы - к информационным входам блока 6 вычислений, вход «Запись» третьего регистра 15 памяти соединен с третьим выходом дешифратора 10, вход «Запись» четвертого регистра 16 памяти соединен с четвертым выходом дешифратора 10, установочные входы третьего и четвертого регистров 15 и 16 памяти соединены с установочными входами первого и второго регистров 4 и 5 памяти, четвертый выход дешифратора 10 соединен со входом «Вычисление» блока 6 вычислений и входу второго элемента 19 индикации, второй и третий выходы дешифратора подключены ко входам второго элемента 17 «ИЛИ», выходы первого и второго элементов 11 и 17 «ИЛИ» подключены ко входам третьего элемента 18 «ИЛИ», выходом соединенного с входом третьего индикатора 20, а выход второго элемента «ИЛИ» подключен к входу четвертого индикатора 21.

Способ измерения осевой силы затяжки резьбового соединения осуществляется следующим образом.

На затянутое резьбовое соединение надевают ключевую головку динамометрического ключа (не указана) и производят поворот резьбового соединения. При достижении углом поворота установленного значения 2÷4° производят измерение крутящего момента. Затем производят дополнительный поворот на тот же угол, при достижении углом установленного значения производят повторное измерение крутящего момента, затем производят отвинчивание резьбового соединения на заданный угол, равный углу поворота при затяжке с измерением крутящего момента отвинчивания при достижении углом поворота заданного значения, затем производят дополнительный поворот на такой же угол с измерением крутящего момента отвинчивания при достижении углом поворота заданного значения, а осевую силу затяжки определяют как

FЗ - осевая сила затяжки;

P - шаг резьбы;

M1зат - крутящий момент затяжки при первоначальном повороте на заданный угол;

M2зат - крутящий момент затяжки при дополнительном повороте на заданный угол;

M1отв - крутящий момент при отвинчивании на заданный угол;

М2отв - крутящий момент при дополнительном отвинчивании на заданный угол.

Динамометрический ключ работает следующим образом.

Предварительно в блок 6 вычислений ключа заносят значения величины шага резьбы контролируемого резьбового соединения (не указано).

Затем ключевой головкой (не указана) ключ устанавливают на резьбовое соединение (не указано) и нажимают кнопку 13 управления. При этом осуществляется сброс содержимого регистров 4, 5, 15 и 16 памяти и установка счетчика 9 в исходное состояние.

Это приводит к появлению напряжения логической единицы на нулевом выходе дешифратора 10.

Напряжение логической единицы появляется на выходах элементов 11 и 18 «ИЛИ», которое поступает на входы элементов 12 и 20 индикации.

Элемент 12 индикации «Затяжка» и элемент 20 индикации «Измерение» загораются, чем осуществляется индикация о начале измерения.

Затем к резьбовому соединению прикладывают крутящий момент и переводят резьбовое соединение из состояния покоя в состояние движения и осуществляют его поворот.

При этом на выходе датчика 1 момента появляется напряжение, величина которого пропорциональна величине приложенного крутящего момента. Это напряжение через усилитель 2 поступает на вход аналого-цифрового преобразователя 3, который осуществляет преобразование напряжения, пропорциональное моменту в цифровой код.

Цифровой код с выходов аналого-цифрового преобразователя 3 поступает на входы регистров 4, 5, 15 и 16 памяти.

Когда при повороте резьбового соединения угол поворота достигнет установленного значения в пределах 2÷4° на выходе датчика 8 угла появится импульс, который поступает на счетный вход счетчика 9 импульсов.

При этом на нулевом выходе дешифратора 10 напряжение логической единицы пропадает, и оно появляется на первом выходе дешифратора 10. Передним фронтом этого импульса осуществляется запись в память первого регистра 4 кода на его входах соответствующего величине крутящего момента при первоначальном угле поворота.

При дальнейшем повороте резьбового соединения на выходе датчика 8 угла вновь появится импульс, когда резьбовое соединение повернется на такой же угол, что и при первоначальном повороте. При этом счетчик 9 импульсов установится в следующее состояние, на втором выходе дешифратора 10 появится напряжение логической единицы, которым осуществляется запись в память второго регистра 5 памяти когда, соответствующего крутящему моменту при повороте резьбового соединения на дополнительный угол.

Так как на первом выходе дешифратора 10 пропадает напряжение логической единицы, то напряжение логической единицы пропадает и на выходе элемента 11 «ИЛИ», элемент 12 индикации «Затяжка» гаснет и загорается элемент 21 индикации «Отвинчивание», так как напряжение логической единицы появляется на втором выходе дешифратора 10.

Производят отвинчивание резьбового соединения на угол, равный углу поворота при затяжке.

Когда при отвинчивании угол поворота достигнет установленного значения в пределах 2÷4°, на выходе датчика 8 угла появится импульс, которым счетчик 9 устанавливается в следующее состояние.

При этом на третьем выходе дешифратора 10 появляется напряжение логической единицы, которым осуществляется запись в память третьего регистра 15 памяти кода, соответствующего крутящему моменту отвинчивания при отвинчивании резьбового соединения на заданный угол.

Затем производят отвинчивание резьбового соединения на дополнительный угол.

При достижении углом поворота установленного значения на выходе датчика 8 угла вновь появится импульс, которым счетчик 9 импульсов переключается в следующее состояние, на третьем выходе дешифратора 10 напряжение логической единицы пропадает, а напряжение логической единицы появляется на четвертом выходе дешифратора 10. Напряжением с выхода дешифратора 10, с выходов аналого-цифрового преобразователя 3 записывается в память четвертого регистра 16 памяти код, соответствующий крутящему моменту при отвинчивании резьбового соединения на дополнительный угол.

Цифровой код с выходов регистров 4, 5, 15 и 16 памяти поступает на входы блока 6 вычислений.

При появлении на четвертом выходе дешифратора 10 напряжения логической единицы блок 6 осуществляет вычисление осевой силы затяжки по формуле

FЗ - осевая сила затяжки;

Р - шаг резьбы;

M1зат - крутящий момент затяжки при первоначальном повороте на заданный угол;

M2зат - крутящий момент затяжки при дополнительном повороте на заданный угол;

M1отв - крутящий момент при отвинчивании на заданный угол;

M2отв - крутящий момент при дополнительном отвинчивании на заданный угол.

Код с выходов блока 6 вычислений поступает на входы цифрового индикатора 7, которым осуществляется индикация вычисленной величины осевой силы затяжки.

Так как на третьем выходе дешифратора 10 пропадает напряжение логической единицы, то гаснут индикаторы 20 «Измерения» и 21 «Отвинчивание», а загорается индикатор 19 «Результат», так как напряжение логической единицы появляется на четвертом выходе дешифратора 10, чем осуществляется индикация о том, что измерение завершено.

Измерение осевой силы затяжки закончено и ключ снимают с проверенного резьбового соединения.

Введение в динамометрический ключ, содержащий датчик момента, подключенный ко входу усилителя, выходом соединенного со входом аналого-цифрового преобразователя, первый и второй регистры памяти, информационными входами подключенные к выходам аналого-цифрового преобразователя, а выходами к информационным входам блока вычислений, информационными выходами подключенного ко входам цифрового индикатора, датчик угла, выходом подключенный к счетному входу счетчика импульсов, выходами соединенного со входами дешифратора, первый элемент «ИЛИ», выходом подключенный к входу первого индикатора, первым и вторым входом подключенный к нулевому и первому входу дешифратора, первый выход дешифратора подключен к входу «Запись» первого регистра памяти, второй выход дешифратора подключен ко входу «Запись» второго регистра памяти, установочные входы первого и второго регистра памяти и счетчика импульсов через кнопку управления подключены к шине «Напряжение логической единицы» и второй индикатор, третьего и четвертого регистров памяти, второго и третьего элементов «ИЛИ» и третьего и четвертого индикаторов, информационные входы третьего и четвертого регистров памяти подключены к выходам аналого-цифрового преобразователя, информационные выходы - к информационным входам блока вычислений, вход «Запись» третьего регистра памяти соединен с третьим выходом дешифратора, вход «Запись» четвертого регистра памяти соединен с четвертым выходом дешифратора, установочные входы третьего и четвертого регистров памяти соединены с установочными входами первого и второго регистров памяти, четвертый выход дешифратора соединен со входом «Вычисление» блока вычислений и входу второго элемента индикации, второй и третий выходы дешифратора подключены ко входам второго элемента «ИЛИ», выходы первого и второго элементов «ИЛИ» подключены ко входам третьего элемента «ИЛИ», выходом соединенного с входом третьего индикатора, а выход второго элемента «ИЛИ» подключен к входу четвертого индикатора, позволило повысить точность измерения осевой силы затяжки.

1. Способ измерения осевой силы затяжки резьбовых соединении, заключающийся в приложении к затянутому резьбовому соединению крутящего момента, переводе резьбового соединения из состояния покоя в состояние движения, повороте на заданный угол, не превышающий 2÷4° измерения крутящего момента при достижении углом поворота заданного значения, дополнительный поворот резьбового соединения на такой же угол с измерением крутящего момента при достижении углом поворота заданного значения, отличающийся тем, что производят отвинчивание резьбового соединения на заданный угол, равный углу поворота при затяжке с измерением крутящего момента отвинчивания при достижении углом поворота заданного значения, затем производят дополнительный поворот на такой же угол с измерением крутящего момента отвинчивания при достижении углом поворота заданного значения, а осевую силу затяжки определяют как где FЗ - осевая сила затяжки,Р - шаг резьбы,М1зат - крутящий момент затяжки при первоначальном повороте на заданный угол,М2зат - крутящий момент затяжки при дополнительном повороте на заданный угол,М1отв - крутящий момент при отвинчивании на заданный угол,М2отв - крутящий момент при дополнительном отвинчивании на заданный угол.

2. Динамометрический ключ, содержащий датчик момента, подключенный ко входу усилителя, выходом соединенного со входом аналого-цифрового преобразователя, первый и второй регистры памяти, информационными входами подключенные к выходам аналого-цифрового преобразователя, а выходами - к информационным входам блока вычислений, информационными выходами подключенного ко входам цифрового индикатора, датчик угла, выходом подключенный к счетному входу счетчика импульсов, выходами соединенного со входами дешифратора, первый элемент «ИЛИ», выходом подключенный к входу первого индикатора, первым и вторым входами подключенный к нулевому и первому входам дешифратора, первый выход дешифратора подключен к входу «Запись» первого регистра памяти, второй выход дешифратора подключен к входу «Запись» второго регистра памяти, установочные входы первого и второго регистров памяти и счетчика импульсов через кнопку управления подключены к шине «Напряжение логической единицы», и второй индикатор, отличающийся тем, что снабжен третьим и четвертым регистрами памяти, вторым и третьим элементами «ИЛИ» и третьим и четвертым индикаторами, информационные входы третьего и четвертого регистров памяти подключены к выходам аналого-цифрового преобразователя, информационные выходы - к информационным входам блока вычислений, вход «Запись» третьего регистра памяти соединен с третьим выходом дешифратора, вход «Запись» четвертого регистра памяти соединен с четвертым выходом дешифратора, установочные входы третьего и четвертого регистров памяти соединены с установочными входами первого и второго регистров памяти, четвертый выход дешифратора соединен со входом «Вычисление» блока вычислений и входу второго элемента индикации, второй и третий выходы дешифратора подключены ко входам второго элемента «ИЛИ», выходы первого и второго элементов «ИЛИ» подключены ко входам третьего элемента «ИЛИ», выходом соединенного с входом третьего индикатора, а выход второго элемента «ИЛИ» подключен к входу четвертого индикатора.