PatentDB.ru — поиск по патентным документам

Иллюстрации к патенту 2429457

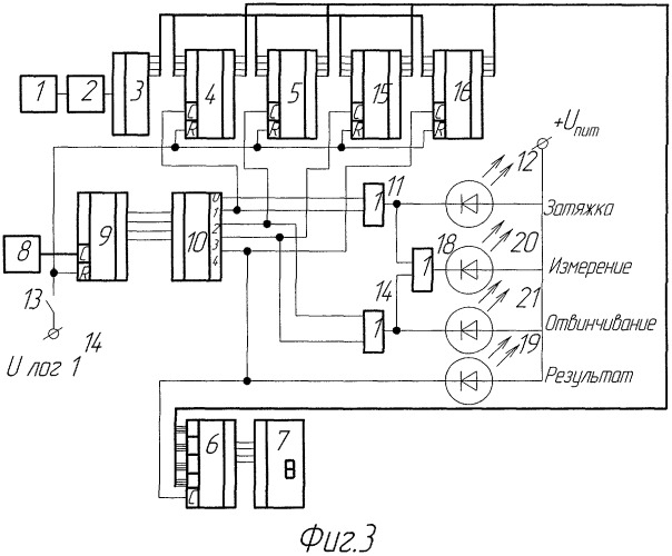
Способ измерения осевой силы затяжки резьбовых соединений и динамометрический ключ для его осуществления

Способ измерения осевой силы затяжки резьбовых соединений и динамометрический ключ для его осуществления (патент 2429457)