Трансформатор напряжения

Иллюстрации

Показать все

Изобретение относится к области электротехники и может быть использовано на генерирующих станциях и высоковольтных подстанциях. Технический результат - повышение точности измерения вторичного напряжения. В трансформаторе напряжения (TH) при снятых всех предохранителях, кроме первого, через вторичную обмотку (2) TH течет номинальный ток нагрузочного резистора (7). Через трансформатор тока (TT) (6) не протекает ток реальной нагрузки. Аналоговые ключи (8, 8.2) открыты на грани насыщения. Открытое состояние устанавливается смещением входного напряжения, заданным генератором тока (15, 15.2). При включении предохранителя (23) через TT (6) протекает номинальный ток через резистор (резистор отладки) (24). Номинал резистора 24 равен номиналу резистора нагрузки (7). Выключение выходного каскада аналогового ключа (8) подстраивается резистором в цепи отрицательной обратной связи (18). Соответственно, второй аналоговый ключ (8.2) выключается подстройкой резистора (18.2). Предохранитель (23) снимается - TH готов к работе. По программе производства работ включаются требуемые предохранители (4, 4.1, 4.2, …, 4.n). Таким образом, при любой расчетной нагрузке, ток вторичной обмотки TH остается равным номинальному току. Падение напряжения на кабеле нормализуется единой расчетной величиной. Контролировать отсутствие изменения тока вторичной обмотки TH можно с помощью (измерительного) контрольного резистора (25). Соответствующим выбором коэффициента отрицательной обратной связи резистором (17) с подстройкой резистором (18, 18.2) первый аналоговый ключ (8, 8.2) закрывается. 6 з.п. ф-лы, 4 ил.

Реферат

Область техники, к которой относится изобретение

Изобретение относится к области электротехники, к электроэнергетики, в частности, к высоковольтным измерительным трансформаторам напряжения (далее - TH), используемым на генерирующих станциях и высоковольтных подстанциях.

уровень техники;

К аналогам TH относятся как TH классического типа1 (1 Н.В. Чернобровов В.А. Семенов Релейная защита энергетических систем. Москва, Энергоиздат, 1998 г. - стр.240 стр.237-238. (- стр.236-238, 242. Рис.6.10.)) так и антирезонансные TH, широко используемым на генерирующих станциях и высоковольтных подстанциях, как для открытого монтажа TH, так и на комплектных подстанциях, например, типа 3×3НОЛ.06, 3×3НОЛП. На приведенных типах TH видны резисторы нагрузки 7, смонтированные непосредственно на монтажной раме трехфазного TH. Понятно, что эти «штатные» нагрузочные резисторы, рассчитаны на номинальный рабочий ток нагрузки. При монтаже на подстанции, указанные резисторы остаются на своих «заводских» местах, далее напряжение передается по кабелю, на конце которого включается требуемая полезная нагрузка 5, и, одна, или несколько полезных нагрузок могут отключаться и, в рабочем порядке, вновь подключаться.

В учебном пособии (1), при определении погрешности трансформатора напряжения отмечено: «… в условиях эксплуатации уменьшить погрешность трансформатора напряжения можно только уменьшением его тока нагрузки». Таким образом, желаемое уменьшение тока нагрузки, остается только желаемым, но не достижимым. Понятно, что, реально, при переключениях нагрузки на конце кабеля, например снятием и установкой необходимых предохранителей, падение напряжения на кабеле изменяется. Это изменение, зачастую не учитывается, и точность напряжения фиксируется (записывается) по показаниям измерительных приборов, с учетом погрешности по техническим характеристикам в паспортах TH и измерительных приборов. Таким образом, измеренное напряжение фиксируется с ошибкой несколько больше действительной ошибки.

Прототип изобретения - Трехфазный трансформатор напряжения - (76) М.Х. Зихерман SU (11) 1827036 A3 (51)5 H01F 40/04 от (22) 25.12.1990 г.

Цель изобретения - повышение точности измерения вторичного напряжения на полезной нагрузке, за счет определения и нормализации погрешности вторичного напряжения. Точность измерения улучшается за счет уменьшения изменения тока нагрузки - за счет поддержания номинального тока нагрузки, при изменении тока потребления в полезной нагрузке - ток нагрузки во вторичной обмотке TH устанавливается стабильным, приведенным к единой, определенной величине. Иными словами, номинальный ток нагрузки, заданный резистором нагрузки 7 остается стабильным и неизменным в рабочем диапазоне. По цепи отрицательной обратной связи, практически устраняется изменение тока в полезной нагрузке. Таким образом, появляется возможность точного учета, вычитания единой, определенной величины падения напряжения на кабеле и на сопротивлении вторичной обмотки TH. Стабилизация обеспечивается применением стабильных резисторов цепи отрицательной обратной связи - известны точные резисторы стабильность которых существенно лучше температурной стабильности сопротивления кабеля и сопротивления вторичной обмотки TH. Температурный коэффициент сопротивления (ТКС) кабеля и вторичной обмотки TH. в большинстве случаев известен в качестве значения - ТКС меди. Поэтому, если использовать в цепи отрицательной обратной связи резисторы с отрицательным ТКС (относительно ТКС меди) - получается дополнительная стабилизация тока на клеммах предохранителей полезной нагрузки 4. Кроме того, в неявной форме, возможно утверждение, что, включение отрицательной обратной связи в цепи нагрузки повлияет на антирезонансные свойства системы TH + нагрузка. После подстройки аналоговых ключей в области рабочего режима, по инструкции в паспорте на устройство, антирезонансный «запас прочности» скорее всего улучшится естественным образом. Временным выключением тока в обмотке трансформатора тока 6 тумблером 9, на фиг 2, можно получить моментальный «снимок» «запаса антирезонансной прочности» системы. Оба аналоговых ключа только открыты и их влияние на резонансный режим системы TH + нагрузка - исключено. Соответственно, с возвратом тумблера в рабочее состояние - аналоговые ключи «успокаивают» систему. Дополнительно, эффект улучшения резонансной устойчивости системы может быть исследован данным инструментом оперативной проверки резонансной устойчивости системы на стадии внедрения и эксплуатации систем с применением данного изобретения.

Раскрытие изобретения

В данном изобретении, при снятых всех предохранителях, кроме первого предохранителя 3, через вторичную обмотку 2 TH течет номинальный ток нагрузочного резистора 7. Нормальное, рабочее положение тумблера 9 - замыкание резистора 25. Через трансформатор тока 6 не протекает ток реальной нагрузки Zн. Первый 8 и второй 8.2 аналоговые ключи открыты на грани насыщения, Открытое состояние каждого аналогового ключа устанавливается смещением входного напряжения, заданным генератором тока 15 (и генератором тока 15.2).

При включении предохранителя 23, через трансформатор тока 6 протекает номинальный ток, через регламентный 24 (резистор отладки) резистор. Номинал резистора 24 равен номиналу резистора нагрузки 7. Выключение выходного каскада аналогового ключа 8 подстраивается резистором отрицательной обратной связи 18.

Соответственно, второй аналоговый ключ 8.2, выключается подстройкой резистора 18,2. Далее, предохранитель 23 снимается - TH готов к работе.

По программе производства работ, включаются требуемые предохранители 4. Таким образом, при любой расчетной нагрузке, ток вторичной обмотки TH остается равным номинальному току - падение напряжения на кабеле нормализуется единой расчетной величиной.

Контролировать отсутствие изменения тока вторичной обмотки TH можно с помощью (измерительного) контрольного резистора 25, номинал которого устанавливается равным сопротивлению кабеля плюс сопротивление вторичной обмотки TH (R25=RK+R2TV). В режиме контроля - тумблер 9 разомкнут (выключен).

На фиг.1 представлена схема включения одного (первого) аналогового ключа 8 (на фиг.2 и 3 - его номер 8.1) по а.с. (19) SU (11) 1568864 А1 (51)5 H03K 17/60. Далее, по тексту, через _ знак подчеркивания будут указаны номера позиций, указанные в иллюстрации по а.с. (19) SU (11) 1568864 A1 (51)5 H03K 17/60. Для фиг.2 - номер, 8.1_20 - соответствует прямому (неинвертирующему) входу аналогового ключа по а.с. (19) SU (11) 1568864 A1 (51)5 H03K 17/60 - для фиг.1, его номер записан короче - 8_20 (по той причине, что, на фиг.1 изображен только единственный - первый аналоговый ключ).

Краткое описание чертежей

На фиг.1 представлена схема включения TH с нормализацией погрешности вторичного напряжения в одном полу периоде синусоиды переменного напряжения. Трансформатор напряжения содержит первичную обмотку 1, вторичную обмотку 2 трансформатора напряжения, первый предохранитель 3 и предохранители измерительных цепей 4 и цепей защит 4.1, 4.2, 4.n, …, вторые контакты которых, через соответствующие нагрузочные обмотки реле 5.2, вольтметры 5, соединены с выводом заземления (или нейтралью), конец вторичной обмотки трансформатора напряжения 2 соединен с выводом заземления, а начало обмотки 2 соединено с первым контактом первого предохранителя 3, второй контакт которого, через нормально замкнутые контакты тумблера 9 и, последовательно, через первичную обмотку трансформатора тока 6 соединен с первыми контактами предохранителей (4.1, 4.2, …, 4.n) цепей защит 5.1, 5.2, …, 5.n, вторые контакты предохранителей 4, через соответствующие цепи измерения и защит, соединены с выводом заземления, начало вторичной обмотки трансформатора тока 6 соединено с прямым входом 8_20 аналогового ключа 8 и с первым выводом первого входного резистора 10, второй вывод которого соединен с вторым выводом четвертого входного резистора 14, и с первым выводом общего входного резистора 11. второй вывод которого соединен с выводом заземления, первый вывод четвертого входного резистора 14, через третий входной резистор 13,, соединен с инверсным входом 8_21 аналогового ключа 8, который, через второй входной резистор 12. соединен с концом вторичной обмотки трансформатора тока 6, причем, инверсный вход 8_21 аналогового ключа 8, через генератор подстройки (регулировки) тока 15 соединен с первой шиной питания 16 (через резистор 8_27 аналогового ключа, соединен с первой шиной питания аналогового ключа 8_18), первый выход 8_15 аналогового ключа 8 соединен с вторым выводом резистора нагрузки 7, первый вывод которого, соединен с вторым контактом первого предохранителя 3. Первый контакт предохранителя 4, через предохранитель 23 и резистор 24 соединен с выводом заземления.

На фиг.1, второй выход 8_16 аналогового ключа соединен с выводом заземления,

Второй вывод резистора нагрузки 7, через последовательно соединенные резисторы 17 и 18 соединен с инверсным входом 8_21 аналогового ключа 8. Инверсный вход аналогового ключа 8_21 через два последовательно включенных диода 19, 20 в прямом направлении соединен с прямым входом аналогового ключа 8_20. причем, инверсный вход аналогового ключа 8_21 через два последовательно включенных диода в обратном направлении 21 и 22 соединен с прямым входом аналогового ключа 8_20.

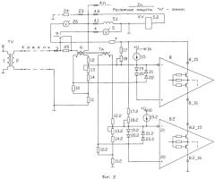
На фиг.2 представлена схема включения TH с нормализацией погрешности вторичного напряжения в каждом полу периоде синусоиды переменного напряжения.

В TH дополнительно введены второй аналоговый ключ 8.2, идентичный первому аналоговому ключу, с аналогичным (включению первого аналогового ключа 8) включением, с соответствующими входными резисторами - 10.2, 11.2, 12.2, 13.2 и 14.2, с ограничением напряжения между инверсным 8_21 и прямым 8_20 входами диодами - 19.2, и последовательно, 20.2 - включенными в прямом направлении, и включенными последовательно диодами - 8.21, и 8.22, в обратном направлении между инверсным 8_21 и прямым 8_20 входами, к инверсному входу 8_21 подключен генератор подстройки тока 15.2.

Трансформатор тока 6 дополнен второй вторичной обмоткой, которая подключена симметрично, относительно выводов первой вторичной обмотки трансформатора тока 6 к второму аналоговому ключу 8.2. Номер 8 аналогового ключа, на фиг.2 эквивалентен номеру 8.1 (может быть изменен на номер 8.1). Соединения первого аналогового ключа соответствуют соединениям фиг.1, за исключением второго выхода аналогового ключа, номер которого эквивалентен номеру 8.1_16. который отсоединен от вывода заземления (по фиг.1) и присоединен к первому выходу 8.2_15 второго аналогового ключа 8.2 второй выход 8.2_16 которого присоединен к выводу заземления. Конец второй вторичной обмотки соединен с прямым входом 8.2_20 второго аналогового ключа 8.2, и соответственно, начало второй вторичной обмотки трансформатора тока 6 соединено, через резистор 12.2, с инверсным входом 8.2_21 второго аналогового ключа 8.2. Все остальные соединения второго аналогового ключа 8.2 аналогичны соединениям первого аналогового ключа 8.1. Первый 8.1 аналоговый ключ закрывается соответствующим выбором (расчетом коэффициента деления) коэффициента отрицательной обратной связи - резистором 17 и точной подстройкой резистором 18,. Аналогично, второй аналоговый ключ 8 2 закрывается резистором 17.2 с подстройкой коэффициента отрицательной обратной связи резистором 18.2.

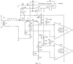
На фиг.3 представлен второй вариант отрицательной обратной связи в схеме включения TH по пунктам 4, 5 и 7 формулы изобретения. Включение диода 27, последовательно, между вторым выводом резистора 7 и резистором 17 - в цепь отрицательной обратной связи позволяет снизить степень насыщения каждого аналогового ключа в полу периоде его открытого состояния.

На фиг.4 представлена схема генератора подстройки (с возможностью регулировки резистором 15.3) тока 15 включения аналогового ключа и схема аналогового ключа 8. Генератор тока 15 на фиг 1 - питается от первой шины питания 16, которая через резистор снижения напряжения его питания (8_27 на фиг.4) соединена с первой шиной питания (8_18 на фиг.4) аналогового ключа 8. Генератор тока 15 содержит в качестве генератора стабильного тока - транзистор 151, ток эмиттера которого задается резисторами 15.4 и 15.3 с соответствующим смещением напряжения на его базе, генератором стабильного напряжения 15.2. Током коллектора транзистора 15.1 задается напряжение смещения инверсного входа 8_21 аналогового ключа 8, открытое состояние которого определяется резистором 15.4 и подстраивается резистором 15.3, при отсутствии тока в обмотках трансформатора тока 6.

Аналоговый ключ 8 не имеет существенных отличий от аналогового ключа по а.с. (19) SU (11) 1568864 A1 (51)5 H03K 17/60. Отличие заключается в том, что, рабочее напряжение его входных каскадов снижено на резисторах 8_27 и 8_28. Аналоговый ключ содержит транзисторный ключ 8_1, дифференциальный усилитель 8_2, первый генератор двух стабильных токов 8_3 и второй генератор стабильного тока 8_4, первый 8_6 и второй 8_7 транзисторы одного типа проводимости, третий 8_8 и четвертый 8_9 транзисторы другого типа проводимости, четыре резистора 8_11-8_14. первый выход транзисторного ключа 8_1 подключен к выходной шине 8 15, а второй выход - к выходной шине 8_16, первый и второй питающие выводы транзисторного ключа 8_1 соединены соответственно с первой 8_18 и второй 8_19 тинами его питания, прямой вход 8_20 подключен к базам первого и третьего транзисторов 8_6, 8_8, инверсный вход 8_21 соединен с базами второго и четвертого транзисторов 8_7, 8_9, питающий вывод первого генератора 8_3 двух стабильных токов соединен с шиной питания генератора тока 15 (на фиг.1 - первая шина питания TH - 16), и через резистор 8_27, подключен к первой шине питания аналогового ключа 8_18 и к одному питающему выводу дифференциального усилителя 8_2, другой питающий вывод которого соединен с второй шиной питания 8_19 и через резистор 8_28 и второй генератор стабильного тока 8_4 соединен с первыми выводами первого и второго резисторов 8_11, 8_12, с первым выводом стабилитрона 8_22. второй вывод которого подключен к эмиттерам третьего и четвертого транзисторов 8_8, 8_9, коллекторы которых соответственно соединены с первым и вторым выходами первого генератора 8_3 двух стабильных токов, коллектор четвертого транзистора 8_9 подключен к первому прямому входу дифференциального усилителя 8_2 и через третий резистор 8_13 - к эмиттеру первого транзистора 8_6, коллектор которого соединен с вторым выводом первого резистора 8_11 и вторым прямым входом дифференциального усилителя 8_2, первый инвертирующий вход которого подключен к коллектору третьего транзистора 88 и через четвертый резистор 8_14 - к эмиттеру второго транзистора 8_7, коллектор которого соединен с вторым выводом второго резистора 8_12 и вторым инвертирующим входом дифференциального усилителя 8_2, выходы которого подключены к соответствующим входам транзисторного ключа 8_1.

Осуществление аналогового ключа

Аналоговый ключ работает следующим образом. В исходном состоянии на прямой шине 8_20 сохраняется нулевой уровень относительно верхнего уровня на инверсной шине 8_21, что соответствует открытому состоянию транзисторного ключа 8. Верхний уровень на инверсной шине 8_21 задается резистором 15.4 и подстраивается резистором 15.3 генератора тока смещения 15. С появлением отрицательного напряжения на втором входном резисторе 12 (фиг.1) транзисторный ключ 8 закрывается, что приводит к уменьшению тока через резистор нагрузки 7. При токе через первичную обмотку трансформатора тока 6 равном номинальному току (за счет равенства номиналов резистора нагрузки 7 и регламентного резистора 24) транзисторный ключ 8 полностью закрыт. Закрытое состояние транзисторного ключа 8 подстраивается резистором 18 цепи отрицательной обратной связи. При промежуточных значениях тока через первичную обмотку трансформатора тока 6, ток через транзисторный ключ 8 контролируется работой аналогового ключа 8 в режиме усиления по цепи отрицательной обратной связи через резисторы 17 и 18.

Осуществление изобретения

В данном изобретении, при снятых всех предохранителях, кроме первого предохранителя 3, через вторичную обмотку 2 TH течет номинальный ток нагрузочного резистора 7. Через трансформатор тока 6 не протекает ток реальной нагрузки Zн. Первый 8 и второй 8.2 аналоговые ключи открыты на грани насыщения, Открытое состояние аналогового ключа 8 устанавливается смещением входного напряжения, заданным генератором тока 15 - соответственно, открытое состояние аналогового ключа 8.2 устанавливается смещением входного напряжения, заданным генератором тока 15.2.

При включении предохранителя 23, через трансформатор тока 6 протекает номинальный ток. через регламентный (резистор отладки) 24 резистор Номинал резистора 2-4 равен номиналу резистора нагрузки 7. Выключение выходного каскада аналогового ключа 8 подстраивается резистором отрицательной обратной связи 18. Соответственно, второй аналоговый ключ 8.2, выключается подстройкой резистора 18.2 Далее, предохранитель 23 снимается - TH готов к работе. Для трехфазного TH. на каждую фазу монтируется индивидуальные, отдельные трансформаторы тока 6 и аналоговые ключи 8 с резисторами 7, номинал которых соответствует паспортной величине номинальной нагрузки TH. Выходы аналоговых ключей 8_15 и 8_16 могут быть включены как на фазную нагрузку 7, так и на межфазную нагрузку 7, в зависимости от схемы подстанции. Аналоговый ключ 8 не имеет существенных отличий от аналогового ключа по а.с. (19) SU (11) 1568864. Отличие заключается в том, что, рабочее напряжение его входных каскадах снижено на резисторах 8_27 и 8_28. Выбранный аналог - Аналоговый ключ по а.с. (19) SU (11) 1568864 работает на выходное напряжение до 11 В. Типовое вторичное напряжение TH - межфазное, можно считать равным рабочему напряжению ~100 В, Аналоговый ключ необходимо рассчитывать на минимальное напряжение на первой шине питания 8_18 равным +70 В, относительно нейтрали (или относительно вывода заземления) а на второй шине питания 8_19 равным - минус 70 В,. Относительно вывода земли на фиг1, фиг.2 и фиг.4 - вторичное напряжение TH равно ~57,8 В. Поэтому, для уменьшения рабочего напряжения входных каскадов включены резисторы снижения напряжения 8_27 и 8_28, соответственно.

Изобретение составлено с учетом патентной защиты различия вариантов исполнения Аналогового ключа, например, по

а.с. (19) SU (11) 1114298 (13) A1 (51)5 H03K 1/02 1982.

Источники информации, принятые во внимание при экспертизе:

1. Трехфазный TH. - а.с. М.Х.Зихерман SU (11) 1827036 A3 (51)5 H01F 40/04 от (22) 25.12.1990 г.

2 Аналоговый ключ - а.с. (19) SU (11) 1568864 (13) A1 (51)5 H03K 17/60 от (22) 13.05.1988 г.

1. Трансформатор напряжения, содержащий первичную обмотку (например обмотку высокого напряжения), вторичную обмотку трансформатора напряжения, первый предохранитель, предохранители измерительных цепей и цепей защит, вторые контакты которых через соответствующие нагрузочные обмотки, реле и измерительные устройства (например вольтметры, ваттметры) или через резисторы соединены с выводом заземления, конец вторичной обмотки трансформатора напряжения через кабель соединен с выводом заземления, а начало через кабель соединено с первым контактом первого предохранителя, отличающийся тем, что в него введены трансформатор тока, резистор нагрузки и аналоговый ключ, второй контакт первого предохранителя через нормально замкнутые контакты тумблера и последовательно через первичную обмотку трансформатора тока соединен с первыми контактами предохранителей измерительных цепей и цепей защит, начало вторичной обмотки трансформатора тока соединено с прямым входом аналогового ключа и с первым выводом первого входного резистора, второй вывод которого соединен со вторым выводом четвертого входного резистора и с первым выводом общего входного резистора, второй вывод которого соединен с выводом заземления, первый вывод четвертого входного резистора через третий входной резистор соединен с инверсным входом аналогового ключа, который через второй входной резистор соединен с концом вторичной обмотки трансформатора тока, причем инверсный вход аналогового ключа через генератор тока с возможностью регулировки (подстройки) тока включения аналогового ключа соединен с первой шиной питания, первый выход аналогового ключа соединен с вторым выводом резистора нагрузки, первый вывод которого соединен с вторым контактом первого предохранителя, инверсный вход аналогового ключа через два последовательно включенных диода в прямом направлении соединен с прямым входом аналогового ключа, причем инверсный вход аналогового ключа через два последовательно включенных диода в обратном направлении соединен с прямым входом аналогового ключа, причем инверсный вход аналогового ключа через два последовательно включенных диода в обратном направлении соединен с прямым входом аналогового ключа.

2. Трансформатор напряжения по п.1, отличающийся тем, что второй выход аналогового ключа присоединен к выводу заземления.

3. Трансформатор напряжения по п.1, отличающийся тем, что второй вывод резистора нагрузки через резисторы отрицательной обратной связи соединен с инверсным входом аналогового ключа.

4. Трансформатор напряжения по п.1, отличающийся тем, что второй вывод резистора нагрузки через диод, включенный в обратном направлении, и резисторы отрицательной обратной связи соединен с инверсным входом аналогового ключа, причем параллельно этому диоду в цепи отрицательной обратной связи включен конденсатор.

5. Трансформатор напряжения по п.1, отличающийся тем, что в него введены второй аналоговый ключ, идентичный первому аналоговому, с аналогичным включением и с соответствующими входными резисторами, входными диодами и с генератором подстройки тока включения второго аналогового ключа по п.1, и вторая вторичная обмотка трансформатора тока с разноименным относительно первой вторичной обмотки включением выводов - конец второй вторичной обмотки соединен с прямым входом второго аналогового ключа и соответственно начало второй вторичной обмотки трансформатора тока через его второй входной резистор соединено с инверсным входом второго аналогового ключа, первый выход которого соединен с вторым выходом первого аналогового ключа, а второй выход второго аналогового ключа присоединен к выводу заземления.

6. Трансформатор напряжения по п.3 или 5, отличающийся тем, что второй вывод резистора нагрузки через резисторы отрицательной обратной связи второго аналогового ключа соединен с его инверсным входом.

7. Трансформатор напряжения по п.4 или 5, отличающийся тем, что второй вывод резистора нагрузки, через диод, включенный в обратном направлении, и резисторы отрицательной обратной связи соединен с инверсным входом второго аналогового ключа, причем параллельно этому диоду в цепи отрицательной обратной связи включен конденсатор.