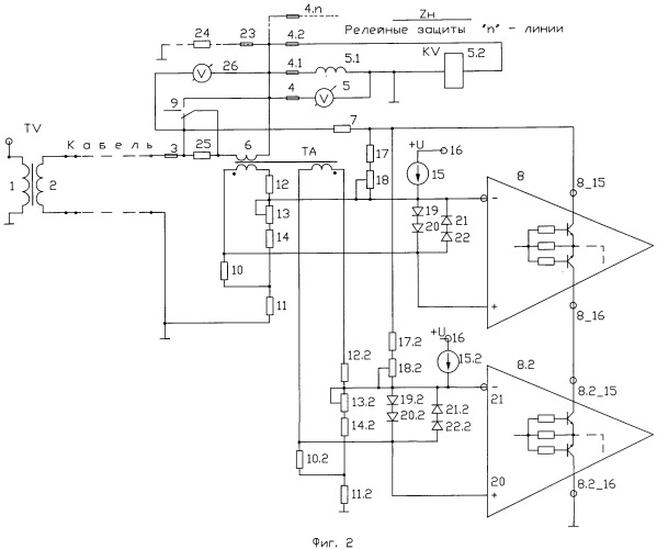
Иллюстрации к патенту
2499318
Трансформатор напряжения