Способ очистки поверхностей электродов
Иллюстрации
Показать всеИспользование: для очистки поверхностей электродов. Сущность изобретения заключается в том, что в измерительной ячейке для размещения электролита электродами в течение первого отрезка времени на электроды подают постоянное напряжение с заданной полярностью, а в течение следующего за ним второго отрезка времени на электроды подают постоянное напряжение с обратной полярностью, при этом значение напряжения во время первого и второго отрезков времени удерживают соответственно постоянным. Технический результат: обеспечение возможности создания способа очистки поверхностей электродов, где предварительная поляризация электродов не оказывает отрицательного действия на результат очистки. 9 з.п. ф-лы, 4 ил.
Реферат
Изобретение относится к способу очистки поверхностей электродов в устройстве для определения составных веществ электролита с расположенными в измерительной ячейке для размещения электролита электродами, причем в течение первого отрезка времени на электроды подают постоянное напряжение с заданной полярностью, и причем в течение следующего за ним второго отрезка времени на электроды подают постоянное напряжение с обратной полярностью.
Существует множество способов измерения для определения составных веществ электролита. Так US 5,470,484 А описывает способ регулирования количества подаваемых в раствор чистящих средств, причем напряжение подается по эталонному электроду и рабочему электроду, которые погружены в раствор. Протекающий через рабочий электрод ток измеряется и преобразуется в регулирующий сигнал, который показывает концентрацию химиката в растворе. Регулирующий сигнал берется за основу регулировки скорости подачи химиката.
Результат измерений в существенной мере зависит от размера активной поверхности электрода. Если она изменяется, например, из-за отложений постороннего материала на поверхности электрода, то на результат измерения оказывается невольное воздействие. Поэтому следует регулярно очищать электроды.
Наряду с механическими способами очистки, такими как истирание песком или корундом или очистка ультразвуком, также предлагались электролитические способы очистки.
Так из ЕР 1452858 В1 известен способ такого рода очистки поверхностей электродов в измерительном устройстве, в котором между электродами подается постоянный ток заданной полярности с регулируемой для заданной характеристики, прежде всего постоянной, силой тока. Во время второго отрезка времени такой же продолжительности полярность меняется на обратную. За счет заданного, по своей характеристики обратного течения тока на поверхностях электродов попеременно создается водород и кислород. За счет переключения направления тока предотвращаются и устраняются осаждения веществ на поверхностях электродов. Однако при этом предварительная поляризация электродов мешает успеху очистки.
СН 672845 А описывает способ очистки для индикаторного электрода титратора, в котором на индикаторный электрод подается переменное напряжение для того, чтобы на электродах образовывался как йод, так и водород. Как окисляющее действие йода, так и образование пузырей при возникновении водорода производят сильный поверхностно-активный эффект.
Задача настоящего изобретения заключается в том, чтобы предложить улучшенный способ очистки поверхностей электродов, в котором, прежде всего, предварительная поляризация электродов не оказывает отрицательного действия на результат очистки.
Согласно изобретению эта задача в способе с признаками п.1 формулы изобретения решена по существу за счет того, что значение напряжения во время первого и второго отрезков времени поддерживается соответственно постоянным. Однако на основании изменяющейся во время очистки поляризации электродов при этом изменяется протекающий между электродами ток. Поскольку подается постоянное напряжение, возможно имеющаяся предварительная поляризация электродов не сказывается отрицательно на успехе очистки. В зависимости от выбранной полярности на одном электроде образуется водород, а на другом электроде - кислород. За счет изменения полярности это приводит к образованию кислорода и водорода на соответственно другом электроде. Оба газа активны в отношении восстановления и окисления и разрушают отложения, которые образовались на электродах. Так кислород окисляет, например, органические отложения, в то время как водород восстанавливает известь, ржавчину и двуокись марганца и разрушает отложения жира. Возникающие при этом газовые пузыри отбивают загрязнения от поверхностей электродов, поэтому, наряду с химической очисткой, одновременно достигается также и механическая очистка.
Согласно предпочтительному усовершенствованию изобретения первый и второй временные отрезки имеют различную продолжительность. Прежде всего, продолжительность временного отрезка с постоянно положительным постоянным напряжением примерно в два раза больше продолжительности временного отреза с отрицательным постоянным напряжением. За счет этого при разложении воды может быть образовано одинаковое количество молекул O2 и Н2 на поверхности электродов.
Удивительным образом было выявлено, что особо хороший результат очистки достигается в том числе тогда, когда первый и второй временные отрезки вместе длятся менее одной секунды. За счет быстрого изменения полярности в краткие сроки достигается эффективное снятие отложений с электродов.
Согласно одному усовершенствованию изобретения первый и второй временные отрезки образуют цикл очистки, который повторяется многократно, прежде всего 10 раз. Было выявлено, что в результате этого могут пошагово и полностью сниматься также и толстые или многослойные отложения.
При этом большим преимуществом было измерение во время цикла очистки протекающего между электродами тока и корректировка напряжения в зависимости от тока между электродами после первого цикла очистки и/или после дальнейших циклов очистки. За счет этого можно установить поданную постоянную амплитуду напряжения во время следующих друг за другом циклов очистки на оптимальное для очистки значение.
Для того чтобы электроды по завершении очистки по возможности сразу снова были доступны для точного измерения, электроды после очистки в цикле поляризации поляризуются, предпочтительным образом, заново. При этой новой поляризации на электроды подается электрическое напряжение, за счет которого происходит восстановление оксидов, отложившихся во время очистки на поверхности электродов. Напряжение согласно изобретению пошагово приближается к рабочему напряжению, которое используется во время стандартного режима работы при определении составных веществ. Это рабочее напряжение обычно явно ниже значения напряжения для очистки электродов. Активная новая поляризация электродов приводит к тому, что слой поляризации, который необходим на электродах для стандартного режима работы устройства и который утрачивается во время очистки, снова быстро восстанавливается. Если новая поляризация не выполняется активно, то самостоятельное образование слоя поляризации может длиться до одного часа.
К тому же удивительным образом было установлено, что на основании информации, которая собирается во время новой поляризации, можно проверить работоспособность измерительной системы. Для этого, например, во время новой поляризации протекающий между электродами ток измеряется и сравнивается с предварительно известными значениями калибровки устройства. Так возможные ошибки, такие как дефект сенсора, прерывания кабелей или ошибки, могут распознаваться в системе анализа.
Если в измерительной ячейке в качестве электролита используется вода, то в одной предпочтительной форме осуществления изобретения предусматривается, что абсолютное значение напряжения, поданного в первом и втором временном интервала, больше напряжения разложения воды, которое составляет прим. 1,8 В. В усовершенствовании этой изобретательской мысли абсолютное значение напряжения, поданного в первом и втором временных интервалах, составляет от примерно 5 до примерно 15 В, предпочтительным образом в диапазоне от примерно 7,5 до 10 В и, прежде всего, примерно 8 В. За счет этого можно достичь особенно хорошего результата очистки.
Изобретение далее разъясняется более подробно при помощи примера осуществления и чертежа. При этом все описанные и/или наглядно показанные признаки сами по себе или в любой комбинации представляют собой предмет изобретения, независимо от его описания в пунктах формулы изобретения или их взаимосвязей.
Показано на:
фиг.1 - схематически конструкция устройства для определения составных веществ электролита,
фиг.2 - характеристика потенциалов на электроде во время цикла очистка,
фиг.3 - характеристика напряжения одного цикла поляризации,
фиг.4 - представленный на фиг.3 цикл поляризации с наложенным измерительным сигналом для функциональной проверки.
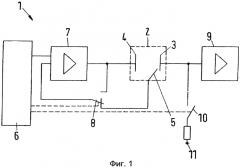
На фиг.1 схематически показано устройство 1 для определения составных веществ электролита с помощью измерительной ячейки 2, в которой расположен измерительный электрод 3 и противоположный ему противоэлектрод или рабочий электрод 4. Перед измерительным электродом 3 расположен соотнесенный с ним эталонный электрод 5. Блок 6 управления управляет потенциостатом 7, который может соединять переключатель 8, управляемый блоком 6 управления, с противоэлектродом 4 или эталонным электродом 5. Измерительный электрод 3 соединен с измерительным входом 9 и может соединяться с заземлением 11 посредством переключателя 10, управляемого блоком 6 управления.
В измерительной ячейке 2 находится электролит, составные вещества которого должны быть определены, например вода, содержание хлора в которой должно непрерывно определяться. Процесс измерения для определения составных веществ электролита прерывается с определенными заданными интервалами времени блоком 6 управления, и электроды 3, 4 посредством переключения переключателей 8, 10 соединяются с потенциостатом 7, служащим в качестве источника постоянного напряжения для очистки поверхности электрода.
Для осуществления предлагаемого способа очистки на поверхности электродов 3, 4 посредством потенциостата 7 между измерительным электродом 3 и противоэлектродом 4 подается постоянное напряжение. После предварительно заданного отрезка времени полярность меняется и на измерительный электрод 3 и противоэлектрод 4 подается обратное, опять же постоянное напряжение. Оба отрезка времени образуют цикл очистки, который предпочтительным образом длится максимально 1 секунду. Этот цикл очистки повторяется несколько раз, прежде всего 10 раз.
На фиг.2 показана распределенная во времени характеристика потенциала на одном из электродов 2, 3 во время цикла очистки. Отрезок 12 времени, во время которого подается положительное напряжение, в два раза больше, чем отрезок 13 времени с отрицательным напряжением. За счет этого при использовании воды в качестве электролита на соответствующем электроде 3 или же 4 образуется равное количество водорода и кислорода. Абсолютное значение напряжения при этом явно выше напряжения разложения воды, прежде всего примерно 8 В.
После завершения способа очистки электроды поляризуются заново. За счет этого на поверхностях электродов происходит восстановление отложенных оксидов и активно образуется слой поляризации, который необходим для корректного определения составных веществ электролита. Цикл поляризации имеет, как показано на фиг.3, несколько отрезков, которые следуют друг за другом во времени и в течение которых напряжение изменяется пошагово. Во время первого отрезка 14 согласно изобретению подается напряжение примерно -1000 мВ. Затем следует второй отрезок 15, на котором напряжение снижено до 0 мВ. На третьем отрезке 16 подается напряжение -500 мВ. За ним опять же следует четвертый отрезок 17 с 0 мВ. Наконец, в течение пятого отрезка 18 на электроды 3, 4 подается необходимое рабочее напряжение от примерно - 100 до -1000 мВ. Предпочтительно отрезки 14-18 времени имеют примерно одинаковую продолжительность и имеют, например, продолжительность в 10-60 сек. Это завершает активное новое построение слоя поляризации. Теперь можно сразу же снова начинать нормальный режим измерения с изначально надежными результатами. Напряжение для новой поляризации устанавливается в зависимости от измеряемого вещества.
На фиг.4 показан представленный на фиг.3 цикл поляризации с записанным во время измерения и представленным с наложением сигналом 19 измерения. В качестве сигнала 19 измерения служит электрический ток, который течет между электродами 3, 4 во время цикла повторной поляризации и, например, регистрируется измерительным входом 9. Характеристика измерительного сигнала во время отрезков 14, 16 и 18 времени зависит от проводимости электролита, в то время как измерительный сигнал во время отрезков 15 и 17 времени, когда между электродами нет напряжения, основан на так называемом гальваническом эффекте. Характеристика измерительного сигнала 19 характерна для состояния функционирования измерительной ячейки 2 и тем самым устройства 1. Поэтому для проверки работоспособности измерительной ячейки 2 может использоваться характеристика измерительного сигнала 19, прежде всего максимально достигнутая сила электрического тока, а также характеристики его затухания. Это может происходить, например, за счет сравнения с известной из калибровки характеристикой кривой или за счет сравнения с известными значениями для электрического тока во время отрезка времени новой поляризации.
С помощью изобретения предоставляется возможность очистки поверхностей электродов в измерительной ячейке 2, во время которой предварительная поляризация электродов 3, 4 не мешает успеху очистки. К тому же можно простым способом проверить работоспособность всей системы.
СПИСОК ССЫЛОЧНЫХ ОБОЗНАЧЕНИЙ
1 Устройство для определения составных веществ электролита
2 Измерительная ячейка
3 Измерительный электрод
4 Противоэлектрод
5 Эталонный электрод
6 Блок управления
7 Потенциостат
8 Переключатель
9 Измерительный вход
10 Переключатель
11 Заземление
12 Первый отрезок времени
13 Второй отрезок времени
14-18 Отрезки времени во время новой поляризации
19 Измерительный сигнал
1. Способ очистки поверхностей электродов в устройстве (1) для определения составных веществ электролита с расположенными в измерительной ячейке (2) для размещения электролита электродами (3, 4), причем в течение первого отрезка (12) времени на электроды (3, 4) подают постоянное напряжение с заданной полярностью, и причем в течение следующего за ним второго отрезка (13) времени на электроды (3, 4) подают постоянное напряжение с обратной полярностью, отличающийся тем, что значение напряжения во время первого (12) и второго (13) отрезков времени удерживают соответственно постоянным.
2. Способ по п.1, отличающийся тем, что первый (12) и второй (13) отрезки времени имеют различную продолжительность.
3. Способ по п.2, отличающийся тем, что длина отрезка времени с положительным постоянным напряжением (12) примерно в два раза больше, чем продолжительность отрезка времени с отрицательным постоянным напряжением (13).
4. Способ по одному из пп.1-3, отличающийся тем, что первый (12) и второй (13) отрезки времени вместе длятся менее одной секунды.
5. Способ по одному из пп.1-3, отличающийся тем, что первый (12) и второй (13) отрезки времени образуют цикл очистки, который повторяют несколько раз, прежде всего 10 раз.
6. Способ по п.5, отличающийся тем, что во время цикла очистки измеряют протекающий между электродами (3, 4) ток и что напряжение между электродами (3, 4) корректируют в зависимости от тока между электродами (3, 4) после первого цикла очистки и/или после дальнейших циклов очистки.
7. Способ по одному из пп.1-3, отличающийся тем, что электроды (3, 4) после очистки поляризуют заново.
8. Способ по п.7, отличающийся тем, что во время новой поляризации измеряют протекающий между электродами (3, 4) электрический ток и на основании сигнала тока оценивают работоспособность измерительного устройства (1).
9. Способ по одному из пп.1-3, отличающийся тем, что абсолютное значение поданного во время первого (12) и второго (13) отрезков времени напряжения больше, чем напряжение разложения воды.
10. Способ по п.9, отличающийся тем, что абсолютное значение поданного во время первого (12) и второго (13) отрезков времени напряжения составляет примерно 5-15 В.



