Выпрямительная схема по меньшей мере с двумя рабочими точками

Иллюстрации

Показать все

Изобретение относится к устройству (А, В) энергообеспечения для выпрямления трехфазного тока в многоимпульсный постоянный ток. Устройство содержит по меньшей мере один трехфазный трансформатор переменного тока с сердечником или три однофазных трансформатора переменного тока, каждый с сердечником. Трехфазный трансформатор переменного тока включает в себя три первые расположенные с вторичной стороны катушки (L21, L22, L23), которые, соответственно, расположены на стержне сердечника трансформатора, или каждый из трех однофазных трансформаторов переменного тока включает в себя первую расположенную с вторичной стороны катушку, причем каждая расположенная с вторичной стороны катушка располагается на одном стержне сердечников трансформатора. Устройство также содержит по меньшей мере один первый выпрямитель, включающий первые вентили (D1, D2, D3), которые соединены с первыми расположенными с вторичной стороны катушками (L21, L22, L23) в первый выпрямитель. Устройство (А, В) энергообеспечения имеет средства (S1, S2, S3) для изменения передаточного отношения трехфазного трансформатора переменного тока или передаточных отношений трех однофазных трансформаторов переменного тока, которое обеспечивает технический результат - обеспечение максимально устойчивого постоянного напряжения на выходе. 7 з.п. ф-лы, 7 ил.

Реферат

Предложенное на рассмотрение изобретение относится к устройству энергообеспечения для выпрямления трехфазного тока в многоимпульсный постоянный ток

- по меньшей мере с одним трехфазным трансформатором переменного тока с сердечником трансформатора или с тремя однофазными трансформаторами переменного тока, каждый с сердечником трансформатора, причем

- трехфазный трансформатор переменного тока включает в себя три первые расположенные с вторичной стороны катушки, которые, соответственно, расположены на стержне сердечника трансформатора, или

- каждый из трех однофазных трансформаторов переменного тока включает в себя первую расположенную с вторичной стороны катушку, причем каждая расположенная с вторичной стороны катушка располагается на одном стержне сердечников трансформатора,

- по меньшей мере с одним первым выпрямителем, включающим в себя первые вентили выпрямителя тока,

- причем первые вентили выпрямителя тока соединены с первыми расположенными с вторичной стороны катушками в первый выпрямитель.

Из литературы известны такого рода устройства энергообеспечения. Так, к примеру, в брошюре «Grundlagen der Leistungselektronik» (Основы силовых электронных устройств), K. Heumann, ISBN 3-519-06110-4 описано устройство энергообеспечения, у которого расположенные с вторичной стороны катушки трехфазного трансформатора переменного тока с первыми вентилями выпрямителя тока соединены в М3-выпрямитель.

При использовании описанного в брошюре устройства энергообеспечения возможно снабжать потребителя тока постоянным током из цепи переменного тока. На выходе устройства энергообеспечения может быть снято постоянное напряжение, величина которого определяется, в основном, передаточным отношением трансформатора. Значение постоянного напряжения не является переменной величиной.

Однако известны и такие пользователи постоянного тока, которым в различных ситуациях должно подаваться постоянное напряжение различной величины. В простейшем случае потребитель постоянного тока должен быть подключен к подаче постоянного напряжения двух различных значений.

Простейший вариант реализации подачи постоянного напряжения различной величины на выходе М3-выпрямителя осуществляется посредством использования регулируемых вентилей выпрямителя тока, что также описано в вышеуказанном пособии. Регулируемые вентили выпрямителей тока могут эксплуатироваться, к примеру, с использованием режима фазового управления. Для этого напряжение на выходе выпрямителя по меньшей мере в одной зоне регулируется плавно.

Регулировка напряжения при помощи режима фазового управления имеет, однако, тот недостаток, что коэффициент мощности из-за повышенной составляющей гармонических колебаний и возникающей, вследствие этого, мощности формирования деформаций уменьшается при возрастании угла настройки, на который настраиваются регулируемые вентили выпрямителя.

Поэтому в основе изобретения лежит задача создания такого устройства энергообеспечения ранее указанного типа, с помощью которого появилась возможность предоставления по меньшей мере двух выходных напряжений при высоком коэффициенте мощности. При этом должен достигаться технический результат, заключающийся в обеспечении максимально устойчивого постоянного напряжения на выходе выпрямителя.

Эта задача в соответствии с изобретением решается посредством того, что устройство энергообеспечения имеет средства для изменения передаточного отношения трехфазного трансформатора переменного тока или трех однофазных трансформаторов переменного тока. Посредством изменения передаточного отношения трехфазного трансформатора переменного тока или трех однофазных трансформаторов переменного тока возможно предоставить на выходе выпрямителя различные напряжения без необходимости использования для этого вентилей выпрямителя тока на вторичной стороне трансформатора или трансформаторов, которые обеспечивают фазовое управление с вторичной стороны. За счет этого можно получить высокий коэффициент мощности при работе устройства энергообеспечения с заданными посредством отрегулированного передаточного отношения трансформатора или трансформаторов выходными напряжениями.

Устройство энергообеспечения в соответствии с изобретением может быть выполнено таким образом, что

- трехфазный трансформатор переменного тока включает в себя три первые расположенные с первичной стороны катушки и три вторые расположенные с первичной стороны катушки, которые, соответственно, вместе с первой расположенной с вторичной стороны катушкой располагаются на стержне или

- каждый из трех однофазных трансформаторов переменного тока имеет первую расположенную с первичной стороны катушку и вторую расположенную с первичной стороны катушку на одном из стержней сердечника своего трансформатора.

Средства для изменения передаточного отношения такого рода устройства энергообеспечения могут включать в себя регулируемые переключатели. Посредством регулируемых переключателей в устройстве энергообеспечения в соответствии с изобретением каждая вторая расположенная с первичной стороны катушка непосредственно или опосредованно может включаться последовательно с первой расположенной с первичной стороны катушкой

- на том же стержне трехфазного трансформатора переменного тока или

- на том же сердечнике трансформатора одного их однофазных трансформаторов переменного тока.

Устройство энергообеспечения в соответствии с изобретением может включать в себя три третьи расположенные с первичной стороны катушки. Посредством регулируемых переключателей каждая третья расположенная с первичной стороны катушка непосредственно или опосредованно может включаться последовательно либо с первой расположенной с первичной стороны катушкой, либо с первой расположенной с первичной стороны катушкой и второй расположенной с первичной стороны катушкой

- на том же стержне трехфазного трансформатора переменного тока или

- на том же сердечнике трансформатора одного из однофазных трансформаторов переменного тока. Непосредственное последовательное включение должно означать в этой связи, что через каждую третью расположенную с первичной стороны катушку протекает постоянный ток, как и через первую расположенную с первичной стороны катушку, а в случае необходимости через вторую расположенную с первичной стороны катушку на том же стержне. Опосредованное последовательное включение должно обозначать в этой связи, что через каждую третью расположенную с первичной стороны катушку протекает парциальный ток, как и через первую расположенную с первичной стороны катушку, а в случае необходимости через вторую расположенную с первичной стороны катушку на том же стержне.

Посредством использования первого регулируемого переключателя и второго регулируемого переключателя в устройстве энергообеспечения в соответствии с изобретением возможно включать параллельное соединение второй расположенной с первичной стороны катушки и третьей расположенной с первичной стороны катушки последовательно с первой расположенной с первичной стороны катушкой

- на том же стержне трехфазного трансформатора переменного тока или

- на том же сердечнике трансформатора одного их однофазных трансформаторов переменного тока.

Устройство энергообеспечения может иметь регуляторы мощности, посредством которых может регулироваться мощность, передаваемая от первичной стороны трехфазного трансформатора переменного тока к его вторичной стороне или от первичных сторон трех однофазных трансформаторов переменного тока к их вторичным сторонам. Посредством таких регуляторов мощности может регулироваться мощность, передаваемая от устройства энергообеспечения к приложенной на выходе выпрямителя нагрузке.

Если передаточное отношение трансформатора или трансформаторов выбрано таким образом, что высокое напряжение с первичной стороны трансформируется в небольшое напряжение с вторичной стороны, к примеру от 9 до 15 В, а небольшой ток с первичной стороны трансформируется в ток большой величины с вторичной стороны, к примеру 9 кА, предпочтительно осуществлять регулировку мощности с первичной стороны, для предотвращения установления высоких значений тока.

Регуляторы мощности могут включать в себя регулируемые переключатели. Схема последовательного включения, а в случае необходимости параллельного включения первых, вторых и, в случае необходимости, третьих расположенных с первичной стороны катушек может быть заимствована, таким образом, у регуляторов мощности. Регуляторы мощности являются в таком случае также и средствами для изменения передаточного отношения трехфазного трансформатора переменного тока или трех однофазных трансформаторов переменного тока.

Устройство энергообеспечения может иметь средство регулировки, посредством которого регуляторы мощности могут регулироваться в режиме повторения напряжений.

Трехфазный трансформатор переменного тока с первичной стороны может быть соединен в треугольник. Также возможно соединение трехфазного трансформатора переменного тока с первичной стороны в звезду. Расположенная с первичной стороны нулевая точка может быть в этом случае через соответствующий последовательный резонансный контур соединена с присоединительным элементом внешнего провода устройства энергообеспечения.

Первые вентили выпрямителя тока могут быть соединены с первыми расположенными с вторичной стороны катушками в М3-выпрямитель. Однако могут быть подсоединены выпрямители и с другими конфигурациями.

В особом варианте осуществления устройства энергообеспечения трехфазный трансформатор переменного тока может включать в себя три вторые расположенные с вторичной стороны катушки, которые, соответственно, располагаются на стержне сердечника трансформатора. Такого рода устройство энергообеспечения может иметь по меньшей мере один второй выпрямитель, включающий в себя вторые вентили выпрямителя тока. Эти вторые вентили выпрямителя тока могут быть соединены со вторыми расположенными с вторичной стороны катушками во второй выпрямитель, в частности в М3-выпрямитель.

Первый М3-выпрямитель, включающий в себя первые вентили выпрямителя тока, и второй М3-выпрямитель, включающий в себя вторые вентили выпрямителя тока, могут быть подключены параллельно. В предпочтительном варианте первый М3-выпрямитель и второй М3-выпрямитель соединены в выпрямительную схему М3.2. Выпрямительная схема М3.2 известна так же, как схема отсасывающего дросселя.

Преимуществом выпрямительной схемы М3.2, по сравнению со схемой параллельного включения двух М3-выпрямителей, является смещение по фазе на 180° токов, протекающих через расположенные на стержне с вторичной стороны катушки. Таким образом можно получить 6-импульсный выпрямитель. Схемы отсасывающих дросселей описаны, к примеру, в упомянутой выше брошюре. Отличительный признак, а при определенных условиях преимущество выпрямительной схемы М3.2, по сравнению с мостовой схемой В6, состоит в том, что она при равной подаче напряжения на вентиле выпрямителя тока при сдвоенном постоянном токе подает лишь половинное значение постоянного напряжения.

В качестве особо предпочтительного выявило себя устройство, состоящее из первого устройства энергообеспечения в соответствии с изобретением и из второго устройства энергообеспечения в соответствии с изобретением, причем трехфазный трансформатор переменного тока первого устройства энергообеспечения и трехфазный трансформатор переменного тока второго устройства энергообеспечения подсоединены к одним и тем же внешним проводам, при этом трехфазный трансформатор переменного тока первого устройства энергообеспечения с первичной стороны соединен в треугольник, а трехфазный трансформатор переменного тока второго устройства энергообеспечения с первичной стороны соединен в звезду. За счет соединения в треугольник с первичной стороны и соединения в звезду с первичной стороны получают смещение по фазе в 30° между токами на вторичных сторонах трехфазных трансформаторов напряжения. Если к обоим трехфазным трансформаторам переменного тока подсоединены выпрямительные схемы М3.2, то тогда на выходе устройства, осуществленного в соответствии с изобретением, составленного из первого устройства энергообеспечения и второго устройства энергообеспечения, можно получить 12-импульсное выходное напряжение.

Выходы выпрямителей или выпрямительных схем в предпочтительном варианте подсоединены параллельно.

Другие признаки и преимущества предложенного на рассмотрение изобретения подробно разъясняются на основании последующего описания со ссылкой на приложенные чертежи, на которых представлено:

фиг. 1 - упрощенная блок-схема устройства в соответствии с изобретением, состоящего из первого схемного устройства в соответствии с изобретением и второго схемного устройства в соответствии с изобретением,

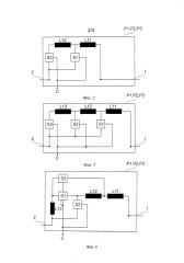
фиг. 2 - первый пример соединения расположенных с первичной стороны катушек трехфазного трансформатора переменного тока и регуляторов мощности,

фиг. 3 - второй пример соединения расположенных с первичной стороны катушек трехфазного трансформатора переменного тока и регуляторов мощности,

фиг. 4 - третий пример соединения расположенных с первичной стороны катушек трехфазного трансформатора переменного тока и регуляторов мощности,

фиг. 5 - четвертый пример соединения расположенных с первичной стороны катушек трехфазного трансформатора переменного тока и регуляторов мощности,

фиг. 6 - устройство регулятора мощности,

фиг. 7 - последовательные резонансные контуры для соединения нулевого провода с внешними проводами.

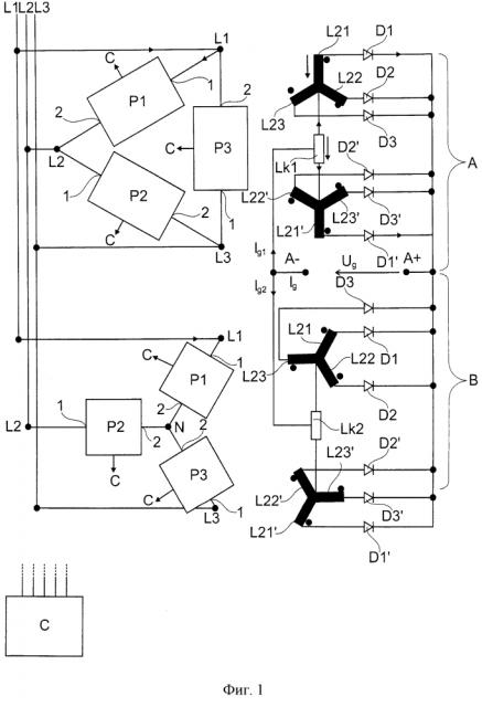
На основании фиг. 1 сначала поясняется представленное в верхней части чертежа первое схемное устройство А в соответствии с изобретением, прежде чем мы перейдем ко второму схемному устройству B в соответствии с изобретением и к представленному на фиг. 1 устройству А, В.

Представленное на фиг. 1 первое схемное устройство А в соответствии с изобретением включает в себя первый трехфазный трансформатор переменного тока, из которого представлена лишь его вторичная сторона. Вместо расположенных с первичной стороны катушек трехфазного трансформатора переменного тока изображены схемы Р1, Р2, Р3. Более детально возможная конструкция этих схем представлена на фиг. 2, 3, 4 и 5, причем каждая из этих фигур демонстрирует возможный вариант, который может быть использован в первом схемном устройстве. Каждая из представленных на фиг. 2, 3, 4 и 5 схем P1, Р2, Р3 имеет первый присоединительный элемент 1 и второй присоединительный элемент 2, которые представлены также на фиг. 1.

Схемы P1, Р2, Р3 в трехфазном трансформаторе переменного тока первого устройства А энергоснабжения соединены в треугольник и подсоединены к внешнему проводу сети L1, L2, L3 переменного тока.

Варианты для схем P1, Р2, Р3 включают в себя по меньшей мере две расположенные с первичной стороны катушки L11, L12, L13 трехфазного трансформатора переменного тока первого схемного устройства А, расположенные на стержне сердечника трехфазного трансформатора переменного тока. Так, расположенные с первичной стороны катушки схемы Р1 располагаются на первом стержне, расположенные с первичной стороны катушки схемы Р2 на втором стержне и расположенные с первичной стороны катушки Р3 на третьем стержне.

В представленном на фиг. 2 варианте на каждом из трех стержней сердечника трехфазного трансформатора переменного тока имеются две расположенные с первичной стороны катушки, а именно первая расположенная с первичной стороны катушка L11 и вторая расположенная с первичной стороны катушка L12. Первая расположенная с первичной стороны катушка L11 соединена с первым присоединительным элементом схемы P1, Р2, Р3, а через узел со второй расположенной с первичной стороны катушкой L12. Узел, кроме того, через регулятор S1 мощности соединен со вторым присоединительным элементом 2 схем P1, Р2, Р3. Вторая расположенная с первичной стороны катушка L12 через регулятор S2 мощности также соединена со вторым присоединительным элементом 2 схемы Р12, Р23, Р31. Первый присоединительный элемент 1 и второй присоединительный элемент 2 представленным на фиг. 1 способом соединены с одним из внешних проводов L1, L2, L3. Регуляторы S1, S2 мощности через присоединительные элементы системы управления соединены с представленной на фиг. 1 системой С управления. Однако, чтобы не перегружать чертеж, присоединительные провода к системе управления на фиг. 1 не изображены.

Представленный на фиг. 3 вариант отличается от представленного на фиг. 2 тем, что три расположенные с первичной стороны катушки L11, L12, L13 располагаются на одном стержне трехфазного трансформатора переменного тока. Третья расположенная с первичной стороны катушка L3 последовательно подключена к регулятору S3 мощности. Это последовательное соединение параллельно подключено к регулятору S2 мощности и, таким образом, соединено также со вторым присоединительным элементом схем P1, Р2, Р3.

Расположенные с первичной стороны катушки L11, L12 в варианте осуществления в соответствии с фиг. 2 или расположенные с первичной стороны катушки L11, L12, L13 могут быть выполнены внутри обмотки трансформатора, которая имеет один центральный отвод или два центральных отвода, которые образуют узлы между расположенными с первичной стороны катушками L11, L12, L13.

В качестве регуляторов S1, S2, S3 мощности в предпочтительном варианте используются тиристорные преобразователи-регуляторы с двумя антипараллельно подключенными тиристорами Th1, Th2, как показано на фиг. 5. Однако могут использоваться также и триаки, биполярные транзисторы с изолированным затвором или другие подходящие управляемые переключатели.

Регуляторы S1, S2 или S1, S2, S3 мощности могут эксплуатироваться в режиме полного регулирования. В этом случае они работают как регулируемые переключатели для переключения количества витков на первичной стороне обмотки трехфазного трансформатора переменного тока. Целесообразным является, однако, обеспечение возможности фазового управления. В этом случае может быть изменено не только количество витков, но и мощность, передаваемая посредством трехфазного трансформатора переменного тока. В предпочтительном варианте регуляторы мощности регулируются тогда в режиме повторения напряжений, как описано, к примеру, в пособии «Thyristorezed Power Controller», G.K.Dubey, S.R.Doradla, F.Joshi, R.M.K.Sinha, ISBN 0-85226-1 90-х в пункте 5.1.4 «Sequence Control of AC Regulators».

В представленном на фиг. 4 варианте схем P1, Р2, Р3 также предусмотрены три расположенные с первичной стороны катушки L11, L12, L13 и три регулятора S1, S2, S3 мощности. Однако конфигурация схемы отлична от представленного на фиг. 3 варианта. Регуляторы S1, S2, S3 мощности и катушки L11, L12, L13 расположены таким образом, что катушки L11, L12, L13 при выключенных регуляторах S1, S2, S3 мощности последовательно подключены к регулятору S1 мощности. В этом случае посредством регулятора S1 мощности может быть отрегулирована мощность.

Если же, напротив, регулятор S1 мощности отключен, а оба регулятора S2, S3 мощности работают, то вторая расположенная с первичной стороны катушка L12 последовательно соединена с регулятором S2 мощности, а третья расположенная с первичной стороны катушка L13 последовательно соединена с регулятором S3 мощности. Последовательные соединения L12, S2 и L13, S3 подключены параллельно друг к другу и последовательно к первой расположенной с первичной стороны катушке L11. Регуляторы S2, S3 мощности могут в этом случае эксплуатироваться синхронно, с целью регулировки передаваемой мощности.

В третьем варианте осуществления регуляторы мощности в режиме полного регулирования также могут эксплуатироваться как регулируемые переключатели, в режиме фазового управления или в режиме повторения напряжений, с целью регулировки количества витков с первичной стороны и, в случае необходимости, мощности.

В представленном на фиг. 5 четвертом варианте схем P1, Р2, Р3 первая расположенная с первичной стороны катушка L11, вторая расположенная с первичной стороны катушка L12, первый регулятор S1 мощности, второй регулятор S2 мощности и третий регулятор S3 мощности соединены друг с другом таким образом, что при настройке первого регулятора S1 мощности требуется лишь первая расположенная с первичной стороны катушка L11, а при настройке второго регулятора S2 мощности лишь вторая расположенная с первичной стороны катушка L12, для передачи электроэнергии с первичной стороны на вторичную сторону трехфазного трансформатора переменного тока. Если же, напротив, настраивается третий регулятор S3 мощности, то ток с первичной стороны протекает через обе расположенные с первичной стороны катушки L11, L12. Если же расположенные с первичной стороны катушки L11, L12 имеют различные габариты, то посредством четвертого варианта схемы P1, Р2, Р3 с двумя расположенными с первичной стороны катушками и тремя регуляторами S1, S2, S3 мощности в качестве средств для изменения передаточного отношения могут быть отрегулированы три передаточных отношения трехфазного трансформатора переменного тока.

В четвертом варианте осуществления регуляторы S1, S2, S3 мощности в режиме полной регулировки также могут эксплуатироваться в качестве регулируемых переключателей, в режиме фазового управления или в режиме повторения напряжений, для регулировки количества витков с первичной стороны и, в случае необходимости, мощности.

Вторичная сторона трехфазного трансформатора переменного тока первого устройства энергообеспечения имеет на первом стержне, на втором стержне и на третьем стержне по две катушки, а именно по одной первой расположенной с вторичной стороны катушке L21, L22, L23 и по одной второй расположенной с вторичной стороны катушке L21′, L22′, L23′, причем на первом стержне расположены катушки L21, L21′, на втором стержне катушки L22, L22′ и на третьем стержне катушки L23, L23′.

Первые расположенные с вторичной стороны катушки L21, L22, L23 соединены по принципу звезды. Не соединенные с нулевой точкой присоединительные элементы первых расположенных с вторичной стороны катушек L21, L22, L23 соединены каждый с одним первым вентилем D1, D2, D3 выпрямителя тока. Под вентилем выпрямителя тока подразумеваются диоды D1, D2, D3, катоды которых соединены с присоединительными элементами первых расположенных с вторичной стороны катушек L21, L22, L23, а аноды сведены вместе. Первые расположенные с вторичной стороны катушки L21, L22, L23 и вентили D1, D2, D3 выпрямителя тока соединены в первый М3-выпрямитель.

Вторые расположенные с вторичной стороны катушки L21′, L22′, L23′ также соединены по принципу звезды. Не соединенные с нулевой точкой присоединительные элементы вторых расположенных с вторичной стороны катушек L21′, L22′, L23′ соединены каждый с одним вторым вентилем D1′, D2′, D3′ выпрямителя тока. Под вентилями выпрямителя тока также подразумеваются диоды D1′, D2′, D3′, катоды которых соединены с присоединительными элементами вторых расположенных с вторичной стороны катушек L21′, L22′, L23′, а аноды сведены вместе. Вторые расположенные с вторичной стороны катушки L21′, L22′, L23′ и вентили D1′, D2′, D3′ выпрямителя тока, также соединены во второй М3-выпрямитель.

Расположенная на стержне первая расположенная с вторичной стороны катушка L21, L22, L23 и расположенная на том же стержне вторая расположенная с вторичной стороны катушка L21′, L22′, L23′ смещены по фазе относительно друг друга на 180°, а нулевые точки первого М3-выпрямителя и второго М3-выпрямителя посредством дросселя Lk соединены друг с другом. Дроссель Lk представляет собой отсасывающий дроссель и имеет центральный отвод, соединенный с отрицательным присоединительным элементом А- выхода первого устройства А энергообеспечения. Положительный выход А+ первого устройства А энергообеспечения соединен с катодами первого и второго вентилей D1, D2, D3, D1′, D2′, D3′ выпрямителя тока. Первый М3-выпрямитель и второй М3-выпрямитель образуют, таким образом, М3.2-выпрямитель, который в литературе обозначается так же, как схема отсасывающего дросселя.

Второе устройство В энергообеспечения, которое представлено в нижней части фиг. 1, во многом соответствует первому устройству энергообеспечения, представленному в верхней части чертежа. Оно имеет, в частности, трехфазный трансформатор переменного тока, который соответствует трехфазному трансформатору переменного тока первого устройства А энергообеспечения. Поэтому образующие трехфазные трансформаторы напряжения компоненты обозначены одинаково. Вторичная сторона трансформатора второго устройства В энергообеспечения, то есть первые и вторые катушки L21, L22, L23, L21′, L22′, L23′, также соединены с вентилями D1, D2, D3, D1′, D2′, D3′ выпрямителя тока, а дроссель Lk с М3.2-выпрямителем, как вторичная сторона трехфазного трансформатора переменного тока первого схемного устройства. Выходы обоих М3.2-выпрямителей подключены параллельно.

Схемы P1, Р2, Р3 на первичной стороне трехфазного трансформатора переменного тока второго устройства В энергообеспечения выполнены далее точно так же, как и на первичной стороне трехфазного трансформатора переменного тока первого устройства А энергообеспечения. Различие состоит лишь в том, как расположены схемы P1, Р2, Р3. В то время как схемы P1, Р2, Р3 в первом устройстве А энергообеспечения соединены в треугольник, схемы P1, Р2, Р3 во втором устройстве В энергообеспечения соединены в звезду. На вторичной стороне трехфазного трансформатора переменного тока второго устройства В энергообеспечения это приводит к токам и напряжениям, смещенным относительно вторичной стороны трехфазного трансформатора переменного тока первого устройства А энергообеспечения на 30°.

Это приводит к тому, что к выходу A+, А- всего устройства А, B в целом прикладывается 12-импульсное постоянное напряжение.

Соединение в звезду схем P1, Р2, Р3 может быть произведено, как представлено на фиг. 1, без использования нулевого провода. Однако возможно также соединить нулевую точку N с внешними проводами L1, L2, L3. Это осуществляется тогда в предпочтительном варианте, как представлено на фиг. 7, посредством последовательных резонансных контуров из дросселей L1s, L2s, L3s и конденсаторов C1s, C2s, C3s, с целью предотвращения противодействий в сети за счет гармонических колебаний. Параллельно конденсаторам C1s, C2s, C3s могут быть подключены омические сопротивления R1s, R2s, R3s.

1. Устройство, состоящее из первого устройства (А) энергообеспечения для выпрямления трехфазного тока в многоимпульсный постоянный ток и из второго устройства (В) энергообеспечения для выпрямления трехфазного тока в многоимпульсный постоянный ток, причем первое и второе устройства (А, В) энергообеспечения снабжены соответственно- по меньшей мере одним трехфазным трансформатором переменного тока с сердечником трансформатора, причем трехфазный трансформатор переменного тока включает в себя три первые, расположенные с вторичной стороны катушки (L21, L22, L23), которые, соответственно, расположены на стержне сердечника трансформатора, и три вторые расположенные с вторичной стороны катушки (L21′, L22′, L23′), которые, соответственно, расположены на стержне сердечника трансформатора,- выпрямительной схемой М3.2. из двух соединенных друг с другом М3-выпрямителей, причем- первым М3-выпрямителем, который включает в себя первые вентили (D1, D2, D3) выпрямителя тока, которые соединены с первыми расположенными с вторичной стороны катушками (L21, L22, L23) в первый М3-выпрямитель, и- вторым М3-выпрямителем, который включает в себя вторые вентили (D1′, D2′, D3′) выпрямителя тока, которые соединены с вторыми расположенными с вторичной стороны катушками (L21′, L22′, L23′) во второй М3-выпрямитель,- средствами (S1, S2, S3) для изменения передаточного отношения трехфазного трансформатора переменного тока,причем в первом устройстве (А) энергообеспечения- трехфазный трансформатор переменного тока с первичной стороны соединен в треугольник,во втором устройстве (В) энергообеспечения- трехфазный трансформатор переменного тока с первичной стороны соединен в звезду,- расположенная с первичной стороны нулевая точка (N), соответственно, через последовательный резонансный контур соединена с присоединительными элементами (L1, L2, L3) внешних проводов устройства (В) энергообеспечения,причем трехфазный трансформатор переменного тока первого устройства (А) энергообеспечения и трехфазный трансформатор переменного тока второго устройства (В) энергообеспечения соединены параллельно и выходы выпрямителей или выпрямительные схемы соединены параллельно.

2. Устройство по п. 1, отличающееся тем, что- трехфазный трансформатор переменного тока включает в себя три первые, расположенные с первичной стороны катушки (L11) и три вторые расположенные с первичной стороны катушки (L12), которые, соответственно, вместе с одной из первых расположенных с вторичной стороны катушек (L21, L22, L23) располагаются на стержне сердечника трансформатора ичто средства (S1, S2, S3) для изменения передаточного отношения трехфазного трансформатора переменного тока- включают в себя регулируемые переключатели (Th1, Th2) ичто посредством регулируемых переключателей (Th1, Th2) каждая вторая расположенная с первичной стороны катушка (L12) непосредственно или опосредованно может включаться последовательно с первой расположенной с первичной стороны катушкой (L11) на том же стержне трехфазного трансформатора переменного тока.

3. Устройство по п. 2, отличающееся тем, что устройство (А, В) энергообеспечения включает в себя три третьи расположенные с первичной стороны катушки (L13) и что посредством регулируемых переключателей (Th1, Th2) каждая третья расположенная с первичной стороны катушка (L13) непосредственно или опосредованно может включаться последовательно либо с первой расположенной с первичной стороны катушкой (L11), либо с первой расположенной с первичной стороны катушкой (L11) и второй расположенной с первичной стороны катушкой (L12) на том же стержне трехфазного трансформатора переменного тока.

4. Устройство по п. 3, отличающееся тем, что посредством регулируемых переключателей (Th1, Th2) параллельное соединение второй расположенной с первичной стороны катушки (L12) и третьей расположенной с первичной стороны катушки (L13) может включаться последовательно с первой расположенной с первичной стороны катушкой (L11) на том же стержне трехфазного трансформатора переменного тока

5. Устройство по п. 2 или 3, отличающееся тем, что устройство (А, В) энергообеспечения имеет регуляторы (S1, S2, S3) мощности, посредством которых может регулироваться мощность, передаваемая от первичной стороны трехфазного трансформатора переменного тока к его вторичной стороне.

6. Устройство по любому из пп. 2-4, отличающееся тем, что регуляторы (S1, S2, S3) мощности имеют регулируемые переключатели (Th1, Th2).

7. Устройство по п. 5, отличающееся тем, что устройство (А, В) энергообеспечения имеет средство (С) регулировки, посредством которого регуляторы (S1, S2, S3) мощности могут регулироваться в режиме повторения напряжений.

8. Устройство по п. 6, отличающееся тем, что устройство (А, В) энергообеспечения имеет средство (С) регулировки, посредством которого регуляторы (S1, S2, S3) мощности могут регулироваться в режиме повторения напряжений.