PatentDB.ru — поиск по патентным документам

Иллюстрации к патенту 2599263

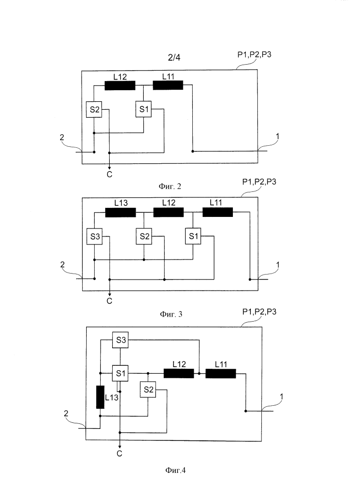
Выпрямительная схема по меньшей мере с двумя рабочими точками

Выпрямительная схема по меньшей мере с двумя рабочими точками (патент 2599263)