Распределенная система защиты для сегментированной сети питания на электрифицированной железной дороге

Иллюстрации

Показать все

Изобретение относится к распределенной системе защиты для сегментированной сети питания на электрифицированной железной дороге. Воздушная контактная система тяговой сети разделена на несколько сегментов, соответствующих железнодорожным перегонам, при этом добавлены перегонные разделители воздушной контактной системы и субперегонные посты между сегментами. Субперегонные посты содержат: выключатель, трансформатор тока, трансформатор напряжения и блок измерения и управления. Выключатель и трансформатор тока соединены между собой последовательно. Выключатель и трансформатор тока включены параллельно перегонному разделителю воздушной контактной системы. Перегонный разделитель воздушной контактной системы установлен в тяговой сети каскадно. Выключатель в обычном режиме находится в состоянии «включен». Трансформатор напряжения включен параллельно воздушной контактной системе. В каждом субперегонном посту трансформаторы напряжения имеют одинаковый тип и коэффициент трансформации, а трансформаторы тока также имеют одинаковый тип и коэффициент трансформации. Вторичная обмотка трансформатора напряжения и вторичная обмотка трансформатора тока в перегонном посту, связаны с входными клеммами блока измерения и управления, так же как вторичная обмотка трансформатора тока в ближайшем левом перегонном посту и вторичная обмотка трансформатора тока в ближайшем правом субперегонном посту. Выходы блока измерения и управления соединены с блоком управления выключателя в субперегонном посту. Каждый блок измерения и управления соединен с тяговыми подстанциями или диспетчерским центром через сеть связи. Блок измерения и управления определяет, имеется ли повреждение в виде короткого замыкания в воздушной контактной системе в сегменте между перегонным постом и ближайшим левым или ближним правым перегонным постом. Блок измерения и управления подает сигнал на управляющие контакты выключателя в перегонном посту, чтобы выключить выключатель, если имеется повреждение в виде короткого замыкания, в противном случае выключатель остается в состоянии «включен». Достигается распознавание, изоляция и устранение повреждений в тяговой сети. 3 з.п. ф-лы, 4 ил.

Реферат

Область техники

Изобретение относится к технологии защиты тяговой сети переменного тока (АС), к электрифицированной железной дороге, а более конкретно - включает способ и устройство для распределенной системы защиты для сегментированной сети питания на электрифицированной железной дороге.

Предпосылки создания изобретения

Система питания тяговой сети на электрифицированной железной дороге состоит из тяговой сети и тяговых подстанций. Тяговая сеть, которая непосредственно обеспечивает питание, состоит из воздушной контактной системы (OCS), рельсов и заземления. Для улучшения эффективности питания, снижения напряжения и затрат энергии и сохранения относительной независимости воздушной контактной системы для восходящих и нисходящих линий, обычно воздушные контактные системы для восходящих и нисходящих линий соединяют параллельно на концевых терминалах тяговой сети на двухпутной железной дороге (перегонный пост). Однако, когда в воздушной контактной системе происходит неисправность восходящей (или нисходящей) линия, защитные устройства фидера заставляют сработать выключатели фидерной цепи для восходящей (или нисходящей) линии в тяговых подстанциях и выключатели в перегонных постах. Таким образом, произойдет нарушение энергоснабжения всей воздушной контактной системы для восходящей (или нисходящей) линии, что может остановить движение всех поездов. Для минимизации области с нарушением энергоснабжения заявитель предложил изобретение: «Способ сегментированной сети питания и наблюдения за ее состоянием для двухпутной железной дороги с тяговой сетью параллельного включения на концевом терминале» (заявка на изобретение №201210486947.9), где воздушная контактная система для восходящей и нисходящей линий разделена на сегменты. Когда случается повреждение, необходимо изолировать только дефектный сегмент, в то время как другие нормальные сегменты остаются подавать электроэнергию. Это значительно повышает надежность и обеспечивает нормальное движение поездов. В этом способе следует посылать данные для различных сегментов в тяговые подстанции и диспетчерский центр, в котором данные централизованно обрабатывают, локальными блоками измерения и управления путем синхронизированного сбора данных в сети связи. После того, как идентифицировано повреждение тяговой сети и место повреждения, будет выслана команда изолировать повреждение. В настоящее время тяговые подстанции используют альтернативные фазы при подключении к системе питания и используют напряжение с различными фазами для каждого плеча в тяговой обмотке. Поэтому тяговая сеть не непрерывна, и есть только несколько смонтированных сегментов, что делает ее удобной и эффективной для обнаружения и изоляции повреждения. Когда на электрифицированной железной дороге будет принят синфазный режим тягового питания, тяговая сеть будет непрерывной и количество сегментов увеличится. Поэтому будет трудно собирать и передавать синхронизированные данные, а также информацию о повреждении, которая должна будет обрабатываться централизованно и в режиме реального времени, и даже более того - этого просто не достигнуть. Это влияет на практическую осуществимость способа. Таким образом, проблема, которую решает настоящее изобретения, включает способ своевременного и точного распознавания, изоляции и устранения повреждения; способ обеспечения, чтобы работа в реальном масштабе времени не зависела от количества сегментов; и способ обеспечения нормального питания в нормальных сегментах в максимально возможной степени.

Сущность изобретения

Главная цель варианта выполнения настоящего изобретения состоит в создании распределенной системы защиты для сегментированной сети питания на электрифицированной железной дороге, позволяющей преодолеть недостатки современной технологии. Распределенная система защиты способна своевременно и точно опознать различные типы и местоположения повреждений, а затем быстро изолировать и устранить повреждения, повысить надежность питания, обеспечить, чтобы поезда шли безопасно и пунктуально. Работа в реальном времени этой распределенной системы защиты не зависит от количества сегментов тяговой сети. Это обеспечивает ключевую технологическую поддержку для продвижения и применения синфазной системы тягового питания на электрифицированных железных дорогах.

Настоящее изобретение решает технические проблемы следующим образом:

Распределенная система защиты для сегментированной сети питания на электрифицированной железной дороге, которая сформирована следующим образом: воздушная контактная система тяговой сети разделена на несколько сегментов FD, соответствующих железнодорожным перегонам, при этом добавлены перегонные разделители FDQ воздушной контактной системы и субперегонные посты KB между сегментами FD. Субперегонные посты KB содержат выключатель DL, трансформатор LH тока, трансформатор YH напряжения и блок СК измерения и управления. Выключатель DL и трансформатор LH тока соединены между собой последовательно, а вместе выключатель DL и трансформатор LH тока включены параллельно перегонному разделителю FDQ воздушной контактной системы, при этом перегонный разделитель FDQ воздушной контактной системы установлен в тяговой сети каскадно, что позволяет непрерывно снабжать поезда электричеством. Выключатель DL нормально находится в состоянии «включен». Трансформатор YH напряжения соединен параллельно воздушной контактной системе Т. В каждом субперегонном посту трансформаторы напряжения имеют одинаковый тип и коэффициент трансформации, а трансформаторы тока также имеют одинаковый тип и коэффициент трансформации, при этом вторичная обмотка трансформатора YHk напряжения и вторичная обмотка трансформатора LHk тока в перегонном посту KBk, вторичная обмотка трансформатора LHk-1 тока в ближайшем левом перегонном посту KBk-1, вторичная обмотка трансформатора LHk+1 тока в ближайшем правом субперегонном посту KBk+1 - все связаны с входными клеммами блока CKk измерения и управления; выходы блока CKk измерения и управления соединены с блоком управления выключателя DLk в субперегонном посту KBk. Каждый блок измерения и управления соединен с тяговыми подстанциями или диспетчерским центром через сеть связи. Абсолютная величина разности между током, измеренным во вторичной обмотке трансформатора LHk тока в субперегонном посту KBk и током, измеренным во вторичной обмотке трансформатора LHk-1 тока в ближайшем левом субперегонном посту KBk-1, определена как продольный дифференциальный ток Iz. Абсолютная величина разности между током, измеренным во вторичной обмотке трансформатора LHk тока в перегонном посту KBk и током, измеренным во вторичной обмотке трансформатора LHk+1 тока в ближайшем правом субперегонном посту KBk+1, определена как продольный дифференциальный ток Iy. Блок CKk измерения и управления обладает следующими признаками:

Когда продольный дифференциальный ток Iz не меньше, чем установленное значение Idz продольного дифференциального тока, и при этом напряжение UTk на воздушной контактной системе, измеренное во вторичной обмотке трансформатора YHk напряжения в перегонном посту KBk, меньше, чем заданное значение Udz, блок измерения и управления CKk определяет, что имеется повреждение в виде короткого замыкания в воздушной контактной системе в сегменте FDk между перегонным постом KBk и ближайшим левым перегонным постом KBk-1; в этом случае блок CKk измерения и управления подает сигнал на управляющие контакты выключателя DLk в перегонном посту KBk, чтобы выключить выключатель DLk. В противном случае выключатель DLk остается в состоянии «включен».

Когда продольный дифференциальный ток Iy не меньше, чем установленное значение Idz продольного дифференциального тока, и при этом напряжение UTk на воздушной контактной системе, измеренное во вторичной обмотке трансформатора YHk напряжения в перегонном посту KBk, меньше, чем заданное значение Udz, блок измерения и управления CKk определяет, что имеется повреждение в виде короткого замыкания в воздушной контактной системы в сегменте FDk+1 между перегонным постом KBk и ближайшим правым перегонным постом KBk+1; в этом случае блок CKk измерения и управления подает сигнал на управляющие контакты выключателя DLk в перегонном посту KBk, чтобы выключить выключатель DLk. В противном случае выключатель DLk остается в состоянии «включен».

Сегменты воздушной контактной системы тяговой сети на электрифицированной железной дороге соответствуют железнодорожным перегонам (приблизительно 10 км). Принципы работы таковы: когда напряжение UT на воздушной контактной системе не меньше, чем заданное значение Udz, поезд L едет, в противном случае поезд L останавливается; когда напряжение UT на воздушной контактной системе меньше, чем заданное значение Udz, что заставляет поезд остановиться, единственным путем для протекания тока будет короткое замыкание в воздушной контактной системе, поэтому можно использовать способ защиты, основанный на дифференциальном токе в воздушной контактной системе между соседними сегментами, для выявления повреждения, когда возникает низкое напряжение, то есть, напряжение UT на воздушной контактной системе меньше, чем заданное значение Udz. Кроме того, дефектные сегменты могут быть изолированы путем выключения выключателя. Более конкретно, абсолютная величина разности между током, измеренным во вторичной обмотке трансформатора LHk тока в перегонном посту KBk, и током, измеренным во вторичной обмотке трансформатора LHk-1 тока в ближайшем левом субперегонном посту KBk-1, определена как продольный дифференциальный ток Iz. Когда продольный дифференциальный ток Iz не меньше, чем установленное значение Idz продольного дифференциального тока, и при этом напряжение UTk на воздушной контактной системе, измеренное во вторичной обмотке трансформатора YHK напряжения в субперегонном посту KBk, меньше, чем заданное значение Udz, блок CKk измерения и управления определяет, что имеет место повреждение в виде короткого замыкания в воздушной контактной системе в сегменте FDk между перегонным постом KBk и ближайшим левым перегонным постом KBk-1; в этом случае блок CKk измерения и управления подает сигнал на управляющие контакты выключателя DLk в перегонном посту KBk, чтобы выключить выключатель DLk. В противном случае выключатель DLk остается в состоянии «включен». Абсолютная величина разности между током, измеренным во вторичной обмотке трансформатора LHk тока в субперегонном посту KBk, и током, измеренным во вторичной обмотке трансформатора LHk+1 тока в ближайшем правом субперегонном посту KBk+1, определена как продольный дифференциальный ток Iy. Когда продольный дифференциальный ток Iy не меньше, чем установленное значение Idz продольного дифференциального тока, и при этом напряжение UTk на воздушной контактной системе, измеренное во вторичной обмотке трансформатора YHk напряжения в перегонном посту KBk, меньше, чем заданное значение Udz, блок CKk измерения и управления определяет, что имеется повреждение в виде короткого замыкания в воздушной контактной системе в сегменте FDk+1 между субперегонным постом KBk и ближайшим правым субперегонным постом KBk+1; в этом случае блок CKk измерения и управления подает сигнал на управляющие контакты выключателя DLk в перегонном посту KBk, чтобы выключить выключатель DLk. В противном случае выключатель DLk остается в состоянии «включен».

Заданное значение Udz напряжения на воздушной контактной системе определяется техническими параметрами динамической системы поезда. Для поездов, идущих по электрифицированным железным дорогам, на которых номинальное напряжение составляет 25 кВ, для нормального функционирования Udz обычно устанавливают в диапазоне 17-19 кВ.

Для задания значения продольного дифференциального тока следует учесть некоторые факторы, включая влияние емкости между контактными проводами без нагрузки и землей, типы измерительного трансформатора, девиации измерения и т.д. Фактически значение установленного продольного дифференциального тока очень невелико.

По сравнению с современной технологией настоящее изобретение обладает следующими преимуществами:

1. Повреждение может быть обнаружено, идентифицировано и изолировано своевременное и точно, а избирательность, скорость и чувствительность системы защиты с использованием реле могут быть улучшены. Кроме того, обеспечивается ситуация, при которой нормальное питание подается в нормальные сегменты и изолируется дефектный сегмент, что позволяет уменьшить его влияние на работу железных дорог и увеличить надежность тягового питания тяги.

2. Изобретение представляет собой своего рода распределенную систему защиты для сегментированной сети питания. По сравнению с централизованной системой защиты ее рабочие характеристики в реальном времени не зависят от количества сегментов тяговой сети.

3. Преимуществами настоящего изобретения являются относительная низкая стоимость и легкость осуществления независимо от того, применено ли оно в новой линии или в старой линии.

Ниже изобретение описано со ссылками на сопровождающие чертежи и конкретные варианты его выполнения.

Краткое описание чертежей

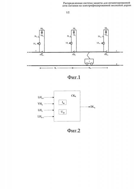
На фиг. 1 показана структура сегментированного питания для воздушной контактной системы и субперегонных постов в одном из вариантов выполнения настоящего изобретения.

На фиг. 2 показана структура блока измерения и управления в субперегонных постах в одном из вариантов выполнения настоящего изобретения.

На фиг. 3 показан процесс применения сегментов воздушной контактной системы и субперегонных постов при питании двухпутной железной дороги в одном из вариантов выполнения настоящего изобретения.

На фиг. 4 показана последовательность операций для одного из вариантов выполнения настоящего изобретения.

Подробное описание

На фиг. 1 показан один из вариантов выполнения настоящего изобретения. В соответствии с железнодорожными перегонами (приблизительно 10 км) воздушная контактная система тяговой сети на электрифицированной железной дороге разделена на несколько сегментов FD, при этом добавлены перегонные разделители FDQ воздушной контактной системы и субперегонные посты КВ между сегментами FD. Субперегонные посты КВ содержат выключатель DL, трансформатор LH тока, трансформатор YH напряжения и блок СК измерения и управления. Выключатель DL и трансформатор LH тока соединены между собой последовательно, а вместе выключатель DL и трансформатор LH тока включены параллельно перегонному разделителю FDQ воздушной контактной системы, при этом перегонный разделитель FDQ воздушной контактной системы установлен в тяговой сети каскадно, что позволяет непрерывно снабжать поезда электричеством. Выключатель DL нормально находится в состоянии «включен». Трансформатор YH напряжения подсоединен параллельно воздушной контактной системе Т. Трансформаторы напряжения имеют одинаковый тип и коэффициент трансформации, а трансформаторы тока также имеют одинаковый тип и коэффициент трансформации.

На фиг. 2 показана структура блока измерения и управления в субперегонном посту. Вторичная обмотка трансформатора YHk напряжения и вторичная обмотка трансформатора LHk тока в перегонном посту KBk, вторичная обмотка трансформатора LHk-1 тока в ближайшем левом перегонном посту KBk-1, вторичная обмотка трансформатора LHk+1 тока в ближайшем правом субперегонном посту KBk+1 - все связаны с входными клеммами блока CKk измерения и управления; выходы блока CKk измерения и управления соединены с блоком управления выключателя DLk в субперегонном посту KBk. Каждый блок измерения и управления соединен с тяговыми подстанциями или диспетчерским центром через сеть связи.

На фиг. 3 показано использование сегментов питания и субперегонных постов на двухпутной железной дороге в одном из вариантов выполнения настоящего изобретения. В соответствии с фиг. 2, вторичная обмотка трансформатора YH11 напряжения и вторичная обмотка трансформатора LH11 тока в перегонном посту КВ11 в восходящей линии, вторичная обмотка трансформатора тока в ближайшем левом субперегонном посту (тяговая подстанция SS), вторичная обмотка трансформатора LH12 тока в ближайшем правом перегонном посту КВ12, - все они связаны с входными клеммами блока СК11 измерения и управления. Вторичная обмотка трансформатора YH12 напряжения и вторичная обмотка трансформатора LH12 тока в перегонном посту КВ12 в восходящей линии, вторичная обмотка трансформатора LH11 тока в ближайшем левом субперегонном посту КВ11, вторичная обмотка трансформатора тока в ближайшем правом субперегонном посту (перегонный пост SP) - все они связаны с входными клеммами блока СК12 измерения и управления. Когда имеет место повреждение в виде короткого замыкания в сегменте FD12 в местоположении, показанном на фиг. 3, напряжение UT11 на воздушной контактной системе, измеренное во вторичной обмотке трансформатора YH11 напряжения в перегонном посту КВ11, меньше, чем заданное значение Udz, и продольный дифференциальный ток Iz не меньше, чем значение Idz установленного продольного дифференциального тока. Тогда блок СК11 измерения и управления в перегонном посту КВ11 воздействует на управляющие контакты выключателя DL11, заставляя выключить выключатель DL11. В то же время напряжение UT12 на воздушной контактной системе, измеренное во вторичной обмотке трансформатора YH12 напряжения в перегонном посту КВ12, меньше, чем заданное значение Udz, а продольный дифференциальный ток Iz не меньше, чем установленное значение Idz продольного дифференциального тока, - при этом блок СК12 измерения и управления в перегонном посту КВ12, воздействует на управляющие контакты выключателя DL12, заставляя выключить выключатель DL12, что позволяет изолировать повреждение в виде короткого замыкания в сегменте FD12. Субперегонный пост КВ11 в ближайшем левом субперегонном посту (тяговая подстанция SS) и субперегонный пост КВ12 в ближайшем правом субперегонном посту (субперегонный пост SP) могут последовательно обеспечить питание нормальных сегментов FD11 и FD13, соответственно. Позицией L обозначен поезд, а IL представляет собой ток поезда L. ITk представляет ток в воздушной контактной системе, измеренный во вторичной обмотке трансформатора тока в субперегонном посту KBk.

На фиг. 4 показана последовательность операций способа согласно настоящему изобретению. Согласно принципу работы, когда напряжение UT на воздушной контактной системе не меньше, чем заданное значение Udz, поезд L движется, в противном случае поезд L остановится; когда напряжение UT на воздушной контактной системе меньше, чем заданное значение Udz, что заставит поезд остановиться, единственным путем в цепи для тока будет короткое замыкание в воздушной контактной системе, поэтому способ защиты, основанный на дифференциальном токе в воздушной контактной системе между соседними сегментами, может использоваться для выявления повреждения, когда имеет место низкое напряжение, то есть напряжение UT на воздушной контактной системе меньше, чем заданное значение Udz. Кроме того, дефектный сегмент можно изолировать, выключив выключатель. Ниже дано подробное объяснение: абсолютная величина разности между током, измеренным во вторичной обмотке трансформатора LHk тока в перегонном посту KBk, и током, измеренным во вторичной обмотке трансформатора тока LHk-1 в ближайшем левом субперегонном посту KBk-1, определена как продольный дифференциальный ток Iz. Когда продольный дифференциальный ток Iz не меньше, чем установленное значение Idz продольного дифференциального тока, и при этом напряжение UTk на воздушной контактной системе, измеренное во вторичной обмотке трансформатора YHk напряжения в перегонном посту KBk, меньше чем заданное значение Udz, блок измерения и управления CKk определяет, что имеется повреждение в виде короткого замыкания в воздушной контактной системы в сегменте FDk между перегонным постом KBk и ближайшим левым перегонным постом KBk-1; в этом случае блок CKk измерения и управления подает сигнал на управляющие контакты выключателя DLk в перегонном посту KBk, чтобы выключить выключатель DLk. В противном случае выключатель DLk остается в состоянии «включен». Абсолютная величина разности между током, измеренным во вторичной обмотке трансформатора LHk тока в перегонном посту KBk, и током, измеренным в трансформаторе LHk+1 тока в ближайшем левом субперегонном посту KBk+1, определена как продольный дифференциальный ток Iy. Когда продольный дифференциальный ток Iy не меньше чем установленное значение Idz продольного дифференциального тока, и при этом напряжение UTk на воздушной контактной системе, измеренное во вторичной обмотке трансформатора YHk напряжения в перегонном посту KBk, меньше, чем заданное значение Udz, блок измерения и управления CKk определяет, что имеется повреждение в виде короткого замыкания в воздушной контактной системе в сегменте FDk+1 между перегонным постом KBk и ближайшим правым перегонным постом KBk+1; в этом случае блок CKk измерения и управления подает сигнал на управляющие контакты выключателя DLk в перегонном посту KBk, чтобы выключить выключатель DLk. В противном случае выключатель DLk остается в состоянии «включен».

Например, как показано на фиг. 2, 3, 4, согласно техническим параметрам динамической системы поезда L, заданное значение Udz напряжения на воздушной контактной системе установлено равным 18 кВ, а это означает, что поезд будет идти, когда напряжение UT на воздушной контактной системе составит не меньше чем 18 кВ, иначе поезд остановится. Согласно параметрам тяговой сети, типам трансформаторов тока и девиации Idz измерения, заданное значение продольного дифференциального тока Iy устанавливают равным 0,8 А. Когда напряжение UT11 на воздушной контактной системе, измеренное во вторичной обмотке трансформатора YH11 напряжения в перегонном посту КВ11, меньше чем Udz (Udz=18 кВ), и продольный дифференциальный ток Iy (Iy=|IT11-IT12|) не меньше, чем Idz (Idz=0,8 А), блок СК11 измерения и управления в перегонном посту КВ11 воздействует на управляющие контакты выключателя DL11, чтобы выключить выключатель DL11. При этом, когда напряжение UT12 на воздушной контактной системе, измеренное во вторичной обмотке трансформатора YH12 напряжения в перегонном посту КВ12, меньше чем Udz (Udz=18 кВ), а продольный дифференциальный ток Iz (Iz=|IT11-IT12|) не меньше чем Idz (Idz=0,8 А), блок СК12 измерения и управления в перегонном посту КВ12 воздействует на блок управления выключателем DL12, чтобы выключить выключатель DL12. Поэтому повреждение в виде короткого замыкания в сегменте FD12 можно изолировать. Субперегонный пост КВ11 в ближайшем левом субперегонном посту (тяговая подстанция SS), и субперегонный пост КВ12 в ближайшем правом субперегонном посту (перегонный пост SP) может последовательно обеспечивать питанием нормальные сегменты FD11 и FD13 соответственно.

Кроме того, продольный дифференциальный ток Iz - абсолютная величина разности между током, измеренным во вторичной обмотке трансформатора LHk тока в перегонном посту KBk и током, измеренным во вторичной обмотке трансформатора LHk-1 тока в ближайшем левом перегонном посту KBk-1. Продольный дифференциальный ток Iy - абсолютная величина разности между током, измеренным во вторичной обмотке трансформатора LHk тока в перегонном посту KBk, и током, измеренным во вторичной обмотке трансформатора LHk+1 тока в ближайшем правом перегонном посту KBk+1. Таким образом, значения тока, измеренного во вторичных обмотках трансформаторов тока в соседних субперегонных постах, могут выявлять типы и местоположения повреждений. Например, когда продольный дифференциальный ток Iz не меньше, чем заданное значение Idz, и напряжение UTk на воздушной контактной системе, измеренное во вторичной обмотке трансформатора YHk напряжения в субперегонном посту KBk, меньше, чем заданное значение Udz, имеет место повреждение в виде короткого замыкания в воздушной контактной системе в сегменте FDk между перегонным постом KBk и субперегонным постом KBk-1, если ток, измеренный во вторичной обмотке трансформатора LHk тока в перегонном посту KBk, и ток, измеренный во вторичной обмотке трансформатора LHk-1 тока в ближайшем левом субперегонном посту KBk-1, - оба больше 0 (или заданного значения, которое установлено с учетом некоторых факторов, таких как типы трансформаторов тока, девиации измерения, и т.д.). Если один из токов больше 0, а другой равен 0, имеет место повреждение в виде короткого замыкания в сегменте, который дает ток больше чем 0, и имеет место повреждение в виде обрыва в сегменте, который дает ток, равный 0. При этом по току короткого замыкания, который больше чем 0, и напряжению короткого замыкания на воздушной контактной системе, измеренному во вторичной обмотке трансформатора YHk напряжения, можно вычислить импеданс короткого замыкания и определить местоположение повреждения в виде короткого замыкания. Кроме того, согласно стандартам и частным требованиям, важно повторно замкнуть выключатель после измерения, и блок измерения и управления заставляет блок управления выключателя включить выключатель, чтобы устранить эффект, вызванный кратковременными повреждениями.

Все сообщения о коротких замыканиях, разрывах в цепях и сигналы для выключателей могут быть переданы в ближайшую тяговую подстанцию соответствующим блоком измерения и управления через сеть связи, или же блок измерения и управления может послать сигналы тревоги в диспетчерский центр. Для экономии места и средств при эксплуатации в полевых условиях блок CKk измерения и управления может быть реализован в виде существующих микрокомпьютерных защитных устройств или измерительных и управляющих устройств. Эти функции могут быть выполнены путем изменения прикладного программного обеспечения. Кроме того, можно принять некоторые критерии, чтобы избежать разъединения во вторичных обмотках трансформаторов тока или трансформаторов напряжения.

1. Распределенная система защиты для сегментированной сети питания на электрифицированной железной дороге, содержащая:

воздушную контактную систему OCS тяговой сети на электрифицированной железной дороге, которая разделена на несколько сегментов FD, соответствующих железнодорожным перегонам, при этом добавлены перегонные разделители FDQ воздушной контактной системы и субперегонные посты KB между сегментами FD; при этом субперегонные посты KB содержат выключатель DL, трансформатор LH тока, трансформатор YH напряжения и блок СК измерения и управления; выключатель DL и трансформатор LH тока соединены между собой последовательно, а вместе выключатель DL и трансформатор LH тока включены параллельно перегонному разделителю FDQ воздушной контактной системы, при этом перегонный разделитель FDQ воздушной контактной системы установлен в тяговой сети каскадно, что позволяет непрерывно снабжать поезда электричеством; при этом выключатель DL нормально находится в состоянии «включен»; трансформатор YH напряжения включен параллельно воздушной контактной системе Т; в каждом субперегонном посту трансформаторы напряжения имеют одинаковый тип и коэффициент трансформации, а трансформаторы тока также имеют одинаковый тип и коэффициент трансформации,

при этом вторичная обмотка трансформатора YHk напряжения и вторичная обмотка трансформатора LHk тока в перегонном посту KBk, вторичная обмотка трансформатора LHk-1 тока в ближайшем левом перегонном посту KBk-1, вторичная обмотка трансформатора LHk+1 тока в ближайшем правом субперегонном посту KBk+1 - все связаны с входными клеммами блока CKk измерения и управления; выходы блока CKk измерения и управления соединены с блоком управления выключателя DLk в субперегонном посту KBk; каждый блок измерения и управления соединен с тяговыми подстанциями или диспетчерским центром через сеть связи; абсолютная величина разности между током, измеренным во вторичной обмотке трансформатора LHk тока в субперегонном посту KBk, и током, измеренным во вторичной обмотке трансформатора LHk-1 тока в ближайшем левом субперегонном посту KBk-1, определена как продольный дифференциальный ток Iz, абсолютная величина разности между током, измеренным во вторичной обмотке трансформатора LHk тока в перегонном посту KBk, и током, измеренным во вторичной обмотке трансформатора LHk+1 тока в ближайшем правом субперегонном посту KBk+1, определена как продольный дифференциальный ток Iy,

при этом блок измерения и управления CKk определяет, имеется ли повреждение в виде короткого замыкания в воздушной контактной системе в сегменте FDk между перегонным постом KBk и ближайшим левым перегонным постом KBk-1 согласно продольному дифференциальному току Iz и напряжению UTk на воздушной контактной системе, измеренному во вторичной обмотке трансформатора YHk напряжения в перегонном посту KBk, и блок CKk измерения и управления подает сигнал на управляющие контакты выключателя DLk в перегонном посту KBk, чтобы выключить выключатель DLk, если имеется повреждение в виде короткого замыкания, в противном случае выключатель DLk остается в состоянии «включен»; и

блок измерения и управления CKk определяет, имеется ли повреждение в виде короткого замыкания в воздушной контактной системе в сегменте FDk+1 между перегонным постом KBk и ближайшим правым перегонным постом KBk+1 согласно продольному дифференциальному току Iy и напряжению UTk на воздушной контактной системе, измеренному во вторичной обмотке трансформатора YHk напряжения в перегонном посту KBk, и блок CKk измерения и управления подает сигнал на управляющие контакты выключателя DLk в перегонном посту KBk, чтобы выключить выключатель DLk, если имеется повреждение в виде короткого замыкания; в противном случае выключатель DLk остается в состоянии «включен».

2. Распределенная система защиты по п. 1, в которой блок измерения и управления CKk определяет, имеется ли повреждение в виде короткого замыкания в воздушной контактной системе в сегменте FDk между перегонным постом KBk и ближайшим левым перегонным постом KBk-1, если продольный дифференциальный ток Iz не меньше, чем установленное значение Idz продольного дифференциального тока, и при этом напряжение UTk на воздушной контактной системе, измеренное во вторичной обмотке трансформатора YHk напряжения в перегонном посту KBk, меньше, чем заданное значение Udz.

3. Распределенная система защиты по п. 1, в которой блок измерения и управления CKk определяет, имеется ли повреждение в виде короткого замыкания в воздушной контактной системе в сегменте FDk+1 между перегонным постом KBk и ближайшим правым перегонным постом KBk+1, если продольный дифференциальный ток Iy не меньше, чем установленное значение Idz продольного дифференциального тока, и при этом напряжение UTk на воздушной контактной системе, измеренное во вторичной обмотке трансформатора YHk напряжения в перегонном посту KBk, меньше, чем заданное значение Udz.

4. Распределенная система защиты по п. 2 или 3, в которой установленное значение Idz продольного дифференциального тока составляет 0,8 А или 0, а заданное значение Udz составляет 18 кВ.