PatentDB.ru — поиск по патентным документам

Иллюстрации к патенту 2248282

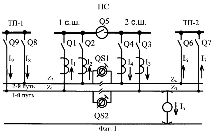
Система для управления устройством раздела питания тяговой сети переменного тока электрических железных дорог

Система для управления устройством раздела питания тяговой сети переменного тока электрических железных дорог (патент 2248282)