Система для управления устройством раздела питания тяговой сети переменного тока электрических железных дорог

Иллюстрации

Показать все

Изобретение относится к технике подачи электроэнергии к электрическим сетям, контактирующим с токоприемниками транспортных средств. Устройство раздела питания тяговой сети переменного тока состоит из выключателя, включенного между двумя секциями шин поста секционирования двухпутного участка. При этом к первой из секций подключены первый и второй фидеры, а ко второй - третий и четвертый фидеры, питающие контактные сети соответствующих путей, разделенные воздушными промежутками. На каждом из фидеров установлен трансформатор тока. Выходы трансформаторов тока первого и второго фидеров через масштабные усилители подключены ко входам первого блока сравнения, а выходы трансформаторов тока третьего и четвертого фидеров через масштабные усилители - ко входам второго блока сравнения. Прямые выходы блоков сравнения подключены ко входам схемы ИЛИ, формирующей сигнал на включение выключателя устройства раздела питания в случае неравенства токов первого и второго или третьего и четвертого фидеров соответственно. Инверсные выходы блоков сравнения подключены ко входам схемы И, формирующей сигнал на отключение выключателя в случае равенства токов. Изобретение расширяет область применения устройства раздела питания для участков с тяжелым профилем пути и при малых размерах движения поездов. 2 ил.

Реферат

Изобретение относится к электрифицированному железнодорожному транспорту. Предложенная система основана на сравнении токов между первым - вторым и третьим - четвертым фидерами контактной сети поста секционирования. Система реализуется простыми средствами и обеспечивает определение наличия электрического подвижного состава на межподстанционных зонах.

Изобретение относится к электрифицированному железнодорожному транспорту, в частности к системам для управления устройствами раздела питания (УРП) тяговой сети переменного тока.

Питание тяговой сети межподстанционных зон (MП3) электрических железных дорог переменного тока России, как правило, осуществляется по схемам двустороннего питания. При использовании таких схем питания по тяговой сети протекает уравнительный ток. Этот ток вызывает дополнительные потери электрической энергии в тяговой сети, снижает пропускную способность железной дороги и отрицательно влияет на работу релейной защиты. Для ликвидации уравнительных токов переходят к схемам питания тяговой сети с разделом МПЗ посредине воздушным промежутком, в частности к встречно-кольцевой схеме питания. Применение такой схемы питания сопряжено с необходимостью защиты воздушных промежутков контактной сети от пережогов. Для решения этой задачи предложен способ шунтирования воздушных промежутков выключателем, установленным на посту секционирования, в момент прохода по нему токоприемника электрического подвижного состава (ЭПС).

Наиболее близким техническим решением к предложенной системе является система, используемая в устройстве для шунтирования воздушного промежутка контактной сети (см. авт. св. СССР №1243976 А1, кл. В 60 М 3/10, 1986).

Однако известная система обладает рядом недостатков:

- большое количество коммутаций вакуумного выключателя, равное количеству прошедших поездов, и как следствие быстрая выработка его ресурса;

- при значительных нагрузках ЭПС возникают дополнительные потери электрической энергии в схемах раздельного питания по отношению к схемам с двустороннем питанием, которые могут превышать потери электрической энергии от уравнительных токов.

- устройство включается только при непосредственном приближении электрического подвижного состава к посту секционирования и не позволяет работать по схеме двустороннего питания при значительных тяговых нагрузках;

- не может применяться на участках с малыми размерами движения, но тяжелым профилем пути и значительными массами поездов из-за падения напряжения на токоприемнике ЭПС.

Цель настоящего изобретения:

- расширение области применения УРП на участках с тяжелым профилем пути, при малых размерах движения поездов, когда основным критерием, ограничивающим движение, является уровень напряжения на токоприемнике электрического подвижного состава;

- недопущение превышения дополнительных потерь энергии от тяговой нагрузки в момент прохода ЭПС над потерями от уравнительных токов;

- повышение надежности УРП за счет резервирования защиты ветвей воздушного промежутка от пережогов, заблаговременным включением УРП;

- стабилизация напряжения на токоприемнике электрического подвижного состава и дополнительное снижение потерь электрической энергии в тяговой сети переменного тока;

- повышение срока службы выключателя УРП за счет снижения количества коммутаций.

Поставленная цель достигается тем, что осуществляется попарное сравнение токов между первым - вторым и третьим - четвертым фидерами контактной сети поста секционирования.

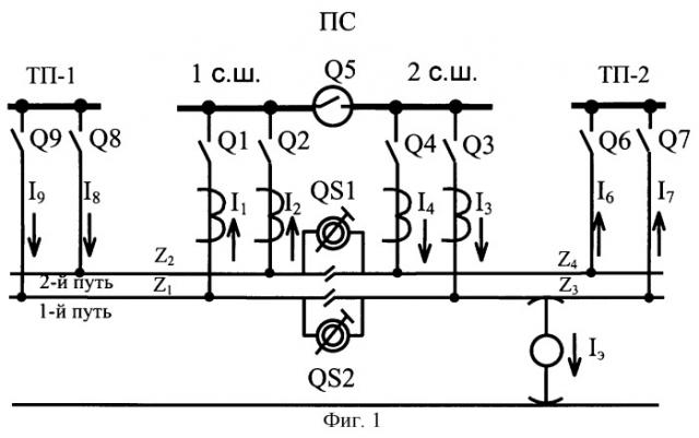
При отсутствии электрического подвижного состава на межподстанционной зоне и встречно-кольцевой схеме питания значения токов, протекающих по фидерам контактной сети, будут равны нулю. При появлении электрического подвижного состава, например на четном пути справа от поста, токи, протекающие по третьему и четвертому фидерам, будут отличны от нуля и противоположно направлены.

При отсутствии электрического подвижного состава на межподстанционной зоне и двусторонней схеме питания значения токов, протекающих по фидерам контактной сети, будут обратно пропорциональны сопротивлениям участков тяговой сети путей между шинами поста секционирования и тяговой подстанцией

где I1 - ток в контактной сети первого пути сопротивлением Z1, на участке от первой тяговой подстанции до поста секционирования;

I2 - ток в контактной сети второго пути сопротивлением Z2, на участке от первой тяговой подстанции до поста секционирования;

I3 - ток в контактной сети первого пути сопротивлением Z3, на участке от поста секционирования до второй тяговой подстанции;

I4 - ток в контактной сети второго пути сопротивлением Z4, на участке от поста секционирования до второй тяговой подстанции.

При появлении на межподстанционной зоне тяговой нагрузки соотношения (1) нарушаются.

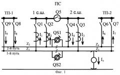
На фиг.1 и 2 представлены соответственно схема электроснабжения межподстанционной зоны тяговой сети двухпутного участка и функциональная схема управления УРП.

Схема (фиг.1) состоит из тяговых подстанций ТП-1, ТП-2, поста секционирования (ПС), выключателей фидеров контактной сети поста секционирования Q1-Q4, выключателя устройства раздела питания Q5, выключателей фидеров контактной сети тяговых подстанций Q6-Q9, продольных разъединителей контактной сети QS1, QS2, контактной сети первого и второго путей.

В состав функциональной схемы (фиг.2) входят промежуточные преобразователи токов в напряжения с масштабными усилителями 1-4 соответственно первого, второго и третьего, четвертого фидеров контактной сети, нуль-органы 5 и 6, схема ИЛИ 7, схема И 8, линии задержки 9 и 10.

При отсутствии электрического подвижного состава на межподстанционной зоне и двусторонней схеме питания значения токов, протекающих по фидерам контактной сети, будут обратно пропорциональны сопротивлениям участков тяговой сети путей между шинами поста секционирования и тяговой подстанцией или равны нулю при встречно-кольцевой схеме. С выходов преобразователей тока в напряжение 1-4 напряжения, пропорциональные токам, протекающим по фидерам контактной сети, подаются на нуль-органы 5 и 6. При равенстве поданных напряжений на прямых выходах нуль-органов будет присутствовать логический 0, а на инверсных выходах будет присутствовать логическая 1. Соответственно на выходе схемы ИЛИ будет логический 0 и сигнала на включение устройства режимного управления через линию задержки 7 не будет, а на выходе логической схемы И будет логическая единица и через линию задержки 8 будет сигнал на отключение устройства раздела питания.

При появлении электрического подвижного состава на межподстанционной зоне значения токов, протекающих по фидерам контактной сети, не будут обратно пропорциональны сопротивлениям участков тяговой сети путей между шинами поста секционирования и тяговой подстанцией, соответственно величины поданных напряжений на нуль-органы окажутся различными. На прямых выходах нуль-органов появится логическая 1, а на инверсных выходах будет присутствовать логический 0. Соответственно на выходе схемы ИЛИ будет логическая 1 и появится сигнал на включение устройства раздела питания через линию задержки 7, а на выходе логической схемы И будет логический 0 и через линию задержки 8 не будет сигнала на отключение устройства раздела питания. Регулирование чувствительности схемы управления осуществляется изменением порогового напряжения переключения нуль-органа.

Внедрение предложенной системы позволит дополнительно снизить потери электрической энергии на межподстанционных зонах от протекания уравнительных токов, стабилизировать напряжение на токоприемнике ЭПС, повысить надежность и расширить область применения УРП.

Система для управления устройством раздела питания тяговой сети переменного тока электрических железных дорог, состоящим из выключателя, включенного между двумя секциями шин поста секционирования двухпутного участка, к первой из которых подключены первый и второй фидеры, а ко второй - третий и четвертый фидеры, питающие контактные сети соответствующих путей, разделенные воздушными промежутками, отличающаяся тем, что на каждом из фидеров установлен трансформатор тока, при этом выходы трансформаторов тока первого и второго фидеров через масштабные усилители подключены ко входам первого блока сравнения, а выходы трансформаторов тока третьего и четвертого фидеров через масштабные усилители - ко входам второго блока сравнения, прямые выходы блоков сравнения подключены ко входам схемы ИЛИ, формирующей сигнал на включение выключателя устройства раздела питания в случае неравенства токов первого и второго или третьего и четвертого фидеров соответственно, а инверсные выходы блоков сравнения подключены ко входам схемы И, формирующей сигнал на отключение выключателя в случае равенства токов.