PatentDB.ru — поиск по патентным документам

Иллюстрации к патенту 2341383

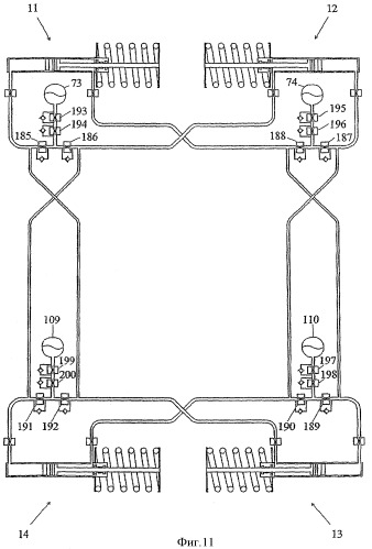
Гидравлическая система для подвески транспортного средства

Гидравлическая система для подвески транспортного средства (патент 2341383)