Иллюстрации к патенту
247207
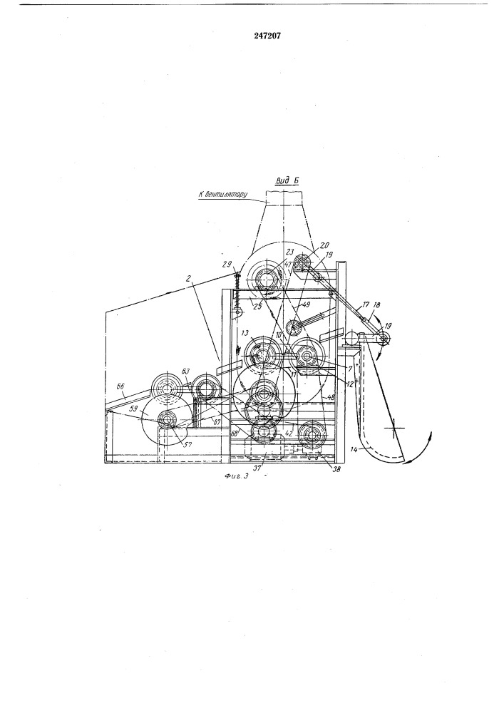
Установка для мойки бочек