Иллюстрации к патенту
2666825
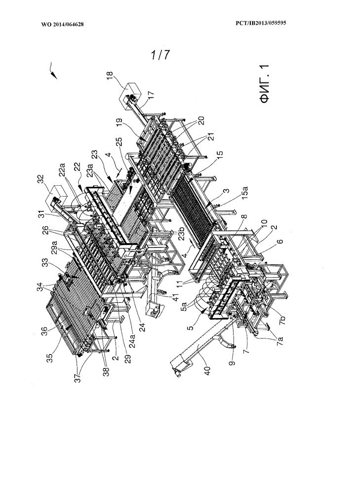
Оборудование для резки плит из керамического материала